ZHCSO20 may   2021 BQ25723

PRODUCTION DATA  

  1.   1
  2. 特性
  3. 应用
  4. 说明
  5. Revision History
  6. Description (continued)
  7. Device Comparison Table
  8. Pin Configuration and Functions
  9. Specifications
    1. 8.1 Absolute Maximum Ratings
    2. 8.2 ESD Ratings
    3. 8.3 Recommended Operating Conditions
    4. 8.4 Thermal Information
    5. 8.5 Electrical Characteristics
    6. 8.6 Timing Requirements
    7. 8.7 Typical Characteristics
  10. Detailed Description
    1. 9.1 Overview
    2. 9.2 Functional Block Diagram
    3. 9.3 Feature Description
      1. 9.3.1  Power-Up Sequence
      2. 9.3.2  Vmin Active Protection (VAP) with Battery only
      3. 9.3.3  Two-Level Battery Discharge Current Limit
      4. 9.3.4  Fast Role Swap Feature
      5. 9.3.5  CHRG_OK Indicator
      6. 9.3.6  Input and Charge Current Sensing
      7. 9.3.7  Input Voltage and Current Limit Setup
      8. 9.3.8  Battery Cell Configuration
      9. 9.3.9  Device HIZ State
      10. 9.3.10 USB On-The-Go (OTG)
      11. 9.3.11 Converter Operation
      12. 9.3.12 Inductance Detection Through IADPT Pin
      13. 9.3.13 Converter Compensation
      14. 9.3.14 Continuous Conduction Mode (CCM)
      15. 9.3.15 Pulse Frequency Modulation (PFM)
      16. 9.3.16 Switching Frequency and Dithering Feature
      17. 9.3.17 Current and Power Monitor
        1. 9.3.17.1 High-Accuracy Current Sense Amplifier (IADPT and IBAT)
        2. 9.3.17.2 High-Accuracy Power Sense Amplifier (PSYS)
      18. 9.3.18 Input Source Dynamic Power Management
      19. 9.3.19 Input Current Optimizer (ICO)
      20. 9.3.20 Two-Level Adapter Current Limit (Peak Power Mode)
      21. 9.3.21 Processor Hot Indication
        1. 9.3.21.1 PROCHOT During Low Power Mode
        2. 9.3.21.2 PROCHOT Status
      22. 9.3.22 Device Protection
        1. 9.3.22.1 Watchdog Timer
        2. 9.3.22.2 Input Overvoltage Protection (ACOV)
        3. 9.3.22.3 Input Overcurrent Protection (ACOC)
        4. 9.3.22.4 System Overvoltage Protection (SYSOVP)
        5. 9.3.22.5 Battery Overvoltage Protection (BATOVP)
        6. 9.3.22.6 Battery Discharge Overcurrent Protection (BATOC)
        7. 9.3.22.7 Battery Short Protection (BATSP)
        8. 9.3.22.8 System Undervoltage Lockout (VSYS_UVP) and Hiccup Mode
        9. 9.3.22.9 Thermal Shutdown (TSHUT)
    4. 9.4 Device Functional Modes
      1. 9.4.1 Forward Mode
        1. 9.4.1.1 System Voltage Regulation with Narrow VDC Architecture
        2. 9.4.1.2 Battery Charging
      2. 9.4.2 USB On-The-Go
      3. 9.4.3 Pass Through Mode (PTM)-Patented Technology
    5. 9.5 Programming
      1. 9.5.1 I2C Serial Interface
        1. 9.5.1.1 Timing Diagrams
        2. 9.5.1.2 Data Validity
        3. 9.5.1.3 START and STOP Conditions
        4. 9.5.1.4 Byte Format
        5. 9.5.1.5 Acknowledge (ACK) and Not Acknowledge (NACK)
        6. 9.5.1.6 Target Address and Data Direction Bit
        7. 9.5.1.7 Single Read and Write
        8. 9.5.1.8 Multi-Read and Multi-Write
        9. 9.5.1.9 Write 2-Byte I2C Commands
    6. 9.6 Register Map
      1. 9.6.1  ChargeOption0 Register (I2C address = 01/00h) [reset = E70Eh]
      2. 9.6.2  ChargeCurrent Register (I2C address = 03/02h) [reset = 0000h]
        1. 9.6.2.1 Battery Pre-Charge Current Clamp
      3. 9.6.3  ChargeVoltage Register (I2C address = 05/04h) [reset value based on CELL_BATPRESZ pin setting]
      4. 9.6.4  ChargerStatus Register (I2C address = 21/20h) [reset = 0000h]
      5. 9.6.5  ProchotStatus Register (I2C address = 23/22h) [reset = B800h]
      6. 9.6.6  IIN_DPM Register (I2C address = 25/24h) [reset = 4100h]
      7. 9.6.7  ADCVBUS/PSYS Register (I2C address = 27/26h)
      8. 9.6.8  ADCIBAT Register (I2C address = 29/28h)
      9. 9.6.9  ADCIIN/CMPIN Register (I2C address = 2B/2Ah)
      10. 9.6.10 ADCVSYS/VBAT Register (I2C address = 2D/2Ch)
      11. 9.6.11 ChargeOption1 Register (I2C address = 31/30h) [reset = 3300h]
      12. 9.6.12 ChargeOption2 Register (I2C address = 33/32h) [reset = 00B7]
      13. 9.6.13 ChargeOption3 Register (I2C address = 35/34h) [reset = 0434h]
      14. 9.6.14 ProchotOption0 Register (I2C address = 37/36h) [reset = 4A81h(2S~4s) 4A09(1S)]
      15. 9.6.15 ProchotOption1 Register (I2C address = 39/38h) [reset = 41A0h]
      16. 9.6.16 ADCOption Register (I2C address = 3B/3Ah) [reset = 2000h]
      17. 9.6.17 ChargeOption4 Register (I2C address = 3D/3Ch) [reset = 0048h]
      18. 9.6.18 Vmin Active Protection Register (I2C address = 3F/3Eh) [reset = 006Ch(2s~4s)/0004h(1S)]
      19. 9.6.19 OTGVoltage Register (I2C address = 07/06h) [reset = 09C4h]
      20. 9.6.20 OTGCurrent Register (I2C address = 09/08h) [reset = 3C00h]
      21. 9.6.21 InputVoltage(VINDPM) Register (I2C address = 0B/0Ah) [reset =VBUS-1.28V]
      22. 9.6.22 VSYS_MIN Register (I2C address = 0D/0Ch) [reset value based on CELL_BATPRESZ pin setting]
      23. 9.6.23 IIN_HOST Register (I2C address = 0F/0Eh) [reset = 4100h]
      24. 9.6.24 ID Registers
        1. 9.6.24.1 ManufactureID Register (I2C address = 2Eh) [reset = 40h]
        2. 9.6.24.2 Device ID (DeviceAddress) Register (I2C address = 2Fh) [reset = E0h]
  11. 10Application and Implementation
    1. 10.1 Application Information
    2. 10.2 Typical Application
      1. 10.2.1 Design Requirements
      2. 10.2.2 Detailed Design Procedure
        1. 10.2.2.1 ACP-ACN Input Filter
        2. 10.2.2.2 Inductor Selection
        3. 10.2.2.3 Input Capacitor
        4. 10.2.2.4 Output Capacitor
        5. 10.2.2.5 Power MOSFETs Selection
      3. 10.2.3 Application Curves
  12. 11Power Supply Recommendations
  13. 12Layout
    1. 12.1 Layout Guidelines
    2. 12.2 Layout Example
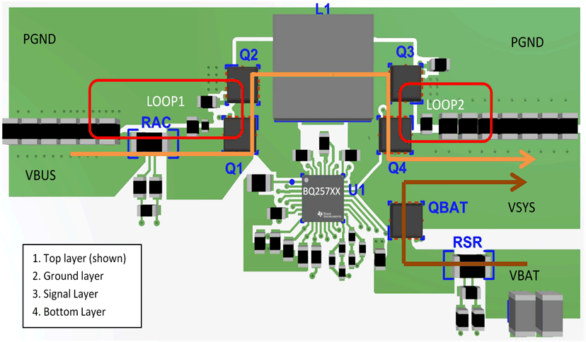
      1. 12.2.1 Layout Example Reference Top View
      2. 12.2.2 Inner Layer Layout and Routing Example
  14. 13Device and Documentation Support
    1. 13.1 Device Support
      1. 13.1.1 第三方产品免责声明
    2. 13.2 Documentation Support
      1. 13.2.1 Related Documentation
    3. 13.3 接收文档更新通知
    4. 13.4 支持资源
    5. 13.5 Trademarks
    6. 13.6 静电放电警告
    7. 13.7 术语表
  15. 14Mechanical, Packaging, and Orderable Information

封装选项

机械数据 (封装 | 引脚)
散热焊盘机械数据 (封装 | 引脚)
订购信息

Layout Example Reference Top View

Based on the above layout guidelines, the buck-boost charger layout example top view is shown below including all the key power components.

GUID-20200921-CA0I-LHCB-JJ5W-7LDWVKT1ZKJN-low.gif Figure 12-1 Buck-Boost Charger Layout Reference Example Top View