ZHCSRG2G May   2001  – December 2022 BQ2057C , BQ2057W

PRODUCTION DATA  

  1. 特性
  2. 应用
  3. 说明
  4. Revision History
  5. 说明(续)
  6. Device Comparison Table
  7. Pin Configuration and Functions
  8. Specifications
    1. 8.1 Absolute Maximum Ratings
    2. 8.2 ESD Ratings
    3. 8.3 Recommended Operating Conditions
    4. 8.4 Thermal Information
    5. 8.5 Electrical Characteristics
    6. 8.6 Typical Characteristics
  9. Detailed Description
    1. 9.1 Overview
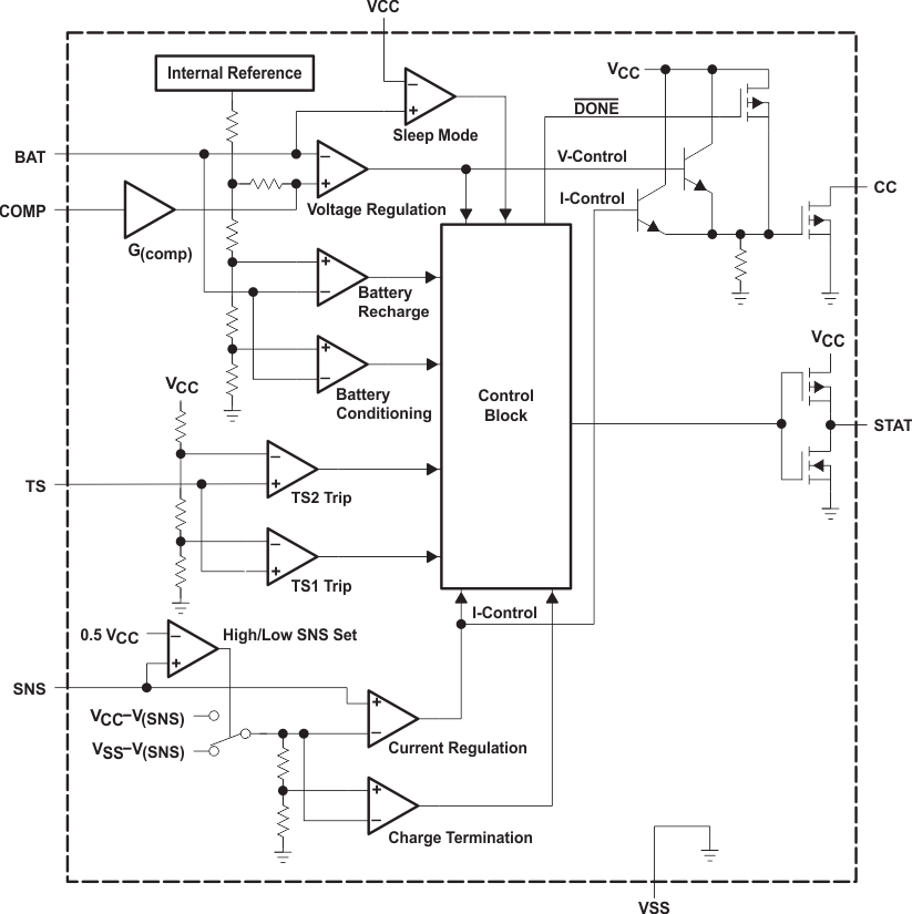
    2. 9.2 Functional Block Diagram
    3. 9.3 Feature Description
      1. 9.3.1 Current-Sense Input
      2. 9.3.2 Battery-Voltage Input
      3. 9.3.3 Temperature Sense Input
      4. 9.3.4 Charge-status Output
      5. 9.3.5 Charge-Control Output
      6. 9.3.6 Charge-Rate Compensation Input
      7. 9.3.7 Supply Voltage Input
  10. 10Application and Implementation
    1. 10.1 Application Information
      1. 10.1.1  Functional Description
      2. 10.1.2  Qualification and Precharge
      3. 10.1.3  Current Regulation Phase
      4. 10.1.4  Voltage Regulation Phase
      5. 10.1.5  Charge Termination and Recharge
      6. 10.1.6  Battery Temperature Monitoring
      7. 10.1.7  Charge Inhibit Function
      8. 10.1.8  Charge Status Indication
      9. 10.1.9  Low-power Sleep Mode
      10. 10.1.10 Selecting an External Pass-Transistor
      11. 10.1.11 Selecting Input Capacitor
      12. 10.1.12 Selecting Output Capacitor
      13. 10.1.13 Automatic Charge-rate Compensation
    2. 10.2 Typical Application
      1. 10.2.1 Design Requirements
      2. 10.2.2 Detailed Design Procedure
      3. 10.2.3 Application Curves
  11. 11Power Supply Recommendations
  12. 12Layout
    1. 12.1 Layout Guidelines
      1. 12.1.1 Power FET
      2. 12.1.2 Current Sense
      3. 12.1.3 Voltage Sense
      4. 12.1.4 Enable (TS)
    2. 12.2 Layout Example
  13. 13Device and Documentation Support
    1. 13.1 Device Support
      1. 13.1.1 第三方产品免责声明
    2. 13.2 接收文档更新通知
    3. 13.3 支持资源
    4. 13.4 Trademarks
    5. 13.5 Electrostatic Discharge Caution
    6. 13.6 术语表
  14. 14Mechanical, Packaging, and Orderable Information

封装选项

请参考 PDF 数据表获取器件具体的封装图。

机械数据 (封装 | 引脚)
  • D|8
  • DGK|8
  • PW|8
散热焊盘机械数据 (封装 | 引脚)
订购信息

Functional Block Diagram

GUID-20220527-SS0I-R2WK-RTNQ-XZHFQNNDHK41-low.gif