ZHCSF64B June   2016  – January 2018 ADS8910B , ADS8912B , ADS8914B

PRODUCTION DATA.  

  1. 特性
  2. 应用
  3. 说明
    1.     Device Images
      1.      使用 ADS89xxB 集成功能轻松实现 系统设计
  4. Revision History
  5. Pin Configuration and Functions
    1.     Pin Functions
  6. Specifications
    1. 6.1 Absolute Maximum Ratings
    2. 6.2 ESD Ratings
    3. 6.3 Recommended Operating Conditions
    4. 6.4 Thermal Information
    5. 6.5 Electrical Characteristics
    6. 6.6 Timing Requirements
    7. 6.7 Switching Characteristics
    8. 6.8 Typical Characteristics
  7. Detailed Description
    1. 7.1 Overview
    2. 7.2 Functional Block Diagram
    3. 7.3 Feature Description
      1. 7.3.1 LDO Module
      2. 7.3.2 Reference Buffer Module
      3. 7.3.3 Converter Module
        1. 7.3.3.1 Sample-and-Hold Circuit
        2. 7.3.3.2 Internal Oscillator
        3. 7.3.3.3 ADC Transfer Function
      4. 7.3.4 Interface Module
    4. 7.4 Device Functional Modes
      1. 7.4.1 RST State
      2. 7.4.2 ACQ State
      3. 7.4.3 CNV State
    5. 7.5 Programming
      1. 7.5.1 Output Data Word
      2. 7.5.2 Data Transfer Frame
      3. 7.5.3 Interleaving Conversion Cycles and Data Transfer Frames
      4. 7.5.4 Data Transfer Protocols
        1. 7.5.4.1 Protocols for Configuring the Device
        2. 7.5.4.2 Protocols for Reading From the Device
          1. 7.5.4.2.1 Legacy, SPI-Compatible (SYS-xy-S) Protocols
          2. 7.5.4.2.2 SPI-Compatible Protocols with Bus Width Options
          3. 7.5.4.2.3 Source-Synchronous (SRC) Protocols
            1. 7.5.4.2.3.1 Output Clock Source Options with SRC Protocols
            2. 7.5.4.2.3.2 Bus Width Options With SRC Protocols
            3. 7.5.4.2.3.3 Output Data Rate Options With SRC Protocols
      5. 7.5.5 Device Setup
        1. 7.5.5.1 Single Device: All multiSPI Options
        2. 7.5.5.2 Single Device: Minimum Pins for a Standard SPI Interface
        3. 7.5.5.3 Multiple Devices: Daisy-Chain Topology
        4. 7.5.5.4 Multiple Devices: Star Topology
    6. 7.6 Register Maps
      1. 7.6.1 Device Configuration and Register Maps
        1. 7.6.1.1 PD_CNTL Register (address = 04h) [reset = 00h]
          1. Table 11. PD_CNTL Register Field Descriptions
        2. 7.6.1.2 SDI_CNTL Register (address = 008h) [reset = 00h]
          1. Table 12. SDI_CNTL Register Field Descriptions
        3. 7.6.1.3 SDO_CNTL Register (address = 0Ch) [reset = 00h]
          1. Table 13. SDO_CNTL Register Field Descriptions
        4. 7.6.1.4 DATA_CNTL Register (address = 010h) [reset = 00h]
          1. Table 14. DATA_CNTL Register Field Descriptions
        5. 7.6.1.5 PATN_LSB Register (address = 014h) [reset = 00h]
          1. Table 15. PATN_LSB Register Field Descriptions
        6. 7.6.1.6 PATN_MID Register (address = 015h) [reset = 00h]
          1. Table 16. PATN_MID Register Field Descriptions
        7. 7.6.1.7 PATN_MSB Register (address = 016h) [reset = 00h]
          1. Table 17. PATN_MSB Register Field Descriptions
        8. 7.6.1.8 OFST_CAL Register (address = 020h) [reset = 00h]
          1. Table 18. OFST_CAL Register Field Descriptions
        9. 7.6.1.9 REF_MRG Register (address = 030h) [reset = 00h]
          1. Table 19. REF_MRG Register Field Descriptions
  8. Application and Implementation
    1. 8.1 Application Information
      1. 8.1.1 ADC Reference Driver
      2. 8.1.2 ADC Input Driver
        1. 8.1.2.1 Charge-Kickback Filter
        2. 8.1.2.2 Input Amplifier Selection
    2. 8.2 Typical Application
      1. 8.2.1 Data Acquisition (DAQ) Circuit for Lowest Distortion and Noise Performance With Differential Input
        1. 8.2.1.1 Design Requirements
        2. 8.2.1.2 Detailed Design Procedure
        3. 8.2.1.3 Application Curves
      2. 8.2.2 DAQ Circuit With FDA Input Driver and Single-Ended or Differential Input
      3. 8.2.3 Design Requirements
      4. 8.2.4 Detailed Design Procedure
      5. 8.2.5 Application Curves
  9. Power-Supply Recommendations
  10. 10Layout
    1. 10.1 Layout Guidelines
      1. 10.1.1 Signal Path
      2. 10.1.2 Grounding and PCB Stack-Up
      3. 10.1.3 Decoupling of Power Supplies
      4. 10.1.4 Reference Decoupling
      5. 10.1.5 Differential Input Decoupling
    2. 10.2 Layout Example
  11. 11器件和文档支持
    1. 11.1 Documentation Support
      1. 11.1.1 相关文档
    2. 11.2 相关链接
    3. 11.3 Receiving Notification of Documentation Updates
    4. 11.4 社区资源
    5. 11.5 商标
    6. 11.6 静电放电警告
    7. 11.7 Glossary
  12. 12机械、封装和可订购信息

封装选项

机械数据 (封装 | 引脚)
散热焊盘机械数据 (封装 | 引脚)
订购信息

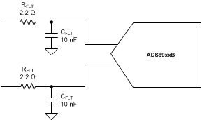
Charge-Kickback Filter

The charge-kickback filter is an RC filter at the input pins of the ADC that filters the broadband noise from the front-end drive circuitry, and attenuates the sampling charge injection from the switched-capacitor input stage of the ADC. A filter capacitor, CFLT, is connected from each input pin of the ADC to the ground (as shown in Figure 102). This capacitor helps reduce the sampling charge injection and provides a charge bucket to quickly charge the internal sample-and-hold capacitors during the acquisition process. Generally, the value of this capacitor must be at least 20 times the specified value of the ADC sampling capacitance. For the ADS891xB, the input sampling capacitance is equal to 60 pF; therefore, for optimal performance, keep CFLT greater than 1.2 nF. This capacitor must be a COG- or NPO-type. The type of dielectric used in COG or NPO ceramic capacitors provides the most stable electrical properties over voltage, frequency, and temperature changes.

ADS8910B ADS8912B ADS8914B rc_filter_config_sbas707.gifFigure 102. Charge Kickback Filter Configuration

Driving capacitive loads can degrade the phase margin of the input amplifier, thus making the amplifier marginally unstable. To avoid amplifier stability issues, series isolation resistors (RFLT) are used at the output of the amplifiers. A higher value of RFLT helps with amplifier stability, but adds distortion as a result of interactions with the nonlinear input impedance of the ADC. Distortion increases with source impedance, input signal frequency, and input signal amplitude. Therefore, the selection of RFLT requires balancing the stability of the driver amplifier and distortion performance of the design. Always verify the stability and settling behavior of the driving amplifier and charge-kickback filter by TINA-TI™ SPICE simulation. Keep the tolerance of the selected resistors less than 1% to keep the inputs balanced.