SLAS600C May   2008  – December 2016 ADS8319

PRODUCTION DATA.  

  1. Features
  2. Applications
  3. Description
  4. Revision History
  5. Device Comparison Table
  6. Pin Configuration and Functions
  7. Specifications
    1. 7.1 Absolute Maximum Ratings
    2. 7.2 ESD Ratings
    3. 7.3 Recommended Operating Conditions
    4. 7.4 Thermal Information
    5. 7.5 Electrical Characteristics
    6. 7.6 Timing Requirements: +VBD ≥ 4.5 V
    7. 7.7 Timing Requirements: 4.5 V > +VBD ≥ 2.375 V
    8. 7.8 Typical Characteristics
  8. Detailed Description
    1. 8.1 Overview
    2. 8.2 Functional Block Diagram
    3. 8.3 Feature Description
      1. 8.3.1 Analog Input
      2. 8.3.2 Driver Amplifier Choice
      3. 8.3.3 Driver Amplifier Configurations
      4. 8.3.4 Reference
      5. 8.3.5 Power Saving
      6. 8.3.6 Digital Output
      7. 8.3.7 SCLK Input
    4. 8.4 Device Functional Modes
      1. 8.4.1 CS Mode
        1. 8.4.1.1 3-Wire CS Mode Without Busy Indicator
        2. 8.4.1.2 3-Wire CS Mode With Busy Indicator
        3. 8.4.1.3 4-Wire CS Mode Without Busy Indicator
        4. 8.4.1.4 4-Wire CS Mode With Busy Indicator
      2. 8.4.2 Daisy-Chain Mode
        1. 8.4.2.1 Daisy-Chain Mode Without Busy Indicator
        2. 8.4.2.2 Daisy-Chain Mode With Busy Indicator
  9. Application and Implementation
    1. 9.1 Application Information
    2. 9.2 Typical Application
      1. 9.2.1 Design Requirements
      2. 9.2.2 Detailed Design Procedure
      3. 9.2.3 Application Curves
  10. 10Power Supply Recommendations
  11. 11Layout
    1. 11.1 Layout Guidelines
    2. 11.2 Layout Example
  12. 12Device and Documentation Support
    1. 12.1 Documentation Support
      1. 12.1.1 Related Documentation
    2. 12.2 Receiving Notification of Documentation Updates
    3. 12.3 Community Resources
    4. 12.4 Trademarks
    5. 12.5 Electrostatic Discharge Caution
    6. 12.6 Glossary
  13. 13Mechanical, Packaging, and Orderable Information

封装选项

机械数据 (封装 | 引脚)
散热焊盘机械数据 (封装 | 引脚)
订购信息

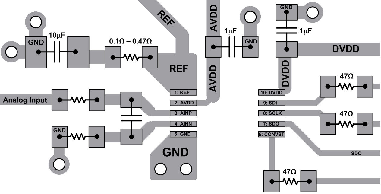
Layout

Layout Guidelines

Figure 65 shows one of the board layouts as an example when using ADS8319 in a circuit.

  • TI recommends a printed-circuit board (PCB) with at least four layers, and keeping all critical components on the top layer.
  • Analog input signals and the reference input signals must be kept away from noise sources. Crossing digital lines with the analog signal path must be avoided. The analog input and the reference signals are routed on to the left side of the board and the digital connections are routed on the right side of the device.
  • Due to the dynamic currents that occur during conversion and data transfer, each supply pin (AVDD and DVDD) must have a decoupling capacitor that keeps the supply voltage stable. TI recommends using one
    1-µF ceramic capacitor at each supply pin.
  • A layout that interconnects the converter and accompanying capacitors with the low inductance path is critical for achieving optimal performance. Using 15-mil vias to interconnect components to a solid analog ground plane at the subsequent inner layer minimizes stray inductance. Avoid placing vias between the supply pin and the decoupling capacitor. Any inductance between the supply capacitor and the supply pin of the converter must be kept to less than 5 nH by placing the capacitor within 0.2 inches from the supply or input pins of the ADS8319 and by using 20-mil traces, as shown in Figure 65.
  • Dynamic currents are also present at the REFIN pin during the conversion phase. Therefore, good decoupling is critical to achieve optimal performance. The inductance between the reference capacitor and the REFIN pin must be kept to less than 2 nH by placing the capacitor within 0.1 inches from the REFIN pin and by using 20-mil traces.
  • TI recommends a single 10-µF, X7R-grade, 0805-size ceramic capacitor with at least a 10-V rating for good performance over temperature range.
  • A small, 0.1-Ω to 0.47-Ω, 0603-size resistor placed in series with the reference capacitor keeps the overall impedance low and constant, especially at very high frequencies.
  • Avoid using additional lower value capacitors because the interactions between multiple capacitors can affect the ADC performance at higher sampling rates.
  • Place the RC filters immediately next to the input pins. Among surface-mount capacitors, COG (NPO) ceramic capacitors provide the best capacitance precision. The type of dielectric used in COG (NPO) ceramic capacitors provides the most stable electrical properties over voltage, frequency, and temperature changes.

Layout Example

ADS8319 ADS8339_layout_bas677.gif Figure 65. Board Layout Example