ZHCSJ06B November   2017  – September 2022 ADS7142-Q1

PRODUCTION DATA  

  1. 特性
  2. 应用
  3. 说明
  4. Revision History
  5. Pin Configuration and Functions
  6. Specifications
    1. 6.1  Absolute Maximum Ratings
    2. 6.2  ESD Ratings
    3. 6.3  Recommended Operating Conditions
    4. 6.4  Thermal Information
    5. 6.5  Electrical Characteristics: All Modes
    6. 6.6  Electrical Characteristics: Manual Mode
    7. 6.7  Electrical Characteristics: Autonomous Modes
    8. 6.8  Electrical Characteristics: High Precision Mode
    9. 6.9  Timing Requirements
    10. 6.10 Switching Characteristics
    11. 6.11 Timing Diagrams
    12. 6.12 Typical Characteristics: All Modes
    13. 6.13 Typical Characteristics: Manual Mode
    14. 6.14 Typical Characteristics: Autonomous Modes
    15. 6.15 Typical Characteristics: High-Precision Mode
  7. Detailed Description
    1. 7.1 Overview
    2. 7.2 Functional Block Diagram
    3. 7.3 Feature Description
      1. 7.3.1  Analog Input and Multiplexer
        1. 7.3.1.1 Two-Channel, Single-Ended Configuration
        2. 7.3.1.2 Single-Channel, Single-Ended Configuration With Remote Ground Sense
        3. 7.3.1.3 Single-Channel, Pseudo-Differential Configuration
      2. 7.3.2  Offset Calibration
      3. 7.3.3  Reference
      4. 7.3.4  ADC Transfer Function
      5. 7.3.5  Oscillator and Timing Control
      6. 7.3.6  I2C Address Selector
      7. 7.3.7  Data Buffer
        1. 7.3.7.1 Filling of the Data Buffer
        2. 7.3.7.2 Reading Data From the Data Buffer
      8. 7.3.8  Accumulator
      9. 7.3.9  Digital Window Comparator
      10. 7.3.10 I2C Protocol Features
        1. 7.3.10.1 General Call
        2. 7.3.10.2 General Call With Software Reset
        3. 7.3.10.3 General Call With Write Software Programmable Part of the Target Address
        4. 7.3.10.4 Configuring the ADC Into High-Speed I2C Mode
        5. 7.3.10.5 Bus Clear
    4. 7.4 Device Functional Modes
      1. 7.4.1 Device Power Up and Reset
      2. 7.4.2 Manual Mode
        1. 7.4.2.1 Manual Mode With CH0 Only
        2. 7.4.2.2 Manual Mode With AUTO Sequence
      3. 7.4.3 Autonomous Modes
        1. 7.4.3.1 Autonomous Mode With Threshold Monitoring and Diagnostics
          1. 7.4.3.1.1 Autonomous Mode With Pre-ALERT Data
          2. 7.4.3.1.2 Autonomous Mode With Post-ALERT Data
        2. 7.4.3.2 Autonomous Mode With Burst Data
          1. 7.4.3.2.1 Autonomous Mode With Start Burst
          2. 7.4.3.2.2 Autonomous Mode With Stop Burst
      4. 7.4.4 High-Precision Mode
    5. 7.5 Programming
      1. 7.5.1 Reading Registers
        1. 7.5.1.1 Single Register Read
        2. 7.5.1.2 Reading a Continuous Block of Registers
      2. 7.5.2 Writing Registers
        1. 7.5.2.1 Single Register Write
        2. 7.5.2.2 Writing a Continuous Block of Registers
        3. 7.5.2.3 Set Bit
        4. 7.5.2.4 Clear Bit
    6. 7.6 Register Map
      1. 7.6.1 Page1 Registers
  8. Application and Implementation
    1. 8.1 Application Information
    2. 8.2 Typical Applications
      1. 8.2.1 ADS7142-Q1 as a Programmable Comparator With False Trigger Prevention and Diagnostics
        1. 8.2.1.1 Design Requirements
        2. 8.2.1.2 Detailed Design Procedure
          1. 8.2.1.2.1 Programmable Thresholds and Hysteresis
          2. 8.2.1.2.2 False Trigger Prevention With an Event Counter
          3. 8.2.1.2.3 Fault Diagnostics With the Data Buffer
        3. 8.2.1.3 Application Curves
      2. 8.2.2 Voltage and Temperature Monitoring in Remote Camera Modules Using the ADS7142-Q1
        1. 8.2.2.1 Design Requirements
    3. 8.3 Power Supply Recommendations
      1. 8.3.1 AVDD and DVDD Supply Recommendations
    4. 8.4 Layout
      1. 8.4.1 Layout Guidelines
      2. 8.4.2 Layout Example
  9. Device and Documentation Support
    1. 9.1 Electrostatic Discharge Caution
    2. 9.2 术语表
    3. 9.3 Trademarks
    4. 9.4 接收文档更新通知
    5. 9.5 支持资源
  10. 10Mechanical, Packaging, and Orderable Information

封装选项

机械数据 (封装 | 引脚)
散热焊盘机械数据 (封装 | 引脚)
订购信息

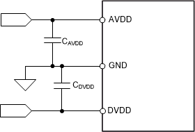
AVDD and DVDD Supply Recommendations

The ADS7142-Q1 has two separate power supplies: AVDD and DVDD. The device operates on AVDD; DVDD is used for the interface circuits. AVDD and DVDD can be independently set to any value within the permissible ranges. The AVDD supply also defines the full-scale input range of the device. Always set the AVDD supply to be greater than or equal to the maximum input signal to avoid saturation of codes. Decouple the AVDD and DVDD pins respectively with CAVDD = 220 nF and CDVDD = 100 nF ceramic decoupling capacitors, as illustrated in Figure 8-9.

GUID-20313643-5C8E-4A7C-A0D1-574462C7A057-low.gifFigure 8-9 Power-Supply Decoupling