ZHCSAK5C December   2012  – December 2015 ADS42B49

PRODUCTION DATA.  

  1. 特性
  2. 应用
  3. 说明
  4. 修订历史记录
  5. Description (continued)
  6. ADS424x and ADS422x Family Comparison
  7. Pin Configuration and Functions
  8. Specifications
    1. 8.1  Absolute Maximum Ratings
    2. 8.2  ESD Ratings
    3. 8.3  Recommended Operating Conditions
    4. 8.4  Thermal Information
    5. 8.5  Electrical Characteristics: ADS42B49 (250 MSPS)
    6. 8.6  Electrical Characteristics: General
    7. 8.7  Digital Characteristics
    8. 8.8  Timing Requirements: LVDS and CMOS Modes
    9. 8.9  Serial Interface Timing Characteristics
    10. 8.10 Reset Timing (Only When Serial Interface is Used)
    11. 8.11 LVDS Timings at Lower Sampling Frequencies
    12. 8.12 CMOS Timings at Lower Sampling Frequencies
    13. 8.13 Typical Characteristics
      1. 8.13.1 ADS42B49
      2. 8.13.2 Contour
  9. Parameter Measurement Information
  10. 10Detailed Description
    1. 10.1 Overview
    2. 10.2 Functional Block Diagram
    3. 10.3 Feature Description
      1. 10.3.1 Migrating from the ADS62P49 and ADS4249
      2. 10.3.2 Digital Functions
      3. 10.3.3 Gain for SFDR and SNR Trade-Off
      4. 10.3.4 Offset Correction
    4. 10.4 Device Functional Modes
      1. 10.4.1 Power-Down
        1. 10.4.1.1 Global Power-Down
        2. 10.4.1.2 Channel Standby
        3. 10.4.1.3 Input Clock Stop
      2. 10.4.2 Digital Output Information
        1. 10.4.2.1 Output Interface
        2. 10.4.2.2 DDR LVDS Outputs
        3. 10.4.2.3 LVDS Buffer
        4. 10.4.2.4 Parallel CMOS Interface
        5. 10.4.2.5 CMOS Interface Power Dissipation
        6. 10.4.2.6 Multiplexed Mode of Operation
        7. 10.4.2.7 Output Data Format
      3. 10.4.3 Parallel Configuration Details
    5. 10.5 Programming
      1. 10.5.1 Parallel Configuration Only
      2. 10.5.2 Serial Interface Configuration Only
      3. 10.5.3 Using Both Serial Interface and Parallel Controls
      4. 10.5.4 Serial Interface Details
        1. 10.5.4.1 Register Initialization
        2. 10.5.4.2 Serial Register Readout
    6. 10.6 Register Maps
      1. 10.6.1 Register Description
  11. 11Application and Implementation
    1. 11.1 Application Information
      1. 11.1.1 Driving Circuit
        1. 11.1.1.1 Drive Circuit Requirements
      2. 11.1.2 Clock Input
    2. 11.2 Typical Application
      1. 11.2.1 Design Requirements
      2. 11.2.2 Detailed Design Procedure
        1. 11.2.2.1 Analog Input
        2. 11.2.2.2 Clock Driver
        3. 11.2.2.3 Digital Interface
      3. 11.2.3 Application Curves
  12. 12Power Supply Recommendations
    1. 12.1 Using DC/DC Power Supplies
    2. 12.2 Power Supply Bypassing
  13. 13Layout
    1. 13.1 Layout Guidelines
      1. 13.1.1 Grounding
      2. 13.1.2 Supply Decoupling
      3. 13.1.3 Exposed Pad
      4. 13.1.4 Routing Analog Inputs
    2. 13.2 Layout Example
  14. 14器件和文档支持
    1. 14.1 器件支持
      1. 14.1.1 器件命名规则
    2. 14.2 文档支持
      1. 14.2.1 相关文档 
    3. 14.3 社区资源
    4. 14.4 商标
    5. 14.5 静电放电警告
    6. 14.6 Glossary
  15. 15机械、封装和可订购信息

封装选项

机械数据 (封装 | 引脚)
散热焊盘机械数据 (封装 | 引脚)
订购信息

10 Detailed Description

10.1 Overview

The ADS42B49 belongs to a family of buffered analog input and ultralow-power analog-to-digital converters (ADCs) with maximum sampling rates up to 250 MSPS. The conversion process is initiated by a rising edge of the external input clock and the analog input signal is sampled. The sampled signal is sequentially converted by a series of small resolution stages, with the outputs combined in a digital correction logic block. At every clock edge the sample propagates through the pipeline, resulting in a data latency of 11 clock cycles. The output is available as 14-bit data, in DDR LVDS mode or CMOS mode, and coded in either straight offset binary or binary twos complement format.

10.2 Functional Block Diagram

ADS42B49 FBD_SBAS558.gif

10.3 Feature Description

10.3.1 Migrating from the ADS62P49 and ADS4249

The ADS42B49 is pin-compatible with the previous generation ADS62P49 data converter; this similar architecture enables easy migration. However, there are some important differences between the two device generations, summarized in Table 1.

Table 1. Migrating from the ADS62P49 and ADS4249

ADS62P49 ADS4249 ADS42B49
PINS
Pin 22 is NC (not connected).
Must float.
Pin 22 is AVDD (1.8 V) Pin 22 is AVDD (1.9 V)
Pin 34 is AVDD (3.3 V) Pin 34 is AVDD (1.8 V) Pin 34 is AVDD_BUF (3.3 V)
Pin 38 is DRVDD (1.8 V) Pin 38 is NC. Must float. Pin 38 is DRVDD (1.8 V)
Pin 39 is DRGND Pin 39 is NC. Must float. Pin 39 is DRGND
Pin 58 is DRVDD (1.8 V) Pin 58 is NC. Must float. Pin 58 is DRVDD (1.8 V)
Pin 59 is DRGND Pin 59 is NC. Must float. Pin 59 is DRGND
SUPPLY
AVDD is 3.3 V AVDD is 1.8 V AVDD is 1.9 V
DRVDD is 1.8 V DRVDD is 1.8 V DRVDD is 1.8 V
AVDD_BUF is 3.3 V
INPUT COMMON-MODE VOLTAGE
CM is 1.5 V CM is 0.95 V CM is 1.9 V
BIASING FOR INPUT PINS (INP, INM)
INP and INM must be externally biased at 1.5 V NP and INM must be externally biased at 0.95 V INP and INM do not require external biasing. Device internally biases these pins to 1.9 V.
EXTERNAL REFERENCE
Supported Not supported Not supported
PARALLEL CONFIGURATION
SCLK pin controls internal and external reference mode SCLK pin enables low-speed mode SCLK pin enables low-speed mode

10.3.2 Digital Functions

The device has several useful digital functions (such as test patterns, gain, and offset correction). These functions require extra clock cycles for operation and increase the overall latency and power of the device. These digital functions are disabled by default after reset and the raw ADC output is routed to the output data pins with a latency of 16 clock cycles. Figure 42 shows more details of the processing after the ADC. In order to use any of the digital functions, the EN DIGITAL bit must be set to 1. After this, the respective register bits must be programmed as described in the following sections and in the Register Maps section.

ADS42B49 ai_digi_processing_fbd_bas534.gif Figure 42. Digital Processing Block

10.3.3 Gain for SFDR and SNR Trade-Off

The ADS42B49 includes gain settings that can be used to get improved SFDR performance (compared to no gain). The gain is programmable from 0 dB to 6 dB (in 0.5-dB steps). For each gain setting, the analog input full-scale range scales proportionally, as shown in Table 2.

The SFDR improvement is achieved at the expense of SNR; for each gain setting, the SNR degrades approximately between 0.5 dB and 1 dB. The SNR degradation is reduced at high input frequencies. As a result, the gain is very useful at high input frequencies because the SFDR improvement is significant with marginal degradation in SNR. Therefore, the gain can be used as a trade-off between SFDR and SNR. Note that the default gain after reset is 0 dB.

Table 2. Full-Scale Range Across Gains

GAIN (dB) TYPE FULL-SCALE (VPP)
0 Default after reset 1.9
1 Fine, programmable 1.69
2 Fine, programmable 1.51
3 Fine, programmable 1.35
4 Fine, programmable 1.2
5 Fine, programmable 1.07
6 Fine, programmable 0.95

10.3.4 Offset Correction

The ADS42B49 has an internal offset correction algorithm that estimates and corrects dc offset up to ±10 mV. The correction can be enabled using the ENABLE OFFSET CORR serial register bit. Once enabled, the algorithm estimates the channel offset and applies the correction every clock cycle. The time constant of the correction loop is a function of the sampling clock frequency. The time constant can be controlled using the OFFSET CORR TIME CONSTANT register bits, as described in Table 3.

After the offset is estimated, the correction can be frozen by setting FREEZE OFFSET CORR = 0. Once frozen, the last estimated value is used for the offset correction of every clock cycle. Note that offset correction is disabled by default after reset.

Table 3. Time Constant of Offset Correction Algorithm

OFFSET CORR TIME CONSTANT TIME CONSTANT, TCCLK
(Number of Clock Cycles)
TIME CONSTANT, TCCLK × 1 / fS
(ms)(1)
0000 1 M 4
0001 2 M 8
0010 4 M 16.7
0011 8 M 33.5
0100 16 M 67
0101 32 M 134
0110 64 M 268
0111 128 M 537
1000 256 M 1010
1001 512 M 2150
1010 1 G 4300
1011 2 G 8600
1100 Reserved
1101 Reserved
1110 Reserved
1111 Reserved
(1) Sampling frequency, fS = 250 MSPS.

10.4 Device Functional Modes

Table 4. High-Performance Modes(1)(2)

PARAMETER DESCRIPTION
High-performance modes Set the HIGH PERF MODE[0] to improve SNR in CMOS mode by approximately 0.5 dB at 170 MHz.
Register Address = 03h, data = 02h
Set the HIGH PERF MODE[1:11] bits to obtain best performance across input signal frequencies.
Register Address = 06h, data = 06h
Register Address = BAh, data = 08h
Register Address = D5h, data = 20h
Register Address = D9h, data = 22h
Register Address = DBh, data = E0h
Register Address = DCh, data = 22h
(1) TI recommends using these modes to obtain best performance.
(2) See the Serial Interface Configuration section for details on register programming.

10.4.1 Power-Down

The ADS42B49 has two power-down modes: global power-down and channel standby. These modes can be set using either the serial register bits or using the control pins CTRL1 to CTRL3 (as shown in Table 5).

Table 5. Power-Down Settings

CTRL1 CTRL2 CTRL3 DESCRIPTION
Low Low Low Default
Low Low High Not available
Low High Low Not available
Low High High Not available
High Low Low Partial power-down
High Low High Channel A powered down, channel B is active
High High Low Not available
High High High MUX mode of operation, channel A and B data is multiplexed and output on DB[10:0] pins

10.4.1.1 Global Power-Down

In this mode, the entire chip (including ADCs, internal reference, and output buffers) are powered down, resulting in reduced total power dissipation of typically less than 10 mW when the PDN GLOBAL serial register bit is used. The output buffers are in high-impedance state. The wake-up time from global power-down to data becoming valid in normal mode is typically 100 µs.

10.4.1.2 Channel Standby

In this mode, each ADC channel is powered down. The internal references are active, resulting in a quick wake-up time of 50 µs. The total power dissipation in standby is approximately 240 mW at 250 MSPS.

10.4.1.3 Input Clock Stop

In addition to the previous modes, the converter enters a low-power mode when the input clock frequency falls below 1 MSPS. The power dissipation is approximately 190 mW.

10.4.2 Digital Output Information

The ADS42B49 provides 14-bit digital data for each channel and an output clock synchronized with the data.

10.4.2.1 Output Interface

Two output interface options are available: double data rate (DDR) LVDS and parallel CMOS. They can be selected using the serial interface register bit or by setting the proper voltage on the SEN pin in parallel configuration mode.

10.4.2.2 DDR LVDS Outputs

In this mode, the data bits and clock are output using low-voltage differential signal (LVDS) levels. Two data bits are multiplexed and output on each LVDS differential pair, as shown in Figure 43.

ADS42B49 ai_lvds_out_bas534.gif Figure 43. LVDS Interface

Even data bits (D0, D2, D4, and so forth) are output at the CLKOUTP rising edge and the odd data bits (D1, D3, D5, and so forth) are output at the CLKOUTP falling edge. Both the CLKOUTP rising and falling edges must be used to capture all the data bits, as shown in Figure 44.

ADS42B49 tim_lvds_iface_bas534.gif Figure 44. DDR LVDS Interface Timing

10.4.2.3 LVDS Buffer

The equivalent circuit of each LVDS output buffer is shown in Figure 45. After reset, the buffer presents an output impedance of 100 Ω to match with the external 100-Ω termination.

ADS42B49 ai_lvds_buf_equiv_cir_bas550.gif
NOTE: Default swing across 100-Ω load is ±350 mV. Use the LVDS SWING bits to change the swing.
Figure 45. LVDS Buffer Equivalent Circuit

The VDIFF voltage is nominally 350 mV, resulting in an output swing of ±350 mV with 100-Ω external termination. The VDIFF voltage is programmable using the LVDS SWING register bits from ±125 mV to ±570 mV.

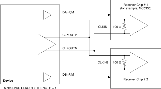
Additionally, a mode exists to double the strength of the LVDS buffer to support 50-Ω differential termination, as shown in Figure 46. This mode can be used when the output LVDS signal is routed to two separate receiver chips, each using a 100-Ω termination. The mode can be enabled using the LVDS DATA STRENGTH and LVDS CLKOUT STRENGTH register bits for data and output clock buffers, respectively.

The buffer output impedance behaves in the same way as a source-side series termination. By absorbing reflections from the receiver end, it helps to improve signal integrity.

ADS42B49 ai_lvds_diff_termination_bas550.gif Figure 46. LVDS Buffer Differential Termination

10.4.2.4 Parallel CMOS Interface

In the CMOS mode, each data bit is output on separate pins as CMOS voltage level, every clock cycle, as Figure 47 shows. The rising edge of the output clock CLKOUT can be used to latch data in the receiver. TI recommends minimizing the load capacitance of the data and clock output pins by using short traces to the receiver. Furthermore, match the output data and clock traces to minimize the skew between them.

ADS42B49 ai_cmos_out_bas534.gif Figure 47. CMOS Outputs

10.4.2.5 CMOS Interface Power Dissipation

With CMOS outputs, the DRVDD current scales with the sampling frequency and the load capacitance on every output pin. The maximum DRVDD current occurs when each output bit toggles between 0 and 1 every clock cycle. In actual applications, this condition is unlikely to occur. The actual DRVDD current would be determined by the average number of output bits switching, which is a function of the sampling frequency and the nature of the analog input signal. This relationship is shown by the formula:

Equation 1. Digital current as a result of CMOS output switching = CL × DRVDD × (N × FAVG)

where

  • CL = load capacitance
  • N × FAVG = average number of output bits switching

10.4.2.6 Multiplexed Mode of Operation

In this mode, the digital outputs of both channels are multiplexed and output on a single bus (DB[11:0] pins), as shown in Figure 48. The channel A output pins (DA[11:0]) are in 3-state. Because the output data rate on the DB bus is effectively doubled, this mode is recommended only for low sampling frequencies (less than 125 MSPS). This mode can be enabled by the CTRL[3:1] parallel pins.

ADS42B49 ai_tim_multiplex_mode_bas558.gif
1. In multiplexed mode, the output of both channels comes on the channel B output pins.
2. Dn = bits D0, D1, D2, and so forth
Figure 48. Multiplexed Mode Timing Diagram

10.4.2.7 Output Data Format

Two output data formats are supported: twos complement and offset binary. The format can be selected using the DATA FORMAT serial interface register bit.

In the event of an input voltage overdrive, the digital outputs go to the appropriate full-scale level. For a positive overdrive, the output code is 3FFFh for the ADS42B49 in offset binary output format; the output code is 1FFFh for the ADS42B49 in twos complement output format. For a negative input overdrive, the output code is 0000h in offset binary output format and 2000h for the ADS42B49 in twos complement output format.

10.4.3 Parallel Configuration Details

The functions controlled by each parallel pin are described in Table 6, Table 7, and Table 8. A simple way of configuring the parallel pins is shown in Figure 49.

Table 6. SCLK Control Pin

VOLTAGE APPLIED ON SCLK DESCRIPTION
Low Low-speed mode is disabled
High Low-speed mode is enabled

Table 7. SEN Control Pin

VOLTAGE APPLIED ON SEN DESCRIPTION
0
(50 mV / 0 mV)
Twos complement and parallel CMOS output
(3 / 8) AVDD
(±50 mV)
Offset binary and parallel CMOS output
(5 / 8) AVDD
(±50 mV)
Offset binary and DDR LVDS output
AVDD
(0 mV / –50 mV)
Twos complement and DDR LVDS output

Table 8. CTRL1, CTRL2, and CTRL3 Pins

CTRL1 CTRL2 CTRL3 DESCRIPTION
Low Low Low Normal operation
Low Low High Not available
Low High Low Not available
Low High High Not available
High Low Low Partial power-down
High Low High Channel A is powered down, channel B is active
High High Low Not available
High High High MUX mode of operation, channel A and B data are multiplexed and output on the DB[13:0] pins.
ADS42B49 config_par_pins_bas533.gif Figure 49. Simple Scheme to Configure the Parallel Pins

10.5 Programming

The ADS42B49 can be configured independently using either parallel interface control or serial interface programming.

10.5.1 Parallel Configuration Only

To put the device into parallel configuration mode, keep RESET tied high (AVDD). Then, use the SEN, SCLK, CTRL1, CTRL2, and CTRL3 pins to directly control certain modes of the ADC. The device can be easily configured by connecting the parallel pins to the correct voltage levels (as described in Table 9 to Table 8). There is no need to apply a reset and SDATA can be connected to ground.

In this mode, SEN and SCLK function as parallel interface control pins. Some frequently-used functions can be controlled using these pins. Table 9 describes the modes controlled by the parallel pins.

Table 9. Parallel Pin Definition

PIN CONTROL MODE
SCLK Low-speed mode selection
SEN Output data format and output interface selection
CTRL1 Together, these pins control the power-down modes and multiplexed-mode selection ( in CMOS interface)
CTRL2
CTRL3

10.5.2 Serial Interface Configuration Only

To enable this mode, the serial registers must first be reset to the default values and the RESET pin must be kept low. SEN, SDATA, and SCLK function as serial interface pins in this mode and can be used to access the internal registers of the ADC. The registers can be reset either by applying a pulse on the RESET pin or by setting the RESET bit high. The Register Maps section describes the register programming and the register reset process in more detail.

10.5.3 Using Both Serial Interface and Parallel Controls

For increased flexibility, a combination of serial interface registers and parallel pin controls (CTRL1 to CTRL3) can also be used to configure the device. To enable this option, keep RESET low. The parallel interface control pins CTRL1 to CTRL3 are available. After power-up, the device is automatically configured according to the voltage settings on these pins (see Table 8). SEN, SDATA, and SCLK function as serial interface digital pins and are used to access the internal registers of the ADC. The registers must first be reset to the default values either by applying a pulse on the RESET pin or by setting the RESET bit to 1. After reset, the RESET pin must be kept low. The Register Maps section describes register programming and the register reset process in more detail.

10.5.4 Serial Interface Details

The ADC has a set of internal registers that can be accessed by the serial interface formed by the SEN (serial interface enable), SCLK (serial interface clock), and SDATA (serial interface data) pins. Serial shift of bits into the device is enabled when SEN is low. Serial data SDATA are latched at every SCLK falling edge when SEN is active (low). The serial data are loaded into the register at every 16th SCLK falling edge when SEN is low. When the word length exceeds a multiple of 16 bits, the excess bits are ignored. Data can be loaded in multiples of 16-bit words within a single active SEN pulse. The first eight bits form the register address and the remaining eight bits are the register data. The interface can work with SCLK frequencies from 20 MHz down to very low speeds (of a few hertz) and also with non-50% SCLK duty cycle.

10.5.4.1 Register Initialization

After power-up, the internal registers must be initialized to the default values. Initialization can be accomplished in one of two ways:

  1. Through a hardware reset by applying a high pulse on the RESET pin (of width greater than 10 ns), as shown in Figure 50 and Serial Interface Timing Characteristics; or
  2. By applying a software reset. When using the serial interface, set the RESET bit high. This setting initializes the internal registers to the default values and then self-resets the RESET bit low. In this case, the RESET pin is kept low. See Figure 51 and Reset Timing (Only When Serial Interface is Used) for reset timing.
ADS42B49 tim_serial_iface_bas533.gif Figure 50. Serial Interface Timing
ADS42B49 tim_reset_bas533.gif
NOTE: A high pulse on the RESET pin is required in the serial interface mode when initialized through a hardware reset. For parallel interface operation, RESET must be permanently tied high.
Figure 51. Reset Timing Diagram

10.5.4.2 Serial Register Readout

The device includes a mode where the contents of the internal registers can be read back. This readback mode may be useful as a diagnostic check to verify the serial interface communication between the external controller and the ADC. To use readback mode, follow this procedure:

  1. Set the READOUT register bit to 1. This setting disables any further writes to the registers.
  2. Initiate a serial interface cycle specifying the address of the register (A7 to A0) whose content has to be read.
  3. The device outputs the contents (D7 to D0) of the selected register on the SDOUT pin (pin 64).
  4. The external controller can latch the contents at the SCLK falling edge.
  5. To enable register writes, reset the READOUT register bit to 0.

The serial register readout works with both CMOS and LVDS interfaces on pin 64. A serial readout timing diagram is shown in Figure 52.

Note that the contents of register 00h cannot be read back because the register contains RESET and READOUT bits. When READOUT is disabled, the SDOUT pin is in a high-impedance state.

ADS42B49 tim_serial_readout_bas550.gif Figure 52. Serial Readout Timing Diagram

10.6 Register Maps

Table 10 summarizes the functions supported by the serial interface.

Table 10. Serial Interface Register Map(1)

REGISTER ADDRESS REGISTER DATA
A[7:0] (Hex) D7 D6 D5 D4 D3 D2 D1 D0
00 0 0 0 0 0 0 RESET READOUT
01 LVDS SWING 0 0
03 0 0 0 0 0 0 HP[0] 0
06 0 0 0 0 0 HP[2] HP[1] 0
25 CH A GAIN 0 CH A TEST PATTERNS
29 0 0 0 DATA FORMAT 0 0 0
2B CH B GAIN 0 CH B TEST PATTERNS
3D 0 0 ENABLE OFFSET CORR 0 0 0 0 0
3F 0 0 CUSTOM PATTERN D[13:8]
40 CUSTOM PATTERN D[7:0]
41 LVDS CMOS CMOS CLKOUT STRENGTH 0 0 DIS OBUF
42 CLKOUT DELAY PROG 0 0 0 0
44 0 0 0 0 0 0 0 EN DIGITAL
45 STBY LVDS CLKOUT STRENGTH LVDS DATA STRENGTH 0 0 PDN GLOBAL 0 0
BA 0 0 0 0 HP[3] 0 0 0
BF CH A OFFSET PEDESTAL 0 0 0 0
C1 CH B OFFSET PEDESTAL 0 0 0 0
CF FREEZE OFFSET CORR 0 OFFSET CORR TIME CONSTANT 0 0
D5 0 0 HP[4} 0 0 0 0 0
D9 0 0 HP[6] 0 0 0 HP[5] 0
DB HP[9] HP[8] HP[7] 0 0 0 0 LOW SPEED MODE CH B
DC 0 0 HP[11] 0 0 0 HP[10] 0
EF 0 0 0 EN LOW SPEED MODE 0 0 0 0
F1 0 0 0 0 0 0 EN LVDS SWING
F2 0 0 0 0 LOW SPEED MODE CH A 0 0 0
(1) Multiple functions in a register can be programmed in a single write operation. All registers default to 0 after reset.

10.6.1 Register Description

7 6 5 4 3 2 1 0
0 0 0 0 0 0 RESET READOUT
Bits 7-2 Always write 0
Bit 1 RESET: Software reset applied
This bit resets all internal registers to the default values and self-clears to 0 (default = 1).
Bit 0 READOUT: Serial readout
This bit sets the serial readout of the registers.
0 = Serial readout of registers disabled; the SDOUT pin is placed in a high-impedance state.
1 = Serial readout enabled; the SDOUT pin functions as a serial data readout with CMOS logic levels running from the DRVDD supply. See the Serial Register Readout section.
7 6 5 4 3 2 1 0
LVDS SWING 0 0
Bits 7-2 LVDS SWING: LVDS swing programmability
These bits program the LVDS swing. Set the EN LVDS SWING bit to 1 before programming swing.
000000 = Default LVDS swing; ±350 mV with external 100-Ω termination
011011 = LVDS swing ±410 mV
110010 = LVDS swing ±465 mV
010100 = LVDS swing ±570 mV
111110 = LVDS swing ±200 mV
001111 = LVDS swing ±125 mV
Bits 1-0 Always write 0
7 6 5 4 3 2 1 0
0 0 0 0 0 0 HP[0] 0
Bits 7-2 Always write 0
Bit 1 HP[0]
This bit improves SNR in CMOS mode, increases AVDD supply current by approximately 3 mA.
0 = Default after reset
1 = HP[0] is enabled
Bit 0 Always write 0
7 6 5 4 3 2 1 0
0 0 0 0 0 HP[2] HP[1] 0
Bits 7-3 Always write 0
Bits 2-1 HP[2:1]
Set bits HP[11:1] for best performance.
00 = Default after reset
11 = HP[2:1] are enabled
Bit 0 Always write 0
7 6 5 4 3 2 1 0
CH A GAIN 0 CH A TEST PATTERNS
Bits 7-4 CH A GAIN: Channel A gain programmability
These bits set the gain programmability in 0.5-dB steps for channel A.
0000 = 0-dB gain (default after reset)
0001 = 0.5-dB gain
0010 = 1-dB gain
0011 = 1.5-dB gain
0100 = 2-dB gain
0101 = 2.5-dB gain
0110 = 3-dB gain
0111 = 3.5-dB gain
1000 = 4-dB gain
1001 = 4.5-dB gain
1010 = 5-dB gain
1011 = 5.5-dB gain
1100 = 6-dB gain
Bit 3 Always write 0
Bits 2-0 CH A TEST PATTERNS: Channel A data capture
These bits verify data capture for channel A.
000 = Normal operation
001 = Outputs all 0s
010 = Outputs all 1s
011 = Outputs toggle pattern.
The output data D[13:0] are an alternating sequence of 10101010101010 and 01010101010101.
100 = Outputs digital ramp.
101 = Outputs custom pattern; use registers 3Fh and 40h to set the custom pattern
110 = Unused
111 = Unused
7 6 5 4 3 2 1 0
0 0 0 DATA FORMAT 0 0 0
Bits 7-5 Always write 0
Bits 4-3 DATA FORMAT: Data format selection
00 = Twos complement
01 = Twos complement
10 = Twos complement
11 = Offset binary
Bits 2-0 Always write 0
7 6 5 4 3 2 1 0
CH B GAIN 0 CH B TEST PATTERNS
Bits 7-4 CH B GAIN: Channel B gain programmability
These bits set the gain programmability in 0.5-dB steps for channel B.
0000 = 0-dB gain (default after reset)
0001 = 0.5-dB gain
0010 = 1-dB gain
0011 = 1.5-dB gain
0100 = 2-dB gain
0101 = 2.5-dB gain
0110 = 3-dB gain
0111 = 3.5-dB gain
1000 = 4-dB gain
1001 = 4.5-dB gain
1010 = 5-dB gain
1011 = 5.5-dB gain
1100 = 6-dB gain
Bit 3 Always write 0
Bits 2-0 CH B TEST PATTERNS: Channel B data capture
These bits verify data capture for channel B.
000 = Normal operation
001 = Outputs all 0s
010 = Outputs all 1s
011 = Outputs toggle pattern.
The output data D[11:0] are an alternating sequence of 10101010101010 and 01010101010101.
100 = Outputs digital ramp.
101 = Outputs custom pattern; use registers 3Fh and 40h to set the custom pattern
110 = Unused
111 = Unused
7 6 5 4 3 2 1 0
0 0 ENABLE OFFSET CORR 0 0 0 0 0
Bits 7-6 Always write 0
Bit 5 ENABLE OFFSET CORR: Offset correction setting
This bit enables the offset correction.
0 = Offset correction disabled
1 = Offset correction enabled
Bits 4-0 Always write 0
7 6 5 4 3 2 1 0
0 0 CUSTOM PATTERN D13 CUSTOM PATTERN D12 CUSTOM PATTERN D11 CUSTOM PATTERN D10 CUSTOM PATTERN D9 CUSTOM PATTERN D8
Bits 7-6 Always write 0
Bits 5-0 CUSTOM PATTERN D[13:8]
These are the six upper bits of the custom pattern available at the output instead of ADC data.
The ADS42B49 custom pattern is 14-bit.
7 6 5 4 3 2 1 0
CUSTOM PATTERN D7 CUSTOM PATTERN D6 CUSTOM PATTERN D5 CUSTOM PATTERN D4 CUSTOM PATTERN D3 CUSTOM PATTERN D2 CUSTOM PATTERN D1 CUSTOM PATTERN D0
Bits 7-0 CUSTOM PATTERN D[7:0]
These are the eight lower bits of the custom pattern available at the output instead of ADC data.
The ADS42B49 custom pattern is 14-bit; use the CUSTOM PATTERN D[13:0] register bits.
7 6 5 4 3 2 1 0
LVDS CMOS CMOS CLKOUT STRENGTH 0 0 DIS OBUF
Bits 7-6 LVDS CMOS: Interface selection
These bits select the interface.
00 = DDR LVDS interface
01 = DDR LVDS interface
10 = DDR LVDS interface
11 = Parallel CMOS interface
Bits 5-4 CMOS CLKOUT STRENGTH
These bits control the strength of the CMOS output clock.
00 = Maximum strength (recommended)
01 = Medium strength
10 = Low strength
11 = Very low strength
Bits 3-2 Always write 0
Bits 1-0 DIS OBUF
These bits power down data and clock output buffers for both the CMOS and LVDS output interface. When powered down, the output buffers are in 3-state.
00 = Default
01 = Power-down data output buffers for channel B
10 = Power-down data output buffers for channel A
11 = Power-down data output buffers for both channels as well as the clock output buffer
7 6 5 4 3 2 1 0
CLKOUT DELAY PROG 0 0 0 0
Bits 7-4 CLKOUT DELAY PROG
These bits are useful to delay output clock in LVDS mode to optimize setup and hold time. Typical delay in output clock obtained by these bits in LVDS mode is given below:
0000 = Default
0001 = 190 ps
0010 = 350 ps
0011 = 700 ps
0111 = 1000 ps
1011 = 1250 ps
1111 = 1450 ps
Others = Do not use
Bits 3-0 Always write 0
7 6 5 4 3 2 1 0
0 0 0 0 0 0 0 EN DIGITAL
Bits 7-1 Always write 0
Bit 0 EN DIGITAL: Digital function enable
0 = Default
1 = Digital functions including test pattern are enabled
7 6 5 4 3 2 1 0
STBY LVDS CLKOUT STRENGTH LVDS DATA STRENGTH 0 0 PDN GLOBAL 0 0
Bit 7 STBY: Standby setting
0 = Normal operation
1 = Both channels are put in standby; wake-up time from this mode is fast (typically 50 µs).
Bit 6 LVDS CLKOUT STRENGTH: LVDS output clock buffer strength setting
0 = LVDS output clock buffer at default strength to be used with 100-Ω external termination
1 = LVDS output clock buffer has double strength to be used with 50-Ω external termination
Bit 5 LVDS DATA STRENGTH
0 = All LVDS data buffers at default strength to be used with 100-Ω external termination
1 = All LVDS data buffers have double strength to be used with 50-Ω external termination
Bits 4-3 Always write 0
Bit 2 PDN GLOBAL
0 = Normal operation
1 = Total power down; all ADC channels, internal references, and output buffers are powered down. Wake-up time from this mode is slow (typically 100 µs).
Bits 1-0 Always write 0
7 6 5 4 3 2 1 0
0 0 0 0 HP[3] 0 0 0
Bits 7-4 Always write 0
Bit 3 HP[3]
Set bits HP[11:1] for best performance.
0 = Default after reset
1 = HP[3] is enabled
Bits 2-0 Always write 0
7 6 5 4 3 2 1 0
CH A OFFSET PEDESTAL 0 0
Bits 7-4 CH A OFFSET PEDESTAL: Channel A offset pedestal selection
When the offset correction is enabled, the final converged value after the offset is corrected is the ADC midcode value. A pedestal can be added to the final converged value by programming these bits. See the Offset Correction section. Channels can be independently programmed for different offset pedestals by choosing the relevant register address.
The pedestal ranges from –32 to +31, so the output code can vary from midcode-32 to midcode+31 by adding pedestal D[7:2].
Program bits D[7:2]
011111 = Midcode+31
011110 = Midcode+30
011101 = Midcode+29

000010 = Midcode+2
000001 = Midcode+1
000000 = Midcode
111111 = Midcode-1
111110 = Midcode-2

100000 = Midcode-32
Bits 3-0 Always write 0
7 6 5 4 3 2 1 0
CH B OFFSET PEDESTAL 0 0
Bits 7-4 CH B OFFSET PEDESTAL: Channel B offset pedestal selection
When offset correction is enabled, the final converged value after the offset is corrected is the ADC midcode value. A pedestal can be added to the final converged value by programming these bits; see the Offset Correction section. Channels can be independently programmed for different offset pedestals by choosing the relevant register address.
The pedestal ranges from –32 to +31, so the output code can vary from midcode-32 to midcode+31 by adding pedestal D7-D2.
Program Bits D[7:2]
011111 = Midcode+31
011110 = Midcode+30
011101 = Midcode+29

000010 = Midcode+2
000001 = Midcode+1
000000 = Midcode
111111 = Midcode-1
111110 = Midcode-2

100000 = Midcode-32
Bits 3-0 Always write 0
7 6 5 4 3 2 1 0
FREEZE OFFSET CORR 0 OFFSET CORR TIME CONSTANT 0 0
Bit 7 FREEZE OFFSET CORR: Freeze offset correction setting
This bit sets the freeze offset correction estimation.
0 = Estimation of offset correction is not frozen (the EN OFFSET CORR bit must be set)
1 = Estimation of offset correction is frozen (the EN OFFSET CORR bit must be set); when frozen, the last estimated value is used for offset correction of every clock cycle. See the Offset Correction section.
Bit 6 Always write 0
Bits 5-2 OFFSET CORR TIME CONSTANT
The offset correction loop time constant in number of clock cycles. Refer to the Offset Correction section.
Bits 1-0 Always write 0
7 6 5 4 3 2 1 0
0 0 HP[4] 0 0 0 0 0
Bits 7-6 Always write 0
Bit 5 HP[4]
Set bits HP[11:1] for best performance.
0 = Default after Reset
1 = HP[4] is enabled
Bits 4-0 Always write 0
7 6 5 4 3 2 1 0
0 0 HP[6] 0 0 0 HP[5] 0
Bits 7-6 Always write 0
Bit 5 HP[6]
Set bits HP[11:1] for best performance.
0 = Default after reset
1 = HP[6] is enabled
Bits 4-2 Always write 0
Bit 1 HP[5]
Set bits HP[11:1] for best performance.
0 = Default after reset
1 = HP[5] is enabled
Bit 0 Always write 0
7 6 5 4 3 2 1 0
HP[9] HP[8] HP[7] 0 0 0 0 LOW SPEED MODE CH B
Bits 7-5 HP[9:7]
Bit 5 HP[6]
Set bits HP[11:1] for best performance.
000 = Default after reset
111 = HP[9:7] are enabled
Bits 4-1 Always write 0
Bit 0 LOW SPEED MODE CH B: Channel B low-speed mode enable
This bit enables the low-speed mode for channel B. Set the EN LOW SPEED MODE bit to 1 before using this bit.
0 = Low-speed mode is disabled for channel B
1 = Low-speed mode is enabled for channel B
7 6 5 4 3 2 1 0
0 0 HP[11] 0 0 0 HP[10] 0
Bits 7-6 Always write 0
Bit 5 HP[11]
Set bits HP[11:1] for best performance.
0 = Default after reset
1 = HP[11] is enabled
Bits 4-2 Always write 0
Bit 1 HP[10]
Set bits HP[11:1] for best performance.
0 = Default after reset
1 = HP[10] is enabled
Bit 0 Always write 0
7 6 5 4 3 2 1 0
0 0 0 EN LOW SPEED MODE 0 0 0 0
Bits 7-5 Always write 0
Bit 4 EN LOW SPEED MODE: Enable control of low-speed mode through serial register bits
This bit enables the control of the low-speed mode using the LOW SPEED MODE CH B and LOW SPEED MODE CH A register bits.
0 = Low-speed mode is disabled
1 = Low-speed mode is controlled by serial register bits
Bits 3-0 Always write 0
7 6 5 4 3 2 1 0
0 0 0 0 0 0 EN LVDS SWING
Bits 7-2 Always write 0
Bits 1-0 EN LVDS SWING: LVDS swing enable
These bits enable LVDS swing control using the LVDS SWING register bits.
00 = LVDS swing control using the LVDS SWING register bits is disabled
01 = Do not use
10 = Do not use
11 = LVDS swing control using the LVDS SWING register bits is enabled
7 6 5 4 3 2 1 0
0 0 0 0 LOW SPEED MODE CH A 0 0 0
Bits 7-4 Always write 0
Bit 3 LOW SPEED MODE CH A: Channel A low-speed mode enable
This bit enables the low-speed mode for channel A. Set the EN LOW SPEED MODE bit to 1 before using this bit.
0 = Low-speed mode is disabled for channel A
1 = Low-speed mode is enabled for channel A
Bits 2-0 Always write 0