ZHCSEA6B September   2015  – April 2016 ADS1257

PRODUCTION DATA.  

  1. 特性
  2. 应用
  3. 说明
  4. 修订历史记录
  5. Device Comparison Table
  6. Pin Configuration and Functions
  7. Specifications
    1. 7.1  Absolute Maximum Ratings
    2. 7.2  ESD Ratings
    3. 7.3  Recommended Operating Conditions
    4. 7.4  Thermal Information
    5. 7.5  Electrical Characteristics
    6. 7.6  Serial Interface Timing Requirements
    7. 7.7  Serial Interface Switching Characteristics
    8. 7.8  RESET and SYNC/PWDN Timing Requirements
    9. 7.9  SCLK Reset Timing Requirements
    10. 7.10 DRDY Update Timing Characteristics
    11. 7.11 Typical Characteristics
  8. Parameter Measurement Information
    1. 8.1 Noise Performance
  9. Detailed Description
    1. 9.1 Overview
    2. 9.2 Functional Block Diagram
    3. 9.3 Feature Description
      1. 9.3.1  Input Multiplexer
      2. 9.3.2  Analog Input Buffer
      3. 9.3.3  Programmable Gain Amplifier (PGA)
      4. 9.3.4  Modulator Input Circuitry
      5. 9.3.5  Voltage Reference Inputs (REFP, REFN)
      6. 9.3.6  Clock Input (CLKIN)
      7. 9.3.7  Clock Output (D0/CLKOUT)
      8. 9.3.8  General-Purpose Digital I/O (D0, D1)
      9. 9.3.9  Open- and Short-Circuit Sensor Detection
      10. 9.3.10 Digital Filter
        1. 9.3.10.1 Frequency Response
        2. 9.3.10.2 50-Hz and 60-Hz, Line Cycle Rejection
        3. 9.3.10.3 Settling Time
    4. 9.4 Device Functional Modes
      1. 9.4.1 Power-Up
      2. 9.4.2 Reset
      3. 9.4.3 Standby Mode
      4. 9.4.4 Power-Down Mode
      5. 9.4.5 Conversion Control and Synchronization
        1. 9.4.5.1 Settling Time Using Synchronization
        2. 9.4.5.2 Settling Time Using Single-Shot Mode
        3. 9.4.5.3 Settling Time Using the Input Multiplexer
        4. 9.4.5.4 Settling Time while Continuously Converting
      6. 9.4.6 Calibration
        1. 9.4.6.1 Self-Calibration
          1. 9.4.6.1.1 SELFOCAL Command: Self-Offset Calibration
          2. 9.4.6.1.2 SELFGCAL Command: Self-Gain Calibration
          3. 9.4.6.1.3 SELFCAL Command: Self-Offset and Self-Gain Calibration
        2. 9.4.6.2 System Calibration
          1. 9.4.6.2.1 SYSOCAL Command: System-Offset Calibration
          2. 9.4.6.2.2 SYSGCAL Command: System-Gain Calibration
        3. 9.4.6.3 Auto-Calibration
    5. 9.5 Programming
      1. 9.5.1 Serial Interface
        1. 9.5.1.1 Chip Select (CS)
        2. 9.5.1.2 Serial Clock (SCLK)
        3. 9.5.1.3 Data Input (DIN) and Data Output (DOUT)
        4. 9.5.1.4 Data Ready (DRDY)
      2. 9.5.2 Data Format
      3. 9.5.3 Command Definitions
        1. 9.5.3.1  WAKEUP/NOP: Complete Synchronization or Exit Standby Mode
        2. 9.5.3.2  RDATA: Read Data
        3. 9.5.3.3  RDATAC: Read Data Continuous
        4. 9.5.3.4  SDATAC: Stop Read Data Continuous
        5. 9.5.3.5  RREG: Read from Registers
        6. 9.5.3.6  WREG: Write to Register
        7. 9.5.3.7  SELFCAL: Self-Offset and Self-Gain Calibration
        8. 9.5.3.8  SELFOCAL: Self Offset Calibration
        9. 9.5.3.9  SELFGCAL: Self Gain Calibration
        10. 9.5.3.10 SYSOCAL: System Offset Calibration
        11. 9.5.3.11 SYSGCAL: System Gain Calibration
        12. 9.5.3.12 STANDBY: Standby Mode / Single-shot Mode
        13. 9.5.3.13 RESET: Reset Registers to Default Values
        14. 9.5.3.14 SYNC: Synchronize the Analog-to-Digital Conversion
    6. 9.6 Register Map
      1. 9.6.1  STATUS: Status Register (address = 00h) [reset = x1h]
      2. 9.6.2  MUX : Input Multiplexer Control Register (address = 01h) [reset = 01h]
      3. 9.6.3  ADCON: ADC Control Register (address = 02h) [reset = 20h]
      4. 9.6.4  DRATE: ADC Data Rate Register (address = 03h) [reset = F0h]
      5. 9.6.5  IO: GPIO Control Register (address = 04h) [reset = E0h]
      6. 9.6.6  OFC0: Offset Calibration Register 0 (address = 05h) [reset = depends on calibration results]
      7. 9.6.7  OFC1: Offset Calibration Register 1 (address = 06h) [reset = depends on calibration results]
      8. 9.6.8  OFC2: Offset Calibration Register 2 (address = 07h) [reset = depends on calibration results]
      9. 9.6.9  FSC0: Full-Scale Calibration Register 0 (address = 08h) [reset = depends on calibration results]
      10. 9.6.10 FSC1: Full-Scale Calibration Register 1 (address = 09h) [reset = depends on calibration results]
      11. 9.6.11 FSC2: Full-Scale Calibration Register 2 (address = 0Ah) [reset = depends on calibration results]
  10. 10Applications and Implementation
    1. 10.1 Application Information
      1. 10.1.1 Basic Connections
      2. 10.1.2 Digital Interface Connections
      3. 10.1.3 Analog Input Filtering
      4. 10.1.4 External Reference
      5. 10.1.5 Isolated (or Floating) Sensor Inputs
      6. 10.1.6 Unused Inputs and Outputs
      7. 10.1.7 Pseudo Code Example
    2. 10.2 Typical Application
      1. 10.2.1 Design Requirements
      2. 10.2.2 Detailed Design Procedure
        1. 10.2.2.1 Detailed Design Procedure for ±10-V Input
          1. 10.2.2.1.1 Absolute Input Voltage Range
          2. 10.2.2.1.2 Differential Input Voltage Range
          3. 10.2.2.1.3 Level-Shifted Resistor Divider Sizing
          4. 10.2.2.1.4 Input Filtering
          5. 10.2.2.1.5 Register Settings for ±10-V Input
          6. 10.2.2.1.6 Voltage Input Design Variations
        2. 10.2.2.2 Detailed Design Procedure for 4-mA to 20-mA Input
          1. 10.2.2.2.1 PGA Gain Selection
          2. 10.2.2.2.2 Current-Sense Resistor Sizing
          3. 10.2.2.2.3 Register Settings for 4-mA to 20-mA Input
          4. 10.2.2.2.4 Current Input Design Variations
      3. 10.2.3 Application Curves
    3. 10.3 Dos and Don'ts
  11. 11Power Supply Recommendations
    1. 11.1 Power-Supply Sequencing
    2. 11.2 Power-Supply Decoupling
  12. 12Layout
    1. 12.1 Layout Guidelines
    2. 12.2 Layout Example
  13. 13器件和文档支持
    1. 13.1 文档支持
      1. 13.1.1 相关文档
    2. 13.2 社区资源
    3. 13.3 商标
    4. 13.4 静电放电警告
    5. 13.5 Glossary
  14. 14机械、封装和可订购信息

封装选项

机械数据 (封装 | 引脚)
散热焊盘机械数据 (封装 | 引脚)
订购信息

7 Specifications

7.1 Absolute Maximum Ratings(1)

MIN MAX UNIT
Power-supply voltage AVDD to AGND –0.3 6.0 V
DVDD to DGND –0.3 3.6
Analog input voltage AINx, REFP, REFN AGND – 0.3 AVDD + 0.3 V
Digital input voltage DIN, SCLK, CS, RESET, SYNC/PWDN, CLKIN DGND – 0.3 DGND + 6.0 V
D0/CLKOUT, D1 DGND – 0.3 DVDD + 0.3
Input current Continuous, any pins except power-supply pins –10 10 mA
Temperature Operating ambient, TA –40 105 °C
Junction, TJ –40 150
Storage, Tstg –60 150
(1) Stresses beyond those listed under Absolute Maximum Ratings may cause permanent damage to the device. These are stress ratings only, which do not imply functional operation of the device at these or any other conditions beyond those indicated under Recommended Operating Conditions. Exposure to absolute-maximum-rated conditions for extended periods may affect device reliability.

7.2 ESD Ratings

VALUE UNIT
V(ESD) Electrostatic discharge Human-body model (HBM), per ANSI/ESDA/JEDEC JS-001(1) ±2000 V
Charged-device model (CDM), per JEDEC specification JESD22-C101(2) ±500
(1) JEDEC document JEP155 states that 500-V HBM allows safe manufacturing with a standard ESD control process.
(2) JEDEC document JEP157 states that 250-V CDM allows safe manufacturing with a standard ESD control process.

7.3 Recommended Operating Conditions

over operating ambient temperature range (unless otherwise noted)
MIN NOM MAX UNIT
POWER SUPPLY
Analog power supply AVDD to AGND 4.75 5 5.25 V
Digital power supply DVDD to DGND 1.8 3.6 V
Analog-to-digital ground potential AGND to DGND –0.1 0 0.1 V
ANALOG INPUTS
VIN Differential input voltage VIN = V(AINP) – V(AINN) –2 VREF / Gain 2 VREF / Gain V
V(AINx) Absolute input voltage Buffer off AGND – 0.1 AVDD + 0.1 V
Buffer on AGND AVDD – 2.0
VOLTAGE REFERENCE INPUTS
VREF Differential reference input voltage VREF = V(REFP) – V(REFN) 0.5 2.5 2.6 V
V(REFN) Absolute negative reference input voltage Buffer off AGND – 0.1 V(REFP) – 0.5 V
Buffer on(1) AGND V(REFP) – 0.5
V(REFP) Absolute positive reference input voltage Buffer off V(REFN) + 0.5 AVDD + 0.1 V
Buffer on(1) V(REFN) + 0.5 AVDD – 2.0
CLOCK SOURCE
f(CLKIN) Clock frequency 0.1 7.68 10 MHz
Duty cycle 40% 50% 60%
DIGITAL INPUTS
Digital input voltage DIN, SCLK, CS, RESET, SYNC/PWDN, CLKIN DGND DGND + 5.25 V
D0/CLKOUT, D1 DGND DVDD
TEMPERATURE
TA Operating ambient temperature –40 85 °C
(1) The reference input range with buffer on is restricted only if self-calibration is used. If using system calibration or writing calibration values directly to the registers, the buffer off range can be used for the reference input range.

7.4 Thermal Information

THERMAL METRIC(1) ADS1257 UNIT
RGW (QFN)
20 PINS
RθJA Junction-to-ambient thermal resistance 32.0 °C/W
RθJC(top) Junction-to-case (top) thermal resistance 24.7 °C/W
RθJB Junction-to-board thermal resistance 10.4 °C/W
ψJT Junction-to-top characterization parameter 0.3 °C/W
ψJB Junction-to-board characterization parameter 10.4 °C/W
RθJC(bot) Junction-to-case (bottom) thermal resistance 1.6 °C/W
(1) For more information about traditional and new thermal metrics, see the Semiconductor and IC Package Thermal Metrics application report, SPRA953.

7.5 Electrical Characteristics

Minimum and maximum specifications apply from TA = −40°C to +85°C. Typical specifications are at TA = 25°C.
All specifications at AVDD = 5 V, DVDD = 1.8 V, buffer on, f(CLKIN) = 7.68 MHz, gain = 1, and VREF = 2.5 V (unless otherwise noted).
PARAMETER TEST CONDITIONS MIN TYP MAX UNIT
ANALOG INPUTS
Gain PGA gain 1, 2, 4, 8, 16, 32, 64 V/V
Differential input impedance Buffer off, gain = 1, 2, 4, 8, 16 150 / Gain
Buffer off, gain = 32, 64 4.7
Buffer on, DR ≤ 50 SPS(1) 80
SYSTEM PERFORMANCE
Resolution All data rates and PGA gain settings 24 Bit
DR Data rate 2.5 30,000 SPS
INL Integral nonlinearity Differential input, gain = 1, buffer off 3 10 ppm
Differential input, gain = 64, buffer off 7
VIO Input offset voltage After calibration On the level of the noise
Offset drift Gain = 1 100 nV/°C
Gain = 64 4
Gain error After calibration, gain = 1, buffer on ±0.005%
After calibration, gain = 64, buffer on ±0.03%
Gain drift Gain = 1 0.8 ppm/°C
Gain = 64 0.8
CMRR Common-mode rejection ratio fCM = 60 Hz, DR = 30 kSPS(2) 95 110 dB
PSRR Power-supply rejection ratio Analog, ±5% Δ in AVDD 60 70 dB
Digital, ±10% Δ in DVDD 100 dB
VOLTAGE REFERENCE INPUTS
Reference input impedance 18.5
SENSOR DETECT CURRENT SOURCES
Current settings 0.5, 2, 10 µA
DIGITAL INPUTS/OUTPUTS
VIH High-level input voltage DIN, SCLK, CLKIN, SYNC/PWDN, CS, RESET 0.8 DVDD 5.25 V
D0/CLKOUT, D1 0.8 DVDD DVDD V
VIL Low-level input voltage DGND 0.2 DVDD
VOH High-level output voltage IOH = 4 mA 0.8 DVDD V
VOL Low-level output voltage IOL = 4 mA 0.2 DVDD V
Input hysteresis 0.5 V
Input leakage 0 < digital input voltage < DVDD –10 10 µA
POWER SUPPLY
IAVDD Analog supply current Power-down mode 5 µA
Standby mode 20 µA
Normal mode, gain = 1, buffer off 7 10 mA
Normal mode, gain = 64, buffer off 16 24 mA
Normal mode, gain = 1, buffer on 13 19 mA
Normal mode, gain = 64, buffer on 36 50 mA
IDVDD Digital supply current Power-down mode 5 µA
Standby mode, CLKOUT off, DVDD = 3.3 V 95 µA
Normal mode, CLKOUT off, DVDD = 3.3 V 0.9 2 mA
PD Power dissipation Normal mode, gain = 1, buffer off, DVDD = 3.3 V 38 57 mW
Standby mode, DVDD = 3.3 V 0.4
(1) See the Analog Input Buffer section for more information on input impedance.
(2) fCM is the frequency of the common-mode input signal. Place a notch of the digital filter at 60 Hz by setting DR = 60 samples per second.(SPS), 30 SPS, 15 SPS, 10 SPS, 5 SPS, or 2.5 SPS to further improve the common-mode rejection of this frequency.

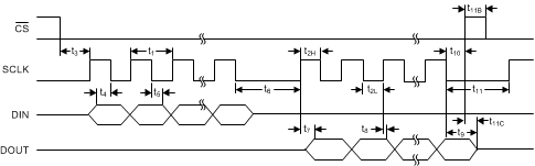
7.6 Serial Interface Timing Requirements

over recommended operating conditions (unless otherwise noted)
MIN MAX UNIT
t1 SCLK period 4 t(CLKIN)(1)
10 t(DATA)(2)
t2H Pulse duration, SCLK high 200 ns
9 t(DATA)
t2L Pulse duration, SCLK low 200 ns
t3 Delay time, CS falling edge to first SCLK rising edge(3) 50 ns
t4 Setup time, DIN valid before SCLK falling edge 50 ns
t5 Hold time, DIN valid after SCLK falling edge 50 ns
t6 Delay time, last SCLK falling edge for DIN to first SCLK rising edge for DOUT: RDATA, RDATAC, RREG Commands 50 t(CLKIN)
t10 Delay time, final SCLK falling edge to CS rising edge 8 t(CLKIN)
t11 Delay time, final SCLK falling edge of command to first SCLK rising edge of next command RREG, WREG, RDATA 4 t(CLKIN)
RDATAC, SDATAC, SYNC 24 t(CLKIN)
t11B Pulse duration, CS high 4 t(CLKIN)
(1) Master clock period: t(CLKIN) = 1 / f(CLKIN).
(2) Output data period: t(DATA) = 1 / DR.
(3) CS can be tied low.

7.7 Serial Interface Switching Characteristics

over recommended operating conditions (unless otherwise noted)
PARAMETER TEST CONDITIONS MIN TYP MAX UNIT
t7 Propagation delay time,
SCLK rising edge to valid new DOUT
DOUT load = 20 pF || 100 kΩ to DGND 50 ns
t8 Propagation delay time,
SCLK rising edge to DOUT invalid
0 ns
t9 Propagation delay time,
last SCLK falling edge to DOUT high impedance
6 10 t(CLKIN)
t11C Propagation delay time,
CS rising edge to DOUT high impedance
0 50 ns
ADS1257 tim_serial_int_bas656.gif Figure 1. Serial Interface Timing

7.8 RESET and SYNC/PWDN Timing Requirements

over recommended operating conditions (unless otherwise noted)
MIN MAX UNIT
t16 Pulse duration, RESET, SYNC/PWDN low 4 t(CLKIN)(1)
t16B Delay time, SYNC/PWDN rising edge to CLKIN rising edge –25 25 ns
(1) Master clock period: t(CLKIN) = 1 / f(CLKIN)
ADS1257 tim_reset_sync_pdwn_bas656.gif Figure 2. RESET and SYNC/PWDN Timing

7.9 SCLK Reset Timing Requirements

over recommended operating conditions (unless otherwise noted)
MIN MAX UNIT
t12 Pulse duration, first high pulse 300 500 t(CLKIN)(1)
t13 Pulse duration, low pulse 5 t(CLKIN)
t14 Pulse duration, second high pulse 550 750 t(CLKIN)
t15 Pulse duration, third high pulse 1050 1250 t(CLKIN)
(1) Master clock period: t(CLKIN) = 1 / f(CLKIN)
ADS1257 tim_sclk_reset_bas656.gif Figure 3. SCLK Reset Timing

7.10 DRDY Update Timing Characteristics

over recommended operating conditions (unless otherwise noted)
MIN MAX UNIT
t17 Pulse duration, conversion data invalid while updating 16 t(CLKIN)(1)
(1) Master clock period: t(CLKIN) = 1 / f(CLKIN)
ADS1257 tim_drdy_update_bas656.gif
NOTE: DRDY shown with no data retrieval.
Figure 4. DRDY Update Timing

7.11 Typical Characteristics

at TA = 25°C, AVDD = 5 V, DVDD = 1.8 V, f(CLKIN) = 7.68 MHz, and VREF = 2.5 V (unless otherwise noted)
ADS1257 tc_histo_offset_drift_pga1_bas656.gif
Gain = 1, 90 units from three production lots
Figure 5. Offset Drift Histogram
ADS1257 tc_histo_gain_error_pga1_bas656.gif
Gain = 1, 90 units from three production lots
Figure 7. Gain Error Histogram
ADS1257 tc_histo_gain_drift_pga1_bas656.gif
Gain = 1, 90 units from three production lots
Figure 9. Gain Drift Histogram
ADS1257 tc_histo_noise_pga1_25sps_bas656.gif
Gain = 1, data rate = 2.5 SPS, buffer = off, 256 readings
Figure 11. Noise Histogram
ADS1257 tc_histo_noise_pga1_1ksps_bas656.gif
Gain = 1, data rate = 1 kSPS, buffer = off, 4096 readings
Figure 13. Noise Histogram
ADS1257 tc_histo_noise_pga1_30ksps_bas656.gif
Gain = 1, data rate = 30 kSPS, buffer = off, 4096 readings
Figure 15. Noise Histogram
ADS1257 tc_enob-vin_bas656.gif
Gain = 1
Figure 17. Effective Number of Bits vs Input Voltage
ADS1257 tc_inl-vin_bas656.gif
Gain = 1
Figure 19. Integral Nonlinearity vs Input Signal
ADS1257 tc_current-tmp_bas656.gif
Figure 21. Analog Supply Current vs Temperature
ADS1257 tc_histo_offset_drift_pga64_bas656.gif
Gain = 64, 90 units from three production lots
Figure 6. Offset Drift Histogram
ADS1257 tc_histo_gain_error_pga64_bas656.gif
Gain = 64, 90 units from three production lots
Figure 8. Gain Error Histogram
ADS1257 tc_histo_gain_drift_pga64_bas656.gif
Gain = 64, 90 units from three production lots
Figure 10. Gain Drift Histogram
ADS1257 tc_histo_noise_pga64_25sps_bas656.gif
Gain = 64, data rate = 2.5 SPS, buffer = off, 256 readings
Figure 12. Noise Histogram
ADS1257 tc_histo_noise_pga64_1ksps_bas656.gif
Gain = 64, data rate = 1 kSPS, buffer = off, 4096 readings
Figure 14. Noise Histogram
ADS1257 tc_histo_noise_pga64_30ksps_bas656.gif
Gain = 64, data rate = 30 kSPS, buffer = off, 4096 readings
Figure 16. Noise Histogram
ADS1257 tc_enob-tmp_bas656.gif
Gain = 1
Figure 18. Effective Number of Bits vs Temperature
ADS1257 tc_inl-pga_bas656.gif
Figure 20. Integral Nonlinearity vs PGA Gain
ADS1257 tc_current-pga_bas656.gif
Figure 22. Analog Supply Current vs PGA Gain