ZHCSWF8C May   1988  – May 2024 74AC11138

PRODUCTION DATA  

  1.   1
  2. 特性
  3. 说明
  4. 引脚配置和功能
  5. 规格
    1. 4.1 绝对最大额定值
    2. 4.2 建议运行条件
    3. 4.3 热性能信息
    4. 4.4 电气特性
    5. 4.5 开关特性,VCC = 3.3V ± 0.3V
    6. 4.6 开关特性,VCC = 5 V ± 0.5 V
    7. 4.7 工作特性
  6. 参数测量信息
  7. 详细说明
    1. 6.1 概述
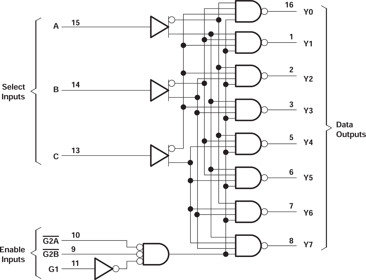
    2. 6.2 功能方框图
    3. 6.3 器件功能模式
  8. 应用和实施
    1. 7.1 应用信息
    2. 7.2 电源相关建议
    3. 7.3 布局
      1. 7.3.1 布局指南
  9. 器件和文档支持
    1. 8.1 文档支持(模拟)
      1. 8.1.1 相关文档
    2. 8.2 接收文档更新通知
    3. 8.3 支持资源
    4. 8.4 商标
    5. 8.5 静电放电警告
    6. 8.6 术语表
  10. 修订历史记录
  11. 10机械、封装和可订购信息

封装选项

请参考 PDF 数据表获取器件具体的封装图。

机械数据 (封装 | 引脚)
  • PW|16
  • NS|16
  • N|16
  • D|16
散热焊盘机械数据 (封装 | 引脚)
订购信息

功能方框图

74AC11138 逻辑符号(替代方案)图 6-1 逻辑符号(替代方案)
(1)
74AC11138 逻辑图(正逻辑)图 6-2 逻辑图(正逻辑)
这些符号符合 ANSI/IEEE 标准 91-1984 和 IEC 出版物 617-12 要求。