ZHCUAL4A December   2015  – May 2021 TPS65265

 

  1.   TPS65265EVM-705 评估模块
  2.   商标
  3. 1背景
  4. 2原理图
  5. 3电路板布局
  6. 4工作台测试设置条件
    1. 4.1 接头说明和跳线位置
  7. 5加电过程
  8. 6物料清单
  9. 7修订历史记录

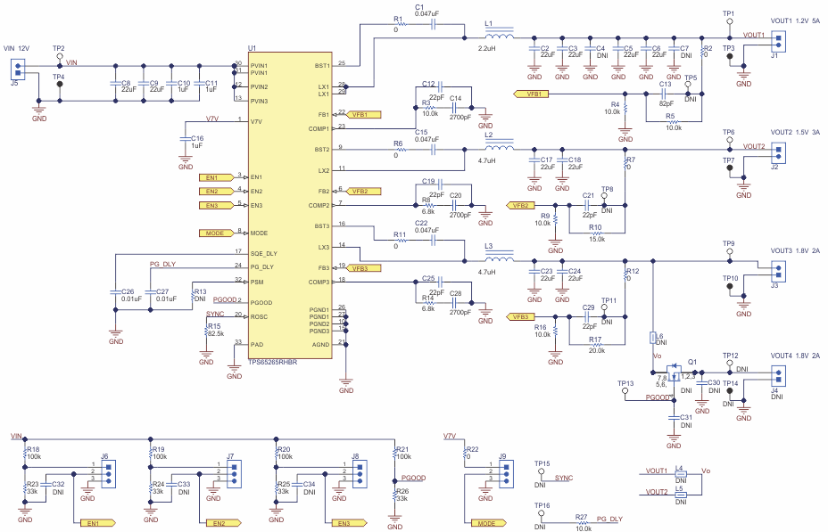
原理图

图 2-1 展示了 TPS65265EVM-705 EVM 原理图。

GUID-16E11B02-3076-4E61-99BD-6181C77AA892-low.gif图 2-1 TPS65265EVM-705 原理图