ZHCU905A June   2020  – January 2021 LMX2820

 

  1. 1商标
  2. 2LMX2820EVM 评估模块
    1. 2.1 评估模块包含的部件
    2. 2.2 评估设置要求
    3. 2.3 资源
  3. 3设置
    1. 3.1 连接图
    2. 3.2 电源
    3. 3.3 参考时钟
    4. 3.4 射频输出
    5. 3.5 编程
    6. 3.6 评估软件
  4. 4典型测量
    1. 4.1 默认配置
      1. 4.1.1 环路滤波器
      2. 4.1.2 典型输出
    2. 4.2 附加测试
      1. 4.2.1 SYSREF 示例
      2. 4.2.2 PFDIN 引脚失调电压混合
      3. 4.2.3 外部 VCO 模式
      4. 4.2.4 寄存器读回
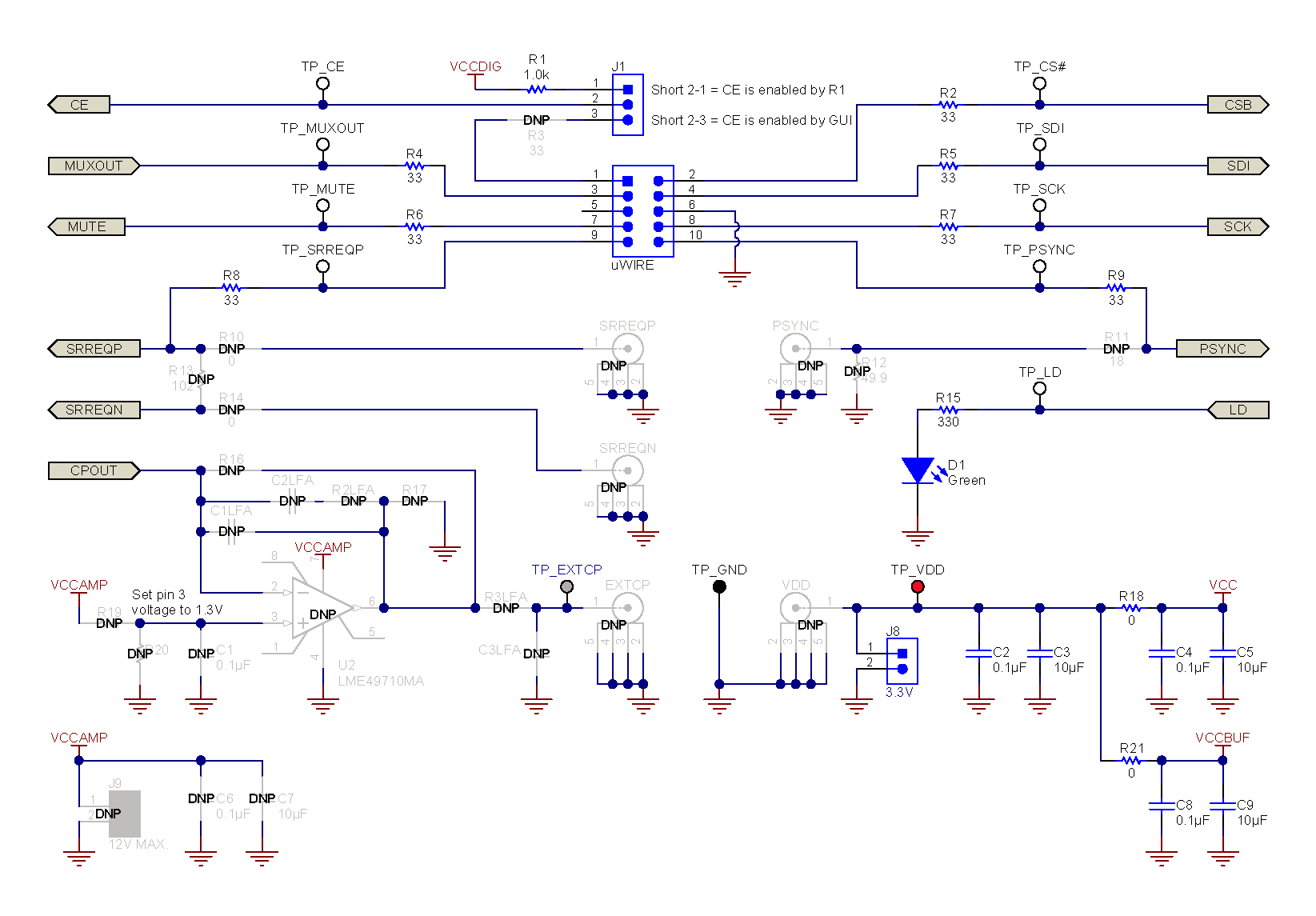
  5. 5原理图
  6. 6PCB 布局和层堆叠
    1. 6.1 PCB 层堆叠
    2. 6.2 PCB 布局
  7. 7物料清单
  8. 8疑难解答指南
    1.     A 使用不同的参考时钟
      1.      B USB2ANY 固件升级
        1.       C 修订历史记录

原理图

GUID-06D16644-0CD2-4D1C-A6E6-3832687C8DFC-low.png图 5-1 LMX2820EVM 原理图(第 1 页)
GUID-CF82B633-BD00-4FE0-AEAD-338879C68701-low.png图 5-2 LMX2820EVM 原理图(第 2 页)