ZHCT325D June   2017  – December 2024 INA117 , INA188 , INA333 , INA592 , INA597 , INA826 , INA826S , OPA140 , OPA180 , OPA187 , OPA188 , OPA189 , OPA191 , OPA192 , OPA197 , OPA206 , OPA2140 , OPA2180 , OPA2187 , OPA2188 , OPA2189 , OPA2191 , OPA2192 , OPA2197 , OPA2205 , OPA2206 , OPA2330 , OPA2333 , OPA2376 , OPA277 , OPA330 , OPA333 , OPA334 , OPA335 , OPA376 , OPA378 , OPA388 , OPA391 , OPA396 , OPA4140 , OPA4180 , OPA4187 , OPA4188 , OPA4191 , OPA4192 , OPA4197 , OPA4330 , OPA4376 , OPA734 , OPA735 , OPA827 , TLV2376 , TLV333 , TLV376 , TLV4376

 

  1.   1
  2.   2

引言

放大器输入失调电压往往是设计精度的关键参数,可使用不同的电路技术最大限度地降低该失调电压。为特定应用选择放大器时,了解不同的修整和失调电压校正方法可能富有成效。

激光修整:晶圆级修整

每个放大器都由数万个晶体管、电阻器和电容器构成。器件输入偏移误差是由每个放大器中输入晶体管的不匹配(或变化)造成的。图 1 显示了运算放大器裸片的图片。突出显示的区域为薄膜电阻器。在晶圆级测试过程中,激光烧掉了电阻材料部分,从而通过增加裸片的总电阻调节其值。

OPA2205 薄膜电阻器上的激光修整图 1 薄膜电阻器上的激光修整

实际上可以在器件运行过程中用激光完成这种修整;也就是说,我们可以监控失调电压,然后对电阻器进行修整,直到失调电压归零。晶圆级修整可以得到非常精确的结果。然而,将晶圆切成独立的裸片并封装之后,对特定裸片施加任何物理应力都可以导致失调电压发生变化。

对于采用双极晶圆工艺制造的 IC 而言,激光修整是一种实用的修整方法。它不仅广泛应用于运算放大器,而且还应用于差分放大器和仪表放大器。它可以改善电阻器匹配,而这对于更大限度地降低增益误差,同时优化共模抑制比 (CMRR) 性能至关重要。INA826S 是一款仪表放大器,使用激光修整来实现高直流精度和低静态电流:150µV 失调电压,2µV/°C 漂移和 250µA 静态电流。此放大器具有附加关断功能,采用小型 (3mm × 3mm) DFN 封装,适用于功耗敏感型应用,例如断路器、便携式医疗仪器和测试设备。

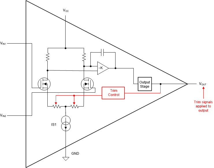
e-Trim:封装级修整

用于实现低失调电压和漂移的另一种方法是 e-Trim,这是 TI 获得专利的修整架构,在器件封装后实施。在最后的封装级制造测试过程中对器件内部的校正电流源进行调整。修整完成后,修整电路的通道关闭,修整控制电路被禁用,调整成为永久性调整。图 2 说明了 e-Trim 方法。

OPA2205 封装级 e-Trim图 2 封装级 e-Trim

这种多晶硅保险丝熔断技术不需要额外的引脚或测试点,与晶圆级修整相比性能得到大幅提升。这种方法还可避免通常由封装应力引起的参数变化,提供只有零漂移放大器才能实现的出色精度,并允许采用微型封装尺寸。

OPA2205 是 e-Trim 放大器系列的新成员,每个放大器都具有 15µV 失调电压(最大值)、0.04µV/°C 温漂(最大值)和 220µA 的低静态电流。

斩波器:动态校正

第三种校正失调电压和漂移的方法是使用零漂移放大器,尽管它本身并不是一种修整方法。斩波器是一种常见的零漂移放大器,它使用内部动态校准方法来有效降低失调电压。图 3 显示了典型斩波器架构的示意图。第一个跨导级的输入和输出设有一组开关,每个校准周期交换一次输入信号的极性。随时间推移和温度变化的漂移平均为零。此特性还消除了传统放大器在频率非常低时出现的 1/f 噪声。这些特性使得斩波放大器在直流(或低频)信号调节应用中非常有用,这些应用包括称重秤、应变计和温度测量。OPA2182 是一个斩波器示例,具有 4µV(最大值)失调电压、0.012µV/°C(最大值)温漂和 0.119µVPP 低频噪声(0.1Hz 至 10Hz)。

OPA2205 斩波放大器的典型示意图图 3 斩波放大器的典型示意图

然而,斩波放大器会插入一个由电荷注入(因开关开合)导致的额外噪声分量;这些操作会导致输入偏置电流中出现尖峰,而这可能转化为高源阻抗应用中的电压尖峰,或者在使用高阻值电阻器的过程中上调信号。因此,在医疗仪器等工作温度范围较小的应用中,接近于零的漂移有时可能不如与高源阻抗结合使用的放大器的超低输入偏置电流那样重要。在这种情况下,OPA2182 虽然温漂低得多,但偏置电流为 350pA(最大值),与之相比,具有 e-Trim 和20pA(最大值)偏置电流的 OPA2191 可能是一个更好的选择。

总结

表 1 比较了三种失调电压校正方法。此技术简介可作为指南,帮助您选择适合低失调电压、低漂移电路需求的放大器。

表 1 激光修整、e-Trim 和斩波器之间的比较
器件 校正方法 优点 缺点
INA826S
INA823
OPA145
OPA828
激光修整 在工作温度范围内的制造流程简洁 封装后的参数变化
OPA191
OPA192
OPA205
OPA206
OPA391
OPA392
OPA328
e-Trim 封装不会引起参数变化 在工作温度范围内的制造流程复杂
INA188
OPA189
OPA182
OPA388
OPA387
斩波器 可能最低的漂移;无 1/f 噪声 偏置电流尖峰可导致高源阻抗出现问题
表 2 其它博客文章和资源
资源 博文
视频 运算放大器技术概述
零漂移应用简报 零漂移放大器:特性和优势
Precision Hub 博客 封装级修整与其他失调电压校正方法相比如何?
Precision Hub 博客 修整还是斩波:您喜欢哪种运算放大器?
EDN 模拟设计文章 突破精度极限 – 了解运算放大器面临的精度挑战