ZHCSMC4A june   2020  – october 2020 UCC23514

PRODUCTION DATA  

  1.   1
  2. 特性
  3. 应用
  4. 说明
  5. Revision History
  6. Pin Configuration and Function
    1.     Pin Functions for UCC23514E
    2.     Pin Functions for UCC23514M
    3.     Pin Functions for UCC23514S
    4.     Pin Functions for UCC23514V
  7. Specifications
    1. 6.1  Absolute Maximum Ratings
    2. 6.2  ESD Ratings
    3. 6.3  Recommended Operating Conditions
    4. 6.4  Thermal Information
    5. 6.5  Power Ratings
    6. 6.6  Insulation Specifications
    7. 6.7  Safety-Related Certifications
    8. 6.8  Safety Limiting Values
    9. 6.9  Electrical Characteristics
    10. 6.10 Switching Characteristics
    11. 6.11 Insulation Characteristics
    12. 6.12 Typical Characteristics
  8. Parameter Measurement Information
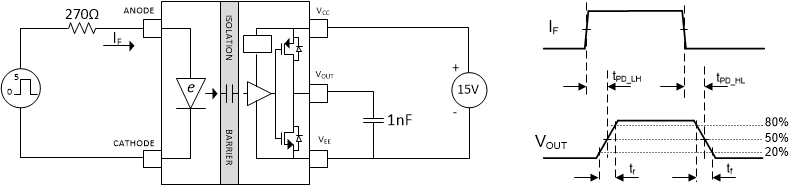
    1. 7.1 Propagation Delay, rise time and fall time
    2. 7.2 IOH and IOL testing
    3. 7.3 CMTI Testing
  9. Detailed Description
    1. 8.1 Overview
    2. 8.2 Functional Block Diagram
    3. 8.3 Feature Description
      1. 8.3.1 Power Supply
      2. 8.3.2 Input Stage
      3. 8.3.3 Output Stage
      4. 8.3.4 Protection Features
        1. 8.3.4.1 Undervoltage Lockout (UVLO)
        2. 8.3.4.2 Active Pulldown
        3. 8.3.4.3 Short-Circuit Clamping
        4. 8.3.4.4 Active Miller Clamp (UCC23514M)
    4. 8.4 Device Functional Modes
      1. 8.4.1 ESD Structure
  10. Application and Implementation
    1. 9.1 Application Information
    2. 9.2 Typical Application
      1. 9.2.1 Design Requirements
      2. 9.2.2 Detailed Design Procedure
        1. 9.2.2.1 Selecting the Input Resistor
        2. 9.2.2.2 Gate-Driver Output Resistor
        3. 9.2.2.3 Estimate Gate-Driver Power Loss
        4. 9.2.2.4 Estimating Junction Temperature
        5. 9.2.2.5 Selecting VCC Capacitor
  11. 10Power Supply Recommendations
  12. 11Layout
    1. 11.1 Layout Guidelines
    2. 11.2 PCB Material
  13. 12Mechanical, Packaging, and Orderable Information

Propagation Delay, rise time and fall time

Figure 7-1 shows the propagation delay from the input forward current IF, to VOUT. This figures also shows the circuit used to measure the rise (tr) and fall (tf) times and the propagation delays tPDLH and tPDHL.

GUID-F4E08A9F-FD81-4F9A-9E04-8400D3EBDB9F-low.gifFigure 7-1 IF to VOUT Propagation Delay, Rise Time and Fall Time