ZHCSLZ4D May   2020  – September 2021 TPS25850-Q1 , TPS25851-Q1 , TPS25852-Q1

PRODUCTION DATA  

  1. 特性
  2. 应用
  3. 说明
  4. Revision History
  5. 说明(续)
  6. Device Comparison Table
  7. Pin Configuration and Functions
  8. Specifications
    1. 8.1 Absolute Maximum Ratings
    2. 8.2 ESD Ratings
    3. 8.3 Recommended Operating Conditions
    4. 8.4 Thermal Information
    5. 8.5 Electrical Characteristics
    6. 8.6 Timing Requirements
    7. 8.7 Switching Characteristics
    8. 8.8 Typical Characteristics
  9. Parameter Measurement Information
  10. 10Detailed Description
    1. 10.1 Overview
    2. 10.2 Functional Block Diagram
    3. 10.3 Feature Description
      1. 10.3.1  Power-Down or Undervoltage Lockout
      2. 10.3.2  Input Overvoltage Protection (OVP) - Continuously Monitored
      3. 10.3.3  Buck Converter
      4. 10.3.4  FREQ/SYNC
      5. 10.3.5  Bootstrap Voltage (BOOT)
      6. 10.3.6  Minimum ON-Time, Minimum OFF-Time
      7. 10.3.7  Internal Compensation
      8. 10.3.8  Selectable Output Voltage (VSET)
      9. 10.3.9  Current Limit and Short Circuit Protection
        1. 10.3.9.1 USB Switch Programmable Current Limit (ILIM)
        2. 10.3.9.2 Interlocking for Two-Level USB Switch Current Limit
        3. 10.3.9.3 Cycle-by-Cycle Buck Current Limit
        4. 10.3.9.4 OUT Current Limit
      10. 10.3.10 Cable Compensation
      11. 10.3.11 Thermal Management With Temperature Sensing (TS) and OTSD
      12. 10.3.12 Thermal Shutdown
      13. 10.3.13 USB Enable On/Off Control (TPS25852-Q1)
      14. 10.3.14 FAULT Indication (TPS25851-Q1 and TPS25852-Q1)
      15. 10.3.15 USB Specification Overview
      16. 10.3.16 USB Type-C® Basics
        1. 10.3.16.1 Configuration Channel
        2. 10.3.16.2 Detecting a Connection
        3. 10.3.16.3 Plug Polarity Detection (TPS25851-Q1)
      17. 10.3.17 USB Port Operating Modes
        1. 10.3.17.1 USB Type-C® Mode
        2. 10.3.17.2 Dedicated Charging Port (DCP) Mode (TPS25850-Q1 Only)
          1. 10.3.17.2.1 DCP BC1.2 and YD/T 1591-2009
          2. 10.3.17.2.2 DCP Divider-Charging Scheme
          3. 10.3.17.2.3 DCP 1.2-V Charging Scheme
        3. 10.3.17.3 DCP Auto Mode (TPS25850-Q1)
    4. 10.4 Device Functional Modes
      1. 10.4.1 Shutdown Mode
      2. 10.4.2 Active Mode
  11. 11Application and Implementation
    1. 11.1 Application Information
    2. 11.2 Typical Applications
      1. 11.2.1 Design Requirements
      2. 11.2.2 Detailed Design Procedure
        1. 11.2.2.1 Output Voltage Setting
        2. 11.2.2.2 Switching Frequency
        3. 11.2.2.3 Inductor Selection
        4. 11.2.2.4 Output Capacitor Selection
        5. 11.2.2.5 Input Capacitor Selection
        6. 11.2.2.6 Bootstrap Capacitor Selection
        7. 11.2.2.7 Undervoltage Lockout Set-Point
        8. 11.2.2.8 Cable Compensation Set-Point
      3. 11.2.3 Application Curves
  12. 12Power Supply Recommendations
  13. 13Layout
    1. 13.1 Layout Guidelines
    2. 13.2 Layout Example
    3. 13.3 Ground Plane and Thermal Considerations
  14. 14Device and Documentation Support
    1. 14.1 接收文档更新通知
    2. 14.2 支持资源
    3. 14.3 Trademarks
    4. 14.4 Electrostatic Discharge Caution
    5. 14.5 术语表
  15. 15Mechanical, Packaging, and Orderable Information

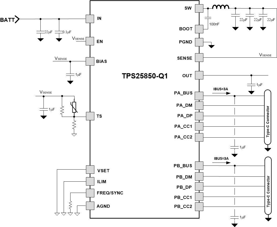
Typical Applications

The TPS2585x-Q1 only requires a few external components to convert from a wide voltage range supply to a 5-V output to power USB devices. Figure 11-1 shows the TPS25850-Q1 typical application schematic for Dual Type-C charging ports.

GUID-20201005-CA0I-GK5L-FRVJ-KPRFZSN3H92L-low.gif Figure 11-1 TPS25850-Q1 Typical Application Circuit for 2.1-MHz fSW

As a quick start guide, Table 11-1 provides typical component values for some of the most common configurations. The values given in Table 11-1 are typical. Other values can be used to enhance certain performance criterion as required by the application. The integrated buck regulator of TPS2585x-Q1 is internally compensated and optimized for a reasonable selection of external inductance and capacitance. The external components have to fulfill the needs of the application, but also the stability criteria of the control loop of the device.

Table 11-1 L and COUT Typical Values
fSWVOUT WITHOUT CABLE COMPENSATIONLCHF + CINCBOOTRATED COUT
400 KHZ5.17 V3.3 µH1 × 100 nF + 1 × 47 µF1 × 100 nF3 × 47 µF
2.1 MHz5.17 V0.68 µH1 × 100 nF + 1 × 22 µF1 × 100 nF3 × 22 µF
  1. The inductance value is calculated based on max VIN = 18 V.
  2. All the COUT values are after derating and use low ESR ceramic capacitors.
  3. The COUT is the buck regulator output capacitors at the SENSE pin.