ZHCSKU9B February   2020  – October 2024 ADC09DJ1300-Q1 , ADC09QJ1300-Q1 , ADC09SJ1300-Q1

PRODUCTION DATA  

  1.   1
  2. 特性
  3. 应用
  4. 说明
  5. Pin Configuration and Functions
  6. Specifications
    1. 5.1  Absolute Maximum Ratings
    2. 5.2  ESD Ratings
    3. 5.3  Recommended Operating Conditions
    4. 5.4  Thermal Information
    5. 5.5  Electrical Characteristics: DC Specifications
    6. 5.6  Electrical Characteristics: Power Consumption
    7. 5.7  Electrical Characteristics: AC Specifications
    8. 5.8  Timing Requirements
    9. 5.9  Switching Characteristics
    10. 5.10 Typical Characteristics
  7. Detailed Description
    1. 6.1 Overview
    2. 6.2 Functional Block Diagram
    3. 6.3 Feature Description
      1. 6.3.1 Device Comparison
      2. 6.3.2 Analog Input
        1. 6.3.2.1 Analog Input Protection
        2. 6.3.2.2 Full-Scale Voltage (VFS) Adjustment
        3. 6.3.2.3 Analog Input Offset Adjust
        4. 6.3.2.4 ADC Core
          1. 6.3.2.4.1 ADC Core Calibration
          2. 6.3.2.4.2 ADC Theory of Operation
          3. 6.3.2.4.3 Analog Reference Voltage
          4. 6.3.2.4.4 ADC Over-range Detection
          5. 6.3.2.4.5 Code Error Rate (CER)
        5. 6.3.2.5 Temperature Monitoring Diode
        6. 6.3.2.6 Timestamp
        7. 6.3.2.7 Clocking
          1. 6.3.2.7.1 Converter PLL (C-PLL) for Sampling Clock Generation
          2. 6.3.2.7.2 LVDS Clock Outputs (PLLREFO±, TRIGOUT±)
          3. 6.3.2.7.3 Optional CMOS Clock Outputs (ORC, ORD)
          4. 6.3.2.7.4 SYSREF for JESD204C Subclass-1 Deterministic Latency
            1. 6.3.2.7.4.1 SYSREF Capture for Multi-Device Synchronization and Deterministic Latency
            2. 6.3.2.7.4.2 SYSREF Position Detector and Sampling Position Selection (SYSREF Windowing)
        8. 6.3.2.8 JESD204C Interface
          1. 6.3.2.8.1  Transport Layer
          2. 6.3.2.8.2  Scrambler
          3. 6.3.2.8.3  Link Layer
          4. 6.3.2.8.4  8B/10B Link Layer
            1. 6.3.2.8.4.1 Data Encoding (8B/10B)
            2. 6.3.2.8.4.2 Multiframes and the Local Multiframe Clock (LMFC)
            3. 6.3.2.8.4.3 Code Group Synchronization (CGS)
            4. 6.3.2.8.4.4 Initial Lane Alignment Sequence (ILAS)
            5. 6.3.2.8.4.5 Frame and Multiframe Monitoring
          5. 6.3.2.8.5  64B/66B Link Layer
            1. 6.3.2.8.5.1 64B/66B Encoding
            2. 6.3.2.8.5.2 Multiblocks, Extended Multiblocks and the Local Extended Multiblock Clock (LEMC)
              1. 6.3.2.8.5.2.1 Block, Multiblock and Extended Multiblock Alignment using Sync Header
                1. 6.3.2.8.5.2.1.1 Cyclic Redundancy Check (CRC) Mode
                2. 6.3.2.8.5.2.1.2 Forward Error Correction (FEC) Mode
            3. 6.3.2.8.5.3 Initial Lane Alignment
            4. 6.3.2.8.5.4 Block, Multiblock and Extended Multiblock Alignment Monitoring
          6. 6.3.2.8.6  Physical Layer
            1. 6.3.2.8.6.1 SerDes Pre-Emphasis
          7. 6.3.2.8.7  JESD204C Enable
          8. 6.3.2.8.8  Multi-Device Synchronization and Deterministic Latency
          9. 6.3.2.8.9  Operation in Subclass 0 Systems
          10. 6.3.2.8.10 Alarm Monitoring
            1. 6.3.2.8.10.1 Clock Upset Detection
            2. 6.3.2.8.10.2 FIFO Upset Detection
    4. 6.4 Device Functional Modes
      1. 6.4.1 Low Power Mode and High Performance Mode
      2. 6.4.2 JESD204C Modes
        1. 6.4.2.1 JESD204C Transport Layer Data Formats
        2. 6.4.2.2 64B/66B Sync Header Stream Configuration
        3. 6.4.2.3 Redundant Data Mode (Alternate Lanes)
      3. 6.4.3 Power-Down Modes
      4. 6.4.4 Test Modes
        1. 6.4.4.1  Serializer Test-Mode Details
        2. 6.4.4.2  PRBS Test Modes
        3. 6.4.4.3  Clock Pattern Mode
        4. 6.4.4.4  Ramp Test Mode
        5. 6.4.4.5  Short and Long Transport Test Mode
          1. 6.4.4.5.1 Short Transport Test Pattern
        6. 6.4.4.6  D21.5 Test Mode
        7. 6.4.4.7  K28.5 Test Mode
        8. 6.4.4.8  Repeated ILA Test Mode
        9. 6.4.4.9  Modified RPAT Test Mode
        10. 6.4.4.10 Calibration Modes and Trimming
          1. 6.4.4.10.1 Foreground Calibration Mode
          2. 6.4.4.10.2 Background Calibration Mode
          3. 6.4.4.10.3 Low-Power Background Calibration (LPBG) Mode
        11. 6.4.4.11 Offset Calibration
        12. 6.4.4.12 Trimming
    5. 6.5 Programming
      1. 6.5.1 Using the Serial Interface
      2. 6.5.2 SCS
      3. 6.5.3 SCLK
      4. 6.5.4 SDI
      5. 6.5.5 SDO
      6. 6.5.6 Streaming Mode
    6. 6.6 SPI_Register_Map Registers
  8. Application and Implementation
    1. 7.1 Application Information
    2. 7.2 Typical Applications
      1. 7.2.1 Light Detection and Ranging (LiDAR) Digitizer
        1. 7.2.1.1 Design Requirements
        2. 7.2.1.2 Detailed Design Procedure
          1. 7.2.1.2.1 Analog Front-End Requirements
          2. 7.2.1.2.2 Calculating Clock and SerDes Frequencies
        3. 7.2.1.3 Application Curves
        4. 7.2.1.4 Quad Channel Hand-Held 1.25-GSPS 625-MSPS Oscilloscope
      2. 7.2.2 Initialization Set Up
    3. 7.3 Power Supply Recommendations
      1. 7.3.1 Power Sequencing
    4. 7.4 Layout
      1. 7.4.1 Layout Guidelines
      2. 7.4.2 Layout Example
  9. Device and Documentation Support
    1. 8.1 Device Support
    2. 8.2 Documentation Support
    3. 8.3 接收文档更新通知
    4. 8.4 支持资源
    5. 8.5 Trademarks
    6. 8.6 静电放电警告
    7. 8.7 术语表
  10. Revision History
  11. 10Mechanical, Packaging, and Orderable Information

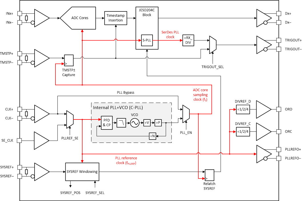
Clocking

The input to the clocking subsystem of the device includes two clock inputs (CLK± and SE_CLK) and a synchronization signal (SYSREF±). An internal phase-locked loop (PLL) and voltage-controlled oscillator (VCO) can optionally be used to generate the ADC sampling clock from a low frequency reference by setting the PLL_EN pin high. The sampling clock PLL is called the converter PLL (C-PLL). The C-PLL reference can be provided to either the CLK± differential input or the SE_CLK single-ended input. The single-ended C-PLL reference input is selected by setting the PLLREF_SE pin high. For highest performance, the internal C-PLL can be bypassed and the sampling clock provided directly to the CLK± input when PLL_EN and PLLREF_SE are held low. Note that SE_CLK cannot be used if the C-PLL is disabled. The C-PLL reference clock can be sent to either an FPGA or ASIC or to an adjacent device through the PLLREFO± LVDS output when the PLL is enabled. Two additional copies or divided copies of PLLREFO can be output on ORC and ORD when enabled through the CLKCFG[1:0] pins or through SPI. PLLREFO and the ORC and ORD clock outputs are available at device power up when the CMOS control pins (PLL_EN, CLKCFG0 and CLKCFG1) are set appropriately and if PD is held low. Toggling PD high to power down the device also powers down the clock outputs.

In addition, the SerDes block contains a PLL, called S-PLL, that generates the SerDes output clock from the ADC sampling clock. The S-PLL generated clock can be divided and output from the TRIGOUT± LVDS output and sent to an FPGA or ASIC to clock the SerDes receivers. The SYSREF signal is captured by the chosen clock input (CLK± or SE_CLK). A SYSREF Windowing block is used to measure and optimize the setup and hold timing of the SYSREF signal relative to the selected clock input. SYSREF Windowing relaxes the timing requirement of the external signals. Figure 6-5 shows the clocking subsystem.

ADC09QJ1300-Q1 ADC09DJ1300-Q1 ADC09SJ1300-Q1 Clocking Subsystem Figure 6-5 Clocking Subsystem

The clock generated by the C-PLL when the PLL is enabled or the clock provided to CLK± when the PLL is disabled is used as the sampling clock for the ADC core as well as the clocking for the digital processing and serializer S-PLL. Use a low-noise (low jitter) clock input, whether the PLL is enabled or disabled, to maintain high signal-to-noise ratio (SNR) within the ADC.