ZHCSKU9B February   2020  – October 2024 ADC09DJ1300-Q1 , ADC09QJ1300-Q1 , ADC09SJ1300-Q1

PRODUCTION DATA  

  1.   1
  2. 特性
  3. 应用
  4. 说明
  5. Pin Configuration and Functions
  6. Specifications
    1. 5.1  Absolute Maximum Ratings
    2. 5.2  ESD Ratings
    3. 5.3  Recommended Operating Conditions
    4. 5.4  Thermal Information
    5. 5.5  Electrical Characteristics: DC Specifications
    6. 5.6  Electrical Characteristics: Power Consumption
    7. 5.7  Electrical Characteristics: AC Specifications
    8. 5.8  Timing Requirements
    9. 5.9  Switching Characteristics
    10. 5.10 Typical Characteristics
  7. Detailed Description
    1. 6.1 Overview
    2. 6.2 Functional Block Diagram
    3. 6.3 Feature Description
      1. 6.3.1 Device Comparison
      2. 6.3.2 Analog Input
        1. 6.3.2.1 Analog Input Protection
        2. 6.3.2.2 Full-Scale Voltage (VFS) Adjustment
        3. 6.3.2.3 Analog Input Offset Adjust
        4. 6.3.2.4 ADC Core
          1. 6.3.2.4.1 ADC Core Calibration
          2. 6.3.2.4.2 ADC Theory of Operation
          3. 6.3.2.4.3 Analog Reference Voltage
          4. 6.3.2.4.4 ADC Over-range Detection
          5. 6.3.2.4.5 Code Error Rate (CER)
        5. 6.3.2.5 Temperature Monitoring Diode
        6. 6.3.2.6 Timestamp
        7. 6.3.2.7 Clocking
          1. 6.3.2.7.1 Converter PLL (C-PLL) for Sampling Clock Generation
          2. 6.3.2.7.2 LVDS Clock Outputs (PLLREFO±, TRIGOUT±)
          3. 6.3.2.7.3 Optional CMOS Clock Outputs (ORC, ORD)
          4. 6.3.2.7.4 SYSREF for JESD204C Subclass-1 Deterministic Latency
            1. 6.3.2.7.4.1 SYSREF Capture for Multi-Device Synchronization and Deterministic Latency
            2. 6.3.2.7.4.2 SYSREF Position Detector and Sampling Position Selection (SYSREF Windowing)
        8. 6.3.2.8 JESD204C Interface
          1. 6.3.2.8.1  Transport Layer
          2. 6.3.2.8.2  Scrambler
          3. 6.3.2.8.3  Link Layer
          4. 6.3.2.8.4  8B/10B Link Layer
            1. 6.3.2.8.4.1 Data Encoding (8B/10B)
            2. 6.3.2.8.4.2 Multiframes and the Local Multiframe Clock (LMFC)
            3. 6.3.2.8.4.3 Code Group Synchronization (CGS)
            4. 6.3.2.8.4.4 Initial Lane Alignment Sequence (ILAS)
            5. 6.3.2.8.4.5 Frame and Multiframe Monitoring
          5. 6.3.2.8.5  64B/66B Link Layer
            1. 6.3.2.8.5.1 64B/66B Encoding
            2. 6.3.2.8.5.2 Multiblocks, Extended Multiblocks and the Local Extended Multiblock Clock (LEMC)
              1. 6.3.2.8.5.2.1 Block, Multiblock and Extended Multiblock Alignment using Sync Header
                1. 6.3.2.8.5.2.1.1 Cyclic Redundancy Check (CRC) Mode
                2. 6.3.2.8.5.2.1.2 Forward Error Correction (FEC) Mode
            3. 6.3.2.8.5.3 Initial Lane Alignment
            4. 6.3.2.8.5.4 Block, Multiblock and Extended Multiblock Alignment Monitoring
          6. 6.3.2.8.6  Physical Layer
            1. 6.3.2.8.6.1 SerDes Pre-Emphasis
          7. 6.3.2.8.7  JESD204C Enable
          8. 6.3.2.8.8  Multi-Device Synchronization and Deterministic Latency
          9. 6.3.2.8.9  Operation in Subclass 0 Systems
          10. 6.3.2.8.10 Alarm Monitoring
            1. 6.3.2.8.10.1 Clock Upset Detection
            2. 6.3.2.8.10.2 FIFO Upset Detection
    4. 6.4 Device Functional Modes
      1. 6.4.1 Low Power Mode and High Performance Mode
      2. 6.4.2 JESD204C Modes
        1. 6.4.2.1 JESD204C Transport Layer Data Formats
        2. 6.4.2.2 64B/66B Sync Header Stream Configuration
        3. 6.4.2.3 Redundant Data Mode (Alternate Lanes)
      3. 6.4.3 Power-Down Modes
      4. 6.4.4 Test Modes
        1. 6.4.4.1  Serializer Test-Mode Details
        2. 6.4.4.2  PRBS Test Modes
        3. 6.4.4.3  Clock Pattern Mode
        4. 6.4.4.4  Ramp Test Mode
        5. 6.4.4.5  Short and Long Transport Test Mode
          1. 6.4.4.5.1 Short Transport Test Pattern
        6. 6.4.4.6  D21.5 Test Mode
        7. 6.4.4.7  K28.5 Test Mode
        8. 6.4.4.8  Repeated ILA Test Mode
        9. 6.4.4.9  Modified RPAT Test Mode
        10. 6.4.4.10 Calibration Modes and Trimming
          1. 6.4.4.10.1 Foreground Calibration Mode
          2. 6.4.4.10.2 Background Calibration Mode
          3. 6.4.4.10.3 Low-Power Background Calibration (LPBG) Mode
        11. 6.4.4.11 Offset Calibration
        12. 6.4.4.12 Trimming
    5. 6.5 Programming
      1. 6.5.1 Using the Serial Interface
      2. 6.5.2 SCS
      3. 6.5.3 SCLK
      4. 6.5.4 SDI
      5. 6.5.5 SDO
      6. 6.5.6 Streaming Mode
    6. 6.6 SPI_Register_Map Registers
  8. Application and Implementation
    1. 7.1 Application Information
    2. 7.2 Typical Applications
      1. 7.2.1 Light Detection and Ranging (LiDAR) Digitizer
        1. 7.2.1.1 Design Requirements
        2. 7.2.1.2 Detailed Design Procedure
          1. 7.2.1.2.1 Analog Front-End Requirements
          2. 7.2.1.2.2 Calculating Clock and SerDes Frequencies
        3. 7.2.1.3 Application Curves
        4. 7.2.1.4 Quad Channel Hand-Held 1.25-GSPS 625-MSPS Oscilloscope
      2. 7.2.2 Initialization Set Up
    3. 7.3 Power Supply Recommendations
      1. 7.3.1 Power Sequencing
    4. 7.4 Layout
      1. 7.4.1 Layout Guidelines
      2. 7.4.2 Layout Example
  9. Device and Documentation Support
    1. 8.1 Device Support
    2. 8.2 Documentation Support
    3. 8.3 接收文档更新通知
    4. 8.4 支持资源
    5. 8.5 Trademarks
    6. 8.6 静电放电警告
    7. 8.7 术语表
  10. Revision History
  11. 10Mechanical, Packaging, and Orderable Information

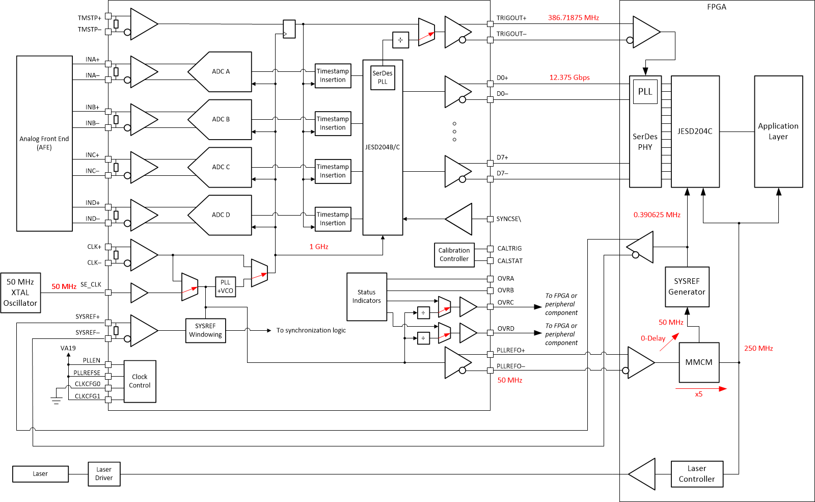
Light Detection and Ranging (LiDAR) Digitizer

A LiDAR system uses a laser to send a light pulse toward a target and measures reflections off of the target using photodiodes. The photodiodes are connected to transimpedance amplifiers (TIA) to convert the current generated by the reflected light into a voltage. An ADC converts the voltage to a digital signal and extracts the pulse arrival time and reflected energy of the pulse. The device has a number of features that makes it ideal as the digitizer for a LiDAR system including high sampling rate, high performance, high input bandwidth and integrated clocking features. An example LiDAR system digitizer is shown in Figure 7-1 which uses up to four ADC channels running at 1 GSPS and the on-chip clocking features of the device to reduce the component count, size and cost of the system.

ADC09QJ1300-Q1 ADC09DJ1300-Q1 ADC09SJ1300-Q1 Typical
                    Configuration for a LiDAR Digitizer Figure 7-1 Typical Configuration for a LiDAR Digitizer