ZHCSKL5D November   2019  – March 2022 LMX2694-EP

PRODUCTION DATA  

  1. 特性
  2. 应用
  3. 说明
  4. Revision History
  5. Pin Configuration and Functions
  6. Specifications
    1. 6.1 Absolute Maximum Ratings
    2. 6.2 ESD Ratings
    3. 6.3 Recommended Operating Conditions
    4. 6.4 Thermal Information
    5. 6.5 Electrical Characteristics
    6. 6.6 Timing Requirements
    7. 6.7 Timing Diagrams
    8. 6.8 Typical Characteristics
  7. Detailed Description
    1. 7.1 Overview
    2. 7.2 Functional Block Diagram
    3. 7.3 Feature Description
      1. 7.3.1  Reference Oscillator Input
      2. 7.3.2  Reference Path
        1. 7.3.2.1 OSCIN Doubler (OSC_2X)
        2. 7.3.2.2 Pre-R Divider (PLL_R_PRE)
        3. 7.3.2.3 Post-R Divider (PLL_R)
      3. 7.3.3  State Machine Clock
      4. 7.3.4  PLL Phase Detector and Charge Pump
      5. 7.3.5  N Divider and Fractional Circuitry
      6. 7.3.6  MUXOUT Pin
        1. 7.3.6.1 Serial Data Output for Readback
        2. 7.3.6.2 Lock Detect Indicator Set as Type “VCOCal”
        3. 7.3.6.3 Lock Detect Indicator Set as Type “Vtune and VCOCal”
      7. 7.3.7  VCO (Voltage-Controlled Oscillator)
        1. 7.3.7.1 VCO Calibration
        2. 7.3.7.2 Determining the VCO Gain
      8. 7.3.8  Channel Divider
      9. 7.3.9  Output Buffer
      10. 7.3.10 Powerdown Modes
      11. 7.3.11 Treatment of Unused Pins
      12. 7.3.12 Phase Synchronization
        1. 7.3.12.1 General Concept
        2. 7.3.12.2 Categories of Applications for SYNC
        3. 7.3.12.3 Procedure for Using SYNC
        4. 7.3.12.4 SYNC Input Pin
      13. 7.3.13 Phase Adjust
      14. 7.3.14 Fine Adjustments for Phase Adjust and Phase SYNC
      15. 7.3.15 SYSREF
        1. 7.3.15.1 Programmable Fields
        2. 7.3.15.2 Input and Output Pin Formats
          1. 7.3.15.2.1 SYSREF Output Format
        3. 7.3.15.3 SYSREF Examples
        4. 7.3.15.4 SYSREF Procedure
    4. 7.4 Device Functional Modes
    5. 7.5 Programming
      1. 7.5.1 Recommended Initial Power-Up Sequence
      2. 7.5.2 Recommended Sequence for Changing Frequencies
    6. 7.6 Register Maps
      1. 7.6.1   R0 Register (Offset = 0x0) [reset = 0x200C]
      2. 7.6.2   R1 Register (Offset = 0x1) [reset = 0x80C]
      3. 7.6.3   R2 Register (Offset = 0x2) [reset = 0x500]
      4. 7.6.4   R3 Register (Offset = 0x3) [reset = 0x642]
      5. 7.6.5   R4 Register (Offset = 0x4) [reset = 0xA43]
      6. 7.6.6   R5 Register (Offset = 0x5) [reset = 0xC8]
      7. 7.6.7   R6 Register (Offset = 0x6) [reset = 0xC802]
      8. 7.6.8   R7 Register (Offset = 0x7) [reset = 0xB2]
      9. 7.6.9   R8 Register (Offset = 0x8) [reset = 0x2000]
      10. 7.6.10  R9 Register (Offset = 0x9) [reset = 0x604]
      11. 7.6.11  R10 Register (Offset = 0xA) [reset = 0x10F8]
      12. 7.6.12  R11 Register (Offset = 0xB) [reset = 0x18]
      13. 7.6.13  R12 Register (Offset = 0xC) [reset = 0x5001]
      14. 7.6.14  R13 Register (Offset = 0xD) [reset = 0x4000]
      15. 7.6.15  R14 Register (Offset = 0xE) [reset = 0x1E70]
      16. 7.6.16  R15 Register (Offset = 0xF) [reset = 0x64F]
      17. 7.6.17  R16 Register (Offset = 0x10) [reset = 0x80]
      18. 7.6.18  R17 Register (Offset = 0x11) [reset = 0x96]
      19. 7.6.19  R18 Register (Offset = 0x12) [reset = 0x64]
      20. 7.6.20  R19 Register (Offset = 0x13) [reset = 0x27B7]
      21. 7.6.21  R20 Register (Offset = 0x14) [reset = 0x3048]
      22. 7.6.22  R21 Register (Offset = 0x15) [reset = 0x401]
      23. 7.6.23  R22 Register (Offset = 0x16) [reset = 0x1]
      24. 7.6.24  R23 Register (Offset = 0x17) [reset = 0x7C]
      25. 7.6.25  R24 Register (Offset = 0x18) [reset = 0x71A]
      26. 7.6.26  R25 Register (Offset = 0x19) [reset = 0x624]
      27. 7.6.27  R26 Register (Offset = 0x1A) [reset = 0xDB0]
      28. 7.6.28  R27 Register (Offset = 0x1B) [reset = 0x2]
      29. 7.6.29  R28 Register (Offset = 0x1C) [reset = 0x488]
      30. 7.6.30  R29 Register (Offset = 0x1D) [reset = 0x318C]
      31. 7.6.31  R30 Register (Offset = 0x1E) [reset = 0x318C]
      32. 7.6.32  R31 Register (Offset = 0x1F) [reset = 0xC3EC]
      33. 7.6.33  R32 Register (Offset = 0x20) [reset = 0x393]
      34. 7.6.34  R33 Register (Offset = 0x21) [reset = 0x1E21]
      35. 7.6.35  R34 Register (Offset = 0x22) [reset = 0x10]
      36. 7.6.36  R35 Register (Offset = 0x23) [reset = 0x4]
      37. 7.6.37  R36 Register (Offset = 0x24) [reset = 0x70]
      38. 7.6.38  R37 Register (Offset = 0x25) [reset = 0x205]
      39. 7.6.39  R38 Register (Offset = 0x26) [reset = 0xFFFF]
      40. 7.6.40  R39 Register (Offset = 0x27) [reset = 0xFFFF]
      41. 7.6.41  R40 Register (Offset = 0x28) [reset = 0x0]
      42. 7.6.42  R41 Register (Offset = 0x29) [reset = 0x0]
      43. 7.6.43  R42 Register (Offset = 0x2A) [reset = 0x0]
      44. 7.6.44  R43 Register (Offset = 0x2B) [reset = 0x0]
      45. 7.6.45  R44 Register (Offset = 0x2C) [reset = 0x22A2]
      46. 7.6.46  R45 Register (Offset = 0x2D) [reset = 0xC622]
      47. 7.6.47  R46 Register (Offset = 0x2E) [reset = 0x7F0]
      48. 7.6.48  R47 Register (Offset = 0x2F) [reset = 0x300]
      49. 7.6.49  R48 Register (Offset = 0x30) [reset = 0x3E0]
      50. 7.6.50  R49 Register (Offset = 0x31) [reset = 0x4180]
      51. 7.6.51  R50 Register (Offset = 0x32) [reset = 0x80]
      52. 7.6.52  R51 Register (Offset = 0x33) [reset = 0x80]
      53. 7.6.53  R52 Register (Offset = 0x34) [reset = 0x420]
      54. 7.6.54  R53 Register (Offset = 0x35) [reset = 0x0]
      55. 7.6.55  R54 Register (Offset = 0x36) [reset = 0x0]
      56. 7.6.56  R55 Register (Offset = 0x37) [reset = 0x0]
      57. 7.6.57  R56 Register (Offset = 0x38) [reset = 0x0]
      58. 7.6.58  R57 Register (Offset = 0x39) [reset = 0x0]
      59. 7.6.59  R58 Register (Offset = 0x3A) [reset = 0x8001]
      60. 7.6.60  R59 Register (Offset = 0x3B) [reset = 0x1]
      61. 7.6.61  R60 Register (Offset = 0x3C) [reset = 0x3E8]
      62. 7.6.62  R61 Register (Offset = 0x3D) [reset = 0xA8]
      63. 7.6.63  R62 Register (Offset = 0x3E) [reset = 0xAE]
      64. 7.6.64  R63 Register (Offset = 0x3F) [reset = 0x0]
      65. 7.6.65  R64 Register (Offset = 0x40) [reset = 0x1388]
      66. 7.6.66  R65 Register (Offset = 0x41) [reset = 0x0]
      67. 7.6.67  R66 Register (Offset = 0x42) [reset = 0x140]
      68. 7.6.68  R67 Register (Offset = 0x43) [reset = 0x0]
      69. 7.6.69  R68 Register (Offset = 0x44) [reset = 0x3E8]
      70. 7.6.70  R69 Register (Offset = 0x45) [reset = 0x0]
      71. 7.6.71  R70 Register (Offset = 0x46) [reset = 0xC350]
      72. 7.6.72  R71 Register (Offset = 0x47) [reset = 0x80]
      73. 7.6.73  R72 Register (Offset = 0x48) [reset = 0x1]
      74. 7.6.74  R73 Register (Offset = 0x49) [reset = 0x3F]
      75. 7.6.75  R74 Register (Offset = 0x4A) [reset = 0x0]
      76. 7.6.76  R75 Register (Offset = 0x4B) [reset = 0x800]
      77. 7.6.77  R76 Register (Offset = 0x4C) [reset = 0xC]
      78. 7.6.78  R77 Register (Offset = 0x4D) [reset = 0x0]
      79. 7.6.79  R78 Register (Offset = 0x4E) [reset = 0x64]
      80. 7.6.80  R79 Register (Offset = 0x4F) [reset = 0x0]
      81. 7.6.81  R80 Register (Offset = 0x50) [reset = 0x0]
      82. 7.6.82  R81 Register (Offset = 0x51) [reset = 0x0]
      83. 7.6.83  R82 Register (Offset = 0x52) [reset = 0x0]
      84. 7.6.84  R83 Register (Offset = 0x53) [reset = 0x0]
      85. 7.6.85  R84 Register (Offset = 0x54) [reset = 0x0]
      86. 7.6.86  R85 Register (Offset = 0x55) [reset = 0x0]
      87. 7.6.87  R86 Register (Offset = 0x56) [reset = 0x0]
      88. 7.6.88  R87 Register (Offset = 0x57) [reset = 0x0]
      89. 7.6.89  R88 Register (Offset = 0x58) [reset = 0x0]
      90. 7.6.90  R89 Register (Offset = 0x59) [reset = 0x0]
      91. 7.6.91  R90 Register (Offset = 0x5A) [reset = 0x0]
      92. 7.6.92  R91 Register (Offset = 0x5B) [reset = 0x0]
      93. 7.6.93  R92 Register (Offset = 0x5C) [reset = 0x0]
      94. 7.6.94  R93 Register (Offset = 0x5D) [reset = 0x0]
      95. 7.6.95  R94 Register (Offset = 0x5E) [reset = 0x0]
      96. 7.6.96  R95 Register (Offset = 0x5F) [reset = 0x0]
      97. 7.6.97  R96 Register (Offset = 0x60) [reset = 0x0]
      98. 7.6.98  R97 Register (Offset = 0x61) [reset = 0x0]
      99. 7.6.99  R98 Register (Offset = 0x62) [reset = 0x0]
      100. 7.6.100 R99 Register (Offset = 0x63) [reset = 0x0]
      101. 7.6.101 R100 Register (Offset = 0x64) [reset = 0x0]
      102. 7.6.102 R101 Register (Offset = 0x65) [reset = 0x0]
      103. 7.6.103 R102 Register (Offset = 0x66) [reset = 0x0]
      104. 7.6.104 R103 Register (Offset = 0x67) [reset = 0x0]
      105. 7.6.105 R104 Register (Offset = 0x68) [reset = 0x0]
      106. 7.6.106 R105 Register (Offset = 0x69) [reset = 0x440]
      107. 7.6.107 R106 Register (Offset = 0x6A) [reset = 0x7]
      108. 7.6.108 R107 Register (Offset = 0x6B) [reset = 0x0]
      109. 7.6.109 R108 Register (Offset = 0x6C) [reset = 0x0]
      110. 7.6.110 R109 Register (Offset = 0x6D) [reset = 0x0]
      111. 7.6.111 R110 Register (Offset = 0x6E) [reset = 0x0]
      112. 7.6.112 R111 Register (Offset = 0x6F) [reset = 0x0]
      113. 7.6.113 R112 Register (Offset = 0x70) [reset = 0x0]
      114. 7.6.114 R113 Register (Offset = 0x71) [reset = 0x0]
      115. 7.6.115 R114 Register (Offset = 0x72) [reset = 0x0]
  8. Application and Implementation
    1. 8.1 Application Information
      1. 8.1.1 OSCIN Configuration
      2. 8.1.2 OSCIN Slew Rate
      3. 8.1.3 RF Output Buffer Power Control
      4. 8.1.4 RF Output Buffer Pullup
        1. 8.1.4.1 Resistor Pullup
        2. 8.1.4.2 Inductor Pullup
        3. 8.1.4.3 Combination Pullup
      5. 8.1.5 RF Output Treatment for the Complimentary Side
        1. 8.1.5.1 Single-Ended Termination of Unused Output
        2. 8.1.5.2 Differential Termination
      6. 8.1.6 External Loop Filter
    2. 8.2 Typical Application
      1. 8.2.1 Design Requirements
      2. 8.2.2 Detailed Design Procedure
      3. 8.2.3 Application Curve
  9. Power Supply Recommendations
  10. 10Layout
    1. 10.1 Layout Guidelines
    2. 10.2 Layout Example
  11. 11Device and Documentation Support
    1. 11.1 Device Support
      1. 11.1.1 Development Support
    2. 11.2 Documentation Support
      1. 11.2.1 Related Documentation
    3. 11.3 接收文档更新通知
    4. 11.4 支持资源
    5. 11.5 Trademarks
    6. 11.6 Electrostatic Discharge Caution
    7. 11.7 术语表
  12. 12Mechanical, Packaging, and Orderable Information

Timing Diagrams

GUID-493A6977-DCC7-4551-86C0-EBF53D7C884F-low.gifFigure 6-1 Trigger Signals Timing Diagram
GUID-1B05979A-A923-4AE0-9DE2-F9CC104801AC-low.gifFigure 6-2 Serial Data Input Timing Diagram

There are several other considerations for writing on the SPI:

  • The R/W bit must be set to 0.
  • The data on SDI pin is clocked into a shift register on each rising edge on the SCK pin.
  • The CS# must be held low for data to be clocked. Device will ignore clock pulses if CS# is held high.
  • The CS# transition from high to low must occur when SCK is low.
  • When SCK and SDI lines are shared between devices, TI recommends to hold the CS# line high on the device that is not to be clocked.

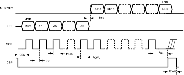
GUID-FC7D97BB-E5FB-4D96-99E6-9FF12D72AF65-low.gifFigure 6-3 Serial Data Readback Timing Diagram

There are several other considerations for SPI readback:

  • The R/W bit must be set to 1.
  • The MUXOUT pin will always be low for the address portion of the transaction.
  • The data on MUXOUT becomes available momentarily after the falling edge of SCK, and therefore, should be read back on the rising edge of SCK.
  • The data portion of the transition on the SDI line is always ignored.