ZHCSH13B October   2017  – January 2019 LMX2572

PRODUCTION DATA.  

  1. 特性
  2. 应用
  3. 说明
    1.     Device Images
      1.      功能方框图
  4. 修订历史记录
  5. Pin Configuration and Functions
    1.     Pin Functions
  6. Specifications
    1. 6.1 Absolute Maximum Ratings
    2. 6.2 ESD Ratings
    3. 6.3 Recommended Operating Conditions
    4. 6.4 Thermal Information
    5. 6.5 Electrical Characteristics
    6. 6.6 Timing Requirements
    7. 6.7 Timing Diagrams
    8. 6.8 Typical Characteristics
  7. Detailed Description
    1. 7.1 Overview
    2. 7.2 Functional Block Diagram
    3. 7.3 Feature Description
      1. 7.3.1  Reference Oscillator Input
      2. 7.3.2  Reference Path
      3. 7.3.3  PLL Phase Detector and Charge Pump
      4. 7.3.4  PLL N Divider and Fractional Circuitry
      5. 7.3.5  Voltage-Controlled Oscillator
      6. 7.3.6  Channel Divider
      7. 7.3.7  Output Buffer
      8. 7.3.8  Lock Detect
      9. 7.3.9  Register Readback
      10. 7.3.10 Powerdown
      11. 7.3.11 Phase Synchronization
      12. 7.3.12 Phase Adjustment
      13. 7.3.13 Ramping Function
      14. 7.3.14 SYSREF
      15. 7.3.15 FSK Modulation
    4. 7.4 Device Functional Modes
    5. 7.5 Programming
      1. 7.5.1 Recommended Initial Power-On Programming
        1. 7.5.1.1 Programming Sequence
        2. 7.5.1.2 Programming Register
      2. 7.5.2 Recommended Sequence for Changing Frequencies
      3. 7.5.3 Double Buffering
      4. 7.5.4 Block Programming
    6. 7.6 Register Maps
      1. 7.6.1   Register R0 (offset = 00h) [reset = 221Ch]
        1. Table 8. Register R0 Field Descriptions
      2. 7.6.2   Register R1 (offset = 01h) [reset = 0808h]
        1. Table 9. Register R1 Field Descriptions
      3. 7.6.3   Register R2 (offset = 02h) [reset = 0500h]
        1. Table 10. Register R2 Field Descriptions
      4. 7.6.4   Register R3 (offset = 03h) [reset = 0782h]
        1. Table 11. Register R3 Field Descriptions
      5. 7.6.5   Register R4 (offset = 04h) [reset = 0A43h]
        1. Table 12. Register R4 Field Descriptions
      6. 7.6.6   Register R5 (offset = 05h) [reset = 30C8h]
        1. Table 13. Register R5 Field Descriptions
      7. 7.6.7   Register R6 (offset = 06h) [reset = C802h]
        1. Table 14. Register R6 Field Descriptions
      8. 7.6.8   Register R7 (offset = 07h) [reset = 00B2h]
        1. Table 15. Register R7 Field Descriptions
      9. 7.6.9   Register R8 (offset = 08h) [reset = 2000h]
        1. Table 16. Register R8 Field Descriptions
      10. 7.6.10  Register R9 (offset = 09h) [reset = 0004h]
        1. Table 17. Register R9 Field Descriptions
      11. 7.6.11  Register R10 (offset = 0Ah) [reset = 10F8h]
        1. Table 18. Register R10 Field Descriptions
      12. 7.6.12  Register R11 (offset = 0Bh) [reset = B018h]
        1. Table 19. Register R11 Field Descriptions
      13. 7.6.13  Register R12 (offset = 0Ch) [reset = 5001h]
        1. Table 20. Register R12 Field Descriptions
      14. 7.6.14  Register R13 (offset = 0Dh) [reset = 4000h]
        1. Table 21. Register R13 Field Descriptions
      15. 7.6.15  Register R14 (offset = 0Eh) [reset = 1840h]
        1. Table 22. Register R14 Field Descriptions
      16. 7.6.16  Register R15 (offset = 0Fh) [reset = 060Eh]
        1. Table 23. Register R15 Field Descriptions
      17. 7.6.17  Register R16 (offset = 10h) [reset = 0080h]
        1. Table 24. Register R16 Field Descriptions
      18. 7.6.18  Register R17 (offset = 11h) [reset = 0096h]
        1. Table 25. Register R17 Field Descriptions
      19. 7.6.19  Register R18 (offset = 12h) [reset = 0064h]
        1. Table 26. Register R18 Field Descriptions
      20. 7.6.20  Register R19 (offset = 13h) [reset = 27B7h]
        1. Table 27. Register R19 Field Descriptions
      21. 7.6.21  Register R20 (offset = 14h) [reset = 3048h]
        1. Table 28. Register R20 Field Descriptions
      22. 7.6.22  Register R21 (offset = 15h) [reset = 0409h]
        1. Table 29. Register R21 Field Descriptions
      23. 7.6.23  Register R22 (offset = 16h) [reset = 0001h]
        1. Table 30. Register R22 Field Descriptions
      24. 7.6.24  Register R23 (offset = 17h) [reset = 007Ch]
        1. Table 31. Register R23 Field Descriptions
      25. 7.6.25  Register R24 (offset = 18h) [reset = 071Ah]
        1. Table 32. Register R24 Field Descriptions
      26. 7.6.26  Register R25 (offset = 19h) [reset = 0624h]
        1. Table 33. Register R25 Field Descriptions
      27. 7.6.27  Register R26 (offset = 1Ah) [reset = 0808h]
        1. Table 34. Register R26 Field Descriptions
      28. 7.6.28  Register R27 (offset = 1Bh) [reset = 0002h]
        1. Table 35. Register R27 Field Descriptions
      29. 7.6.29  Register R28 (offset = 1Ch) [reset = 0488h]
        1. Table 36. Register R28 Field Descriptions
      30. 7.6.30  Register R29 (offset = 1Dh) [reset = 18C6h]
        1. Table 37. Register R29 Field Descriptions
      31. 7.6.31  Register R30 (offset = 1Eh) [reset = 18C6h]
        1. Table 38. Register R30 Field Descriptions
      32. 7.6.32  Register R31 (offset = 1Fh) [reset = C3E6h]
        1. Table 39. Register R31 Field Descriptions
      33. 7.6.33  Register R32 (offset = 20h) [reset = 05BFh]
        1. Table 40. Register R32 Field Descriptions
      34. 7.6.34  Register R33 (offset = 21h) [reset = 1E01h]
        1. Table 41. Register R33 Field Descriptions
      35. 7.6.35  Register R34 (offset = 22h) [reset = 0010h]
        1. Table 42. Register R34 Field Descriptions
      36. 7.6.36  Register R35 (offset = 23h) [reset = 0004h]
        1. Table 43. Register R35 Field Descriptions
      37. 7.6.37  Register R36 (offset = 24h) [reset = 0028h]
        1. Table 44. Register R36 Field Descriptions
      38. 7.6.38  Register R37 (offset = 25h) [reset = 0205h]
        1. Table 45. Register R37 Field Descriptions
      39. 7.6.39  Register R38 (offset = 26h) [reset = FFFFh]
        1. Table 46. Register R38 Field Descriptions
      40. 7.6.40  Register R39 (offset = 27h) [reset = FFFFh]
        1. Table 47. Register R39 Field Descriptions
      41. 7.6.41  Register R40 (offset = 28h) [reset = 0000h]
        1. Table 48. Register R40 Field Descriptions
      42. 7.6.42  Register R41 (offset = 29h) [reset = 0000h]
        1. Table 49. Register R41 Field Descriptions
      43. 7.6.43  Register R42 (offset = 2Ah) [reset = 0000h]
        1. Table 50. Register R42 Field Descriptions
      44. 7.6.44  Register R43 (offset = 2Bh) [reset = 0000h]
        1. Table 51. Register R43 Field Descriptions
      45. 7.6.45  Register R44 (offset = 2Ch) [reset = 22A2h]
        1. Table 52. Register R44 Field Descriptions
      46. 7.6.46  Register R45 (offset = 2Dh) [reset = C622h]
        1. Table 53. Register R45 Field Descriptions
      47. 7.6.47  Register R46 (offset = 2Eh) [reset = 07F0h]
        1. Table 54. Register R46 Field Descriptions
      48. 7.6.48  Register R47 (offset = 2Fh) [reset = 0300h]
        1. Table 55. Register R47 Field Descriptions
      49. 7.6.49  Register R48 (offset = 30h) [reset = 03E0h]
        1. Table 56. Register R48 Field Descriptions
      50. 7.6.50  Register R49 (offset = 31h) [reset = 4180h]
        1. Table 57. Register R49 Field Descriptions
      51. 7.6.51  Register R50 (offset = 32h) [reset = 0080h]
        1. Table 58. Register R50 Field Descriptions
      52. 7.6.52  Register R51 (offset = 33h) [reset = 0080h]
        1. Table 59. Register R51 Field Descriptions
      53. 7.6.53  Register R52 (offset = 34h) [reset = 0420h]
        1. Table 60. Register R52 Field Descriptions
      54. 7.6.54  Register R53 (offset = 35h) [reset = 0000h]
        1. Table 61. Register R53 Field Descriptions
      55. 7.6.55  Register R54 (offset = 36h) [reset = 0000h]
        1. Table 62. Register R54 Field Descriptions
      56. 7.6.56  Register R55 (offset = 37h) [reset = 0000h]
        1. Table 63. Register R55 Field Descriptions
      57. 7.6.57  Register R56 (offset = 38h) [reset = 0000h]
        1. Table 64. Register R56 Field Descriptions
      58. 7.6.58  Register R57 (offset = 39h) [reset = 0000h]
        1. Table 65. Register R57 Field Descriptions
      59. 7.6.59  Register R58 (offset = 3Ah) [reset = 8001h]
        1. Table 66. Register R58 Field Descriptions
      60. 7.6.60  Register R59 (offset = 3Bh) [reset = 0001h]
        1. Table 67. Register R59 Field Descriptions
      61. 7.6.61  Register R60 (offset = 3Ch) [reset = 03E8h]
        1. Table 68. Register R60 Field Descriptions
      62. 7.6.62  Register R61 (offset = 3Dh) [reset = 00A8h]
        1. Table 69. Register R61 Field Descriptions
      63. 7.6.63  Register R62 (offset = 3Eh) [reset = 00AFh]
        1. Table 70. Register R62 Field Descriptions
      64. 7.6.64  Register R63 (offset = 3Fh) [reset = 0000h]
        1. Table 71. Register R63 Field Descriptions
      65. 7.6.65  Register R64 (offset = 40h) [reset = 1388h]
        1. Table 72. Register R64 Field Descriptions
      66. 7.6.66  Register R65 (offset = 41h) [reset = 0000h]
        1. Table 73. Register R65 Field Descriptions
      67. 7.6.67  Register R66 (offset = 42h) [reset = 01F4h]
        1. Table 74. Register R66 Field Descriptions
      68. 7.6.68  Register R67 (offset = 43h) [reset = 0000h]
        1. Table 75. Register R67 Field Descriptions
      69. 7.6.69  Register R68 (offset = 44h) [reset = 03E8h]
        1. Table 76. Register R68 Field Descriptions
      70. 7.6.70  Register R69 (offset = 45h) [reset = 0000h]
        1. Table 77. Register R69 Field Descriptions
      71. 7.6.71  Register R70 (offset = 46h) [reset = C350h]
        1. Table 78. Register R70 Field Descriptions
      72. 7.6.72  Register R71 (offset = 47h) [reset = 0080h]
        1. Table 79. Register R71 Field Descriptions
      73. 7.6.73  Register R72 (offset = 48h) [reset = 0001h]
        1. Table 80. Register R72 Field Descriptions
      74. 7.6.74  Register R73 (offset = 49h) [reset = 003Fh]
        1. Table 81. Register R73 Field Descriptions
      75. 7.6.75  Register R74 (offset = 4Ah) [reset = 0000h]
        1. Table 82. Register R74 Field Descriptions
      76. 7.6.76  Register R75 (offset = 4Bh) [reset = 0800h]
        1. Table 83. Register R75 Field Descriptions
      77. 7.6.77  Register R76 (offset = 4Ch) [reset = 000Ch]
        1. Table 84. Register R76 Field Descriptions
      78. 7.6.78  Register R77 (offset = 4Dh) [reset = 0000h]
        1. Table 85. Register R77 Field Descriptions
      79. 7.6.79  Register R78 (offset = 4Eh) [reset = 0064h]
        1. Table 86. Register R78 Field Descriptions
      80. 7.6.80  Register R79 (offset = 4Fh) [reset = 0000h]
        1. Table 87. Register R79 Field Descriptions
      81. 7.6.81  Register R80 (offset = 50h) [reset = 0000h]
        1. Table 88. Register R80 Field Descriptions
      82. 7.6.82  Register R81 (offset = 51h) [reset = 0000h]
        1. Table 89. Register R81 Field Descriptions
      83. 7.6.83  Register R82 (offset = 52h) [reset = 0000h]
        1. Table 90. Register R82 Field Descriptions
      84. 7.6.84  Register R83 (offset = 53h) [reset = 0000h]
        1. Table 91. Register R83 Field Descriptions
      85. 7.6.85  Register R84 (offset = 54h) [reset = 0000h]
        1. Table 92. Register R84 Field Descriptions
      86. 7.6.86  Register R85 (offset = 55h) [reset = 0000h]
        1. Table 93. Register R85 Field Descriptions
      87. 7.6.87  Register R86 (offset = 56h) [reset = 0000h]
        1. Table 94. Register R86 Field Descriptions
      88. 7.6.88  Register R87 (offset = 57h) [reset = 0000h]
        1. Table 95. Register R87 Field Descriptions
      89. 7.6.89  Register R88 (offset = 58h) [reset = 0000h]
        1. Table 96. Register R88 Field Descriptions
      90. 7.6.90  Register R89 (offset = 59h) [reset = 0000h]
        1. Table 97. Register R89 Field Descriptions
      91. 7.6.91  Register R90 (offset = 5Ah) [reset = 0000h]
        1. Table 98. Register R90 Field Descriptions
      92. 7.6.92  Register R91 (offset = 5Bh) [reset = 0000h]
        1. Table 99. Register R91 Field Descriptions
      93. 7.6.93  Register R92 (offset = 5Ch) [reset = 0000h]
        1. Table 100. Register R92 Field Descriptions
      94. 7.6.94  Register R93 (offset = 5Dh) [reset = 0000h]
        1. Table 101. Register R93 Field Descriptions
      95. 7.6.95  Register R94 (offset = 5Eh) [reset = 0000h]
        1. Table 102. Register R94 Field Descriptions
      96. 7.6.96  Register R95 (offset = 5Fh) [reset = 0000h]
        1. Table 103. Register R95 Field Descriptions
      97. 7.6.97  Register R96 (offset = 60h) [reset = 0000h]
        1. Table 104. Register R96 Field Descriptions
      98. 7.6.98  Register R97 (offset = 61h) [reset = 0000h]
        1. Table 105. Register R97 Field Descriptions
      99. 7.6.99  Register R98 (offset = 62h) [reset = 0000h]
        1. Table 106. Register R98 Field Descriptions
      100. 7.6.100 Register R99 (offset = 63h) [reset = 0000h]
        1. Table 107. Register R99 Field Descriptions
      101. 7.6.101 Register R100 (offset = 64h) [reset = 0000h]
        1. Table 108. Register R100 Field Descriptions
      102. 7.6.102 Register R101 (offset = 65h) [reset = 0000h]
        1. Table 109. Register R101 Field Descriptions
      103. 7.6.103 Register R102 (offset = 66h) [reset = 0000h]
        1. Table 110. Register R102 Field Descriptions
      104. 7.6.104 Register R103 (offset = 67h) [reset = 0000h]
        1. Table 111. Register R103 Field Descriptions
      105. 7.6.105 Register R104 (offset = 68h) [reset = 0000h]
        1. Table 112. Register R104 Field Descriptions
      106. 7.6.106 Register R105 (offset = 69h) [reset = 4440h]
        1. Table 113. Register R105 Field Descriptions
      107. 7.6.107 Register R106 (offset = 6Ah) [reset = 0007h]
        1. Table 114. Register R106 Field Descriptions
      108. 7.6.108 Register R107 (offset = 6Bh) [reset = 0000h]
        1. Table 115. Register R107 Field Descriptions
      109. 7.6.109 Register R108 (offset = 6Ch) [reset = 0000h]
        1. Table 116. Register R108 Field Descriptions
      110. 7.6.110 Register R109 (offset = 6Dh) [reset = 0000h]
        1. Table 117. Register R109 Field Descriptions
      111. 7.6.111 Register R110 (offset = 6Eh) [reset = 0000h]
        1. Table 118. Register R110 Field Descriptions
      112. 7.6.112 Register R111 (offset = 6Fh) [reset = 0000h]
        1. Table 119. Register R111 Field Descriptions
      113. 7.6.113 Register R112 (offset = 70h) [reset = 0000h]
        1. Table 120. Register R112 Field Descriptions
      114. 7.6.114 Register R113 (offset = 71h) [reset = 0000h]
        1. Table 121. Register R113 Field Descriptions
      115. 7.6.115 Register R114 (offset = 72h) [reset = 7800h]
        1. Table 122. Register R114 Field Descriptions
      116. 7.6.116 Register R115 (offset = 73h) [reset = 0000h]
        1. Table 123. Register R115 Field Descriptions
      117. 7.6.117 Register R116 (offset = 74h) [reset = 0000h]
        1. Table 124. Register R116 Field Descriptions
      118. 7.6.118 Register R117 (offset = 75h) [reset = 0000h]
        1. Table 125. Register R117 Field Descriptions
      119. 7.6.119 Register R118 (offset = 76h) [reset = 0000h]
        1. Table 126. Register R118 Field Descriptions
      120. 7.6.120 Register R119 (offset = 77h) [reset = 0000h]
        1. Table 127. Register R119 Field Descriptions
      121. 7.6.121 Register R120 (offset = 78h) [reset = 0000h]
        1. Table 128. Register R120 Field Descriptions
      122. 7.6.122 Register R121 (offset = 79h) [reset = 0000h]
        1. Table 129. Register R121 Field Descriptions
      123. 7.6.123 Register R122 (offset = 7Ah) [reset = 0000h]
        1. Table 130. Register R122 Field Descriptions
      124. 7.6.124 Register R123 (offset = 7Bh) [reset = 0000h]
        1. Table 131. Register R123 Field Descriptions
      125. 7.6.125 Register R124 (offset = 7Ch) [reset = 0000h]
        1. Table 132. Register R124 Field Descriptions
      126. 7.6.126 Register R125 (offset = 7Dh) [reset = 2288h]
        1. Table 133. Register R125 Field Descriptions
  8. Application and Implementation
    1. 8.1 Application Information
      1. 8.1.1  OSCin Configuration
      2. 8.1.2  OSCin Slew Rate
      3. 8.1.3  VCO Gain
      4. 8.1.4  VCO Calibration
        1. 8.1.4.1 Partial Assist
        2. 8.1.4.2 Close Frequency Assist
        3. 8.1.4.3 Full Assist
      5. 8.1.5  Output Buffer Control
        1. 8.1.5.1 Output Power
        2. 8.1.5.2 Power-Up Response
        3. 8.1.5.3 Unused Output Pin
      6. 8.1.6  Application for SYNC
      7. 8.1.7  Application for Ramp
        1. 8.1.7.1 Manual Ramping Mode
        2. 8.1.7.2 Automatic Ramping Mode
      8. 8.1.8  Application for SYSREF
        1. 8.1.8.1 Driving SysRefReq Pin With Differential Signal
        2. 8.1.8.2 SYSREF Output
      9. 8.1.9  Application for FSK
      10. 8.1.10 Unused Pins
      11. 8.1.11 External Loop Filter
      12. 8.1.12 Power-Up, Wake-Up Time
    2. 8.2 Typical Application
      1. 8.2.1 Design Requirements
      2. 8.2.2 Detailed Design Procedure
      3. 8.2.3 Application Curves
    3. 8.3 Do's and Don'ts
  9. Power Supply Recommendations
  10. 10Layout
    1. 10.1 Layout Guidelines
    2. 10.2 Layout Example
  11. 11器件和文档支持
    1. 11.1 器件支持
      1. 11.1.1 开发支持
    2. 11.2 文档支持
      1. 11.2.1 相关文档
    3. 11.3 接收文档更新通知
    4. 11.4 社区资源
    5. 11.5 商标
    6. 11.6 静电放电警告
    7. 11.7 术语表
  12. 12机械、封装和可订购信息

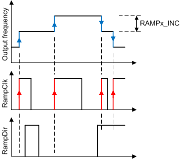
Manual Ramping Mode

Manual ramping is enabled when the user sets RAMP_EN = 1 and RAMP_MANUAL = 1. In this mode, the ramp is clocked by the rising edges applied to the RampClk pin. The size of the frequency change is defined by RAMP0_INC and RAMP1_INC. If a LOW is seen at the RampDir pin on the rising edge of RampClk, the output frequency will be incremented by RAMP0_INC. On the contrary, the output frequency will be incremented by RAMP1_INC if a HIGH is captured. If a rising edge is seen on the RampClk pin while the VCO is calibrating, then this rising edge is ignored. The frequency for the RampClk must be limited to a frequency of 250 kHz or less, and the rising edge of the RampDir signal must be targeted to the falling edge of the RampClk pin. The necessary register fields for use in manual ramping mode are shown in Table 138.

Table 138. Manual Ramping Mode Programming

REGISTER FIELD VALUE DESCRIPTION
RAMP_EN 1 = Enable ramp Set this bit to 1 to enable frequency ramping.
RAMP_MANUAL 1 = Manual ramping mode To select manual ramping mode, set this bit to 1.
RAMP_LIMIT_HIGH Greater than the highest VCO ramp frequency This sets the upper ramp limit that the ramp cannot go above. Suppose fHigh is this frequency and fStart is the starting VCO ramp frequency, then, for fHigh > fStart,
RAMP_LIMIT_HIGH = 224 × (fHigh – fStart) / fPD
RAMP_LIMIT_LOW Smaller than the lowest VCO ramp frequency This sets the lower ramp limit that the ramp cannot go below. Suppose fLow is this frequency and fStart is the starting VCO ramp frequency, then, for fStart > fLow,
RAMP_LIMIT_LOW = 233 – 224 × (fStart – fLow) / fPD
RAMP0_INC
RAMP1_INC
Equal to the ramp size Suppose the ramp size is Δf, then
RAMPx_INC = (Δf / fPD) × 224 or = 230 – (Δf / fPD) × 224 if Δf is a negative number.
RAMP_THRESH Suggest less than 50 MHz If the amount of frequency ramp exceeds this threshold, a VCO calibration will be initiated. For example, if the ramp size is 50 MHz while this threshold is 30 MHz, then VCO calibration will be executed every time it ramps. Suppose the threshold frequency is fTH, then
RAMP_THRESH = (fTH / fPD) × 224
RAMP_TRIGA
RAMP_TRIGB
1 = RampClk rising edge trigger In manual ramping mode, the ramp is triggered by the rising edges applied to the RampClk pin.
Either RAMP_TRIGA or RAMP_TRIGB can be selected as the trigger source for the next ramp.
RAMP0_NEXT_TRIG
RAMP1_NEXT_TRIG
Equal to the selected RAMP_TRIGx These fields define what triggers the next ramp. They must be set to the same trigger source selected above.
LMX2572 Ramp-2-SNAS740.gifFigure 172. Manual Ramp Waveform