ZHCAFZ7 November   2025 INA190

 

  1.   1
  2.   摘要
  3.   商标
  4. 1简介
  5. 2模拟与布局最佳实践
  6. 3结果
  7. 4总结
  8. 5辅助
  9. 6参考资料

模拟与布局最佳实践

为说明布局对分流器总压降的影响,我们进行了三项 TINA-TI 模拟,分别对应不同的设计方法。以下部分详细说明了走线几何形状和分流器布局对整体有效分流电压的影响。

整个设计中使用了三个分流电阻器值:270µΩ、300µΩ 和 330µΩ。这些数值的 10% 变化模拟了实际应用中可能遇到的最坏情况下的电阻公差与阻值偏差。之所以选用 µΩ 级电阻器,是为了放大辅助电阻的影响,因为此类电阻的阻抗与分流器本身相当。

以下是 TINA-TI 模拟(图 2-1)所使用的元件与配置的详细列表:

  • 三种方案中均有 20A 电流流经分流器
  • Rsolder_SR 与 Rsolder_ST 分别表示分流器与电阻器焊盘之间、以及分流器与走线之间的焊料电阻
  • Rcu 与 Rtrace 是模拟因铜箔层产生的分流器间电阻的模拟电阻值
  • 输出电压上方的电流源 (Ib) 表示 INA190 的输入偏置电流 (3nA)
  • Rcu(TL)、Rcu(TR)、Rcu(BL)、Rcu(BR) 表示与表面贴装叉式连接器相关的电阻值
  • 采用压控电压源来模拟 INA190 的理想增益级,其增益设定为 200V/V

走线电阻值(10mΩ、20mΩ、30mΩ)是基于 Saturn PCB 设计工具套件的走线电阻率计算得出的长度相关近似值。铜箔电阻的计算基于这一概念:1 oz 铜的方块电阻约为 500µΩ/平方。分流器 图 5-4 两侧各有两个叉式连接器用于向电路供电,因此共可形成五种连接路径,例如右上至右下 (TR-BR)、右上至左下 (TR-BL)、左上至右下 (TL-BR)、左上至左下 (TL-BL) 以及左右上同时连接到左右下(TR,TL 至 BR,BL)。

在复杂的电阻器网络(图 5-5)中,电流流经的总电阻高度依赖于其所选取的具体路径。表 2-1 列出了布局 2 布局 3 的模拟结果,其中包含不同电流路径组合。

表 2-1 电流路径组合
电流路径 布局 2 Vout (mV) 布局 3 Vout (mV)
TL-BR 346.1 399.04
TR-BR 350.03 406.63
TL-BL 342.17 395.2
TR-BL 346.1 399.04
均双向 (TRTL) - 均双向 (BRBL) 346.09 399.02

根据 表 2-1 推导可得,电流流动的最佳组合是 TL-BR、TR-BL均双向。补充材料中的图 5-5 展示了仿真电阻器网络在 PCB 布局中的设计方法。

所有三种布局均采用既定的开尔文检测原理,尤其在低阻值分流电阻器应用中,对精度尤为关键。此外,当 270µΩ、300µΩ 和 330µΩ 的分流电阻并联时,等效电阻为 99.3311(Reffective = 1/((1/270u) + (1/300u) + (1/330u))),因此预期 Vout397.32mV(99.3311µΩ × 20A × 200V/V)。以下三种布局方案旨在使输出值尽可能接近理论预期值。

 布局 1:从最靠近器件的分流器进行开尔文检测图 2-1 布局 1:从最靠近器件的分流器进行开尔文检测

图 2-1 中,检测走线被设计为连接至最靠近器件的分流器。由于检测走线是从大电流路径的远端接入分流电阻器,这会使焊点压降和走线压降被计入有效分流压降。

这是不良布局的典型案例,因其刻意在差分测量路径中引入最大程度的外部寄生电阻,导致输出电压偏移达到最大值 (56.47mV),即实测输出电压与预期输出电压之间的最大差值。

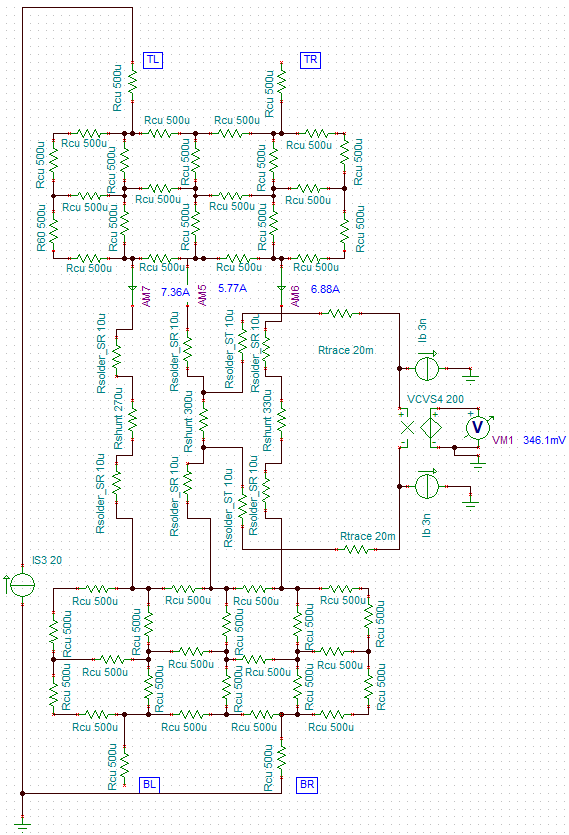
 布局 2:通过中间分流器进行开尔文检测图 2-2 布局 2:通过中间分流器进行开尔文检测

布局 2 的开尔文检测连接点配置在中间分流器上。由于存在阻值低于中间分流器的并联路径,流经中间分流器的电流相对较小 (5.77A)。此外,由于铜箔层提供了多条电流替代路径,而非流经分流器,因此 PCB 铜箔层上的压降将明显大于分流器两端的压降。

因此,从中间分流器进行开尔文检测会导致 51.22mV 的输出电压偏移。

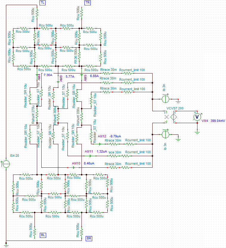
 布局 3:对每个分流器进行开尔文检测(最优布局方案)图 2-3 布局 3:对每个分流器进行开尔文检测(最优布局方案)

布局 3 被视为最佳布局实践,因为每个分流电阻器都具备开尔文连接。独立的开尔文检测线路能有效减小走线寄生电阻和焊点电阻对总有效分流电压的影响。该设计还考虑了三个分流器的压降,因此无论电流如何在电阻器间分配,都能获得精确的输出电压。

此外,当使用多个开尔文连接时,走线可能意外形成低阻抗回路,为杂散电流提供通路。因此,为缓解此问题并保持测量精度,需要在开尔文线路中串联限流电阻器,其阻值应比分流电阻至少大 100 倍。若未配置这些电阻,数百毫安电流将在开尔文检测走线中形成环流,并产生有害热量。若需要更强的环流抑制,可按布局图示使用阻值更大的限流电阻器。这些电阻器还可以使各分流器的电压平均化,从而提高测量精度。需注意,电流限制电阻器可能在输入偏置电流较大的器件中引入误差。

综上所述,这是最佳布局实践,因为在 VM4 测得的有效分流压降最接近计算值 397.32mV