ZHCACO7 may   2023 AFE58JD48 , DAC81001 , DAC8801 , DAC8830 , OPA2210 , REF50 , REF50E , THS4130

 

  1.   1
  2.   摘要
  3.   商标
  4. 1引言
  5. 2建议的拓扑结构
    1. 2.1 建议 1:使用 R-2R DAC (DAC8830)
      1. 2.1.1 重点产品
        1. 2.1.1.1 DAC8830
        2. 2.1.1.2 OPA2210
        3. 2.1.1.3 THS4130
        4. 2.1.1.4 REF5040
      2. 2.1.2 设计电路
      3. 2.1.3 PSpice-TI 仿真
    2. 2.2 建议 2:使用 M-DAC (DAC8801)
      1. 2.2.1 重点产品
        1. 2.2.1.1 DAC8801
        2. 2.2.1.2 OPA2210
        3. 2.2.1.3 THS4130
        4. 2.2.1.4 REF5010
      2. 2.2.2 设计电路
      3. 2.2.3 PSpice-TI 仿真
    3. 2.3 建议 3:使用低噪声 R-2R DAC (DAC81001)
      1. 2.3.1 重点产品
        1. 2.3.1.1 DAC81001
        2. 2.3.1.2 OPA2210
        3. 2.3.1.3 THS4130
        4. 2.3.1.4 REF5010
      2. 2.3.2 设计电路
      3. 2.3.3 PSpice-TI 仿真
  6. 3结论
  7. 4参考

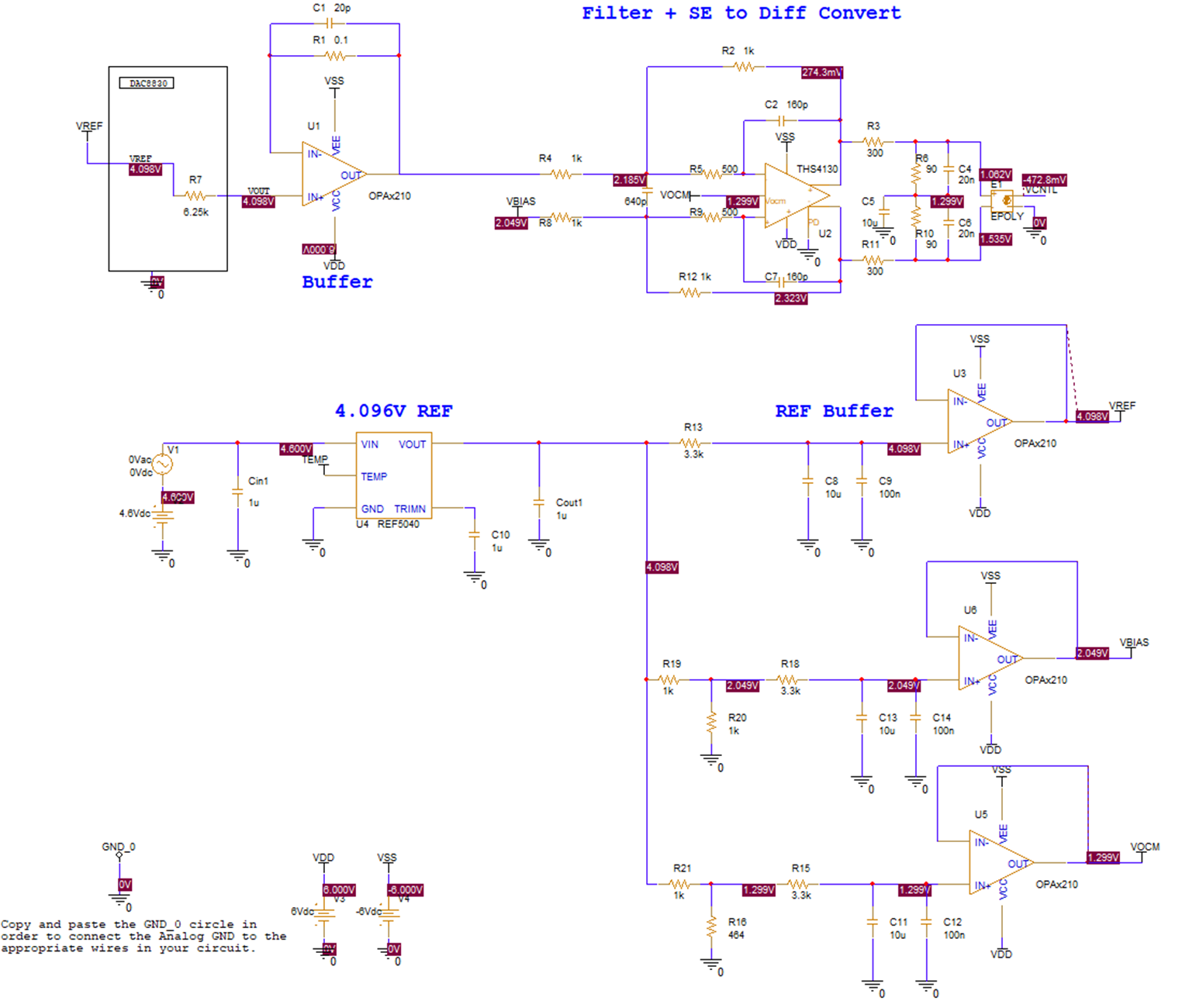
PSpice-TI 仿真

https://www.ti.com 下载相关元件的 PSpice-TI 仿真模型。图 2-3 显示了整个建议 1 电路的 PSpice-TI 仿真。


GUID-FA202C8A-94F8-40A4-BCC7-94CB0EF74F83-low.png

图 2-3 建议 1 VCNTL 驱动电路的 PSpice-TI 仿真

GUID-20221116-SS0I-0CJR-RKT5-0F8QXRPZJNKV-low.png

图 2-4 建议 1 电路的噪声贡献

图 2-4 显示了建议 1 电路的噪声贡献,1kHz 时 4.0811nV/√Hz 的输出噪声表明,此类驱动电路可同时驱动至少 16 个通道。