ZHCAAG9B May   2020  – October 2024 ISO1042 , ISO1042-Q1 , ISO1044 , ISO1050 , ISOW1044

 

  1.   1
  2.   有关隔离式 CAN 总线设计的几大设计问题
  3.   商标
  4. 要隔离 CAN,我需要做什么?
  5. 可使用哪些选项隔离 CAN 总线?
  6. 现在我已有隔离式 CAN 信号路径,该如何产生隔离式电源?
  7. 端接总线背后的原因是什么,我是否需要它,如何才能实现?
  8. 数据表中提到的共模范围和总线关断有什么区别?
  9. 现在我已经处理了端接电阻器,那么在总线侧还需要哪些其他组件?
  10. 连接网络中的隔离式 CAN 节点时,应该如何处理悬空总线侧接地连接?
  11. 我可以运行的最小数据速率是否有限制?网络中可实现的最大数据速率是多少?
  12. CAN 网络中可以连接的最大节点数有限制吗?
  13. 10哪些因素决定了 CAN 网络中的最大通信距离?
  14. 11CANH 到 GND 和 CANL 到 GND 之间可以引入的总线电容最大值是多少?更高的电容会损害器件吗?
  15. 12有没有方法可以延长最大通信距离?
  16. 13什么是残桩长度?与其相关的设计注意事项是什么?
  17. 14当在连接多个节点的网络中进行通信时,我发现 CAN 数据包的某些位与数据包的其余位相比具有更大的差分 CAN 电压。为什么?
  18. 15参考文献
  19. 16修订历史记录

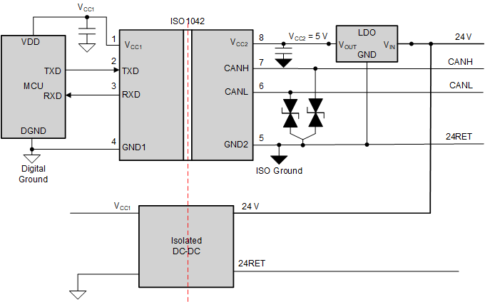
现在我已有隔离式 CAN 信号路径,该如何产生隔离式电源?

有多种选项可用于产生 CAN 节点的隔离式电源。如果现场侧(例如,总线侧)电路需要更多的电源而不仅仅是为 CAN 收发器供电,那么像 TI 的 SN6505B 那样驱动外部变压器的推挽式变压器驱动器便是一种易于使用且成本低的解决方案,如图 3-1 所示。对于空间受限的应用,ISOW1044 了在单个芯片中提供信号隔离、直流/直流转换器和 CAN FD 收发器,以减小解决方案尺寸并简化设计流程,如图 3-2 所示。有时,在某些工业应用(例如 DeviceNet)中,现场侧提供 24V 电源,可按图 3-3 中所示使用。要详细了解此主题,请阅读应用简报如何在隔离式 CAN 系统中隔离信号和电源

 采用推挽式拓扑的隔离式电源产生图 3-1 采用推挽式拓扑的隔离式电源产生
 采用小型 ISOW1044 的隔离信号和电源图 3-2 采用小型 ISOW1044 的隔离信号和电源
 DeviceNet 应用原理图图 3-3 DeviceNet 应用原理图