SSZT476 may   2019 TPS92610-Q1 , TPS92611-Q1 , TPS92612-Q1 , TPS92613-Q1

 

  1.   1
  2.   2
    1.     3
    2.     Discrete Designs Are Simple
    3.     Discrete Designs Are Reliable
    4.     Discrete Designs Are Cheap
    5.     Additional Resources

Kathrina Macalanda

In automotive lighting such as turn lights, brake lights and tail lights, LED circuit designs typically implement discrete components like bipolar junction transistors (BJTs). Discrete components are prominent for a few common reasons: they’re simple, reliable and cheap. Yet as the number of LEDs and project requirements grows, it may be worth reconsidering designing discretely. Let’s explore some common misconceptions.

Discrete Designs Are Simple

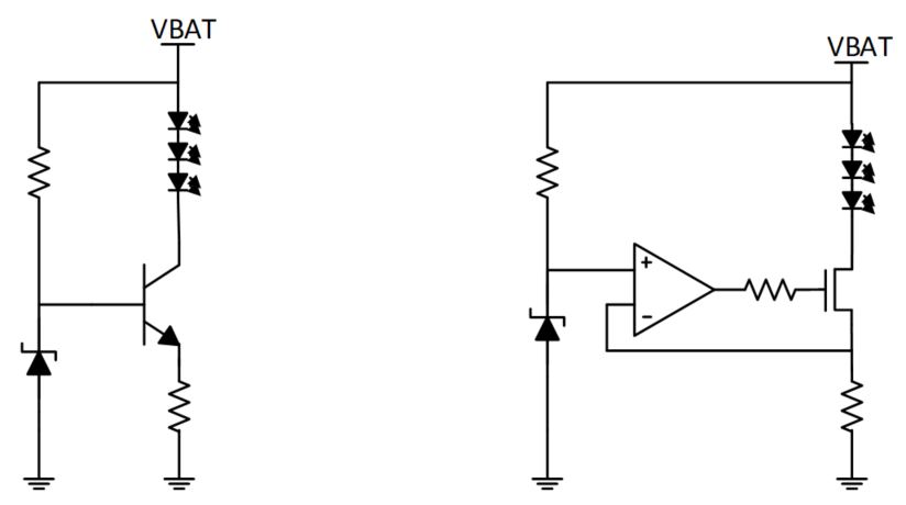
LEDs are current-driven devices. Using a transistor is the simplest way to switch on an LED with a regulated supply of current. These transistor-based circuits serve as fundamental building blocks that can be replicated to drive any number of LED strings across projects, as shown in Figure 1.

GUID-6BCE3986-A51C-4194-A273-3D53531893A7-low.jpg Figure 1 Constant-current Discrete LED Circuits

In projects that have a high LED count or challenging requirements, the circuit design not only looks crowded but also requires complex analysis. Crowded with BJTs to drive multiple LEDs, a rear combination light (RCL) module may include the specifications listed in Table 1.

Table 1 Example RCL Specifications
  Specification Consideration Implementation
Function Same set of LEDs for tail lights and stoplights Adjust brightness levels to indicate mode Analog current or pulse-width modulation (PWM) dimming
Battery supply Nominal: 9 V to 16 V Range: 6 V to 40 V Stable output current while withstanding voltage transients from start/stop, load dump, etc. Constant current output circuit (see Figure 1)
Diagnostics Open circuit Detect fault and implement fault response One-fail-all-fail (OFAF) circuitry

Using a high count of components like the RCL example in Figure 2 increases design and manufacturing risk, and you must carefully analyze the circuit.

GUID-98B83A42-F094-4506-8CE8-3DD66AA4C77C-low.jpg Figure 2 Example Discrete Tail-light and Stoplight Circuit

Discrete Designs Are Reliable

A robust LED circuit design must account for fluctuations in voltage, current and temperature. Once an LED’s forward voltage is reached, current flows; changes in current proportionally change the brightness. However, a small change beyond the forward voltage results in an exponential increase in LED current; too much forward current damages the LED.

You must also analyze power and thermal dissipation. Factors contributing to temperature increases include poor power efficiency from the circuit, duration of the LED’s on time, and/or a warm environment. Poor thermals cause LEDs to consume too much current and thus degrade.

Feedback circuitry to diagnose LED open-circuit or short-circuit failures improves system reliability. While such circuitry adds more components, there are advantages. For example, if an LED breaks within a RCL, then the module’s brightness is no longer compliant with market regulations. The body control module (BCM) may have difficulty distinguishing between a valid LED load and a single open load from a lighting module, as shown in Figure 3. In the event of a broken LED, implementing OFAF circuitry will turn off all LEDs and make it easier to detect an open load. OFAF also prevents further LED degradation.

GUID-C3FB5442-0661-49F1-80E6-0F2DDC2CC29C-low.jpg Figure 3 A BCM Diagnoses Faults from the LED Driving Module

The LED circuit must meet emission and bulk current injection (BCI) immunity standards for electromagnetic compatibility (EMC). If you disregard EMC, the LED driving module could interfere with or be affected by other applications, creating a poor experience for drivers.

Discrete Designs Are Cheap

BJTs are cheap commodity devices. However, when designing with dozens or even hundreds in a LED system, component count and system costs add up. Considering resources spent designing, debugging and assembling, it is possible to save time and money by using an integrated LED driver solution.

Linear LED driver integrated circuits (ICs) range from single channel for general use to multichannel devices for specific functions. As shown in Figure 4, an integrated solution like the TPS92611-Q1 can replace the multiple BJTs and other discrete components from Figure 2’s RCL circuit.

GUID-D63D945B-71D8-4610-A2DC-595B0826261A-low.jpg Figure 4 The TPS92611-Q1 with a Fault Bus Connected for OFAF

In addition to lowering component count and system costs, linear LED drivers deliver a constant-current output with a low dropout voltage, and adjustable brightness via analog current or PWM dimming. Thermal protection and short- and open-circuit diagnostics provide solid performance, and an OFAF fault bus can be connected across devices to ensure system reliability. The TPS92611-Q1 and other linear LED drivers also offer strong EMC performance compared to discrete solutions.

A LED driver IC solution is a cost-effective alternative to discrete circuits, especially in applications with high LED count or complex requirements. With simple designs, reliable performance and cost competiveness, put the brakes on discrete circuits and switch to an integrated linear LED driver today.

Additional Resources