SLVUBT0A June 2020 – January 2021
Figure 5-1 TPS6594EVM 1+1+1+1+1
Configuration, Schematic Page 1
Figure 5-2 TPS6594EVM 1+1+1+1+1
Configuration, Schematic Page 2
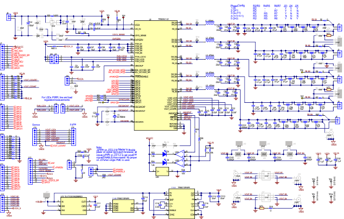
Figure 5-3 TPS6593EVM 1+1+1+1+1
Configuration, Schematic Page 1
Figure 5-4 TPS6593EVM 1+1+1+1+1
Configuration, Schematic Page 2
Figure 5-5 Layout Top, Layer 1
Figure 5-6 Layout Ground, Layer 2
Figure 5-7 Layout Signal, Layer 3
Figure 5-8 Layout Signal, Layer 4
Figure 5-9 Layout Ground, Layer 5
Figure 5-10 Layout Bottom| Designator | Quantity | Value | Description | Package Reference | Part Number |
|---|---|---|---|---|---|
| C2 | 1 | 150 µF | CAP, AL, 150 µF, 35 V, ± 20%, 0.17 Ω, SMD | 8x10 | UUD1V151MNL1GS |
| C4, C5, C6, C8, C10, C11, C12, C13, C15, C81, C85, C86, C88, C91, C96, C97, C109, C111, C115, C116 | 20 | 2.2 µF | CAP, CERM, 2.2 µF, 16 V, ± 20%, X7S, AEC-Q200 Grade 1, 0603 | 0603 | CGA3E1X7S1C225M080AC |
| C7, C18, C19, C20, C21, C22 | 6 | 22 µF | CAP, CERM, 22 µF, 6.3 V, ± 10%, X7R, AEC-Q200 Grade 1, 1206 | 1206 | CGA5L1X7R0J226M160AC |
| C9, C14, C108, C110 | 4 | 0.47 µF | CAP, CERM, 0.47 µF, 10 V,± 10%, X7S, 0402 | 0402 | GCM155C71A474KE36D |
| C23, C34, C35, C37, C38, C39, C40, C41, C42, C43, C44, C93, C99, C100, C106 | 15 | 0.1 µF | CAP, CERM, 0.1 µF, 16 V,± 5%, X7R, AEC-Q200 Grade 1, 0402 | 0402 | GCM155R71C104JA55D |
| C24, C25, C26, C27, C28, C29, C30, C31, C32, C33 | 10 | 47 µF | CAP, CERM, 47 µF, 6.3 V, ± 20%, X7R, 1210 | 1210 | GCM32ER70J476ME19L |
| C36, C47, C58, C69, C78, C114 | 6 | 10 µF | CAP, CERM, 10 µF, 16 V, ± 10%, X7S, AEC-Q200 Grade 1, 0805 | 0805 | CGA4J1X7S1C106K125AC |
| C45, C46, C48, C49, C50, C51, C52, C53, C56, C57 | 10 | Chip Multilayer Ceramic Capacitors for Automotive | 1206 (3216 Metric) | GCM31CD70G476ME | |
| C54, C55, C59, C60, C61, C62, C63, C64, C65, C66 | 10 | 10 µF | CAP, CERM, 10 µF, 4 V,± 20%, 1.6x0.8mm | 1.6x0.8mm | NFM18HC106D0G3 |
| C67, C68, C70, C71, C72, C73, C74, C75, C76, C77, C84 | 11 | 3 Terminals Chip Multilayer Ceramic Capacitor (EMIFIL) | 0402 | NFM15HC105D0G3 | |
| C80, C101, C102, C103, C104, C105 | 6 | 3300pF | CAP, CERM, 3300 pF, 50 V, ± 10%, X7R, 0603 | 0603 | C0603C332K5RACTU |
| C82, C83, C87, C89, C90, C98, C107 | 7 | 0.1 µF | CAP, CERM, 0.1 µF, 16 V, ± 10%, X7R, 0402 | 0402 | GCM155R71C104KA55D |
| C92, C95 | 2 | 12pF | CAP, CERM, 12 pF, 50 V,± 5%, C0G/NP0, AEC-Q200 Grade 1, 0402 | 0402 | GCM1555C1H120JA16J |
| C112, C113 | 2 | 22 µF | CAP, CERM, 22 µF, 6.3 V, ± 20%, X5R, 0603 | 0603 | GRM188R60J226MEA0D |
| D1 | 1 | 10V | Diode, Zener, 10 V, 300 mW, SOD-323 | SOD-323 | MM3Z10VST1G |
| D3, D4, D5, D6 | 4 | Blue | LED, Blue, SMD | BLUE 0603 LED | LB Q39G-L2N2-35-1 |
| H1, H2, H3, H4 | 4 | MACHINE SCREW PAN PHILLIPS 4-40 | 9900 | ||
| H5 | 1 | USB A MALE TO USB C Male | 3021090-01M | ||
| H6, H7, H8, H9 | 4 | SPACER | FC2058-440-A | ||
| J1, J2, J3, J4, J5, J6 | 6 | Terminal Block, 5mm, 2x1, R/A, TH | Terminal Block, 5mm, 2x1, R/A, TH | 1792863 | |
| J7, J8, J9, J10, J11, J15 | 6 | Header, 100mil, 11x1, Gold, TH | 11x1 Header | TSW-111-07-G-S | |
| J12, J13, J14 | 3 | Header, 100mil, 7x1, Gold, TH | 7x1 Header | TSW-107-07-G-S | |
| J18, J19, J20, J21, J26, J30, J37 | 7 | Header, 2.54 mm, 3x1, Gold, TH | Header, 2.54mm, 3x1, TH | 61300311121 | |
| J22 | 1 | Receptacle, 0.5mm, USB TYPE C, R/A, SMT | Receptacle, 0.5mm, USB TYPE C, R/A, SMT | 12401610E4#2A | |
| J27, J28, J29 | 3 | Board-To-Board Connector, Vertical, ESQ Series, 8 Contacts, Receptacle, 2.54 mm, Through Hole | HDR8 | ESQ-108-14-T-S | |
| J45, J46 | 2 | Header, 100mil, 3x1, Gold, SMT | Samtec_TSM-103-01-X-SV | TSM-103-01-L-SV | |
| L1, L2, L3, L4, L5 | 5 | 470nH | Inductor, Thin Film, 470 nH, 5.3 A, 0.021 Ω, AEC-Q200 Grade 0, SMD | TDK Inductor | TFM322512ALMAR47MTAA |
| LBL1 | 1 | PCB Label 0.650 x 0.200 inch | THT-14-423-10 | ||
| Q1 | 1 | 30V | MOSFET, N-CH, 30 V, 27.2 A, AEC-Q101, SO-8FL | SO-8FL | NVMFS4C05NT1G |
| R1, R3, R5, R7, R19, R26, R35, R36, R39, R40, R56, R57, R58, R65, R67, R83, R84, R85, R86, R87, R88, R89, R90, R91, R92 | 25 | 0 | RES, 0, 5%, 0.063 W, AEC-Q200 Grade 0, 0402 | 0402 | RK73Z1ETTP |
| R8, R9, R10, R11, R12, R13, R14, R15, R16, R17, R18, R27, R28, R29, R31, R33, R34, R37, R38, R42, R44, R46, R47, R49, R70, R71, R72, R73, R74, R75, R76, R77, R78, R79, R80, R81, R82, R93, R94, R95 | 40 | 10k | RES, 10 k, 5%, 0.063 W, AEC-Q200 Grade 0, 0402 | 0402 | CRCW040210K0JNED |
| R20, R21, R30 | 3 | 240 | RES, 240, 5%, 0.063 W, AEC-Q200 Grade 0, 0402 | 0402 | CRCW0402240RJNED |
| R22, R23, R24, R50, R59 | 5 | 1.2k | RES, 1.2 k, 5%, 0.063 W, AEC-Q200 Grade 0, 0402 | 0402 | CRCW04021K20JNED |
| R32, R45, R51, R54 | 4 | 100 | RES, 100, 5%, 0.063 W, AEC-Q200 Grade 0, 0402 | 0402 | CRCW0402100RJNED |
| R41, R43, R52 | 3 | 4.87k | RES, 4.87 k, 1%, 0.063 W, AEC-Q200 Grade 0, 0402 | 0402 | CRCW04024K87FKED |
| R48, R55, R60, R68, R69 | 5 | 1.0Meg | RES, 1.0 M, 5%, 0.063 W, AEC-Q200 Grade 0, 0402 | 0402 | CRCW04021M00JNED |
| R53 | 1 | 200k | RES, 200 k, 5%, 0.063 W, 0402 | 0402 | CRCW0402200KJNED |
| R61, R62, R63, R64 | 4 | 1.0k | RES, 1.0 k, 5%, 0.063 W, AEC-Q200 Grade 0, 0402 | 0402 | CRCW04021K00JNED |
| R66 | 1 | 374k | RES, 374 k, 1%, 0.063 W, AEC-Q200 Grade 0, 0402 | 0402 | CRCW0402374KFKED |
| S1 | 1 | Switch, SPST, Off-On, 50 mA,24V, SMD | 6x3.5mm | 147873-1 | |
| SH-J1, SH-J2, SH-J3, SH-J4, SH-J5, SH-J6, SH-J7, SH-J8, SH-J9, SH-J10, SH-J11, SH-J12, SH-J13, SH-J14, SH-J15, SH-J16 | 16 | Shunt, 100mil, Gold plated, Black | Shunt 2 pos. 100 mil | 881545-2 | |
| TP1, TP2 | 2 | Test Point, Miniature, Red, TH | Red Miniature Testpoint | 5000 | |
| TP3, TP4, TP5, TP14 | 4 | Test Lead clips and hooks, SMT | Test Point, Body 3.25x1.65mm | S1751-46 | |
| TP6, TP7, TP8 | 3 | Test Point, Miniature, Yellow, TH | Yellow Miniature Testpoint | 5004 | |
| U1 | 1 | Power Management IC (PMIC) With 4-Phase 14-A Buck for Processors, RVJ0056A (VQFN-56) | RVJ0056A | TPS65941-Q1 | |
| U2 | 1 | AEC-Q100 Quad Comparator, PW0014A (TSSOP-14) | PW0014A | LM2901AVQPWRQ1 | |
| U3 | 1 | MSP432E401YTPDT, PDT0128A (TQFP-128) | PDT0128A | MSP432E401YTPDTR | |
| U4 | 1 | Low-Capacitance 6-Channel ±15 kV ESD Protection Array for High-Speed Data Interfaces, RSE0008A (UQFN-8) | RSE0008A | TPD6E004RSER | |
| U5 | 1 | 4-Channel USB ESD Solution with Power Clamp, DRY0006A (USON-6) | DRY0006A | TPD4S012DRYR | |
| U6, U13 | 2 | Automotive Catalog, Dual, 200mA, Low-IQ Low-Dropout Regulator for Portable Devices, DSE0006A (WSON-6) | DSE0006A | TLV7103318QDSERQ1 | |
| U7, U10 | 2 | 0.5Ω Dual SPDT Bidirectional Analog Switch, RSW0010A (UQFN-10) | RSW0010A | TS3A5223RSWR | |
| U8, U9 | 2 | 8-BIT BIDIRECTIONAL LOW-VOLTAGE TRANSLATOR, PW0020A (TSSOP-20) | PW0020A | SN74GTL2003PWR | |
| U11, U12 | 2 | 10-Ω Quad SPDT Analog Switch, RSV0016A (UQFN-16) | RSV0016A | TS3A5018RSVR | |
| U14 | 1 | 5 V, Boost Charge Pump, 300 mA, 2.7 to 5.4 V Input with Synchonrization pin, -40 to 85 °C, 20-pin SOP (PWP20), Green (RoHS & no Sb/Br) | PWP0020C | TPS60110PWPR | |
| Y1 | 1 | Crystal, 32.768 KHz, 9 pF, AEC-Q200 Grade 1, SMD | 1.5x3.2mm | NX3215SD-STD-MUS-6 | |
| Y2 | 1 | Crystal, 25 MHz, 8pF, SMD | 3.2x0.75x2.5mm | NX3225GA-25.000M-STD-CRG-2 | |
| C1, C94 | 0 | 22 µF | CAP, CERM, 22 µF, 6.3 V, ± 10%, X7R, AEC-Q200 Grade 1, 1206 | 1206 | CGA5L1X7R0J226M160AC |
| C3 | 0 | 47000 µF | CAP, Electric Double Layer, 47000 µF, 5.5 V, +80/-20%, TH | Horizontal D11.5x5mm | DX-5R5H473U |
| C16, C17 | 0 | CAP CER 6PF 50V C0G 0402 | 0402 | GCM1555C1H6R0CA16 | |
| C79 | 0 | 680 µF | CAP, TA, 680 µF, 6.3 V, ± 10%, 0.023 Ω, AEC-Q200 Grade 1, SMD | 7343-40 | T510X687K006AGA023 |
| D2 | 0 | 40V | Diode, Schottky, 40 V, 2 A, SOD-123F | SOD-123F | DB2W40200L |
| FID6 | 0 | Fiducial mark. There is nothing to buy or mount. | N/A | N/A | |
| J16, J17 | 0 | Receptacle, 2.5mm, 3x2, Gold, SMT | Receptacle, 2.5mm, 3x2, SMT | 6651712-1 | |
| J23, J24, J25 | 0 | JUMPER TIN SMD | 6.85x0.97x2.51 mm | S1911-46R | |
| J31 | 0 | Header (Shrouded), 1.27mm, 5x2, Gold, SMT | Header(Shrouded), 1.27mm, 5x2, SMT | FTSH-105-01-F-DV-K | |
| J32, J33, J34, J35, J36 | 0 | SMA Jack, Straight, 50 Ω, Gold, TH | TH, 5-Leads, Body 7x7mm | SMA-J-P-H-ST-TH1 | |
| J39, J40, J41 | 0 | Header, 100mil, 3x1, Gold, SMT | Samtec_TSM-103-01-X-SV | TSM-103-01-L-SV | |
| J42, J43, J44, J47 | 0 | Header, 100mil, 2x1, Tin, SMD | SMD, 2-Leads, Body 200x100mil | TSM-102-01-T-SV-P-TR | |
| R2, R4, R6 | 0 | 0 | RES, 0, 5%, 0.063 W, AEC-Q200 Grade 0, 0402 | 0402 | RK73Z1ETTP |
| R25 | 0 | 0.002 | RES, 0.002, 2%, 1 W, 0508 | 0508 | KRL2012E-M-R002-G-T5 |
| TP9, TP10, TP11, TP12, TP13 | 0 | Test Point, Miniature, Yellow, TH | Yellow Miniature Testpoint | 5004 |
| Designator | Quantity | Value | Description | Package Reference | Part Number |
|---|---|---|---|---|---|
| C2 | 1 | 150 µF | CAP, AL, 150 µF, 35 V, ± 20%, 0.17 Ω, SMD | 8 × 10 | UUD1V151MNL1GS |
| C4, C5, C6, C8, C10, C11, C12, C13, C15, C81, C85, C86, C88, C91, C96, C97, C109, C111, C115, C116 | 20 | 2.2 µF | CAP, CERM, 2.2 µF, 16 V, ± 20%, X7S, AEC-Q200 Grade 1, 0603 | 0603 | CGA3E1X7S1C225M080AC |
| C7, C18, C19, C20, C21, C22 | 6 | 22 µF | CAP, CERM, 22 µF, 6.3 V, ± 10%, X7R, AEC-Q200 Grade 1, 1206 | 1206 | CGA5L1X7R0J226M160AC |
| C9, C14, C108, C110 | 4 | 0.47 µF | CAP, CERM, 0.47 µF, 10 V,± 10%, X7S, 0402 | 0402 | GCM155C71A474KE36D |
| C23, C34, C35, C37, C38, C39, C40, C41, C42, C43, C44, C93, C99, C100, C106 | 15 | 0.1 µF | CAP, CERM, 0.1 µF, 16 V,± 5%, X7R, AEC-Q200 Grade 1, 0402 | 0402 | GCM155R71C104JA55D |
| C24, C25, C26, C27, C28, C29, C30, C31, C32, C33 | 10 | 47 µF | CAP, CERM, 47 µF, 6.3 V, ± 20%, X7R, 1210 | 1210 | GCM32ER70J476ME19L |
| C36, C47, C58, C69, C78, C114 | 6 | 10 µF | CAP, CERM, 10 µF, 16 V, ± 10%, X7S, AEC-Q200 Grade 1, 0805 | 0805 | CGA4J1X7S1C106K125AC |
| C45, C46, C48, C49, C50, C51, C52, C53, C56, C57 | 10 | Chip Multilayer Ceramic Capacitors for Automotive | 1206 (3216 Metric) | GCM31CD70G476ME | |
| C54, C55, C59, C60, C61, C62, C63, C64, C65, C66 | 10 | 10 µF | CAP, CERM, 10 µF, 4 V, ± 20%, 1.6x × 0.8 mm | 1.6 × 0.8 mm | NFM18HC106D0G3 |
| C67, C68, C70, C71, C72, C73, C74, C75, C76, C77, C84 | 11 | 3 Terminals Chip Multilayer Ceramic Capacitor (EMIFIL) | 0402 | NFM15HC105D0G3 | |
| C80, C101, C102, C103, C104, C105 | 6 | 3300pF | CAP, CERM, 3300 pF, 50 V, ± 10%, X7R, 0603 | 0603 | C0603C332K5RACTU |
| C82, C83, C87, C89, C90, C98, C107 | 7 | 0.1 µF | CAP, CERM, 0.1 µF, 16 V, ± 10%, X7R, 0402 | 0402 | GCM155R71C104KA55D |
| C92, C95 | 2 | 12pF | CAP, CERM, 12 pF, 50 V,± 5%, C0G/NP0, AEC-Q200 Grade 1, 0402 | 0402 | GCM1555C1H120JA16J |
| C112, C113 | 2 | 22 µF | CAP, CERM, 22 µF, 6.3 V, ± 20%, X5R, 0603 | 0603 | GRM188R60J226MEA0D |
| D4, D5, D6 | 3 | Blue | LED, Blue, SMD | BLUE 0603 LED | LB Q39G-L2N2-35-1 |
| H1, H2, H3, H4 | 4 | MACHINE SCREW PAN PHILLIPS 4-40 | 9900 | ||
| H5 | 1 | USB A MALE TO USB C Male | 3021090-01M | ||
| H6, H7, H8, H9 | 4 | SPACER | FC2058-440-A | ||
| J1, J2, J3, J4, J5, J6 | 6 | Terminal Block, 5 mm, 2 × 1, R/A, TH | Terminal Block, 5 mm, 2 × 1, R/A, TH | 1792863 | |
| J7, J8, J9, J10, J11, J15 | 6 | Header, 100 mil, 11 × 1, Gold, TH | 11x1 Header | TSW-111-07-G-S | |
| J12, J13, J14 | 3 | Header, 100 mil, 7 × 1, Gold, TH | 7 × 1 Header | TSW-107-07-G-S | |
| J18, J19, J20, J21, J26, J30, J37 | 7 | Header, 2.54 mm, 3 × 1, Gold, TH | Header, 2.54 mm, 3 × 1, TH | 61300311121 | |
| J22 | 1 | Receptacle, 0.5 mm, USB TYPE C, R/A, SMT | Receptacle, 0.5 mm, USB TYPE C, R/A, SMT | 12401610E4#2A | |
| J27, J28, J29 | 3 | Board-To-Board Connector, Vertical, ESQ Series, 8 Contacts, Receptacle, 2.54 mm, Through Hole | HDR8 | ESQ-108-14-T-S | |
| J45, J46 | 2 | Header, 100mil, 3x1, Gold, SMT | Samtec_TSM-103-01-X-SV | TSM-103-01-L-SV | |
| L1, L2, L3, L4, L5 | 5 | 470 nH | Inductor, Thin Film, 470 nH, 5.3 A, 0.021 Ω, AEC-Q200 Grade 0, SMD | TDK Inductor | TFM322512ALMAR47MTAA |
| LBL1 | 1 | PCB Label 0.650 × 0.200 inch | THT-14-423-10 | ||
| R1, R3, R5, R7, R19, R36, R40, R56, R57, R58, R65, R67, R83, R84, R85, R86, R87, R88, R89, R90, R91, R92 | 22 | 0 | RES, 0, 5%, 0.063 W, AEC-Q200 Grade 0, 0402 | 0402 | RK73Z1ETTP |
| R8, R9, R10, R11, R12, R13, R14, R15, R16, R17, R18, R27, R28, R29, R31, R33, R34, R37, R38, R42, R44, R46, R47, R49, R70, R71, R72, R73, R74, R75, R76, R77, R78, R79, R80, R81, R82, R93, R94, R95 | 40 | 10 k | RES, 10 k, 5%, 0.063 W, AEC-Q200 Grade 0, 0402 | 0402 | CRCW040210K0JNED |
| R23, R24, R50, R59 | 4 | 1.2 k | RES, 1.2 k, 5%, 0.063 W, AEC-Q200 Grade 0, 0402 | 0402 | CRCW04021K20JNED |
| R25 | 1 | 0.002 | RES, 0.002, 2%, 1 W, 0508 | 0508 | KRL2012E-M-R002-G-T5 |
| R30 | 1 | 240 | RES, 240, 5%, 0.063 W, AEC-Q200 Grade 0, 0402 | 0402 | CRCW0402240RJNED |
| R32, R45, R51, R54 | 4 | 100 | RES, 100, 5%, 0.063 W, AEC-Q200 Grade 0, 0402 | 0402 | CRCW0402100RJNED |
| R41, R43, R52 | 3 | 4.87 k | RES, 4.87 k, 1%, 0.063 W, AEC-Q200 Grade 0, 0402 | 0402 | CRCW04024K87FKED |
| R48, R55, R60, R68, R69 | 5 | 1.0 Meg | RES, 1.0 M, 5%, 0.063 W, AEC-Q200 Grade 0, 0402 | 0402 | CRCW04021M00JNED |
| R53 | 1 | 200 k | RES, 200 k, 5%, 0.063 W, 0402 | 0402 | CRCW0402200KJNED |
| R61, R62, R63, R64 | 4 | 1.0 k | RES, 1.0 k, 5%, 0.063 W, AEC-Q200 Grade 0, 0402 | 0402 | CRCW04021K00JNED |
| R66 | 1 | 374 k | RES, 374 k, 1%, 0.063 W, AEC-Q200 Grade 0, 0402 | 0402 | CRCW0402374KFKED |
| S1 | 1 | Switch, SPST, Off-On, 50 mA,24V, SMD | 6 × 3.5 mm | 147873-1 | |
| SH-J1, SH-J2, SH-J3, SH-J4, SH-J5, SH-J6, SH-J7, SH-J8, SH-J9, SH-J10, SH-J11, SH-J12, SH-J13, SH-J14, SH-J15, SH-J16 | 16 | Shunt, 100mil, Gold plated, Black | Shunt 2 pos. 100 mil | 881545-2 | |
| TP1, TP2 | 2 | Test Point, Miniature, Red, TH | Red Miniature Testpoint | 5000 | |
| TP3, TP4, TP5, TP14 | 4 | Test Lead clips and hooks, SMT | Test Point, Body 3.25 × 1.65 mm | S1751-46 | |
| TP6, TP7, TP8 | 3 | Test Point, Miniature, Yellow, TH | Yellow Miniature Testpoint | 5004 | |
| U1 | 1 | Power Management IC (PMIC) With 4-Phase 14-A Buck for Processors, RVJ0056A (VQFN-56) | RVJ0056A | TPS65941-Q1 | |
| U2 | 1 | AEC-Q100 Quad Comparator, PW0014A (TSSOP-14) | PW0014A | LM2901AVQPWRQ1 | |
| U3 | 1 | MSP432E401YTPDT, PDT0128A (TQFP-128) | PDT0128A | MSP432E401YTPDTR | |
| U4 | 1 | Low-Capacitance 6-Channel ±15 kV ESD Protection Array for High-Speed Data Interfaces, RSE0008A (UQFN-8) | RSE0008A | TPD6E004RSER | |
| U5 | 1 | 4-Channel USB ESD Solution with Power Clamp, DRY0006A (USON-6) | DRY0006A | TPD4S012DRYR | |
| U6, U13 | 2 | Automotive Catalog, Dual, 200 mA, Low-IQ Low-Dropout Regulator for Portable Devices, DSE0006A (WSON-6) | DSE0006A | TLV7103318QDSERQ1 | |
| U7, U10 | 2 | 0.5Ω Dual SPDT Bidirectional Analog Switch, RSW0010A (UQFN-10) | RSW0010A | TS3A5223RSWR | |
| U8, U9 | 2 | 8-BIT BIDIRECTIONAL LOW-VOLTAGE TRANSLATOR, PW0020A (TSSOP-20) | PW0020A | SN74GTL2003PWR | |
| U11, U12 | 2 | 10 Ω Quad SPDT Analog Switch, RSV0016A (UQFN-16) | RSV0016A | TS3A5018RSVR | |
| U14 | 1 | 5 V, Boost Charge Pump, 300 mA, 2.7 to 5.4 V Input with Synchonrization pin, -40 to 85°C, 20-pin SOP (PWP20), Green (RoHS & no Sb/Br) | PWP0020C | TPS60110PWPR | |
| Y1 | 1 | Crystal, 32.768 KHz, 9 pF, AEC-Q200 Grade 1, SMD | 1.5 × 3.2 mm | NX3215SD-STD-MUS-6 | |
| Y2 | 1 | Crystal, 25 MHz, 8 pF, SMD | 3.2 × 0.75 × 2.5 mm | NX3225GA-25.000M-STD-CRG-2 | |
| C1, C94 | 0 | 22 µF | CAP, CERM, 22 µF, 6.3 V, ± 10%, X7R, AEC-Q200 Grade 1, 1206 | 1206 | CGA5L1X7R0J226M160AC |
| C3 | 0 | 47000 µF | CAP, Electric Double Layer, 47000 µF, 5.5 V, +80/-20%, TH | Horizontal D11.5 × 5 mm | DX-5R5H473U |
| C16, C17 | 0 | CAP CER 6PF 50 V C0G 0402 | 0402 | GCM1555C1H6R0CA16 | |
| C79 | 0 | 680 µF | CAP, TA, 680 µF, 6.3 V, ± 10%, 0.023 Ω, AEC-Q200 Grade 1, SMD | 7343-40 | T510X687K006AGA023 |
| D1 | 0 | 10V | Diode, Zener, 10 V, 300 mW, SOD-323 | SOD-323 | MM3Z10VST1G |
| D2 | 0 | 40V | Diode, Schottky, 40 V, 2 A, SOD-123F | SOD-123F | DB2W40200L |
| D3 | 0 | Blue | LED, Blue, SMD | BLUE 0603 LED | LB Q39G-L2N2-35-1 |
| FID6 | 0 | Fiducial mark. There is nothing to buy or mount. | N/A | N/A | |
| J16, J17 | 0 | Receptacle, 2.5 mm, 3 × 2, Gold, SMT | Receptacle, 2.5 mm, 3 × 2, SMT | 6651712-1 | |
| J23, J24, J25 | 0 | JUMPER TIN SMD | 6.85 × 0.97 × 2.51 mm | S1911-46R | |
| J31 | 0 | Header (Shrouded), 1.27 mm, 5 × 2, Gold, SMT | Header(Shrouded), 1.27 mm, 5 × 2, SMT | FTSH-105-01-F-DV-K | |
| J32, J33, J34, J35, J36 | 0 | SMA Jack, Straight, 50 Ω, Gold, TH | TH, 5-Leads, Body 7 × 7 mm | SMA-J-P-H-ST-TH1 | |
| J39, J40, J41 | 0 | Header, 100 mil, 3 × 1, Gold, SMT | Samtec_TSM-103-01-X-SV | TSM-103-01-L-SV | |
| J42, J43, J44, J47 | 0 | Header, 100 mil, 2 × 1, Tin, SMD | SMD, 2-Leads, Body 200 × 100 mil | TSM-102-01-T-SV-P-TR | |
| Q1 | 0 | 30 V | MOSFET, N-CH, 30 V, 27.2 A, AEC-Q101, SO-8FL | SO-8FL | NVMFS4C05NT1G |
| R2, R4, R6, R26, R35, R39 | 0 | 0 | RES, 0, 5%, 0.063 W, AEC-Q200 Grade 0, 0402 | 0402 | RK73Z1ETTP |
| R20, R21 | 0 | 240 | RES, 240, 5%, 0.063 W, AEC-Q200 Grade 0, 0402 | 0402 | CRCW0402240RJNED |
| R22 | 0 | 1.2 k | RES, 1.2 k, 5%, 0.063 W, AEC-Q200 Grade 0, 0402 | 0402 | CRCW04021K20JNED |
| TP9, TP10, TP11, TP12, TP13 | 0 | Test Point, Miniature, Yellow, TH | Yellow Miniature Testpoint | 5004 |