SLVU728A May   2012  – December 2021 TPS53318 , TPS53319

 

  1. Introduction
    1. 1.1 Typical Applications
    2. 1.2 Features
  2. Electrical Performance Specifications
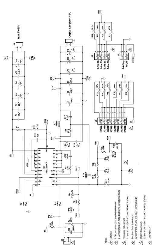
  3. Schematic
  4. Test Setup
    1. 4.1 Test Equipment
    2. 4.2 Recommended Test Setup
  5. Configurations
    1. 5.1 Switching Frequency Selection
    2. 5.2 Soft Start Selection
    3. 5.3 Mode Selection
    4. 5.4 Enable Selection
  6. Test Procedure
    1. 6.1 Line/Load Regulation and Efficiency Measurement Procedure
    2. 6.2 Control Loop Gain and Phase Measurement Procedure
    3. 6.3 List of Test Points
    4. 6.4 Equipment Shutdown
  7. Performance Data and Typical Characteristic Curves
    1. 7.1  Efficiency
    2. 7.2  Load Regulation
    3. 7.3  Line Regulation
    4. 7.4  Enable Turn-On/ Turn-Off
    5. 7.5  Output Ripple
    6. 7.6  Switching Node
    7. 7.7  Output Transient with Auto-skip Mode
    8. 7.8  Output Transient with FCCM mode
    9. 7.9  Output 0.75-V Pre-bias Turn-On
    10. 7.10 Output Overcurrent and Short Circuit Protection
    11. 7.11 Bode plot
    12. 7.12 Thermal Image
  8. EVM Assembly Drawing and PCB Layout
  9. Bill of Materials
  10. 10Revision History

Schematic

GUID-3FF9B138-1871-4B0C-9AC6-1AC92E0AF203-low.gifFigure 3-1 TPS53319EVM-136 Schematic