SLLU325 July   2020  – MONTH  ISO6720-Q1 , ISO6721 , ISO6721-Q1

 

  1.   Trademarks
  2. 1Introduction
  3. 2Overview
  4. 3Pin Configurations of the ISO672x Dual-Channel Digital Isolators
  5. 4ISO6721 Board Block Diagram and Image
  6. 5EVM Setup and Operation
  7. 6Bill of Materials
  8. 7EVM Schematics and Layout

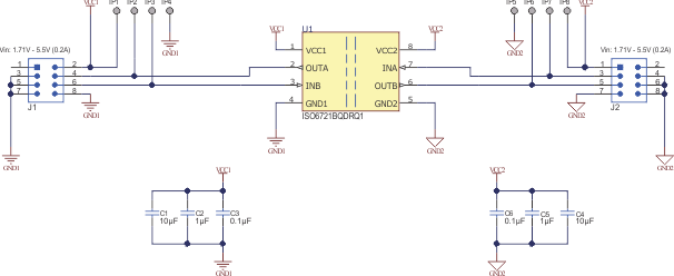
EVM Schematics and Layout

The ISO6721DEVM is designed to accommodate any of the ISO672x dual-channel devices in an 8-pin package. To evaluate any of the ISO672x dual-channel devices in an 8-pin package, replace ISO672x with the device of interest on the ISO6721DEVM PCB. No other component requires any modification. Figure 7-1 shows the ISO672x EVM schematic and Figure 7-2 shows the printed-circuit board (PCB) layout.

GUID-20200711-SS0I-CHFH-PPVV-GGCNXBGBW3X0-low.gifFigure 7-1 ISO6721DEVM EVM Schematic
GUID-54DCCF42-3D93-4E15-B425-2F5F0BED13FC-low.gifFigure 7-2 PCB Layout