SLAA220A November   2004  – August 2018 MSP430F423 , MSP430F423 , MSP430F423A , MSP430F423A , MSP430F425 , MSP430F425 , MSP430F425A , MSP430F425A , MSP430F427 , MSP430F427 , MSP430F427A , MSP430F427A

 

  1.   MSP430F42xA Single-Chip Weight Scale
    1.     Trademarks
    2. 1 Introduction
    3. 2 Hardware Description
    4. 3 Software Description
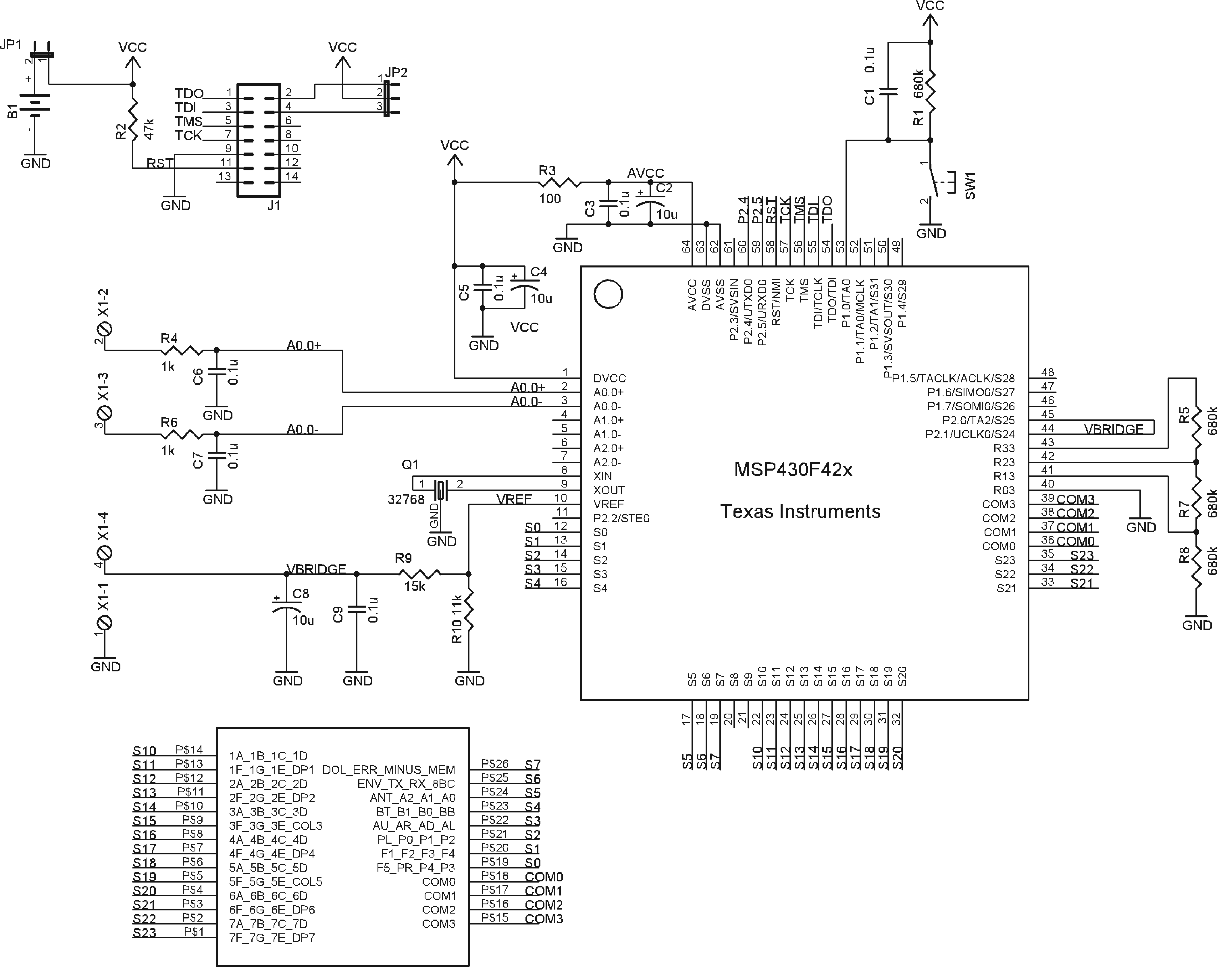
    5. 4 Application Schematic
    6. 5 References
  2.   Revision History

Application Schematic

Figure 4 shows the schematic.

schem_laa220.pngFigure 4. Schematic