SBOU258 March   2021 INA4290

 

  1.   Trademarks
  2. 1General Texas Instruments High Voltage Evaluation (TI HV EVM) User Safety Guidelines
  3. 2Overview
    1. 2.1 EVM Kit Contents
    2. 2.2 Related Documentation From Texas Instruments
  4. 3Hardware
    1. 3.1 Features
  5. 4Operation
    1. 4.1 Quick Start Setup
    2. 4.2 Measurements
  6. 5EVM Components
    1. 5.1 R2_n, R3_n, R4_n, R6_n, R7_n, R8_n, R10_n, R11_n, R14_n, R15_n, C2_n - C9_n
    2. 5.2 C1_An
    3. 5.3 R1_n, R5_n, R9_n, R13_n(Rshunt)
    4. 5.4 U1_n (INA4290)
  7. 6Schematic, PCB Layout, and Bill of Materials
    1. 6.1 Schematics
    2. 6.2 PCB Layout
    3. 6.3 Bill of Materials

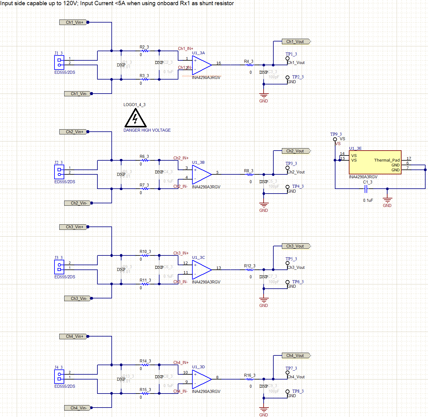
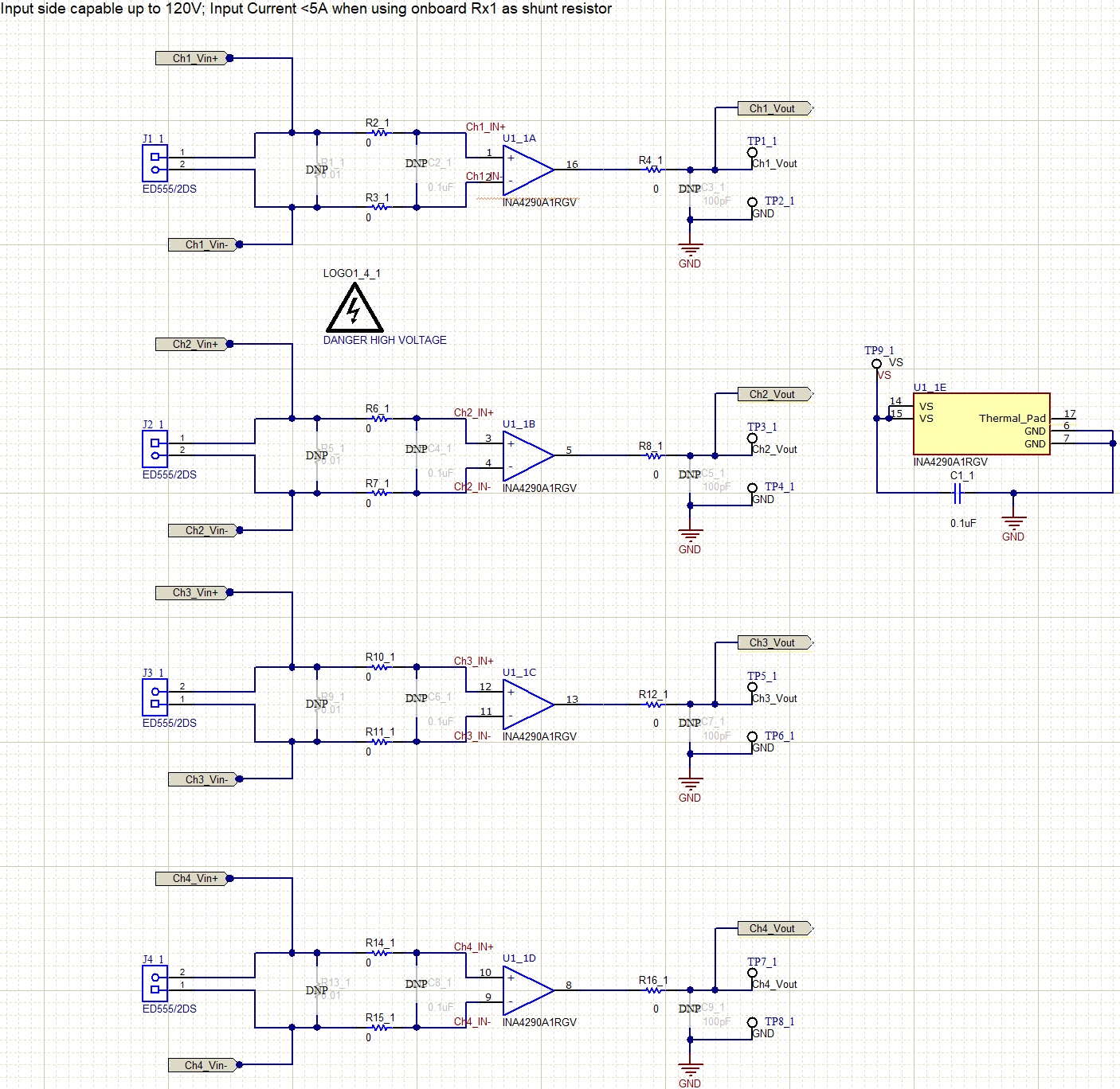
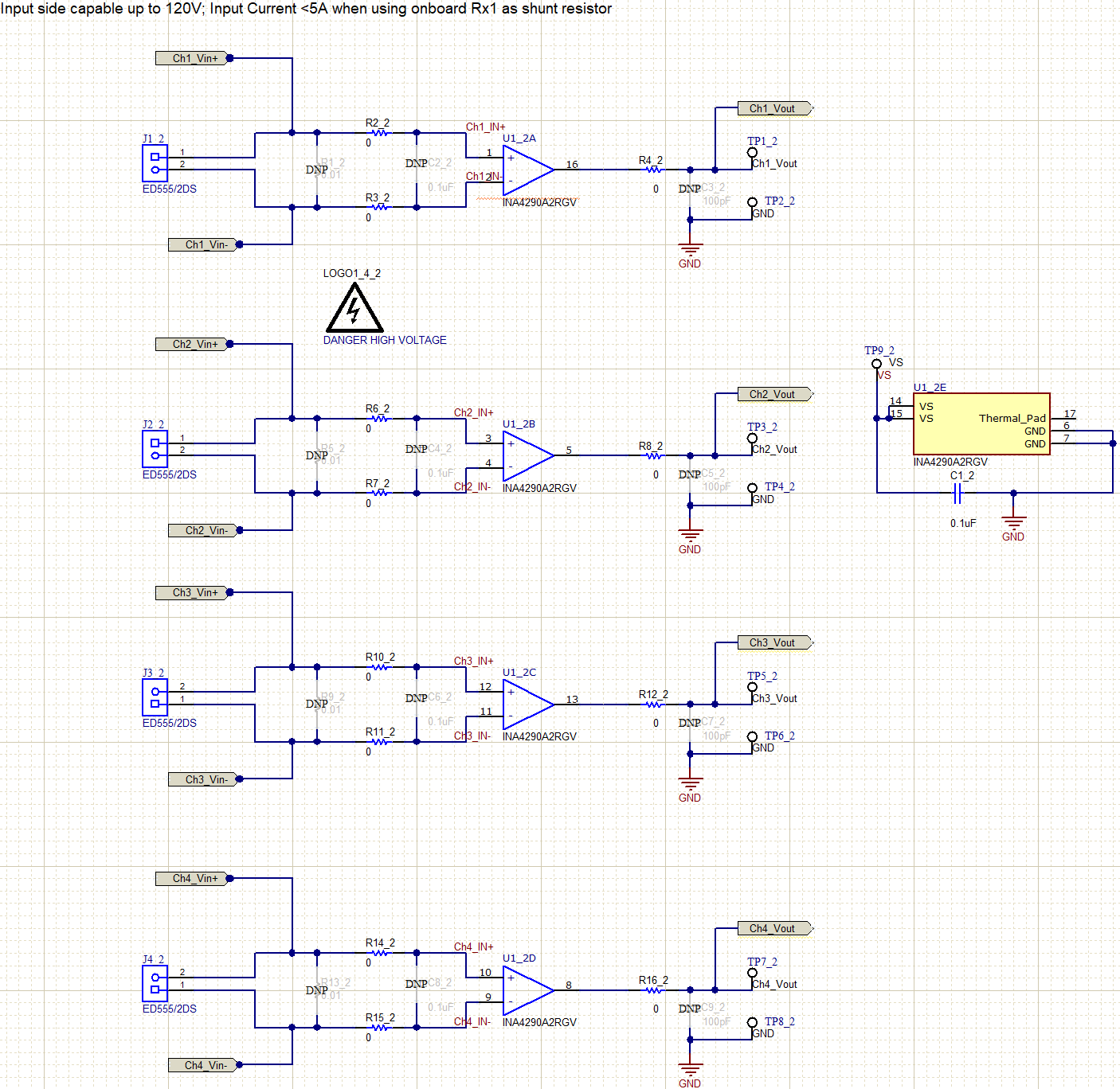
Schematics

Figure 6-1 through Figure 6-5 show the schematics for the A pinout of the INA4290EVM PCB for all gain options.

GUID-20210316-CA0I-VVKG-LKXV-L5WQ4G46K6FJ-low.pngFigure 6-1 INA4290EVM Schematic: Gain A1 Panel
GUID-20210316-CA0I-VZTH-B27P-PZFJLNSTXNFM-low.pngFigure 6-2 INA4290EVM Schematic: Gain A2 Panel
GUID-20210316-CA0I-VZTH-B27P-PZFJLNSTXNFM-low.pngFigure 6-3 INA4290EVM Schematic: Gain A3 Panel
GUID-20210316-CA0I-2GXX-SCRT-JL35912S0WZD-low.pngFigure 6-4 INA4290EVM Schematic: Gain A4 Panel
GUID-20210316-CA0I-CS1R-W8WS-HX1JCCTNXCHZ-low.pngFigure 6-5 INA4290EVM Schematic: Gain A5 Panel