KOKA004B january   2018  – july 2021 LF347 , LF353 , LM348 , MC1458 , TL022 , TL061 , TL062 , TL071 , TL072 , UA741

 

  1.   연산 증폭기 사양에 대한 이해
  2. 1머리말
    1. 1.1 증폭기의 기본 원리
    2. 1.2 이상적인 연산 증폭기 모델
  3. 2비반전 증폭기
    1. 2.1 폐쇄 루프 개념과 간소화
  4. 3반전 증폭기
    1. 3.1 폐쇄 루프 개념과 간소화
  5. 4연산 증폭기 회로 개략도
    1. 4.1 입력 스테이지
    2. 4.2 이차 스테이지
    3. 4.3 출력 스테이지
  6. 5연산 증폭기 사양
    1. 5.1  절대 최대 정격과 권장 동작 조건
    2. 5.2  입력 오프셋 전압
    3. 5.3  입력 전류
    4. 5.4  입력 공통 모드 전압 범위
    5. 5.5  차동 입력 전압 범위
    6. 5.6  최대 출력 전압 스윙
    7. 5.7  대신호 차동 전압 증폭
    8. 5.8  입력 기생 성분
      1. 5.8.1 입력 커패시턴스
      2. 5.8.2 입력 저항
    9. 5.9  출력 임피던스
    10. 5.10 공통 모드 제거비
    11. 5.11 전원 전압 제거비
    12. 5.12 전원 전류
    13. 5.13 단위 이득일 때 slew rate
    14. 5.14 등가 입력 잡음
    15. 5.15 총 고조파 왜곡 + 잡음
    16. 5.16 단위 이득 대역폭과 위상 마진
    17. 5.17 안정화 시간
  7. 6참고 문헌
  8. 7연산 증폭기 용어
  9. 8개정 내역

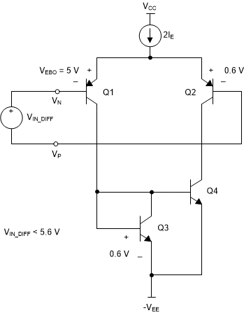
차동 입력 전압 범위

차동 입력 전압 범위는 일반적으로 데이터 시트에 절대 최대값으로 지정됩니다. 그림 5-4은 이것을 보여줍니다.

차동 입력 전압이, 입력 트랜지스터 Q1의 베이스-이미터 역방향 항복 전압에 Q2의 베이스-이미터 순방향 항복 전압을 더한 것보다 크면, Q1의 BE 접합부가 제너 다이오드처럼 동작합니다. 이것은 파괴적인 동작으로서 Q1의 전류 이득을 악화시킵니다. VIN_DIFF가 반전되더라도 마찬가지입니다. 다만 Q2로 항복이 일어납니다.

GUID-80E812E2-DF9C-47F4-AC52-5640F498EAD9-low.gif그림 5-4 차동 모드 전압 입력 한계

일부 디바이스는 보호 기능을 내장하며, 입력으로 공급되는 전류를 제한해야 합니다. 차동 입력 모드 전압 한계는 설계 상의 문제가 되지 않습니다.