KOKA004B january 2018 – july 2021 LF347 , LF353 , LM348 , MC1458 , TL022 , TL061 , TL062 , TL071 , TL072 , UA741
보통 연산 증폭기의 입력에 공통적인 전압이 있습니다. 이 공통 모드 전압이 지나치게 높거나 낮아지는 경우 입력이 차단되고 적절한 작업이 중단됩니다. 공통 모드 입력 전압 범위 VICR은 정상적인 동작을 보장하는 범위를 말합니다.
그림 5-2은 그림 4-1의 연산 증폭기 회로를 사용해서 양의 입력 전압 한계를 보여줍니다. VIN이 VCC - 0.9V보다 높으면, 입력 트랜지스터와 전류 소스가 셧다운합니다.
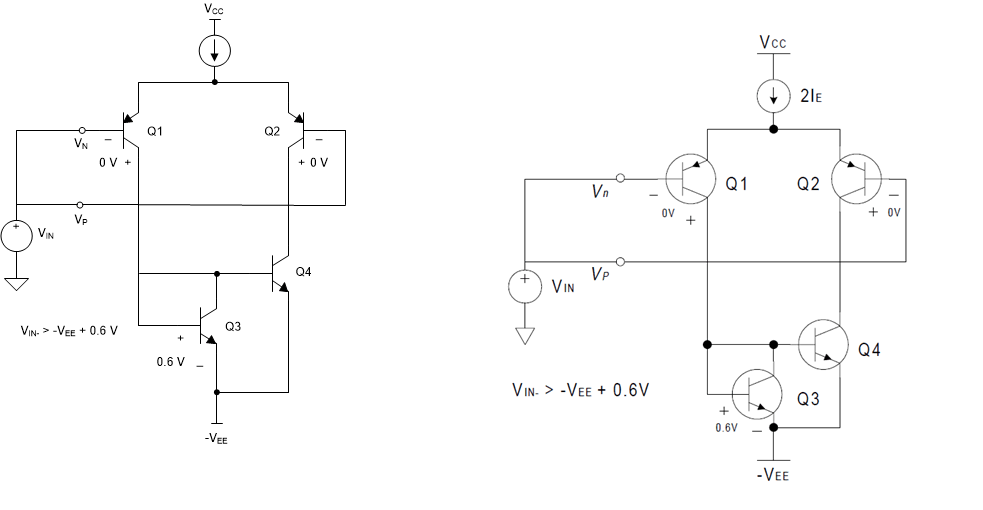
그림 5-2 양의 공통 모드 전압 입력 한계그림 5-3는 그림 4-1의 연산 증폭기 회로를 사용해서 음의 입력 전압 한계를 보여줍니다. VIN이 –VEE + 0.6V보다 낮으면 전류 미러(Q3-Q4)가 셧다운합니다.
그림 5-3 음의 공통 모드 입력 한계위에서 예로 든 것과 같은 구조는 공통 모드 입력 전압으로 어느 쪽 전원 레일이든 포함하는 것을 할 수 없습니다. 다른 방법으로 연산 증폭기 입력을 구축하면 공통 모드 입력 전압 범위가 달라지고 어느 한 쪽이나 양쪽 다의 전원 레일을 포함할 수 있습니다. 다음과 같은 예를 들 수 있습니다(해당 회로도는 Texas Instruments의 참고 자료 Amplifiers, Comparators, and Special Functions에서 볼 수 있습니다).



