ZHCSEL3B November   2015  – January 2016 UCC28881

PRODUCTION DATA.  

  1. 特性
  2. 应用
  3. 说明
  4. 修订历史记录
  5. Device Comparison
  6. Pin Configuration and Functions
  7. Specifications
    1. 7.1 Absolute Maximum Ratings
    2. 7.2 ESD Ratings
    3. 7.3 Recommended Operating Conditions
    4. 7.4 Thermal Information
    5. 7.5 Electrical Characteristics
    6. 7.6 Switching Characteristics
    7. 7.7 Typical Characteristics
  8. Detailed Description
    1. 8.1 Overview
    2. 8.2 Functional Block Diagram
    3. 8.3 Feature Description
    4. 8.4 Device Functional Modes
      1. 8.4.1 Start-Up Operation
      2. 8.4.2 Feedback and Voltage Control Loop
      3. 8.4.3 PWM Controller
      4. 8.4.4 Current Limit
      5. 8.4.5 Inductor Current Runaway Protection
      6. 8.4.6 Over Temperature Protection
  9. Application and Implementation
    1. 9.1 Application Information
    2. 9.2 Typical Application
      1. 9.2.1 13-V, 225-mA High-Side Buck Converter
        1. 9.2.1.1 Design Requirements
        2. 9.2.1.2 Detailed Design Procedure
          1. 9.2.1.2.1 Input Stage (RF, D2, D3, C1, C2, L2)
          2. 9.2.1.2.2 Regulator Capacitor (CVDD)
          3. 9.2.1.2.3 Freewheeling Diode (D1)
          4. 9.2.1.2.4 Output Capacitor (CL)
          5. 9.2.1.2.5 Pre-Load Resistor (RL)
          6. 9.2.1.2.6 Inductor (L1)
          7. 9.2.1.2.7 Feedback Path (CFB, RFB1 and RFB2) and Load Resistor (RL)
        3. 9.2.1.3 Application Curves
      2. 9.2.2 Additional UCC28881 Application Topologies
        1. 9.2.2.1 Low-Side Buck and LED Driver - Direct Feedback (Level Shifted)
        2. 9.2.2.2 High-Side Buck Converter
        3. 9.2.2.3 Non-Isolated, Low-Side Buck-Boost Converter
        4. 9.2.2.4 Non-Isolated, High-Side Buck-Boost Converter
        5. 9.2.2.5 Non-Isolated Flyback Converter
        6. 9.2.2.6 Isolated Flyback Converter
  10. 10Power Supply Recommendations
  11. 11Layout
    1. 11.1 Layout Guidelines
    2. 11.2 Layout Example
  12. 12器件和文档支持
    1. 12.1 器件支持
      1. 12.1.1 Third-Party Products Disclaimer
    2. 12.2 社区资源
    3. 12.3 商标
    4. 12.4 静电放电警告
    5. 12.5 Glossary
  13. 13机械、封装和可订购信息

封装选项

机械数据 (封装 | 引脚)
散热焊盘机械数据 (封装 | 引脚)
订购信息

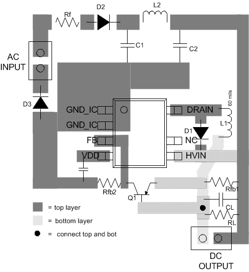
11 Layout

11.1 Layout Guidelines

  • In both buck and buck-boost low-side configurations, the copper area of the switching node DRAIN should be minimized to reduce EMI.
  • Similarly, the copper area of the FB pin should be minimized to reduce coupling to feedback path. Loop CL, Q1, RFB1 should be minimized to reduce coupling to feedback path.
  • In high-side buck and buck boost the GND, VDD and FB pins are all part of the switching node so the copper area connected with these pins should be optimized. Large copper area allows better thermal management, but it causes more common mode EMI noise. Use the minimum copper area that is required to handle the thermal dissipation.
  • Minimum distance between 700-V coated traces is 1.41 mm (60 mils).

11.2 Layout Example

Figure 26 shows and example PCB layout for UCC28881 in low-side buck configuration.

UCC28881 layoutexample_lusc36.gif Figure 26. UCC28881 Layout Example