ZHCSAW2E February   2013  – December 2014 UCC28251

PRODUCTION DATA.  

  1. 特性
  2. 应用
  3. 说明
  4. 修订历史记录
  5. 说明 (续)
  6. Pin Configuration and Functions
  7. Specifications
    1. 7.1 Absolute Maximum Ratings
    2. 7.2 ESD Ratings
    3. 7.3 Recommended Operating Conditions
    4. 7.4 Thermal Information
    5. 7.5 Electrical Characteristics
    6. 7.6 Typical Characteristics
  8. Detailed Description
    1. 8.1 Overview
      1. 8.1.1 UCC28251 Enhancements Over the UCC28250
    2. 8.2 Functional Block Diagram
    3. 8.3 Feature Description
      1. 8.3.1  VDD (5/12)
      2. 8.3.2  VREF (Reference Generator) (20/7)
      3. 8.3.3  EN (Enable Pin) (18/5)
      4. 8.3.4  RT (Oscillator Frequency Set and Synchronization) (15/2)
      5. 8.3.5  SP (Synchronous Rectifier Turn-Off to Primary Output Turn-On Dead Time Programming) (13/19)
      6. 8.3.6  PS (Primary Output Turn-Off to Synchronous Rectifier Turn-On Dead Time Programming) (11/18)
      7. 8.3.7  RAMP/CS (PWM Ramp Input or Current Sense Input) (16/3)
        1. 8.3.7.1 RAMP: Voltage Mode Control With Feed-Forward Operation
        2. 8.3.7.2 CS: Current Mode Control
      8. 8.3.8  REF/EA+ (1/8)
      9. 8.3.9  FB/EA- (2/9)
      10. 8.3.10 COMP (3/10)
      11. 8.3.11 VSENSE (14/1)
      12. 8.3.12 SS (Soft Start Programming Pin) (13/20)
      13. 8.3.13 ILIM (Current Limit for Cycle-by-Cycle Over-Current Protection) (17/4)
      14. 8.3.14 HICC (10/17)
      15. 8.3.15 OVP/OTP (19/6)
      16. 8.3.16 OUTA (9/16) and OUTB (8/15)
      17. 8.3.17 SRA (7/14) and SRB (6/13)
      18. 8.3.18 GND (4/11)
    4. 8.4 Device Functional Modes
  9. Application and Implementation
    1. 9.1 Application Information
      1. 9.1.1 Error Amplifier and PWM Generation
      2. 9.1.2 Prebiased Start Up
        1. 9.1.2.1 Secondary-Side Control
        2. 9.1.2.2 Primary-Side Control
      3. 9.1.3 Voltage Mode Control and Input Voltage Feed-Forward
        1. 9.1.3.1 Condition 1
        2. 9.1.3.2 Condition 2
        3. 9.1.3.3 Condition 3
      4. 9.1.4 Peak Current Mode Control
      5. 9.1.5 Cycle-by-Cycle Current Limit and Hiccup Mode Protection
    2. 9.2 Typical Applications
      1. 9.2.1 Circuit Diagram in Design Example
        1. 9.2.1.1 Design Requirements
        2. 9.2.1.2 Detailed Design Procedure
          1. 9.2.1.2.1 Step 1: Power Stage Design
          2. 9.2.1.2.2 Step 2: Feedback Loop Design
          3. 9.2.1.2.3 Step 3: Programming The Device
            1. 9.2.1.2.3.1 Step 3-1
            2. 9.2.1.2.3.2 Step 3-2: Determine Ramp Resistance and Capacitance
          4. 9.2.1.2.4 Step 3-3: Determine Soft-Start Capacitance
          5. 9.2.1.2.5 Step 3-4: Determine Dead-Time Resistance
          6. 9.2.1.2.6 Step 3-5: Determine OCP Hiccup Off-Time Capacitance
          7. 9.2.1.2.7 Step 3-6: Determine Primary-Side OVP Resistance
          8. 9.2.1.2.8 Step 3-7: Select Capacitance for VDD and VREF
        3. 9.2.1.3 Application Curves
      2. 9.2.2 Secondary-Side Half-Bridge Controller With Synchronous Rectification
  10. 10Power Supply Recommendations
  11. 11Layout
    1. 11.1 Layout Guidelines
    2. 11.2 Layout Example
    3. 11.3 Thermal Protection
  12. 12器件和文档支持
    1. 12.1 文档支持
      1. 12.1.1 相关文档 
    2. 12.2 商标
    3. 12.3 静电放电警告
    4. 12.4 Glossary
  13. 13机械、封装和可订购信息

封装选项

机械数据 (封装 | 引脚)
散热焊盘机械数据 (封装 | 引脚)
订购信息

8 Detailed Description

8.1 Overview

The UCC28251 is a functional variant of the UCC28250 PWM Controller. While the same basic functionality of the UCC28250 is largely maintained, the UCC28251 is designed to operate at a lower frequency (minimum of 27 kHz when programmed by RT pin) allowing operation in 400-V input DC-to-DC converters in off-line AC-to-DC power supplies, where frequency-dependent high-voltage switching losses are an important concern. Various other enhancements, (summarized in Table 1) made in UCC28251 that enhance the performance in both 400-V input and 48-V input full-bridge and half-bridge applications in server telecom power supplies.

8.1.1 UCC28251 Enhancements Over the UCC28250

The UCC28251 is a functional variant of the UCC28250 PWM Controller. While the same basic functionality of the UCC28250 is largely maintained, the UCC28251 is designed to enhance performance in both offline, 400-V input DC-to-DC applications and 48-V input full-bridge or half-bridge applications. The overall improvements that are made in UCC28251 can be summarized in the table below:

Table 1. UCC28251 Improvements

NEW IN UCC28251 UCC28250 ENHANCEMENT
When synchronized to an external frequency source, the minimum switching frequency can be as low as 42 kHz. When programmed by RT resistor, the minimum switching frequency can be as low a 27 kHz. UCC28250 does not allow support frequencies lower than 85 kHz. UCC28251 enables better power efficiency in offline (400 VIN) DC-to-DC converters.
PS and SP delay times are fully independent and maintain their programmed values under all conditions. Whenever OUTA/B turn on time + ps delay is greater than ½ switching cycle time, the PS delay would be clamped (identical) to SP delay. UCC28251 prevents shoot-through between primary and secondary side MOSFETs
EN shut down delay time shortened to ~1.5 µs (typical). UCC28250 EN shutdown time was ~6 µs. UCC28251 enables quicker shut down in offline DC-to-DC applications.
The synchronous rectifier outputs, SRA and SRB, are ensured to follow after the primary outputs and have a minimum 50% duty cycle during startup.
SRA and SRB continue to be active and will only be disabled when UCC28251 is disabled.
The synchronous rectifier duty cycle will be equal to 0 when primary duty cycle is very narrow. This duty cycle loss can increased MOSFET VDS and cause poor reverse recovery. UCC28251 reduces MOSFET stress and enables better reverse recovery.
UCC28251 startup is delayed by 20 µs typical after reaching VDD UVLO. This 20 µs delay provides enough time for SS pin to fully discharge. No delay, immediate startup after UVLO is reached. After startup, if the applied VDD happens to drop below UVLO then rises back up above ULVO very quickly, the UCC28250’s SS pin does not have enough time to discharge. UCC28251 SS pin will fully discharge under VDD brownout conditions.
When OVP is detected, the internal current source now turn on for a minimum of 5 µs typical. This allows the capacitor connected to the OVP pin to be charged up sufficiently. (The internal current source has been changed to 8 µA). In UCC28250, if the OVP comparator is triggered, the internal current source does not turn on for any minimum amount of time. In some cases this may result in the external OVP capacitor not being charged properly. This could result poor voltage hysteresis for OVP protection. (The internal current source is 11 µA). UCC28251 allows over voltage protection to have enough voltage hysteresis.

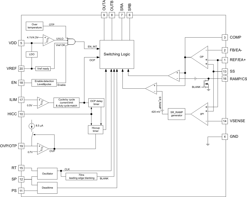
8.2 Functional Block Diagram

UCC28251 block_lusbd8.gif

NOTE

Pin numbers are used for RGP package. PW package has different pin numbers.

8.3 Feature Description

8.3.1 VDD (5/12)

The UCC28251 can be powered up by a wide supply range from 4.3 V (UVLO rising typical) to 20 V (absolute maximum), making it suitable for primary-side control or secondary-side control. When the voltage at the VDD pin is lower than 4.1 V (typical), the controller is in stand-by mode and consumes 150 µA (typical) at 3.6 V VDD. In stand-by mode, VREF continues to be regulated to 3.3 V or follows VDD if VDD is lower than 3.3 V. Please refer to the VREF description for more detailed information. A minimum 1-µF bypass capacitor is required from VDD to ground. Keep the bypass capacitor as close to the device as possible.

8.3.2 VREF (Reference Generator) (20/7)

The VREF pin is regulated at 3.3 V. An external ceramic capacitor must be placed as close as possible to the VREF and GND pins for noise filtering and to provide compensation to the regulator. The capacitance range must be limited between 0.47 µF to 2.2 µF for stability. This reference is used to power the controller’s internal circuits, and can also be used to bias an opto-coupler transistor, an external house-keeping microcontroller, or other peripheral circuits. This reference can also be used to generate the reference for an external error amplifier. This regulator output is internally current limited to 25 mA (typical).

8.3.3 EN (Enable Pin) (18/5)

The following conditions must be met before the controller allows start up:

  1. VDD voltage has been sustained above the rising UVLO threshold 4.3 V (typical);
  2. The 3.3-V reference voltage output at the VREF pin is 2.4 V (typical) for at least 20 us;
  3. Junction temperature is below the thermal shutdown threshold 130°C (minimum);
  4. The voltage at OVP is below 0.7 V (typical).

If all these conditions are met, the signal driving the EN pin is able to initiate the soft start process. Once the device is enabled, the 27-µA internal charging current at the SS pin is turned on and begins to charge the soft-start capacitor. The EN pin can accept both level-enable and pulse-enable signals.

For level-enable, the voltage level on the EN pin needs to be continuously higher than 2.25 V to allow continuous operation. Once the EN pin falls below threshold, the device is disabled after 2 µs (see Figure 21).

UCC28251 fig1_lusa29.gif Figure 21. Level Enable at EN Pin

A pulse signal may also be applied to the EN pin. Pulse-enable operation is shown on Figure 22. If the EN falling edge happens before the SS voltage reaches 0.3 V, the enable signal at EN pin is considered as a pulse. In this case, the next rising edge at EN pin disables the controller. If the falling edge of the first pulse at EN pin happens after SS rises to 0.3 V, the UCC28251 interprets the pulse enable as a level enable, and an external solution as shown on Figure 23 (a) can be used to reduce the pulse width. In this circuit, R2 is used to limit the current (especially the negative current) through the internal ESD cell. Figure 23 (b) illustrates the waveforms based on this solution. To prevent false trigger by noises, the pulse at the EN pin must be at least 2.25 V (minimum) high and 3 µs wide to be considered valid.

Choose the R1, R2, and C values based on the following equations:

Choose R2 based on the current limit requirement of under 0.1 mA .

Equation 1. UCC28251 qu1_lusa29.gif

Choose R1 arbitrarily but much smaller than R2 and choose C1 according to the time constant requirement to generate longer than 3-µs pulse.

Equation 2. UCC28251 qu2_lusa29.gif

If enable function is not used, pull EN pin to VREF.

UCC28251 fig2_lusa29.gif Figure 22. Pulse Enable at EN Pin
UCC28251 fig5_lusbd8.gif Figure 23. An External Solution to Generate Enable Pulses for Pulse Enable

8.3.4 RT (Oscillator Frequency Set and Synchronization) (15/2)

The UCC28251 oscillator frequency is set by an external resistor connected between the RT pin and ground. The oscillator frequency can be set to any value between 50 kHz to 1.4 MHz, which is equivalent to an 25-kHz to 700-kHz switching frequency. Switching frequency selection is a trade-off between efficiency and component size. Based on the selected switching frequency, the programming resistor value can be calculated as:

Equation 3. UCC28251 new_eq_lusbd8.gif

In this equation, fSW is the switching frequency and TD(sp) is the dead time between synchronous rectifier turn-off to primary switch turn-on. TD(sp) is set by an external resistor between the SP pin and ground (refer to the SP pin description).

Each output (OUTA, OUTB, SRA, SRB) switches at half the oscillator frequency (fSW = ½ x fOSC). Figure 24 shows the relationship between RT and fOSC at certain TD(sp) and can be used to program oscillator frequency accordingly.

UCC28251 fig6_lusbd8.png Figure 24. Oscillator Frequency FOSC vs External Resistance of Rt at TD(ps) = 40 ns and 100 ns

The UCC28251 can be synchronized to an external clock by applying an external clock source to the RT pin. Synchronization helps with parallel operation and/or preventing beat frequency noise. The UCC28251 synchronizes its internal oscillator to an external frequency source ranging from 84 kHz to 1.89 MHz, which is equivalent to an 42-kHz to 0.945-MHz switching frequency. The internal oscillator frequency is clamped to 84 kHz during synchronization if the external source frequency drops below 84 kHz.

The UCC28251 aligns the turn-on of primary outputs OUTA and OUTB to the falling edge of the synchronizing signal, as shown in Figure 25. If the frequency source is from the gate outputs of another half bridge controller, interleaving can be achieved. The interleaving angle is determined by the frequency source’s duty cycle. When a 50% duty cycle is applied, optimal interleaving is achieved, and EMI filters can be minimized.

UCC28251 fig4_lusa29.gif Figure 25. Timing Diagram for Synchronization
UCC28251 fig5_lusa29.gif Figure 26. UCC28251 Outputs Timing Waveforms

8.3.5 SP (Synchronous Rectifier Turn-Off to Primary Output Turn-On Dead Time Programming) (13/19)

The dead time TD(sp) between synchronous rectifier turn-off to primary output turn-on is programmed by an external resistor, RSP, connected between the SP pin and ground. The value of RSP can be determined by Figure 27. Zero dead time can be achieved by tying the SP pin to VREF. The falling edge of synchronous rectifier SRA/SRB is aligned with the rising edge of the primary output OUTA/OUTB.

NOTE

The minimum value for RPS and RSP is 5 kΩ and the maximum value is 250 kΩ.

UCC28251 newfig6_lusbd8.gif Figure 27. Dead Time TD(sp) vs. External Resistor RSP at SP Pin

8.3.6 PS (Primary Output Turn-Off to Synchronous Rectifier Turn-On Dead Time Programming) (11/18)

The dead time TD(ps) between primary output turn-off to synchronous rectifier turn-on is set by external resistor, RPS, connected between PS pin and ground. The value of is RPS is defined by Figure 28. Zero dead time can be achieved by tying the SP pin to VREF.

NOTE

The minimum value for RPS and RSP is 5 kΩ and the maximum value is 250 kΩ.

UCC28251 fig7_lusbd8.gif Figure 28. Dead Time TD(ps) vs. External Resistor RPS at PS Pin

8.3.7 RAMP/CS (PWM Ramp Input or Current Sense Input) (16/3)

The UCC28251 can be controlled using either voltage mode or current mode. RAMP/CS is a multi-function pin used either to generate the ramp signal for voltage mode control or to sense current for current mode control.The following sections describe the RAMP/CS functionality for voltage mode and current mode control.

8.3.7.1 RAMP: Voltage Mode Control With Feed-Forward Operation

For voltage mode control, a resistor RCS and a capacitor CCS must be connected to the RAMP/CS pin as shown in Figure 29. The internal pull-down switch has approximately 40-Ω on-resistance. The RAMP/CS pin is clamped internally to not exceed 4 V for internal device protection. The CCS value must be small enough to discharge the RAMP/CS pin from its peak voltage to ground within the pulse width of the BLANK signal (TD(sp) + 70 ns). The following formula derives a CCS value.

Equation 4. UCC28251 qu4_lusbd8.gif

A CCS value less than 650 pF works for most applications. In order to minimize the impacts of parasitic capacitance caused by the PCB layout and routing, a minimum of 100 pF is recommended for CCS. Once CCS is determined, RCS can be calculated according to the desired ramp peak amplitude.

Equation 5. UCC28251 qu5_lusa29.gif

In this equation, the VCHARGE is the voltage used to generate the ramp, VPK is the desired ramp amplitude and the fSW is the switching frequency.

UCC28251 fig11_lusbd8.gif Figure 29. Fixed Ramp Generation/Ramp Generation With Input Voltage Feedforward

Voltage feed-forward can be achieved by driving RCS from line input VIN. The peak of RAMP/CS is proportional to VIN and output will have much faster line transient response. When the UCC28251 is used for the primary-side control, RAMP parameters are critical for the optimal pre-biased start up performance. Refer to the ‘Voltage Mode Control and Input Voltage Feed-Forward’ section of the Functional Description section for a detailed design procedure of choosing RCS.

If the line input cannot be easily accessed due to limited board area or other limitation, a RAMP signal with fixed peak voltage can be implemented by simply driving RCS from 3.3 V VREF (Figure 29).

8.3.7.2 CS: Current Mode Control

For current mode control, the RAMP/CS pin is driven by a signal representative of the transformer primary-side current. The current signal has to have compatible input range of the COMP pin. As shown in Figure 30, the COMP pin voltage is used as the reference for peak current. The primary-side signals OUTA and OUTB are turned on by the internal clock signal and turned off when sensed peak current reaches the COMP pin voltage. Choose the current sense transformer turns ratio (1:n) and the burden resistor value (RB) based on the peak current at maximum load IMAX. Refer to the Functional Description section for more details on the current mode control.

Equation 6. UCC28251 qu7_lusa29.gif
UCC28251 fig10_lusa29.gif Figure 30. Peak Current Mode Control and PWM Generation

8.3.8 REF/EA+ (1/8)

REF/EA+ is the non-inverting input of the UCC28251’s internal error amplifier.

When the UCC28251 is configured for secondary-side control, the internal error amplifier is used as the control loop error amplifier. Connect REF/EA+ directly to the VREF pin to provide the reference voltage for the feedback loop.

When the UCC28251 is configured for primary-side control, the error amplifier is connected as a voltage follower. Connect REF/EA+ to the opto-coupler output.

The voltage range on REF/EA+ pin is 0 V to 3.7 V.

8.3.9 FB/EA– (2/9)

FB/EA- is the inverting input of the UCC28251’s internal error amplifier.

When the UCC28251 is configured for secondary-side control, connect the output voltage sensing divider to this pin. The voltage divider can be selected according to the voltage on REF/EA+ pin. Referring to Figure 32, pick the lower resistor RO1 value arbitrarily, and choose the upper resistor RO2 value as:

Equation 7. UCC28251 qu8_lusa29.gif

Because the control loop gain is affected by voltage divider resistor values, choose an appropriate RO1 value so that the voltage loop DC gain is larger than 40 dB to prevent interference between the primary-side control loop and the SR control loop during start up.

When the UCC28251 is sitting on the primary side, the error amplifier is connected as a voltage follower. Connect FB/EA- directly with COMP pin.

The maximum voltage allowed on FB/EA- pin is 3.7 V.

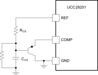
8.3.10 COMP (3/10)

The COMP pin is the internal error amplifier’s output and also the input signal for PWM comparator. The maximum input common voltage of the PWM comparator is 2.8 V. It is suggested to program the peak value of RAMP to be lower than 2.3 V. Otherwise, the voltage of COMP pin should be clamp to be lower than 2.8 V by external circuit in order to make the internal PWM comparator work properly. An external circuit detailed as below is recommended for voltage clamp function. Both the primary-side switches’ duty cycle and secondary-side SRs’ duty cycle is controlled by the COMP pin voltage. At steady state, a higher COMP pin voltage results in a larger duty cycle for the primary-side switches and a smaller duty cycle on the SRs.

When the UCC28251 controller is set up for secondary-side control, connect the compensation network from the FB/EA- pin to the COMP pin.

For primary-side control, the error amplifier is connected as a voltage follower. Directly connect the COMP pin to the FB/EA- pin.

UCC28251 fig13_lusbd8.gif Figure 31. Comp Clamp Circuit

8.3.11 VSENSE (14/1)

The VSENSE pin is used to directly sense the output voltage and to feed it into a transconductance error amplifier. The measured voltage allows the UCC28251 to achieve optimal pre-biased start up performance.

When configured as a secondary-side controller, the output voltage is sensed and fed into the FB/EA- pin. The UCC28251 uses a conventional error amplifier approach to allow type III compensation. Therefore, the FB/EA- pin voltage always follows the REF/EA+ voltage. The FB/EA- pin does not reflect the true output voltage and therefore this dedicated VSENSE pin is required. The voltage divider connected to VSENSE is discussed in the Pre-Biased Start-Up Section.

When UCC28251 is set up as primary-side control, connect VSENSE pin to VREF.

8.3.12 SS (Soft Start Programming Pin) (13/20)

The soft-start circuit gradually increases the converter’s output voltage until steady state operation is reached. This reduces start-up stresses and current surge.

When the UCC28251 reaches its valid operating threshold, the SS pin capacitor is charged with a 27-µA current source. The UCC28251’s internal error amplifier non-inverting terminal follows the SS pin voltage on REF/EA+ pin voltage depending on which one is lower. Hence, during soft start, the SS pin voltage is lower than REF/EA+. The internal error amplifier then uses the SS pin as its reference voltage, until the SS pin voltage rises above the REF/EA+ level. Once the SS pin voltage is above REF/EA+ voltage, soft-start time is considered finished.

The soft-start implementation scheme and timing is different, depending on the location of the UCC28251 with respect to the isolation barrier.

For secondary-side control, the internal error amplifier is used to achieve the voltage regulation. The REF/EA+ is connected to an external reference voltage, FB/EA- is connected to the voltage sensing divider, and the error amplifier’s output pin (COMP) is connected through a compensation filter back to the FB/EA- pin (Figure 32). In this case, the primary output’s start-up is a closed loop soft start (soft-start input reference of error amplifier). The output soft-start time is determined by the external capacitor connected at SS pin based on the internal 27-µA charging current and the voltage set at REF/EA+ pin.

Based on the soft-start time TSS, choose soft start capacitor CSS value as:

Equation 8. UCC28251 qu9_lusa29.gif
UCC28251 fig14_lusbd8.gif Figure 32. Error Amplifier EAMP Connections for Secondary-Side Control

For primary-side control, the internal error amplifier is connected as a buffer stage. In other words, the COMP pin is shorted to the FB/EA- pin, and the output of an external error amplifier is connected to the REF/EA+ pin through an optical coupler (Figure 33). In this case, the output start-up is an open loop soft start because the COMP follows the soft-start voltage instead of the voltage loop output. The soft-start time is still determined by external capacitor CSS and the 27-µA internal charge current. The voltage depends on the value of final COMP voltage which corresponds to the regulated primary output duty cycle. According to the desired soft start time and COMP pin voltage level at steady state, the SS pin capacitor can be calculated as:

Equation 9. UCC28251 qu10_lusa29.gif

After soft start, the voltage at SS pin is eventually clamped at around 4 V. Under fault conditions (UVLO, internal thermal shut down, OVP/OTP, hiccup mode), or when externally disabled, SS pin is pulled down to ground quickly by an internal switch with 2 kΩ on resistance to prepare for re-start. Pulling SS pin to ground externally shuts down the controller as well.

UCC28251 fig15_lusbd8.gif Figure 33. Error Amplifier EAMP Connections for Primary-Side Control

8.3.13 ILIM (Current Limit for Cycle-by-Cycle Over-Current Protection) (17/4)

Cycle-by-cycle current limit is accomplished using the ILIM pin for current mode control or for voltage mode control. The input to the ILIM pin represents the primary current information. If the voltage sensed at ILIM pin exceeds 0.5 V, the current sense comparator terminates the pulse of output OUTA or OUTB. If the high current condition persists, the controller operates in a cycle-by-cycle current limit mode with duty cycle determined by the current sense comparator instead of the PWM comparator. ILIM pin is pulled down by an internal switch when OUTA or OUTB goes low. This internal switch remains on for an additional 70 ns after OUTA or OUTB goes high to blank leading edge transient noise in the current sensing loop. This reduces the filtering requirements at the ILIM pin and improves the current sense response time.

UCC28251 fig16_lusbd8.gif Figure 34. Current Limit Circuit

Once the over current protection level IPK is selected, the current transformer turns ratio and the burden resistor value can be decided as:

Equation 10. UCC28251 qu11_lusa29.gif

In this equation, current transformer turns ratio is 1:n and RS is the burden resistor value.

Some filtering capacitance is required to reduce the sensing noise. Choose the RC constant at about 100 ns, and calculate the capacitor value as:

Equation 11. UCC28251 qu12_lusa29.gif

The cycle-by-cycle current limit operation time before all four outputs shut down can be programmed by external capacitor CHICC at HICC pin. (See HICC pin description)

8.3.14 HICC (10/17)

The cycle-by-cycle current limit operation time before all four outputs shut down can be programmed by an external capacitor CHICC from HICC pin to ground, as shown in Figure 34. Once all four outputs are shutdown, controller goes into hiccup cycle which is about 100 times the cycle-by-cycle current limit shut-down delay time. A 1-mA internal current source charges HICC pin up to 2.4 V, then the HICC pin is discharged by a 2.7-µA internal current source to generate long hiccup restart time until HICC reaches 0.3 V. Based on the system requirement, once the cycle-by-cycle current limit delay time TOC(delay) is selected, the HICC pin capacitor CHICC can be selected based on the equation

Equation 12. UCC28251 qu13_lusa29.gif
UCC28251 fig14_lusa29.gif Figure 35. Cycle-by-Cycle Current Limit Delay Timer and Hiccup Restart Timer

As shown in Figure 35, cycle-by-cycle current limiting shut-down delay time is:

Equation 13. UCC28251 qu14_lusa29.gif

And hiccup-restart-time THICC is equal to:

Equation 14. UCC28251 qu15_lusa29.gif

As soon as the outputs are shut-down, the SS pin is pulled to ground internally until the hiccup restart timer is reset after time duration THICC.

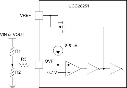
8.3.15 OVP/OTP (19/6)

The OVP/OTP pin provides multiple fault protection functions. If the voltage on the OVP/OTP pin exceeds 0.7 V, a fault shutdown occurs. All outputs stop switching and stay off (low) during the shutdown, and the SS pin is pulled to ground internally. Once the fault condition is cleared (i.e. OVP/OTP voltage drops below 0.7 V), the UCC28251 enters hiccup mode. A soft-start cycle begins after the hiccup cycle is finished. An internal 8.5-µA switched current source is used to create hysteresis.

If the external resistor divider runs from line voltage VIN, a line over voltage protection is implemented.

If the external resistor divider runs from the output voltage, output over voltage fault protection is achieved. Figure 36 shows the over-voltage protection external configuration at the OVP/OTP pin.

According to the protection threshold VR and recovery threshold VF, choose an arbitrary R2 value. To ensure a realistic solution, R2 needs to meet the following:

Equation 15. UCC28251 qu15_lusbd8.gif

The other two resistors, R1 and R3 can be calculated.

Equation 16. UCC28251 qu17_lusa29.gif
Equation 17. UCC28251 qu17_lusbd8.gif

If the external resistor divider runs from 3.3-V VREF, and replaces R2 with a positive temperature coefficient (PTC) thermistor, an over temperature fault protection with programmable hysteresis is accomplished (Figure 37). Choose an arbitrary PTC value, which has a resistance as RPTC1 at protection temperature and resistance as RPTC2 at recovery temperature. Because of its positive temperature coefficient, RPTC1 is larger than RPTC2. To ensure an available solution, RPTC1 and RPTC2 need to meet the criteria.

Equation 18. UCC28251 qu18_lusbd8.gif

And resistors R1 and R3 can be calculated as:

Equation 19. UCC28251 qu20_lusa29.gif
Equation 20. UCC28251 qu20_lusbd8.gif
UCC28251 fig18_lusbd8.gif Figure 36. Overvoltage Protection
UCC28251 fig19_lusbd8.gif Figure 37. Overtemperature Protection

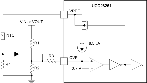
Figure 38 shows an external configuration using the OVP/OTP pin to achieve both overvoltage and overtemperature protection. Follow the same design procedure for the OVP setting to choose R1, R2, and R3. Choose an NTC value at protection temperature much smaller than R1 and with the resistance at protection temperature as RNTC1, and recover temperature as RNTC2. The R4 value can be calculated as:

Equation 21. UCC28251 qu22_lusa29.gif

Because of the interaction between the two voltage dividers, over temperature protection thresholds move slightly with the different input voltages.

UCC28251 fig20_lusbd8.gif Figure 38. Overvoltage and Overtemperature Protection With Single OVP Pin

8.3.16 OUTA (9/16) and OUTB (8/15)

OUTA and OUTB are the primary-side switch control signals. With the 0.2-A peak current capability, an external gate driver is required.

8.3.17 SRA (7/14) and SRB (6/13)

SRA and SRB are the synchronous rectifier control signals. With the 0.2A peak current capability, an external gate driver is required.

8.3.18 GND (4/11)

GND pin is the ground reference for the whole device. Tie all the signal returns to this pin.

8.4 Device Functional Modes

The UCC28251 can be controlled using either voltage mode or current mode. RAMP/CS is a multi-function pin used either to generate the ramp signal for voltage mode control or to sense current for current mode control. Please refer to RAMP/CS (PWM Ramp Input or Current Sense Input) (16/3) for the details.