ZHCSGU0 September   2017 UCC256303

PRODUCTION DATA.  

  1. 特性
  2. 应用
  3. 说明
    1.     简化原理图
  4. 修订历史记录
  5. 引脚配置和功能
    1.     引脚功能
  6. 技术规格
    1. 6.1 绝对最大额定值
    2. 6.2 ESD 额定值
    3. 6.3 建议的工作条件
    4. 6.4 热性能信息
    5. 6.5 电气特性
    6. 6.6 开关特性
    7. 6.7 典型特性
  7. 详细 说明
    1. 7.1 概述
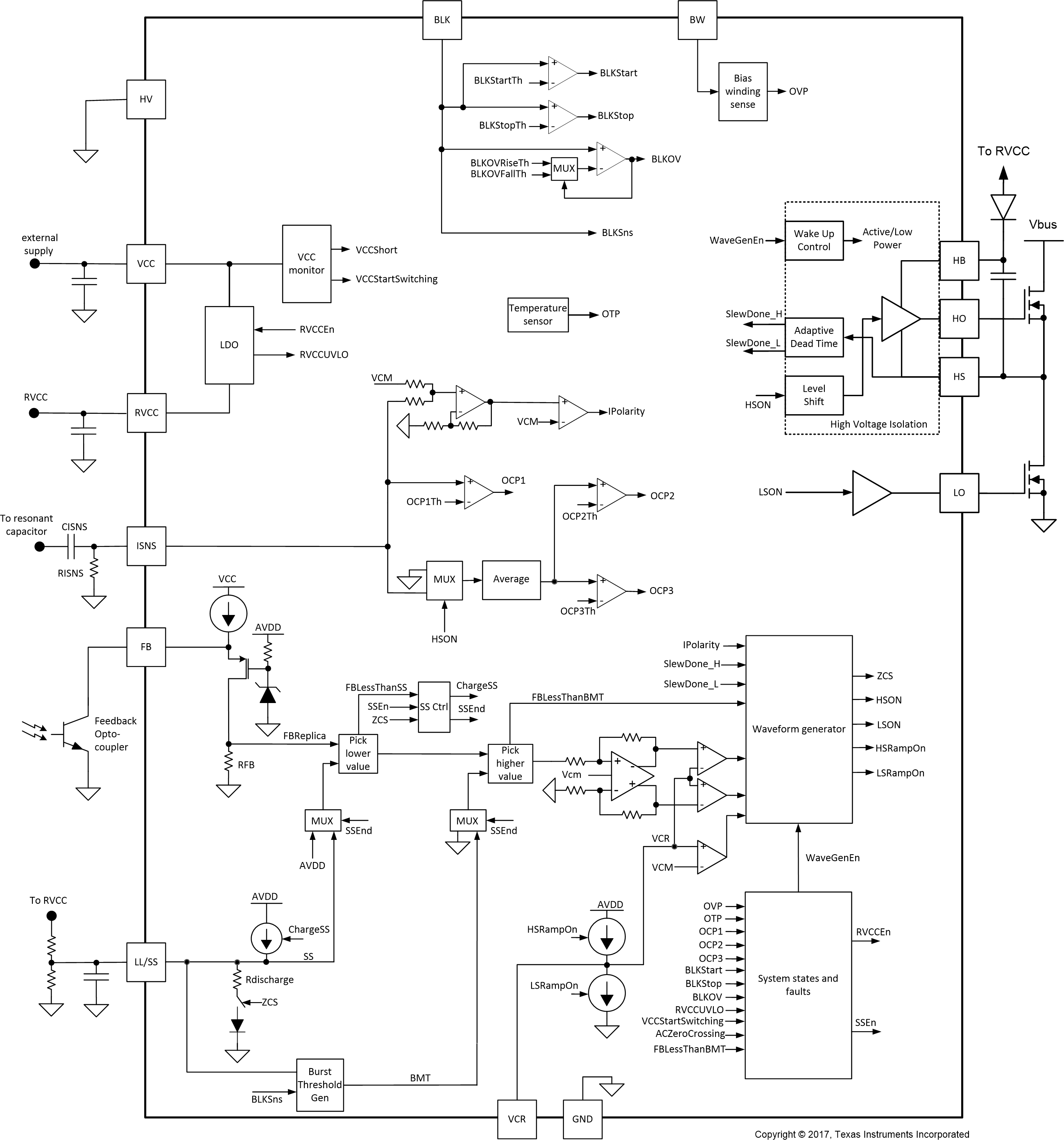
    2. 7.2 功能框图
    3. 7.3 特性 说明
      1. 7.3.1  混合迟滞控制
      2. 7.3.2  稳压 12V 电源
      3. 7.3.3  反馈链
      4. 7.3.4  光耦合器反馈信号输入和偏置
      5. 7.3.5  系统外部关断
      6. 7.3.6  选择低电平块和软启动多路复用器
      7. 7.3.7  选择高电平块和突发模式多路复用器
      8. 7.3.8  VCR 比较器
      9. 7.3.9  谐振电容器电压感应
      10. 7.3.10 谐振电流感应
      11. 7.3.11 Bulk 电压检测
      12. 7.3.12 输出电压检测
      13. 7.3.13 高压栅极驱动器
      14. 7.3.14 保护功能
        1. 7.3.14.1 ZCS 区保护
        2. 7.3.14.2 过流保护 (OCP)
        3. 7.3.14.3 输出过压保护 (VOUTOVP)
        4. 7.3.14.4 输入过压保护 (VINOVP)
        5. 7.3.14.5 输入欠压保护 (VINUVP)
        6. 7.3.14.6 引导 UVLO
        7. 7.3.14.7 RVCC UVLO
        8. 7.3.14.8 过热保护 (OTP)
    4. 7.4 器件功能模式
      1. 7.4.1 突发模式控制
      2. 7.4.2 软启动和突发模式阈值
      3. 7.4.3 系统状态和故障状态机
      4. 7.4.4 波形发生器状态机
  8. 应用和实现
    1. 8.1 应用信息
    2. 8.2 典型应用
      1. 8.2.1 设计要求
      2. 8.2.2 详细设计流程
        1. 8.2.2.1  LLC 功率级要求
        2. 8.2.2.2  LLC 增益范围
        3. 8.2.2.3  选择 Ln 和 Qe
        4. 8.2.2.4  确定等效负载电阻
        5. 8.2.2.5  确定 LLC 谐振电路的组件参数
        6. 8.2.2.6  LLC 初级侧电流
        7. 8.2.2.7  LLC 次级侧电流
        8. 8.2.2.8  LLC 变压器
        9. 8.2.2.9  LLC 谐振电感器
        10. 8.2.2.10 LLC 谐振电容器
        11. 8.2.2.11 LLC 初级侧 MOSFET
        12. 8.2.2.12 自适应死区时间的设计注意事项
        13. 8.2.2.13 LLC 整流器二极管
        14. 8.2.2.14 LLC 输出电容器
        15. 8.2.2.15 BLK 引脚分压器
        16. 8.2.2.16 BW 引脚分压器
        17. 8.2.2.17 ISNS 引脚微分器
        18. 8.2.2.18 VCR 引脚电容分压器
        19. 8.2.2.19 突发模式编程
        20. 8.2.2.20 软启动电容器
      3. 8.2.3 应用曲线
  9. 电源建议
    1. 9.1 VCC 引脚电容器
    2. 9.2 引导电容器
    3. 9.3 RVCC 引脚电容器
  10. 10布局
    1. 10.1 布局指南
    2. 10.2 布局示例
  11. 11器件和文档支持
    1. 11.1 器件支持
      1. 11.1.1 开发支持
        1. 11.1.1.1 使用 WEBENCH® 工具创建定制设计
    2. 11.2 文档支持(如果适用)
      1. 11.2.1 相关文档
    3. 11.3 接收文档更新通知
    4. 11.4 社区资源
    5. 11.5 商标
    6. 11.6 静电放电警告
    7. 11.7 Glossary
  12. 12机械、封装和可订购信息

封装选项

请参考 PDF 数据表获取器件具体的封装图。

机械数据 (封装 | 引脚)
  • DDB|14
散热焊盘机械数据 (封装 | 引脚)
订购信息

功能框图

UCC256303 block2_slusd49.gif