ZHCSK80B september   2019  – october 2020 UCC23313

PRODUCTION DATA  

  1.   1
  2. 特性
  3. 应用
  4. 说明
  5. Revision History
  6. Pin Configuration and Function
    1.     Pin Functions
  7. Specifications
    1. 6.1  Absolute Maximum Ratings
    2. 6.2  ESD Ratings
    3. 6.3  Recommended Operating Conditions
    4. 6.4  Thermal Information
    5. 6.5  额定功率
    6. 6.6  Insulation Specifications
    7. 6.7  Safety-Related Certifications
    8. 6.8  安全限值
    9. 6.9  Electrical Characteristics
    10. 6.10 开关特性
    11. 6.11 Insulation Characteristics Curves
    12. 6.12 Typical Characteristics
  8. Parameter Measurement Information
    1. 7.1 Propagation Delay, rise time and fall time
    2. 7.2 IOH and IOL testing
    3. 7.3 CMTI Testing
  9. Detailed Description
    1. 8.1 Overview
    2. 8.2 Functional Block Diagram
    3. 8.3 Feature Description
      1. 8.3.1 Power Supply
      2. 8.3.2 Input Stage
      3. 8.3.3 Output Stage
      4. 8.3.4 Protection Features
        1. 8.3.4.1 Undervoltage Lockout (UVLO)
        2. 8.3.4.2 Active Pulldown
        3. 8.3.4.3 Short-Circuit Clamping
    4. 8.4 Device Functional Modes
      1. 8.4.1 ESD Structure
  10. Application and Implementation
    1. 9.1 Application Information
    2. 9.2 Typical Application
      1. 9.2.1 Design Requirements
      2. 9.2.2 Detailed Design Procedure
        1. 9.2.2.1 Selecting the Input Resistor
        2. 9.2.2.2 Gate Driver Output Resistor
        3. 9.2.2.3 Estimate Gate-Driver Power Loss
        4. 9.2.2.4 Estimating Junction Temperature
        5. 9.2.2.5 Selecting VCC Capacitor
  11. 10Power Supply Recommendations
  12. 11Layout
    1. 11.1 Layout Guidelines
    2. 11.2 Layout Example
    3. 11.3 PCB Material
  13. 12Mechanical, Packaging, and Orderable Information

封装选项

请参考 PDF 数据表获取器件具体的封装图。

机械数据 (封装 | 引脚)
  • DWY|6
散热焊盘机械数据 (封装 | 引脚)
订购信息

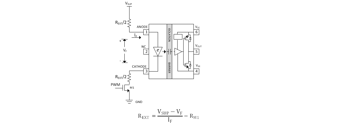
Selecting the Input Resistor

The input resistor limits the current that flows into the e-diode when it is forward biased. The threshold current IFLH is 2.8 mA typ. The recommended operating range for the forward current is 7 mA to 16 mA (e-diode ON). All the electrical specifications are guaranteed in this range. The resistor should be selected such that for typical operating conditions, IF is 10 mA. Following are the list of factors that will affect the exact value of this current:

  1. Supply Voltage VSUP variation
  2. Manufacturer's tolerance for the resistor and variation due to temperature
  3. e-diode forward voltage drop variation (at IF=10 mA, VF= typ 2.1 V, min 1.8 V, max 2.4 V, with a temperature coefficient < 1.35 mV/°C and dynamic impedance < 1 Ω)
See Figure 9-2 for the schematic using a single NMOS and split resistor combination to drive the input stage of UCC23313. The input resistor can be selected using the equation shown.

GUID-FA54C1AE-5D10-4129-AC2E-49C0A4135B9C-low.gifFigure 9-2 Configuration 1: Driving the input stage of UCC23313 with a single NMOS and split resistors

Driving the input stage of UCC23313 using a single buffer is shown in Figure 9-3 and using 2 buffers is shown in Figure 9-4

GUID-E795962C-023E-412D-B43E-D438C1A992D9-low.gifFigure 9-3 Configuration 2: Driving the input stage of UCC23313 with one Buffer and split resistors
GUID-B62FEBA9-5816-4F80-9CF6-977A2C911764-low.gifFigure 9-4 Configuration 3: Driving the input stage of UCC23313 with 2 buffers and split resistors

Table 9-2 shows the range of values for REXT for the 3 different configurations shown in Figure 9-2, Figure 9-3 and Figure 9-4.The assumptions used in deriving the range for REXT are as follows:

  1. Target forward current IF is 7mA min, 10mA typ and 16mA max
  2. e-diode forward voltage drop is 1.8V to 2.4V
  3. VSUP (Buffer supply voltage) is 5V with ±5% tolerance
  4. Manufacturer's tolerance for REXT is 1%
  5. NMOS resistance is 0.25Ω to 1.0Ω (for configuration 1)
  6. ROH(buffer output impedance in output "High" state) is 13Ω min, 18Ω typ and 22Ω max
  7. ROL(buffer output impedance in "Low" state) is 10Ω min, 14Ω typ and 17Ω max

Table 9-2 REXT Values to Drive The Input Stage
REXT Ω

Configuration

MinTypMax
Single NMOS and REXT218290331
Single Buffer and REXT204272311
Two Buffers and REXT194259294