ZHCSL41A March   2020  – January 2024 UCC21739-Q1

PRODUCTION DATA  

  1.   1
  2. 特性
  3. 应用
  4. 说明
  5. Pin Configuration and Functions
  6. Specifications
    1. 5.1  Absolute Maximum Ratings
    2. 5.2  ESD Ratings
    3. 5.3  Recommended Operating Conditions
    4. 5.4  Thermal Information
    5. 5.5  Power Ratings
    6. 5.6  Insulation Specifications
    7. 5.7  Safety-Related Certifications
    8. 5.8  Safety Limiting Values
    9. 5.9  Electrical Characteristics
    10. 5.10 Switching Characteristics
    11. 5.11 Insulation Characteristics Curves
    12. 5.12 Typical Characteristics
  7. Parameter Measurement Information
    1. 6.1 Propagation Delay
      1. 6.1.1 Regular Turn-OFF
    2. 6.2 Input Deglitch Filter
    3. 6.3 Active Miller Clamp
      1. 6.3.1 External Active Miller Clamp
    4. 6.4 Under Voltage Lockout (UVLO)
      1. 6.4.1 VCC UVLO
      2. 6.4.2 VDD UVLO
    5. 6.5 OC (Over Current) Protection
      1. 6.5.1 OC Protection with 2-Level Turn-OFF
  8. Detailed Description
    1. 7.1 Overview
    2. 7.2 Functional Block Diagram
    3. 7.3 Feature Description
      1. 7.3.1  Power Supply
      2. 7.3.2  Driver Stage
      3. 7.3.3  VCC and VDD Undervoltage Lockout (UVLO)
      4. 7.3.4  Active Pulldown
      5. 7.3.5  Short Circuit Clamping
      6. 7.3.6  External Active Miller Clamp
      7. 7.3.7  Overcurrent and Short Circuit Protection
      8. 7.3.8  2-Level Turn-off
      9. 7.3.9  Fault ( FLT, Reset and Enable ( RST/EN)
      10. 7.3.10 Isolated Analog to PWM Signal Function
    4. 7.4 Device Functional Modes
  9. Applications and Implementation
    1. 8.1 Application Information
    2. 8.2 Typical Application
      1. 8.2.1 Design Requirements
      2. 8.2.2 Detailed Design Procedure
        1. 8.2.2.1 Input filters for IN+, IN- and RST/EN
        2. 8.2.2.2 PWM Interlock of IN+ and IN-
        3. 8.2.2.3 FLT, RDY and RST/EN Pin Circuitry
        4. 8.2.2.4 RST/EN Pin Control
        5. 8.2.2.5 Turn-On and Turn-Off Gate Resistors
        6. 8.2.2.6 External Active Miller Clamp
        7. 8.2.2.7 Overcurrent and Short Circuit Protection
          1. 8.2.2.7.1 Protection Based on Power Modules with Integrated SenseFET
          2. 8.2.2.7.2 Protection Based on Desaturation Circuit
          3. 8.2.2.7.3 Protection Based on Shunt Resistor in Power Loop
        8. 8.2.2.8 Isolated Analog Signal Sensing
          1. 8.2.2.8.1 Isolated Temperature Sensing
          2. 8.2.2.8.2 Isolated DC Bus Voltage Sensing
        9. 8.2.2.9 Higher Output Current Using an External Current Buffer
      3. 8.2.3 Application Curves
  10. Power Supply Recommendations
  11. 10Layout
    1. 10.1 Layout Guidelines
    2. 10.2 Layout Example
  12. 11Device and Documentation Support
    1. 11.1 第三方产品免责声明
    2. 11.2 Documentation Support
      1. 11.2.1 Related Documentation
    3. 11.3 接收文档更新通知
    4. 11.4 支持资源
    5. 11.5 Trademarks
    6. 11.6 静电放电警告
    7. 11.7 术语表
  13. 12Revision History
  14. 13Mechanical, Packaging, and Orderable Information

封装选项

机械数据 (封装 | 引脚)
散热焊盘机械数据 (封装 | 引脚)
订购信息

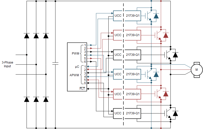
Typical Application

shows the typical application of a half bridge using two UCC21739-Q1 isolated gate drivers. The half bridge is a basic element in various power electronics applications such as traction inverter in HEV/EV to convert the DC current of the electric vehicle’s battery to the AC current to drive the electric motor in the propulsion system. The topology can also be used in motor drive applications to control the operating speed and torque of the AC motors.

GUID-9EA47245-0E4A-43B3-8DE2-5627C6089DEA-low.gifFigure 8-1 Typical Application Schematic