ZHCSKC0 October   2019 UCC21736-Q1

ADVANCE INFORMATION for pre-production products; subject to change without notice.  

  1. 特性
  2. 应用
  3. 说明
    1.     器件引脚配置
  4. 修订历史记录
  5. Pin Configuration and Functions
    1.     Pin Functions
  6. Specifications
    1. 6.1  Absolute Maximum Ratings
    2. 6.2  ESD Ratings
    3. 6.3  Recommended Operating Conditions
    4. 6.4  Thermal Information
    5. 6.5  Power Ratings
    6. 6.6  Electrical Characteristics
    7. 6.7  Switching Characteristics
    8. 6.8  Insulation Specifications
    9. 6.9  Safety-Related Certifications
    10. 6.10 Safety Limiting Values
    11. 6.11 Insulation Characteristics Curves
    12. 6.12 Typical Characteristics
  7. Parameter Measurement Information
    1. 7.1 Propagation Delay
      1. 7.1.1 Regular Turn-OFF
    2. 7.2 Input Deglitch Filter
    3. 7.3 Active Miller Clamp
      1. 7.3.1 External Active Miller Clamp
    4. 7.4 Under Voltage Lockout (UVLO)
      1. 7.4.1 VCC UVLO
      2. 7.4.2 VDD UVLO
      3. 7.4.3 VEE UVLO
    5. 7.5 OC (Over Current) Protection
      1. 7.5.1 OC Protection with Soft Turn-OFF
    6. 7.6 ASC Protection
  8. Detailed Description
    1. 8.1 Overview
    2. 8.2 Functional Block Diagram
    3. 8.3 Feature Description
      1. 8.3.1 Power Supply
      2. 8.3.2 Driver Stage
      3. 8.3.3 VCC, VDD and VEE Undervoltage Lockout (UVLO)
      4. 8.3.4 Active Pulldown
      5. 8.3.5 Short Circuit Clamping
      6. 8.3.6 External Active Miller Clamp
      7. 8.3.7 Overcurrent and Short Circuit Protection
      8. 8.3.8 Fault (FLT, Reset and Enable (RST/EN)
      9. 8.3.9 ASC Protection and APWM Monitor
    4. 8.4 Device Functional Modes
  9. Applications and Implementation
    1. 9.1 Application Information
    2. 9.2 Typical Application
      1. 9.2.1 Design Requirements
      2. 9.2.2 Detailed Design Procedure
        1. 9.2.2.1 Input filters for IN+, IN- and RST/EN
        2. 9.2.2.2 PWM Interlock of IN+ and IN-
        3. 9.2.2.3 FLT, RDY and RST/EN Pin Circuitry
        4. 9.2.2.4 RST/EN Pin Control
        5. 9.2.2.5 Turn on and turn off gate resistors
        6. 9.2.2.6 External Active Miller Clamp
        7. 9.2.2.7 Overcurrent and Short Circuit Protection
          1. 9.2.2.7.1 Protection Based on Power Modules with Integrated SenseFET
          2. 9.2.2.7.2 Protection Based on Desaturation Circuit
          3. 9.2.2.7.3 Protection Based on Shunt Resistor in Power Loop
        8. 9.2.2.8 Higher Output Current Using an External Current Buffer
  10. 10Power Supply Recommendations
  11. 11Layout
    1. 11.1 Layout Guidelines
    2. 11.2 Layout Example
  12. 12器件和文档支持
    1. 12.1 文档支持
      1. 12.1.1 相关文档
    2. 12.2 接收文档更新通知
    3. 12.3 社区资源
    4. 12.4 商标
    5. 12.5 静电放电警告
    6. 12.6 Glossary
  13. 13机械、封装和可订购信息

封装选项

机械数据 (封装 | 引脚)
散热焊盘机械数据 (封装 | 引脚)
订购信息

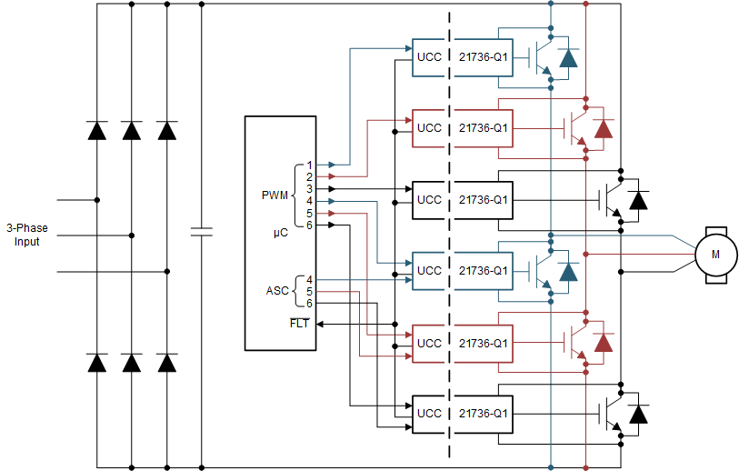
Typical Application

shows the typical application of a half bridge using two UCC21736-Q1 isolated gate drivers. The half bridge is a basic element in various power electronics applications such as traction inverter in HEV/EV to convert the DC current of the electric vehicle’s battery to the AC current to drive the electric motor in the propulsion system. The topology can also be used in motor drive applications to control the operating speed and torque of the AC motors.

UCC21736-Q1 Motor_3_Phase_UCC21736.gifFigure 44. Typical Application Schematic