ZHCSQS7H September   1994  – October 2024 UC1842A , UC1843A , UC1844A , UC1845A , UC2842A , UC2843A , UC2844A , UC2845A , UC3842A , UC3843A , UC3844A , UC3845A

PRODUCTION DATA  

  1.   1
  2. 特性
  3. 应用
  4. 说明
  5. 引脚配置和功能
  6. 规格
    1. 5.1 绝对最大额定值
    2. 5.2 ESD 等级
    3. 5.3 建议运行条件
    4. 5.4 热性能信息
    5. 5.5 电气特性
    6. 5.6 典型特性
  7. 详细说明
    1. 6.1 概述
    2. 6.2 功能方框图
    3. 6.3 特性说明
      1. 6.3.1 逐脉冲电流限制
      2. 6.3.2 电流检测电路
      3. 6.3.3 误差放大器配置
      4. 6.3.4 欠压锁定
      5. 6.3.5 振荡器
    4. 6.4 器件功能模式
      1. 6.4.1 正常运行
      2. 6.4.2 欠压锁定 (UVLO) 启动
      3. 6.4.3 UVLO 关断模式
  8. 应用和实现
    1. 7.1 应用信息
    2. 7.2 典型应用
      1. 7.2.1 设计要求
      2. 7.2.2 详细设计过程
        1. 7.2.2.1 使用 WEBENCH® 工具创建定制设计方案
        2. 7.2.2.2 UC2842A 设计过程
      3. 7.2.3 应用曲线
  9. 电源相关建议
  10. 布局
    1. 9.1 布局指南
    2. 9.2 布局示例
  11. 10器件和文档支持
    1. 10.1 器件支持
      1. 10.1.1 开发支持
        1. 10.1.1.1 使用 WEBENCH® 工具创建定制设计方案
      2. 10.1.2 器件命名规则
    2. 10.2 文档支持
      1. 10.2.1 相关文档
    3. 10.3 相关链接
    4. 10.4 接收文档更新通知
    5. 10.5 支持资源
    6. 10.6 商标
    7. 10.7 静电放电警告
    8. 10.8 术语表
  12. 11修订历史记录
  13. 12机械、封装和可订购信息

封装选项

机械数据 (封装 | 引脚)
散热焊盘机械数据 (封装 | 引脚)
订购信息

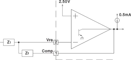
误差放大器配置

误差放大器可实现高达 0.8mA 的拉电流和高达 6mA 的灌电流。

UC1842A UC1843A UC1844A UC1845A  UC2842A UC2843A UC2844A UC2845A  UC3842A UC3843A UC3844A UC3845A 误差放大器配置示意图图 6-2 误差放大器配置示意图