SLLSFB2 April   2020 TUSB1146

PRODUCTION DATA.  

  1. Features
  2. Applications
  3. Description
    1.     Device Images
      1.      Simplified Schematics
  4. Revision History
  5. TUSB1146 Pin Configuration and Functions
    1.     TUSB1146 Pin Functions
  6. Specifications
    1. 6.1  Absolute Maximum Ratings
    2. 6.2  ESD Ratings
    3. 6.3  Recommended Operating Conditions
    4. 6.4  Thermal Information
    5. 6.5  Power Supply Characteristics
    6. 6.6  Control I/O DC Electrical Characteristics
    7. 6.7  USB and DP Electrical Characteristics
    8. 6.8  DCI Electrical Characteristics
    9. 6.9  Timing Requirements
    10. 6.10 Switching Characteristics
    11. 6.11 Typical Characteristics
  7. Parameter Measurement Information
  8. Detailed Description
    1. 8.1 Overview
    2. 8.2 Functional Block Diagram
    3. 8.3 Feature Description
      1. 8.3.1 USB 3.1
      2. 8.3.2 DisplayPort
      3. 8.3.3 4-level Inputs
      4. 8.3.4 Receiver Linear Equalization
    4. 8.4 Device Functional Modes
      1. 8.4.1 Device Configuration in GPIO Mode
      2. 8.4.2 Device Configuration In I2C Mode
      3. 8.4.3 DisplayPort Mode
      4. 8.4.4 Linear EQ Configuration
      5. 8.4.5 VOD modes
        1. 8.4.5.1 Linearity VOD
        2. 8.4.5.2 Limited VOD
      6. 8.4.6 Transmit Equalization
      7. 8.4.7 USB3.1 Modes
      8. 8.4.8 Downstream Facing Port Adaptive Equalization
        1. 8.4.8.1 Fast Adaptive Equalization in I2C Mode
        2. 8.4.8.2 Full Adaptive Equalization
    5. 8.5 Programming
      1. 8.5.1 Transition between Modes
      2. 8.5.2 Pseudocode Examples
        1. 8.5.2.1 Fast AEQ with linear redriver mode
        2. 8.5.2.2 Fast AEQ with limited redriver mode
        3. 8.5.2.3 Full AEQ with linear redriver mode
        4. 8.5.2.4 Full AEQ with limited redriver mode
      3. 8.5.3 TUSB1146 I2C Address Options
      4. 8.5.4 TUSB1146 I2C Slave Behavior
    6. 8.6 Register Maps
      1. 8.6.1 TUSB1146 Registers
        1. 8.6.1.1  General_1 Register (Offset = 0xA) [reset = 0x1]
          1. Table 13. General_1 Register Field Descriptions
        2. 8.6.1.2  DCI_TXEQ_CTRL Register (Offset = 0xB) [reset = 0x6C]
          1. Table 14. DCI_TXEQ_CTRL Register Field Descriptions
        3. 8.6.1.3  DP01EQ_SEL Register (Offset = 0x10) [reset = 0x0]
          1. Table 15. DP01EQ_SEL Register Field Descriptions
        4. 8.6.1.4  DP23EQ_SEL Register (Offset = 0x11) [reset = 0x0]
          1. Table 16. DP23EQ_SEL Register Field Descriptions
        5. 8.6.1.5  DisplayPort_1 Register (Offset = 0x12) [reset = 0x0]
          1. Table 17. DisplayPort_1 Register Field Descriptions
        6. 8.6.1.6  DisplayPort_2 Register (Offset = 0x13) [reset = 0x0]
          1. Table 18. DisplayPort_2 Register Field Descriptions
        7. 8.6.1.7  AEQ_CONTROL1 Register (Offset = 0x1C) [reset = 0xF0]
          1. Table 19. AEQ_CONTROL1 Register Field Descriptions
        8. 8.6.1.8  AEQ_CONTROL2 Register (Offset = 0x1D) [reset = 0x20]
          1. Table 20. AEQ_CONTROL2 Register Field Descriptions
        9. 8.6.1.9  AEQ_LONG Register (Offset = 0x1E) [reset = 0x77]
          1. Table 21. AEQ_LONG Register Field Descriptions
        10. 8.6.1.10 USBC_EQ Register (Offset = 0x20) [reset = 0x0]
          1. Table 22. USBC_EQ Register Field Descriptions
        11. 8.6.1.11 SS_EQ Register (Offset = 0x21) [reset = 0x0]
          1. Table 23. SS_EQ Register Field Descriptions
        12. 8.6.1.12 USB3_MISC Register (Offset = 0x22) [reset = 0x44]
          1. Table 24. USB3_MISC Register Field Descriptions
        13. 8.6.1.13 USB_STATUS Register (Offset = 0x24) [reset = 0x41]
          1. Table 25. USB_STATUS Register Field Descriptions
        14. 8.6.1.14 VOD_CTRL Register (Offset = 0x32) [reset = 0x40]
          1. Table 26. VOD_CTRL Register Field Descriptions
        15. 8.6.1.15 AEQ_STATUS Register (Offset = 0x3B) [reset = 0x0]
          1. Table 27. AEQ_STATUS Register Field Descriptions
  9. Application and Implementation
    1. 9.1 Application Information
    2. 9.2 Typical Application
      1. 9.2.1 Design Requirements
      2. 9.2.2 Detailed Design Procedure
        1. 9.2.2.1 USB and DP Upstream Facing Port (USB Host / DP GPU to USB-C receptacle) Configuration
        2. 9.2.2.2 USB Downstream Facing Port (USB-C receptacle to USB Host) Configuration
          1. 9.2.2.2.1 Fixed Equalization
          2. 9.2.2.2.2 Fast Adaptive Equalization
          3. 9.2.2.2.3 Full Adaptive Equalization
      3. 9.2.3 Application Curve
    3. 9.3 System Examples
      1. 9.3.1 USB 3.1 Only
      2. 9.3.2 USB 3.1 and 2 Lanes of DisplayPort
      3. 9.3.3 DisplayPort Only
  10. 10Power Supply Recommendations
  11. 11Layout
    1. 11.1 Layout Guidelines
    2. 11.2 Layout Example
  12. 12Device and Documentation Support
    1. 12.1 Receiving Notification of Documentation Updates
    2. 12.2 Community Resources
    3. 12.3 Trademarks
    4. 12.4 Electrostatic Discharge Caution
    5. 12.5 Glossary
  13. 13Mechanical, Packaging, and Orderable Information

封装选项

机械数据 (封装 | 引脚)
散热焊盘机械数据 (封装 | 引脚)
订购信息

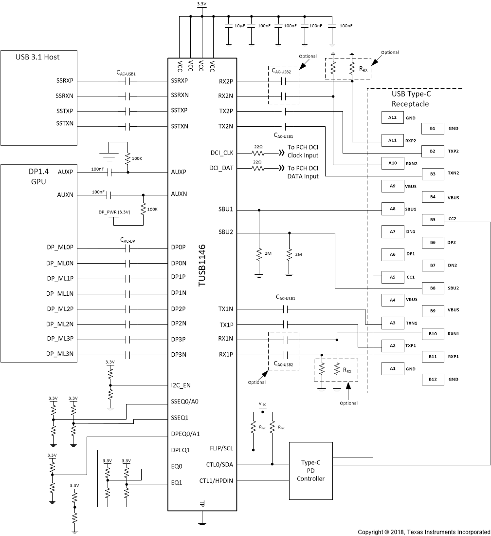
Detailed Design Procedure

A typical usage of the TUSB1146 device is shown in Figure 34. The device can be controlled either through its GPIO pins or through its I2C interface. In the example shown below, a Type-C PD controller is used to configure the device through the I2C interface. When configured for I2C mode and system does not support DCI, pins 29 and 32 can be left unconnected. If DCI is supported in the system, then connect through a 22-ohm resistor DCI_CLK and DCI_DAT to appropriate PCH GPIO pins. In I2C mode, the equalization settings for each receiver can be independently controlled through I2C registers. For this reason, all of the equalization pins (EQ[1:0], SSEQ[1:0], and DPEQ[1:0]) can be left unconnected. If these pins are left unconnected, the TUSB1146 7-bit I2C slave address will be 0x12 because both DPEQ0/A1 and SSEQ0/A0 will be at pin level "F". If a different I2C slave address is desired, DPEQ0/A1 and SSEQ0/A0 pins should be set to a level which produces the desired I2C slave address.

TUSB1146 TUSB1146_App_implementation.gifFigure 34. Application Circuit