ZHCSE31A July   2014  – December 2014 TS5A3166-Q1

PRODUCTION DATA.  

  1. 特性
  2. 应用
  3. 说明
  4. 简化电路原理图
  5. 修订历史记录
  6. Pin Configuration and Functions
  7. Specifications
    1. 7.1 Absolute Maximum Ratings
    2. 7.2 ESD Ratings
    3. 7.3 Recommended Operating Conditions
    4. 7.4 Thermal Information
    5. 7.5 Electrical Characteristics for 5-V Supply
    6. 7.6 Electrical Characteristics for 3.3-V Supply
    7. 7.7 Electrical Characteristics for 2.5-V Supply
    8. 7.8 Electrical Characteristics for 1.8-V Supply
    9. 7.9 Typical Characteristics
  8. Parameter Measurement Information
  9. Detailed Description
    1. 9.1 Overview
    2. 9.2 Functional Block Diagram
    3. 9.3 Feature Description
    4. 9.4 Device Functional Modes
  10. 10Application and Implementation
    1. 10.1 Application Information
    2. 10.2 Typical Application
      1. 10.2.1 Design Requirements
      2. 10.2.2 Detailed Design Procedure
      3. 10.2.3 Application Curves
  11. 11Power Supply Recommendations
  12. 12Layout
    1. 12.1 Layout Guidelines
    2. 12.2 Layout Example
  13. 13器件和文档支持
    1. 13.1 商标
    2. 13.2 静电放电警告
    3. 13.3 Glossary
  14. 14机械、封装和可订购信息

封装选项

机械数据 (封装 | 引脚)
散热焊盘机械数据 (封装 | 引脚)
订购信息

8 Parameter Measurement Information

TS5A3166-Q1 fig1_cds186.gif Figure 13. ON-State Resistance (ron)
TS5A3166-Q1 fig2_cds186.gif Figure 14. OFF-State Leakage Current (ICOM(OFF), INO(OFF), ICOM(PWROFF), INO(PWR(FF))
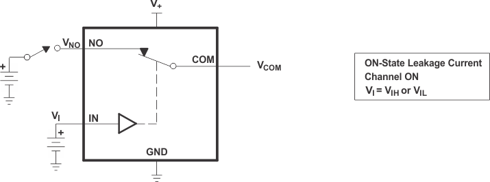
TS5A3166-Q1 fig3_cds186.gif Figure 15. ON-State Leakage Current (ICOM(ON), INO(ON))
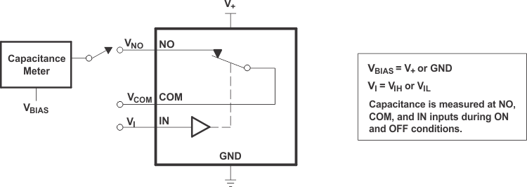
TS5A3166-Q1 fig4_cds186.gif Figure 16. Capacitance (CI, CCOM(OFF), CCOM(ON), CNO(OFF), CNO(ON))
TS5A3166-Q1 fig5_cds186.gif
1. All input pulses are supplied by generators having the following characteristics: PRR ≤ 10 MHz, ZO = 50 Ω, tr < 5 ns,
tf < 5 ns.
2. CL includes probe and jig capacitance.
Figure 17. Turn-On (tON) and Turn-Off Time (tOFF)
TS5A3166-Q1 fig6_cds186.gif Figure 18. Bandwidth (BW)
TS5A3166-Q1 fig7_cds186.gif Figure 19. OFF Isolation (OISO)
TS5A3166-Q1 fig8_cds186.gif
1. CL includes probe and jig capacitance.
2. All input pulses are supplied by generators having the following characteristics: PRR ≤ 10 MHz, ZO = 50 Ω, tr < 5 ns,
tf < 5 ns.
Figure 20. Charge Injection (QC)
TS5A3166-Q1 fig9_cds186.gif
1. CL includes probe and jig capacitance.
Figure 21. Total Harmonic Distortion (THD)