ZHCSHG5F June   2005  – January 2018 TS5A3159A

PRODUCTION DATA.  

  1. 特性
  2. 应用
  3. 说明
    1.     Device Images
      1.      框图
  4. 修订历史记录
  5. Pin Configuration and Functions
    1.     Pin Functions
  6. Specifications
    1. 6.1 Absolute Maximum Ratings
    2. 6.2 ESD Ratings
    3. 6.3 Recommended Operating Conditions
    4. 6.4 Thermal Information
    5. 6.5 Electrical Characteristics for 5-V Supply
    6. 6.6 Electrical Characteristics for 3.3-V Supply
    7. 6.7 Electrical Characteristics for 2.5-V Supply
    8. 6.8 Electrical Characteristics for 1.8-V Supply
    9. 6.9 Typical Characteristics
  7. Parameter Measurement Information
  8. Detailed Description
    1. 8.1 Overview
    2. 8.2 Functional Block Diagram
    3. 8.3 Feature Description
    4. 8.4 Device Functional Modes
  9. Application and Implementation
    1. 9.1 Application Information
    2. 9.2 Typical Application
      1. 9.2.1 Design Requirements
      2. 9.2.2 Detailed Design Procedure
      3. 9.2.3 Application Curve
  10. 10Power Supply Recommendations
  11. 11Layout
    1. 11.1 Layout Guidelines
    2. 11.2 Layout Example
  12. 12器件和文档支持
    1. 12.1 器件支持
      1. 12.1.1 器件命名规则
    2. 12.2 文档支持
      1. 12.2.1 相关文档
    3. 12.3 社区资源
    4. 12.4 商标
    5. 12.5 静电放电警告
    6. 12.6 Glossary
  13. 13机械、封装和可订购信息

封装选项

机械数据 (封装 | 引脚)
散热焊盘机械数据 (封装 | 引脚)
订购信息

Parameter Measurement Information

TS5A3159A fig15_cds200.gifFigure 14. ON-State Resistance (ron)
TS5A3159A fig2_cds200.gifFigure 15. OFF-State Leakage Current (INC(OFF), INC(PWROFF), INO(OFF), INO(PWROFF), ICOM(OFF), ICOM(PWROFF))
TS5A3159A fig3_cds200.gifFigure 16. ON-State Leakage Current (ICOM(ON), INC(ON), INO(ON))
TS5A3159A fig4_cds200.gifFigure 17. Capacitance (CI, CCOM(ON), CNC(OFF), CNO(OFF), CNC(ON), CNO(ON))
TS5A3159A fig19_cds200.gif
All input pulses are supplied by generators having the following characteristics: PRR ≤ 10 MHz, ZO = 50 Ω, tr< 5 ns,
tf< 5 ns.
CL includes probe and jig capacitance.
Figure 18. Turnon (tON) and Turnoff Time (tOFF)
TS5A3159A Figure6_cds200.gif
All input pulses are supplied by generators having the following characteristics: PRR ≤ 10 MHz, ZO = 50 Ω, tr< 5 ns,
tf< 5 ns.
CL includes probe and jig capacitance.
Figure 19. Break-Before-Make Time (tBBM)
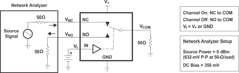
TS5A3159A fig21_cds200.gifFigure 20. Bandwidth (BW)
TS5A3159A fig22_cds200.gifFigure 21. OFF Isolation (OISO)
TS5A3159A fig23_cds200.gifFigure 22. Crosstalk (XTALK)
TS5A3159A fig10_cds200.gif
All input pulses are supplied by generators having the following characteristics: PRR ≤ 10 MHz, ZO = 50 Ω, tr< 5 ns,
tf< 5 ns.
CL includes probe and jig capacitance.
Figure 23. Charge Injection (QC)
TS5A3159A fig25_cds200.gif
CL includes probe and jig capacitance.
Figure 24. Total Harmonic Distortion (THD)