ZHCSIM3F January   2005  – August 2018 TS5A2066

PRODUCTION DATA.  

  1. 特性
  2. 应用
  3. 说明
    1.     Device Images
      1.      功能方框图
  4. 修订历史记录
  5. Pin Configuration and Functions
    1.     Pin Functions
  6. Specifications
    1. 6.1 Absolute Maximum Ratings
    2. 6.2 ESD Ratings
    3. 6.3 Recommended Operating Conditions
    4. 6.4 Thermal Information
    5. 6.5 Electrical Characteristics For 5-V Supply
    6. 6.6 Electrical Characteristics For 3.3-V Supply
    7. 6.7 Electrical Characteristics For 2.5-V Supply
    8. 6.8 Electrical Characteristics For 1.8-V Supply
    9. 6.9 Typical Performance
  7. Parameter Measurement Information
  8. Detailed Description
    1. 8.1 Overview
    2. 8.2 Functional Block Diagram
    3. 8.3 Feature Description
    4. 8.4 Device Functional Modes
  9. Application and Implementation
    1. 9.1 Application Information
    2. 9.2 Typical Application
      1. 9.2.1 Design Requirements
      2. 9.2.2 Detailed Design Procedure
      3. 9.2.3 Application Curves
  10. 10Power Supply Recommendations
  11. 11Layout
    1. 11.1 Layout Guidelines
    2. 11.2 Layout Example
  12. 12器件和文档支持
    1. 12.1 接收文档更新通知
    2. 12.2 社区资源
    3. 12.3 商标
    4. 12.4 静电放电警告
    5. 12.5 术语表
  13. 13机械、封装和可订购信息

封装选项

请参考 PDF 数据表获取器件具体的封装图。

机械数据 (封装 | 引脚)
  • DCU|8
  • YZP|8
  • DCT|8
散热焊盘机械数据 (封装 | 引脚)
订购信息

Parameter Measurement Information

Table 1. Parameter Description

SYMBOL DESCRIPTION
VCOM Voltage at COM
VNO Voltage at NO
ron Resistance between COM and NO ports when the channel is ON
Δron Difference of ron between channels in a specific device
ron(flat) Difference between the maximum and minimum value of ron in a channel over the specified range of conditions
INO(OFF) Leakage current measured at the NO port, with the corresponding channel (NO to COM) in the OFF state
INO(ON) Leakage current measured at the NO port, with the corresponding channel (NO to COM) in the ON state and the output (COM) open
ICOM(OFF) Leakage current measured at the COM port, with the corresponding channel (COM to NO) in the OFF state
ICOM(ON) Leakage current measured at the COM port, with the corresponding channel (COM to NO) in the ON state and the output (NO) open
VIH Minimum input voltage for logic high for the control input (IN)
VIL Maximum input voltage for logic low for the control input (IN)
VIN Voltage at the control input (IN)
IIH, IIL Leakage current measured at the control input (IN)
tON Turn-on time for the switch. This parameter is measured under the specified range of conditions and by the propagation delay between the digital control (IN) signal and analog output (COM or NO) signal when the switch is turning ON.
tOFF Turn-off time for the switch. This parameter is measured under the specified range of conditions and by the propagation delay between the digital control (IN) signal and analog output (COM or NO) signal when the switch is turning OFF.
QC Charge injection is a measurement of unwanted signal coupling from the control (IN) input to the analog (NO or COM) output. This is measured in coulomb (C) and measured by the total charge induced due to switching of the control input. Charge injection, QC = CL × ΔVCOM, CL is the load capacitance and ΔVCOM is the change in analog output voltage.
CNO(OFF) Capacitance at the NO port when the corresponding channel (NO to COM) is OFF
CNO(ON) Capacitance at the NO port when the corresponding channel (NO to COM) is ON
CCOM(OFF) Capacitance at the COM port when the corresponding channel (COM to NO) is OFF
CCOM(ON) Capacitance at the COM port when the corresponding channel (COM to NO) is ON
CIN Capacitance of IN
OISO OFF isolation of the switch is a measurement of OFF-state switch impedance. This is measured in dB in a specific frequency, with the corresponding channel (NO to COM) in the OFF state.
XTALK Crosstalk is a measurement of unwanted signal coupling from an ON channel to an adjacent ON channel (NC1 to NC2). This is measured in a specific frequency and in dB.
BW Bandwidth of the switch. This is the frequency in which the gain of an ON channel is –3 dB below the DC gain.
THD Total harmonic distortion is defined as the ratio of the root mean square (RMS) value of the second, third, and higher harmonics to the magnitude of fundamental harmonic.
ICC Static power-supply current with the control (IN) pin at VCC or GND
TS5A2066 pmi13_cds184.gifFigure 16. ON-State Resistance (ron)
TS5A2066 pmi14_cds184.gifFigure 17. OFF-State Leakage Current (ICOM(OFF), INO(OFF))
TS5A2066 pmi15_cds184.gifFigure 18. ON-State Leakage Current (ICOM(ON), INO(ON))
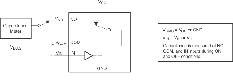
TS5A2066 pmi16_cds184.gifFigure 19. Capacitance (CIN, CCOM(OFF), CCOM(ON), CNO(OFF), CNO(ON))
TS5A2066 pmi17_cds184.gif
All input pulses are supplied by generators having the following characteristics: PRR ≤ 10 MHz, ZO = 50 Ω, tr < 5 ns,
tf < 5 ns.
CL includes probe and jig capacitance.
Figure 20. Turn-On (tON) and Turn-Off Time (tOFF)
TS5A2066 pmi18_cds184.gifFigure 21. Bandwidth (BW)
TS5A2066 pmi19_cds184.gifFigure 22. OFF Isolation (OISO)
TS5A2066 pmi20_cds184.gifFigure 23. Crosstalk (XTALK)
TS5A2066 pmi21_cds184.gif
All input pulses are supplied by generators having the following characteristics: PRR ≤ 10 MHz, ZO = 50 Ω, tr < 5 ns,
tf < 5 ns.
CL includes probe and jig capacitance.
Figure 24. Charge Injection (QC)
TS5A2066 pmi22_cds184.gif
CL includes probe and jig capacitance.
Figure 25. Total Harmonic Distortion (THD)