SCES707C August   2008  – December 2016 TS5A12301E

PRODUCTION DATA.  

  1. Features
  2. Applications
  3. Description
  4. Revision History
  5. Pin Configuration and Functions
  6. Specifications
    1. 6.1 Absolute Maximum Ratings
    2. 6.2 ESD Ratings
    3. 6.3 Recommended Operating Conditions
    4. 6.4 Thermal Information
    5. 6.5 Electrical Characteristics - 5-V Supply
    6. 6.6 Electrical Characteristics - 3.3-V Supply
    7. 6.7 Electrical Characteristics - 2.5-V Supply
    8. 6.8 Typical Characteristics
  7. Parameter Measurement Information
  8. Detailed Description
    1. 8.1 Overview
    2. 8.2 Functional Block Diagram
    3. 8.3 Feature Description
      1. 8.3.1 Isolation
      2. 8.3.2 1.8-V Compatible Logic
      3. 8.3.3 Integrated Control Input Pulldown
    4. 8.4 Device Functional Modes
  9. Application and Implementation
    1. 9.1 Application Information
    2. 9.2 Typical Application
      1. 9.2.1 Design Requirements
      2. 9.2.2 Detailed Design Procedure
      3. 9.2.3 Application Curve
  10. 10Power Supply Recommendations
  11. 11Layout
    1. 11.1 Layout Guidelines
    2. 11.2 Layout Example
  12. 12Device and Documentation Support
    1. 12.1 Receiving Notification of Documentation Updates
    2. 12.2 Community Resources
    3. 12.3 Trademarks
    4. 12.4 Electrostatic Discharge Caution
    5. 12.5 Glossary
  13. 13Mechanical, Packaging, and Orderable Information

封装选项

机械数据 (封装 | 引脚)
散热焊盘机械数据 (封装 | 引脚)
订购信息

Parameter Measurement Information

TS5A12301E pmi1_ces707.gif Figure 12. ON-State Resistance (ron)
TS5A12301E pmi2_ces707.gif Figure 13. OFF-State Leakage Current (ICOM(OFF), INC(OFF), ICOM(PWROFF), INC(PWR(FF))
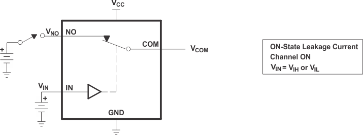
TS5A12301E pmi3_ces707.gif Figure 14. ON-State Leakage Current (ICOM(ON), INC(ON))
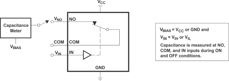
TS5A12301E pmi4_ces707.gif Figure 15. Capacitance (CI, CCOM(OFF), CCOM(ON), CNC(OFF), CNC(ON))
TS5A12301E pmi5_ces707.gif
All input pulses are supplied by generators having the following characteristics: PRR ≤ 10 MHz, ZO = 50 Ω, tr < 5 ns, tf < 5 ns.
CL includes probe and jig capacitance.
Figure 16. Turnon (tON) and Turnoff Time (tOFF)
TS5A12301E pmi6_ces707.gif
All input pulses are supplied by generators having the following characteristics: PRR ≤ 10 MHz, ZO = 50 Ω, tr < 5 ns, tf < 5 ns.
CL includes probe and jig capacitance.
Figure 17. Break-Before-Make Time (tBBM)
TS5A12301E pmi7_ces707.gif Figure 18. Bandwidth (BW)
TS5A12301E pmi8_ces707.gif Figure 19. OFF Isolation (OISO)
TS5A12301E pmi21_ces707.gif Figure 20. Crosstalk (XTALK)
TS5A12301E pmi10_ces707-1.gif
All input pulses are supplied by generators having the following characteristics: PRR ≤ 10 MHz, ZO = 50 Ω, tr < 5 ns, tf < 5 ns.
CL includes probe and jig capacitance.
Figure 21. Charge Injection (QC)
TS5A12301E pmi11_ces707.gif
CL includes probe and jig capacitance.
Figure 22. Total Harmonic Distortion (THD)