ZHCSX92G December   2008  – October 2024 TS3USB30E

PRODUCTION DATA  

  1.   1
  2. 特性
  3. 应用
  4. 说明
  5. Pin Configuration and Functions
  6. Specifications
    1. 5.1 Absolute Maximum Ratings
    2. 5.2 ESD Ratings
    3. 5.3 Recommended Operating Conditions
    4. 5.4 Thermal Information
    5. 5.5 Electrical Characteristics
    6. 5.6 Dynamic Electrical Characteristics
    7. 5.7 Switching Characteristics
    8. 5.8 Typical Characteristics
  7. Parameter Measurement Information
  8. Detailed Description
    1. 7.1 Overview
    2. 7.2 Functional Block Diagram
    3. 7.3 Feature Description
    4. 7.4 Device Functional Modes
  9. Application and Implementation
    1. 8.1 Application Information
    2. 8.2 Typical Application
      1. 8.2.1 Design Requirements
      2. 8.2.2 Detailed Design Procedure
      3. 8.2.3 Application Curves
    3. 8.3 Power Supply Recommendations
    4. 8.4 Layout
      1. 8.4.1 Layout Guidelines
      2. 8.4.2 Layout Example
  10. Device and Documentation Support
    1. 9.1 Documentation Support
      1. 9.1.1 Related Documentation
    2. 9.2 接收文档更新通知
    3. 9.3 支持资源
    4. 9.4 Trademarks
    5. 9.5 静电放电警告
    6. 9.6 术语表
  11. 10Revision History
  12. 11Mechanical, Packaging, and Orderable Information

封装选项

机械数据 (封装 | 引脚)
散热焊盘机械数据 (封装 | 引脚)
订购信息

Parameter Measurement Information

TS3USB30E Turn-On (tON) and Turn-Off Time (tOFF)
All input pulses are supplied by generators having the following characteristics: PRR ≤ 10MHz, ZO = 50Ω, tr < 5ns, tf < 5ns.
CL includes probe and jig capacitance.
Figure 6-1 Turn-On (tON) and Turn-Off Time (tOFF)
TS3USB30E OFF Isolation (OISO)Figure 6-2 OFF Isolation (OISO)
TS3USB30E Crosstalk (XTALK)Figure 6-3 Crosstalk (XTALK)
TS3USB30E Bandwidth (BW)Figure 6-4 Bandwidth (BW)
TS3USB30E Propagation DelayFigure 6-5 Propagation Delay
TS3USB30E Skew TestFigure 6-6 Skew Test
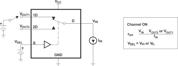
TS3USB30E ON-State Resistance (RON)Figure 6-7 ON-State Resistance (RON)
TS3USB30E OFF-State Leakage CurrentFigure 6-8 OFF-State Leakage Current
TS3USB30E CapacitanceFigure 6-9 Capacitance