ZHCSJ92E October   2009  – September 2022 TS12A12511

PRODUCTION DATA  

  1. 特性
  2. 应用
  3. 说明
  4. Revision History
  5. Pin Configuration and Functions
  6. Specifications
    1. 6.1 Absolute Maximum Ratings
    2. 6.2 ESD Ratings
    3. 6.3 Recommended Operating Conditions
    4. 6.4 Thermal Information
    5. 6.5 Electrical Characteristics: ±5-V Dual Supply
    6. 6.6 Electrical Characteristics: 12-V Single Supply
    7. 6.7 Electrical Characteristics: 5-V Single Supply
    8. 6.8 Typical Characteristics
  7. Parameter Measurement Information
    1. 7.1 Test Circuits
  8. Detailed Description
    1. 8.1 Overview
    2. 8.2 Functional Block Diagram
    3. 8.3 Feature Description
    4. 8.4 Device Functional Modes
  9. Application and Implementation
    1. 9.1 Application Information
    2. 9.2 Typical Application
      1. 9.2.1 Design Requirements
      2. 9.2.2 Detailed Design Procedure
      3. 9.2.3 Application Curve
  10. 10Power Supply Recommendations
  11. 11Layout
    1. 11.1 Layout Guidelines
    2. 11.2 Layout Example
  12. 12Device and Documentation Support
    1. 12.1 接收文档更新通知
    2. 12.2 支持资源
    3. 12.3 Trademarks
    4. 12.4 Electrostatic Discharge Caution
    5. 12.5 术语表
  13. 13Mechanical, Packaging, and Orderable Information

封装选项

机械数据 (封装 | 引脚)
散热焊盘机械数据 (封装 | 引脚)
订购信息

Test Circuits

GUID-D549287B-E714-4223-8B97-F5A085A7F3E0-low.gifFigure 7-1 ON-State Resistance
GUID-8313E0D7-046D-4EFC-9E1F-7E39B986EBEA-low.gifFigure 7-2 OFF-State Leakage Current (ICOM(OFF), INC(OFF))
GUID-76DD82DC-6B42-4634-A8DA-E20385AC2EFE-low.gifFigure 7-3 ON-State Leakage Current (ICOM(ON), INC(ON))
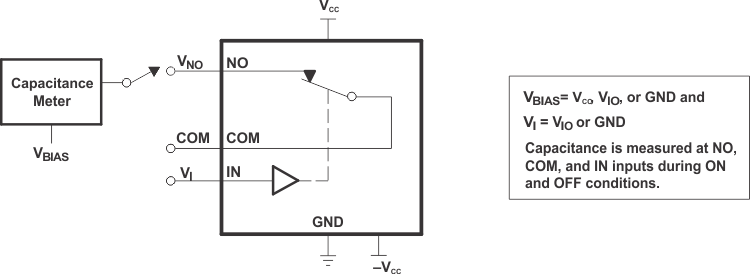
GUID-CF7BCD06-DA03-4F5C-B31D-FDE259382234-low.gifFigure 7-4 Capacitance (CCOM(OFF), CCOM(ON), CNC(OFF), CNC(ON))
GUID-0AA2DC03-780E-4464-AA16-139B34895EB4-low.gifFigure 7-5 Turn-ON (tON) and Turn-OFF Time (tOFF)
GUID-573F577F-2974-4950-AB6D-59E30AB043DF-low.gifFigure 7-6 Break-Before-Make Time Delay (tBBM)
GUID-90C78717-CD25-4750-A0B7-43400B8BE502-low.gifFigure 7-7 Charge Injection (QC)
GUID-6BD3CCE1-7D5A-4CBB-AE64-3B4C8F4E873A-low.gifFigure 7-8 OFF Isolation (OISO)
GUID-7F60F1EF-B27D-4C92-A50E-44F22DC0D0D3-low.gifFigure 7-9 Channel-to-Channel Crosstalk (XTALK)
GUID-DF968D99-2B2D-4EAE-A637-18CE4B91CFAC-low.gifFigure 7-10 Bandwidth (BW)
GUID-56D2580B-4CA4-4DA2-AD47-241258F28244-low.gifFigure 7-11 Total Harmonic Distortion