ZHCSWP4A July   2007  – July 2024 TRS208

PRODUCTION DATA  

  1.   1
  2. 特性
  3. 应用
  4. 说明
  5. Pin Configuration and Functions
  6. Specifications
    1. 5.1 Absolute Maximum Ratings
    2. 5.2 ESD Ratings
    3. 5.3 Recommended Operating Conditions
    4. 5.4 Thermal Information
    5. 5.5 Electrical Characteristics
    6. 5.6 Electrical Characteristics, Driver
    7. 5.7 Electrical Characteristics, Receiver
    8. 5.8 Switching Characteristics, Driver
    9. 5.9 Switching Characteristics, Receiver
  7. Parameter Measurement Information
  8. Device Functional Modes
  9. Application and Implementation
    1. 8.1 Application Information
      1. 8.1.1 Capacitor Selection
      2. 8.1.2 Electrostatic Discharge (ESD) Protection
      3. 8.1.3 ESD Test Conditions
      4. 8.1.4 Human-Body Model (HBM)
      5. 8.1.5 Machine Model (MM)
      6. 8.1.6 Typical Application
  10. Device and Documentation Support
    1. 9.1 接收文档更新通知
    2. 9.2 支持资源
    3. 9.3 商标
    4. 9.4 静电放电警告
    5. 9.5 术语表
  11. 10Revision History
  12. 11Mechanical, Packaging, and Orderable Information

封装选项

机械数据 (封装 | 引脚)
散热焊盘机械数据 (封装 | 引脚)
订购信息

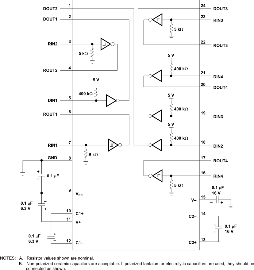
Typical Application

TRS208 Typical
                    Operating Circuit and Capacitor Values Figure 8-3 Typical Operating Circuit and Capacitor Values