ZHCSGS7K September   2017  – September 2025 TPS7B82-Q1

PRODUCTION DATA  

  1.   1
  2. 特性
  3. 应用
  4. 说明
  5. 引脚配置和功能
  6. 规格
    1. 5.1 绝对最大额定值
    2. 5.2 ESD 等级
    3. 5.3 建议运行条件
    4. 5.4 热性能信息
    5. 5.5 电气特性:1 级选项
    6. 5.6 电气特性:0 级选项
    7. 5.7 典型特性
  7. 详细说明
    1. 6.1 概述
    2. 6.2 功能方框图
    3. 6.3 特性说明
      1. 6.3.1 器件使能 (EN)
      2. 6.3.2 欠压关断
      3. 6.3.3 电流限值
      4. 6.3.4 热关断
    4. 6.4 器件功能模式
      1. 6.4.1 在 VIN 低于 3V 条件下运行
      2. 6.4.2 在 VIN 高于 3V 条件下运行
  8. 应用和实施
    1. 7.1 应用信息
    2. 7.2 典型应用
      1. 7.2.1 设计要求
      2. 7.2.2 详细设计过程
        1. 7.2.2.1 输入电容器
        2. 7.2.2.2 输出电容器
      3. 7.2.3 应用曲线
    3. 7.3 电源相关建议
    4. 7.4 布局
      1. 7.4.1 布局指南
      2. 7.4.2 布局示例
  9. 器件和文档支持
    1. 8.1 器件命名规则
    2. 8.2 接收文档更新通知
    3. 8.3 支持资源
    4. 8.4 商标
    5. 8.5 静电放电警告
    6. 8.6 术语表
  10. 修订历史记录
  11. 10机械、封装和可订购信息

封装选项

机械数据 (封装 | 引脚)
散热焊盘机械数据 (封装 | 引脚)
订购信息

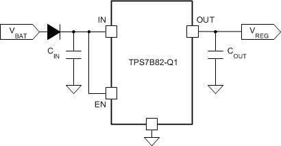
典型应用

图 7-1 显示了 TPS7B82-Q1 的典型应用电路。根据最终应用的不同,使用不同的外部元件值。在快速负载阶跃场景中,应用可能需要使用更大电容值的输出电容器以防止输出电压出现大幅跌落。使用电介质类型为 X5R 或 X7R 的低 ESR 陶瓷电容器。

TPS7B82-Q1 TPS7B82-Q1 典型应用原理图图 7-1 TPS7B82-Q1 典型应用原理图