ZHCSPP1 May   2022 TPS7A16A

PRODUCTION DATA  

  1. 特性
  2. 应用
  3. 说明
  4. Revision History
  5. Pin Configuration and Functions
  6. Specifications
    1. 6.1 Absolute Maximum Ratings
    2. 6.2 ESD Ratings
    3. 6.3 Recommended Operating Conditions
    4. 6.4 Thermal Information
    5. 6.5 Electrical Characteristics
    6. 6.6 Typical Characteristics
  7. Detailed Description
    1. 7.1 Overview
    2. 7.2 Functional Block Diagram
    3. 7.3 Feature Description
      1. 7.3.1 Enable (EN)
      2. 7.3.2 Regulated Output (VOUT)
      3. 7.3.3 PG Delay Timer (DELAY)
    4. 7.4 Device Functional Modes
      1. 7.4.1 Power-Good
        1. 7.4.1.1 Power-Good Delay and Delay Capacitor
  8. Application and Implementation
    1. 8.1 Application Information
    2. 8.2 Typical Application
      1. 8.2.1 TPS7A16A Circuit as an Adjustable Regulator
        1. 8.2.1.1 Design Requirements
        2. 8.2.1.2 Detailed Design Procedure
          1. 8.2.1.2.1 Adjustable Voltage Operation
            1. 8.2.1.2.1.1 Resistor Selection
          2. 8.2.1.2.2 Capacitor Recommendations
          3. 8.2.1.2.3 Input and Output Capacitor Requirements
          4. 8.2.1.2.4 Feed-Forward Capacitor (Only for Adjustable Version)
          5. 8.2.1.2.5 Transient Response
        3. 8.2.1.3 Application Curves
  9. Power Supply Recommendations
  10. 10Layout
    1. 10.1 Layout Guidelines
      1. 10.1.1 Additional Layout Considerations
      2. 10.1.2 Power Dissipation
      3. 10.1.3 Thermal Considerations
    2. 10.2 Layout Examples
  11. 11Device and Documentation Support
    1. 11.1 Device Support
      1. 11.1.1 Device Nomenclature
    2. 11.2 接收文档更新通知
    3. 11.3 支持资源
    4. 11.4 Trademarks
    5. 11.5 Electrostatic Discharge Caution
    6. 11.6 术语表
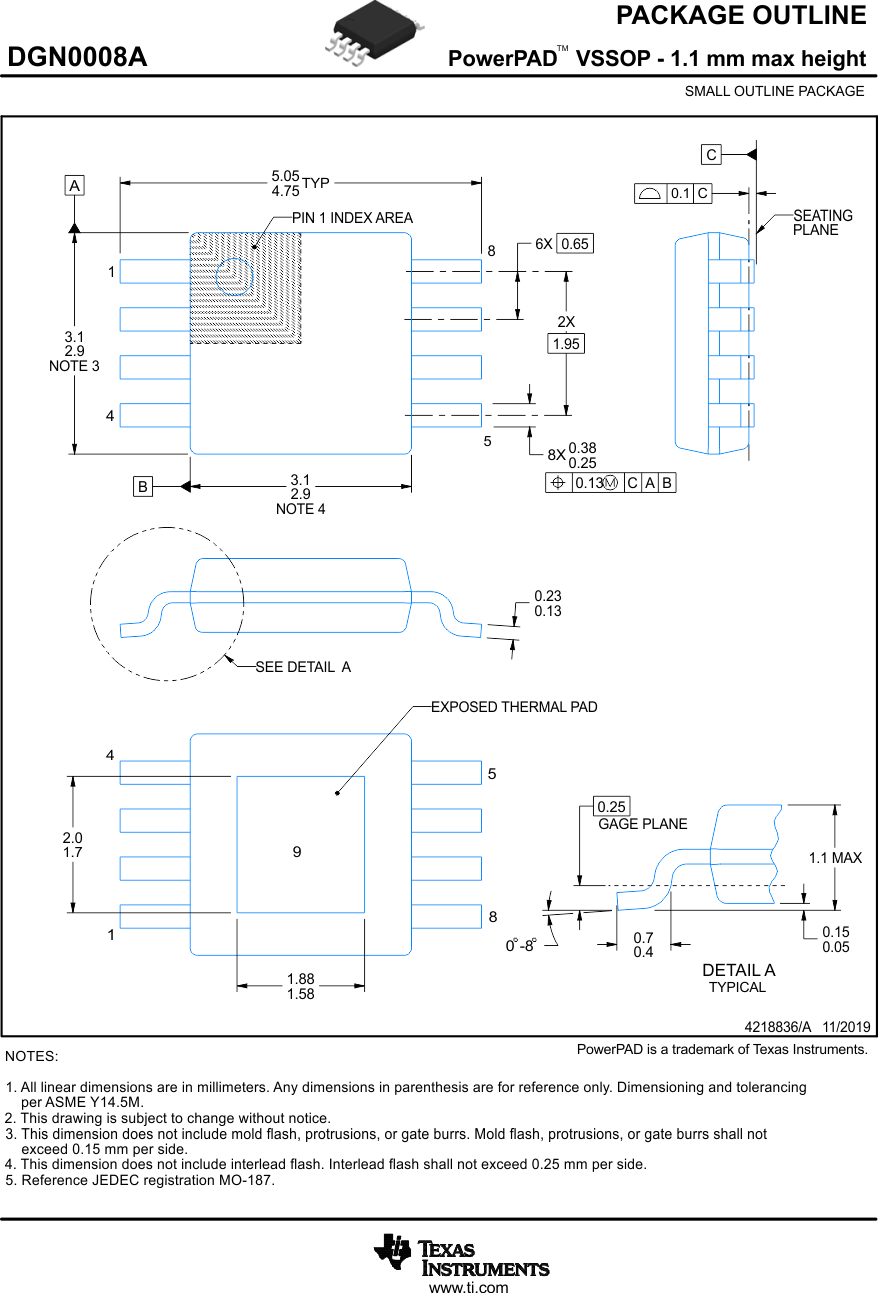
  12. 12Mechanical, Packaging, and Orderable Information
    1. 12.1 Mechanical Data

封装选项

机械数据 (封装 | 引脚)
散热焊盘机械数据 (封装 | 引脚)
订购信息

Mechanical Data

GUID-20220421-SS0I-VMGM-QBRP-5GD6KMC8ZPFZ-low.gifGUID-20220421-SS0I-LZRN-2BDR-C0GQPLLVCRQB-low.gifGUID-20220421-SS0I-GZM8-ZNL4-NKJK4ZNRJKRM-low.gif