SBVS133A February   2010  – November 2014 TPS783

PRODUCTION DATA.  

  1. Features
  2. Applications
  3. Description
  4. Revision History
  5. Pin Configuration and Functions
  6. Specifications
    1. 6.1 Absolute Maximum Ratings
    2. 6.2 Handling Ratings
    3. 6.3 Recommended Operating Conditions
    4. 6.4 Thermal Information
    5. 6.5 Electrical Characteristics
    6. 6.6 Typical Characteristics
  7. Detailed Description
    1. 7.1 Overview
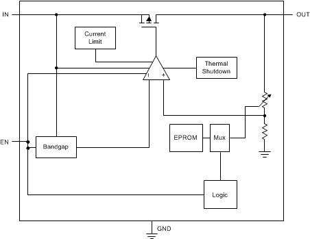
    2. 7.2 Functional Block Diagram
    3. 7.3 Feature Description
      1. 7.3.1 Internal Current Limit
      2. 7.3.2 Shutdown
    4. 7.4 Device Functional Modes
      1. 7.4.1 Normal Operation
      2. 7.4.2 Dropout Operation
      3. 7.4.3 Disabled
  8. Application and Implementation
    1. 8.1 Application Information
    2. 8.2 Typical Application
      1. 8.2.1 Design Requirements
        1. 8.2.1.1 Input and Output Capacitor Requirements
        2. 8.2.1.2 Dropout Voltage
        3. 8.2.1.3 Transient Response
        4. 8.2.1.4 Minimum Load
      2. 8.2.2 Detailed Design Procedure
      3. 8.2.3 Application Curves
    3. 8.3 System Examples
      1. 8.3.1 Extending Battery Life in Keep-Alive Circuitry Applications for MSP430 and Other Low-Power Microcontrollers
      2. 8.3.2 Supercapacitor-Based Backup Power
    4. 8.4 Do's and Don’ts
  9. Power-Supply Recommendations
  10. 10Layout
    1. 10.1 Layout Guidelines
      1. 10.1.1 Board Layout Recommendations to Improve PSRR and Noise Performance
      2. 10.1.2 Package Mounting
      3. 10.1.3 Thermal Information
        1. 10.1.3.1 Thermal Protection
        2. 10.1.3.2 Power Dissipation
    2. 10.2 Layout Example
  11. 11Device and Documentation Support
    1. 11.1 Device Support
      1. 11.1.1 Development Support
        1. 11.1.1.1 Evaluation Modules
        2. 11.1.1.2 Spice Models
      2. 11.1.2 Device Nomenclature
    2. 11.2 Trademarks
    3. 11.3 Electrostatic Discharge Caution
    4. 11.4 Glossary
  12. 12Mechanical, Packaging, and Orderable Information

封装选项

机械数据 (封装 | 引脚)
散热焊盘机械数据 (封装 | 引脚)
订购信息

7 Detailed Description

7.1 Overview

The TPS783 family of low-dropout regulators (LDOs) designed specifically for battery-powered applications where ultralow quiescent current is a critical parameter. The absence of pulldown circuitry at the output of the LDO provides the flexibility to use the regulator output capacitor as a temporary backup power supply for a short period of time (for example, during battery replacement). The TPS783 family is compatible with the TI MSP430 and other similar products. The enable pin (EN) is compatible with standard CMOS logic. This LDO family is stable with any output capacitor greater than 1.0 µF.

7.2 Functional Block Diagram

fbd_bvs133.gif

7.3 Feature Description

7.3.1 Internal Current Limit

The TPS783 is internally current-limited to protect the regulator during fault conditions. During current limit, the output sources a fixed amount of current that is largely independent of output voltage. For reliable operation, do not operate the device in a current-limit state for extended periods of time.

The PMOS pass element in the TPS783 family has a built-in body diode that conducts current when the voltage at OUT exceeds the voltage at IN. This current is not limited, so if extended reverse voltage operation is anticipated, external limiting up to the maximum rated current for the device may be required.

7.3.2 Shutdown

The enable pin (EN) is active high and is compatible with standard and low-voltage CMOS levels. When shutdown capability is not required, connect EN to the IN pin, as shown in Figure 18.

ai_tie_en_bvs133.gifFigure 18. Circuit Showing EN Tied High When Shutdown Capability is Not Required

7.4 Device Functional Modes

Table 1 provides a quick comparison between the normal, dropout, and disabled modes of operation.

Table 1. Device Functional Mode Comparison

OPERATING MODE PARAMETER
VIN EN IOUT TJ
Normal VIN > VOUT(nom) + VDO VEN > VEN(HI) IOUT < ILIM TJ < 160°C
Dropout VIN < VOUT(nom) + VDO VEN > VEN(HI) IOUT < ILIM TJ < 160°C
Disabled VEN < VEN(LO) TJ > 160°C

7.4.1 Normal Operation

The device regulates to the nominal output voltage under the following conditions:

  • The input voltage is greater than the nominal output voltage plus the dropout voltage (VOUT(nom) + VDO).
  • The enable voltage has previously exceeded the enable rising threshold voltage (VEN > VEN(HI)) and not yet decreased below the enable falling threshold.
  • The output current is less than the current limit (IOUT < ILIM).
  • The device junction temperature is less than the thermal shutdown temperature (TJ < 160°C).

7.4.2 Dropout Operation

If the input voltage is lower than the nominal output voltage plus the specified dropout voltage, but all other conditions are met for normal operation, the device operates in dropout mode. In this mode, the output voltage tracks the input voltage. During this mode, the transient performance of the device becomes significantly degraded because the pass device is in a triode state and no longer controls the current through the LDO. Line or load transients in dropout can result in large output-voltage deviations.

7.4.3 Disabled

The device is disabled under the following conditions:

  • The enable voltage is less than the enable falling threshold voltage (VEN < VEN(LO)) or has not yet exceeded the enable rising threshold.
  • The device junction temperature is greater than the thermal shutdown temperature (TJ > 160°C).