ZHCSDK5B September   2014  – January 2017 TPS68470

PRODUCTION DATA.  

  1. 特性
  2. 应用
  3. 说明
  4. 修订历史记录
  5. 说明 (续)
  6. Pin Configuration and Functions
  7. Specifications
    1. 7.1 Absolute Maximum Ratings
    2. 7.2 ESD Ratings
    3. 7.3 Recommended Operating Conditions
    4. 7.4 Thermal Information
    5. 7.5 Electrical Characteristics
    6. 7.6 Timing Requirements - Data Transmission
    7. 7.7 Typical Characteristics
  8. Detailed Description
    1. 8.1 Overview
    2. 8.2 Functional Block Diagram
    3. 8.3 Feature Description
      1. 8.3.1  Power-Up Sequence and Modes
      2. 8.3.2  Clock Generation
        1. 8.3.2.1 Crystal Oscillator
        2. 8.3.2.2 Phase Locked Loop (PLL)
        3. 8.3.2.3 Spread Spectrum Modulator
        4. 8.3.2.4 Clock Drivers
      3. 8.3.3  GPIO and Interrupt Generation
        1. 8.3.3.1 I2C Daisy Chain
        2. 8.3.3.2 Programmable Interrupt Trigger
        3. 8.3.3.3 Internal Interrupt Signals
      4. 8.3.4  Sensor GPO Signals
      5. 8.3.5  Power-Up and Software Reset
      6. 8.3.6  Core Buck
        1. 8.3.6.1 Buck Converter Switching Frequency
        2. 8.3.6.2 Buck Converter Internal Current Limit and Short Detection
      7. 8.3.7  Low Dropout Voltage Regulators (LDOs)
        1. 8.3.7.1 LDO Output Capacitor Requirements
        2. 8.3.7.2 LDO Internal Current Limit and Short Detection
        3. 8.3.7.3 Dropout Voltage
      8. 8.3.8  WLED Boost Converter and WLED Drivers
        1. 8.3.8.1 WLED Driver Operation
        2. 8.3.8.2 WLED Modes
          1. 8.3.8.2.1 FLASH: MODE[1:0] = '00''
          2. 8.3.8.2.2 TORCH: MODE[1:0] = '01''
          3. 8.3.8.2.3 RED-EYE REDUCTION: MODE[1:0] = '10''
          4. 8.3.8.2.4 FOCUS ASSIST: MODE[1:0] = '11''
        3. 8.3.8.3 WLED Trigger Options
          1. 8.3.8.3.1 Level-Sensitive Flash Trigger (TRIG = 0)
            1. 8.3.8.3.1.1 Edge Trigger Flash (TRIG = 1)
        4. 8.3.8.4 Blanking (Tx-Mask) for Instantaneous Flash-Current Reduction
        5. 8.3.8.5 Voltage Mode
      9. 8.3.9  Indicator LED Operation
        1. 8.3.9.1 Retriggerable Pulse Extender
      10. 8.3.10 Safe Operation and Protection Features
        1. 8.3.10.1 LED Temperature Monitoring (Finger-Burn Protection)
        2. 8.3.10.2 LED Failure Modes (Open/Short Detection) and Overvoltage Protection
        3. 8.3.10.3 WLED Open Circuit Detection/Over Voltage Protection
        4. 8.3.10.4 LED Current Ramp-Up/Down
        5. 8.3.10.5 Short Circuit Protection
        6. 8.3.10.6 Hot Die Detection and Thermal Shutdown
      11. 8.3.11 WLED Boost Inductor Selection
      12. 8.3.12 I2C Bus Operation
        1. 8.3.12.1 Single Write to a Defined Location
        2. 8.3.12.2 Single Read From a Defined Location and Current Location
        3. 8.3.12.3 Sequential Read and Write
      13. 8.3.13 Subaddress Definition
        1. 8.3.13.1 I2C Device Address, Start and Stop Condition
    4. 8.4 Device Functional Modes
      1. 8.4.1 Operation with a Single Input Power Rail
      2. 8.4.2 Sequencing the Input Power Rails
    5. 8.5 Register Map
      1. 8.5.1  GSTAT Register (address = 0x01) [reset = 00000000]
      2. 8.5.2  VRSTAT Register (address = 0x02) [reset = -]
      3. 8.5.3  VRSHORT Register (address = 0x03) [reset = 00000000]
      4. 8.5.4  INTMASK Register (address = 0x04) [reset = 00000000]
      5. 8.5.5  VCOSPEED Register (address = 0x05) [reset = 00000000]
      6. 8.5.6  POSTDIV2 Register (address = 0x06) [reset = 00000000]
      7. 8.5.7  BOOSTDIV Register (address = 0x07) [reset = 00000000]
      8. 8.5.8  BUCKDIV Register (address = 0x08) [reset = 00000000]
      9. 8.5.9  PLLSWR Register (address = 0x09) [reset = 00000000]
      10. 8.5.10 XTALDIV Register (address = 0x0A) [reset = 00000000]
      11. 8.5.11 PLLDIV Register (address = 0x0B) [reset = 00000000]
      12. 8.5.12 POSTDIV Register (address = 0x0C) [reset = 00000000]
      13. 8.5.13 PLLCTL Register (address = 0x0D) [reset = 10000000]
      14. 8.5.14 PLLCTL2 Register (address = 0x0E) [reset = 00000000]
      15. 8.5.15 CLKCFG1 Register (address = 0x0F) [reset = 00000000]
      16. 8.5.16 CLKCFG2 Register (address = 0x10) [reset = 00000000]
      17. 8.5.17 GPCTL0A Register (address = 0x14) [reset = 00000001]
      18. 8.5.18 GPCTL0B Register (address = 0x15) [reset = 00001000]
      19. 8.5.19 GPCTL1A Register (address = 0x16) [reset = 00000001]
      20. 8.5.20 GPCTL1B Register (address = 0x17) [reset = 00001000]
      21. 8.5.21 GPCTL2A Register (address = 0x18) [reset = 00000001]
      22. 8.5.22 GPCTL2B Register (address = 0x19) [reset = 00001000]
      23. 8.5.23 GPCTL3A Register (address = 0x1A) [reset = 00000001]
      24. 8.5.24 GPCTL3B Register (address = 0x1B) [reset = 00001000]
      25. 8.5.25 GPCTL4A Register (address = 0x1C) [reset = 00000001]
      26. 8.5.26 GPCTL4B Register (address = 0x1D) [reset = 00001000]
      27. 8.5.27 GPCTL5A Register (address = 0x1E) [reset = 00000001]
      28. 8.5.28 GPCTL5B Register (address = 0x1F) [reset = 00001000]
      29. 8.5.29 GPCTL6A Register (address = 0x20) [reset = 00000001]
      30. 8.5.30 GPCTL6B Register (address = 0x21) [reset = 00001000]
      31. 8.5.31 SGPO Register (address = 0x22) [reset = 00000000]
      32. 8.5.32 PITCTL Register (address = 0x23) [reset = 00000000]
      33. 8.5.33 WAKECFG Register (address = 0x24) [reset = 00000000]
      34. 8.5.34 IOWAKESTAT Register (address = 0x25) [reset = 00000000]
      35. 8.5.35 GPDI Register (address = 0x26) [reset = 00000000]
      36. 8.5.36 GPDO Register (address = 0x27) [reset = 00000000]
      37. 8.5.37 ILEDCTL Register (address = 0x28) [reset = 00000000]
      38. 8.5.38 WLEDSTAT Register (address = 0x29) [reset = 00000000]
      39. 8.5.39 VWLEDILIM Register (address = 0x2A) [reset = 00001010]
      40. 8.5.40 VWLEDVAL Register (address = 0x2B) [reset = 00000000]
      41. 8.5.41 WLEDMAXRER Register (address = 0x2C) [reset = 00000000]
      42. 8.5.42 WLEDMAXT Register (address = 0x2D) [reset = 00000000]
      43. 8.5.43 WLEDMAXAF Register (address = 0x2E) [reset = 00000000]
      44. 8.5.44 WLEDMAXF Register (address = 0x2F) [reset = 00000000]
      45. 8.5.45 WLEDTO Register (address = 0x30) [reset = 00000000]
      46. 8.5.46 VWLEDCTL Register (address = 0x31) [reset = 00111000]
      47. 8.5.47 WLEDTIMER_MSB Register (address = 0x32) [reset = 00000000]
      48. 8.5.48 WLEDTIMER_LSB Register (address = 0x33) [reset = 00000000]
      49. 8.5.49 WLEDC1 Register (address = 0x34) [reset = 00000000]
      50. 8.5.50 WLEDC2 Register (address = 0x35) [reset = 00000000]
      51. 8.5.51 WLEDCTL Register (address = 0x36) [reset = 00000000]
      52. 8.5.52 VCMVAL Register (address = 0x3C) [reset = 00000000]
      53. 8.5.53 VAUX1VAL Register (address = 0x3D) [reset = 00000000]
      54. 8.5.54 VAUX2VAL Register (address = 0x3E) [reset = 00000000]
      55. 8.5.55 VIOVAL Register (address = 0x3F) [reset = 00110100]
      56. 8.5.56 VSIOVAL Register (address = 0x40) [reset = 00110100]
      57. 8.5.57 VAVAL Register (address = 0x41) [reset = 00000000]
      58. 8.5.58 VDVAL Register (address = 0x42) [reset = 00000000]
      59. 8.5.59 S_I2C_CTL Register (address = 0x43) [reset = 00000000]
      60. 8.5.60 VCMCTL Register (address = 0x44) [reset = 00000000]
      61. 8.5.61 VAUX1CTL Register (address = 0x45) [reset = 00000000]
      62. 8.5.62 VAUX2CTL Register (address = 0x46) [reset = 00000000]
      63. 8.5.63 VACTL Register (address = 0x47) [reset = 00000000]
      64. 8.5.64 VDCTL Register (address = 0x48) [reset = 00000100]
      65. 8.5.65 RESET Register (address = 0x50) [reset = N/A]
      66. 8.5.66 REVID Register (address = 0xFF) [reset = 00100000]
  9. Application and Implementation
    1. 9.1 Application Information
    2. 9.2 Typical Application
      1. 9.2.1 Design Requirements
      2. 9.2.2 Detailed Design Procedure
        1. 9.2.2.1 Core Buck Design
          1. 9.2.2.1.1 Inductor Selection
          2. 9.2.2.1.2 Output Capacitor
          3. 9.2.2.1.3 Input Capacitor
        2. 9.2.2.2 WLED Boost Design
          1. 9.2.2.2.1 Inductor Selection
          2. 9.2.2.2.2 Output Capacitor
          3. 9.2.2.2.3 Input Capacitor
        3. 9.2.2.3 LDOs Capacitor Selection
        4. 9.2.2.4 LED Selection
        5. 9.2.2.5 Recommended External Components
      3. 9.2.3 Application Performance Graphs
  10. 10Power Supply Recommendations
  11. 11Layout
    1. 11.1 Layout Guidelines
    2. 11.2 Layout Example
  12. 12器件和文档支持
    1. 12.1 器件支持
      1. 12.1.1 Third-Party Products Disclaimer
    2. 12.2 接收文档更新通知
    3. 12.3 社区资源
    4. 12.4 商标
    5. 12.5 静电放电警告
    6. 12.6 Glossary
  13. 13机械、封装和可订购信息

封装选项

机械数据 (封装 | 引脚)
散热焊盘机械数据 (封装 | 引脚)
订购信息

Application and Implementation

NOTE

Information in the following applications sections is not part of the TI component specification, and TI does not warrant its accuracy or completeness. TI’s customers are responsible for determining suitability of components for their purposes. Customers should validate and test their design implementation to confirm system functionality.

Application Information

The target application for this device is to power a camera module in portable computers and tablets. The recommendations given in the following section are based on the target application.

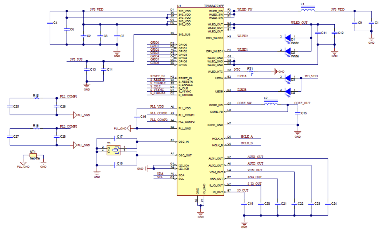
Typical Application

The following figure shows the application schematic for the TPS68470 PMIC. For recommended component values refer to Table 73.

TPS68470 App-Sch.gif Figure 83. Application Schematic for the TPS68470 (refer to Table 73 for values)

Design Requirements

Table 72. Design Parameters

PARAMETER VOLTAGE
Input Voltage Range (3V3_VDD and 3V3_SUS) 3.3V
Buck Output Voltage Default Setting = Off
Boost Output Voltage Default Setting = Off
LDO_IO Output Voltage Default Setting = On (1.8V)
LDO_ANA Output Voltage Default Setting = Off
LDO_S_IO Output Voltage Default Setting = Off
LDO_VCM Output Voltage Default Setting = Off
LDO_AUX1 Output Voltage Default Setting = Off
LDO_AUX2 Output Voltage Default Setting = Off

Detailed Design Procedure

This section describes the application design procedure for the TPS68470 camera module PMIC. It covers the external component selection for the specified application requirements.

Core Buck Design

There are three components required for the buck to operate properly: inductor, output capacitor, and input capacitor. The inductor and output capacitor form an output filter that averages the switch node into a clean regulated supply. The input capacitor supplies the instantaneous current demand of the converter while reducing the noise injected onto the input supply voltage for the other loads.

Inductor Selection

The CORE_SW pin is the switch node of the converter to which the output inductor is connected. The other end of the inductor connects to the output capacitor.

The inductor value affects the peak-to-peak ripple current, the PFM-to-PWM transition point, the output voltage ripple and the efficiency. In addition, the inductor selected has to be rated for the appropriate saturation current, core losses and DC resistance (DCR). The inductor ripple current decreases with higher inductance and increases with higher VIN. For the CORE buck converter, it is recommended to use an inductor with an inductance range of 1.0 µH to 2.2 μH and with the appropriate current rating for the application.

Use the equation below to calculate the theoretical desired inductance value that fits the application.

Equation 3. TPS68470 eq3_lvscj1.gif

Where:

IMAX is the maximum DC load current of the application.

VOUT is the typical output voltage of the voltage rail.

VIN is the input voltage to the converter. For this calculation, use the expected maximum input voltage.

fsw is the typical switching frequency of the converter.

KIND is the desired ripple current divided by IMAX. Typically between 0.2 and 0.4.

LT is the theoretical inductance of the desired inductor.

With the chosen inductance value, the peak current, ILMAX, for the inductor in steady state operation can be calculated using the equations below. The rated saturation current of the inductor must be higher than the ILMAX current.

Equation 4. TPS68470 eq4_lvscj1.gif
Equation 5. TPS68470 eq5_lvscj1.gif

Where:

ILmax is the maximum current through the inductor.

ILripple is the ripple current through the inductor in PWM mode.

L is the typical inductance of the selected inductor.

In DC/DC converter applications, the efficiency is affected by the inductor core losses and by the inductor DCR value. To achieve high efficiency operation, care should be taken in selecting inductors featuring a low DCR value and low core losses at the typical VIN, VOUT and switching frequency. Increasing the inductor value produces lower ripple and peak currents while increasing efficiency but, degrades transient response. For a given physical inductor size, increased inductance usually results in an inductor with lower saturation current.

At low load currents, the switching and core losses are reduced by the PFM mode feature. The approximate transition point of the converter between PFM and PWM is when the DC load current is equal to 50% of ILripple.

The table at the end of this section lists the recommended inductors for the CORE buck converter.

Output Capacitor

The output capacitor completes the LC output filter. It is important to chose an output capacitor that suits the application and inductor selection for stabiliblity, output voltage ripple, and specific application requirements such as size and cost. Ceramic capacitors with low ESR values provide the lowest output voltage ripple and are recommended. The output capacitor requires either an X7R or X5R dielectric. Y5V and Z5U dielectric capacitors, aside from their wide variation in capacitance over temperature, become resistive at high frequencies. In order to achieve specified regulation performance and low output voltage ripple, the DC-bias characteristic of ceramic capacitors must be considered. The effective capacitance of ceramic capacitors drops with increasing DC bias voltage.

For the output capacitor of the CORE buck converter, the use of a small ceramic capacitor placed as close as possible to the inductor and the respective CORE_GND pin of the IC is recommended. If, for any reason, the application requires the use of large capacitors which cannot be placed close to the IC, use a smaller ceramic capacitor in parallel to the large capacitor. The small capacitor should be placed as close as possible to the inductor and the respective CORE_GND pin of the IC.

Refer to Table 73 for recommended values.

Use the equation below to calculate the maximum ESR of the output capacitor allowed in-order to meet the maximum output voltage ripple.

Equation 6. TPS68470 eq6_lvscj1.gif

Where:

VOUTripple is the maximum output voltage ripple allowed by the application.

RESR is the ESR of the output capacitance.

Input Capacitor

Due to the nature of the switching converter with a pulsating input current, a low ESR input capacitor is required for best input voltage filtering and minimizing the interference with other circuits caused by high input voltage spikes. To achieve the low ESR requirement, a ceramic capacitor is recommended. However, the voltage rating and DC bias characteristic of ceramic capacitors need to be considered. The input capacitor can be increased without any limit for better input voltage filtering. Be sure to size the ceramic capacitor to achieve the recommended input capacitance. Place the ceramic capacitor as close as possible to the respective 3V3_VDD and CORE_GND pins of the IC.

Equation 7. TPS68470 eq7_lvscj1.gif

Where:

ΔVIN is the maximum input voltage ripple allowed by the application.

CIN is the input capacitance.

WLED Boost Design

There are three components required for the boost to operate properly: inductor, output capacitor, and input capacitor.

Inductor Selection

The WLED_SW pin is the switch node of the converter which connects to the inductor of the WLED boost converter. The inductor must be connected between the WLED_SW pin and the input capacitor. Use the equation below to calculate the theoretical desired inductance for the inductor.

Equation 8. TPS68470 eq8_lvscj1.gif

Where:

IMAX is the maximum DC load current of the application.

VOUT is the typical output voltage of the voltage rail.

VIN is the input voltage to the converter.

fsw is the typical switching frequency of the boost converter.

KIND is the desired ripple current divided by IMAX. Typically between 0.2 and 0.4.

LT is the theoretical inductance of the desired inductor.

With the chosen inductance value, the peak current, ILMAX, for the inductor in steady state operation can be calculated using the equations below. The rated saturation current of the inductor must be higher than the ILMAX current.

Equation 9. TPS68470 eq9_lvscj1.gif
Equation 10. TPS68470 eq10_lvscj1.gif

Where:

ILmax is the maximum current through the inductor.

ILripple is the ripple current through the inductor in PWM mode.

L is the typical inductance of the selected inductor.

In DC/DC converter applications, the efficiency is affected by the inductor core losses and by the inductor DCR value. To achieve high efficiency operation, care should be taken in selecting inductors featuring a low DCR value and low core losses at the typical VIN, VOUT and switching frequency. Increasing the inductor value produces lower ripple and peak currents while increasing efficiency but, degrades transient response. For a given physical inductor size, increased inductance usually results in an inductor with lower saturation current.

The table at the end of this section lists the recommended inductors for the WLED boost converter.

Output Capacitor

It is important to chose an output capacitor that suits the application and inductor selection for stabiliblity, output voltage ripple, and specific application requirements such as size and cost. Ceramic capacitors with low ESR values provide the lowest output voltage ripple and are recommended. The output capacitor requires either an X7R or X5R dielectric. Y5V and Z5U dielectric capacitors, aside from their wide variation in capacitance over temperature, become resistive at high frequencies. In order to achieve specified regulation performance and low output voltage ripple, the DC-bias characteristic of ceramic capacitors must be considered. The effective capacitance of ceramic capacitors drops with increasing DC bias voltage.

For the output capacitor of the boost converter, the use of a small ceramic capacitor placed as close as possible to the inductor and the respective WLED_GND pin of the IC is recommended. If, for any reason, the application requires the use of large capacitors which cannot be placed close to the IC, use a smaller ceramic capacitor in parallel to the large capacitor. The small capacitor should be placed as close as possible to the WLED_OUT pins and the respective WLED_GND pin of the IC.

Use the equation below to calculate the minimum output capacitance with regards to load transient performance.

Refer to Table 73 for recommended values.

Input Capacitor

Due to the nature of the switching converter with a pulsating input current, a low ESR input capacitor is required for best input voltage filtering and minimizing the interference with other circuits caused by high input voltage spikes. To achieve the low ESR requirement, a ceramic capacitor is recommended. However, the voltage rating and DC bias characteristic of ceramic capacitors need to be considered. The input capacitor can be increased without any limit for better input voltage filtering. Be sure to size the ceramic capacitor to achieve the recommended input capacitance. Place the ceramic capacitor as close as possible to the inductor and WLED_GND pins of the IC.

Refer to Table 73 for recommended values.

LDOs Capacitor Selection

It is recommended to use at least 1.0 µF of output capacitance for each LDO output. The input capacitance for each LDO can be combined into one ceramic capacitor of at least 4.7 µF. For both the input and output capacitors, it is recommended to use small ceramic capacitors placed as close as possible to the IC VDD and GND pins. X5R or X7R dielectric capacitors are required for proper operation over temperature.

LED Selection

For the indicator LED selection, it is best to chose LEDs with small maximum Vf to maximize LED control head room. A red LED with a maximum Vf of 2.2V is a good choice.

For the WLED selection, it is best to chose a WLED with a maximum current of at least 1A and small to fit the form factor of the application design.

Recommended External Components

The following external components are recommended for use with the TPS68470.

Table 73. List of External Components

BLOCK COMPONENT COMPONENT NUMBER MANUFACTURER VALUE SERIES DIMENSIONS
CORE BUCK Inductor L2 Toko 1.0 µH 1269AS-H-1R0M 2.5 x 2.0 x 1.0 mm
Taiyo Yuden 1.5 µH CKP2012N1R5M 2.0 x 1.25 x 1.0 mm
1.0 µH NR3010_1R0 3.0 x 3.0 x 1.0 mm
Output capacitor C15 4.7 µF X5R or X7R ceramic capacitor
Input capacitor C2 10 µF X5R or X7R ceramic capacitor
WLED BOOST Inductor L1 TDK 2.2 µH SMP3012 3.2 x 3.0 x 1.2 mm
2.2 µH SMP3015 3.2 x 3.0 x 1.5 mm
2.2 µH SMP4012 4.4 x 4.1 x 1.2 mm
Output capacitor C11, C12 10 µF X5R or X7R ceramic capacitor
Input capacitor C1, C9 10 µF X5R or X7R ceramic capacitor
WLED Flash LEDs D1, D2 Everlight ELCH08-5070J6J8284110-N0 2.04 x 1.64 x 0.75 mm
All LDO’s Output capacitor C19 - C24 1.0 µF X5R or X7R ceramic capacitor
CLK generator XTAL Y1 Pericom FL2000044 3.2 x 2.5 x 0.65mm
Epson 24MHz FA - 128 2.0 x 1.6 x 0.5 mm
TXC TXC – 7M 3.2 x 2.5 x 0.7 mm
Comp capacitors C26, C28 2.2 nF X5R or X7R ceramic capacitor
C25, C27 10 nF X5R or X7R ceramic capacitor
Comp resistors R15, R16 8.2 kΩ
3V3_SUS Supply capacitor C13 4.7 µF X5R or X7R ceramic capacitor
Decoupling capacitor C14 0.1 µF X5R or X7R ceramic capacitor
3V3_VDD Supply capacitors C3 4.7 µF X5R or X7R ceramic capacitor
Decoupling capacitor C4, C6, C7 0.1 µF X5R or X7R ceramic capacitor

Application Performance Graphs

Table 74. Table of Graphs

DESCRIPTION REFERENCE
Core Buck Efficiency vs. Output Current Figure 84
Load Regulation vs. Output Current Figure 85
Output Ripple Voltage, IOUT = 500 mA Figure 86
Load Transient Figure 87
WLED Boost Efficiency vs. Output Current Figure 88
Load Regulation vs. Output Current Figure 89
Output Ripple Voltage, IOUT = 500 mA Figure 90
Load Transient Figure 91
TPS68470 Eff-Buck-Graph.gif
Figure 84. Core Buck Efficiency
TPS68470 Rip-Buck-Graph.gif
Figure 86. Core Buck Output Ripple
TPS68470 Eff-Boost-Graph.gif
Figure 88. WLED Boost Efficiency
TPS68470 Rip-Boost-Graph.gif
Figure 90. WLED Boost Ouput Ripple
TPS68470 LoadReg-Buck-Graph.gif
Figure 85. Core Buck Load Regulation
TPS68470 Trans-Buck-Graph.gif
Figure 87. Core Buck Load Transient
TPS68470 LoadReg-Boost-Graph.gif
Figure 89. WLED Boost Load Regulation
TPS68470 Trans-Boost-Graph.gif
Figure 91. WLED Boost Load Transient