ZHCSDX6 July 2015 TPS65400-Q1
PRODUCTION DATA.
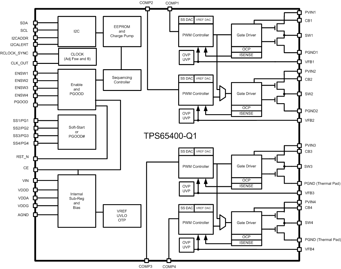
The TPS65400-Q1 is an integrated PMU optimized for applications that require small form factor and high-power conversion efficiency enabling small space-constrained equipment with high-ambient operating temperature without cooling. It provides high-power efficiency at a system level by enabling a single-stage conversion from an intermediate distribution bus with an optimized combination of regulators.
The TPS65400-Q1 consists of four high-current buck-switching regulators (SW1, SW2, SW3, and SW4) with integrated FETs. The switching power supplies are intended for powering high-current digital circuits such as the processor, FPGA, ASIC, memory, and digital I/Os. SW1 and SW2 support 4 A each, and SW3 and SW4 support 2 A each. Each regulator’s switching frequency is independently adjustable up to 2.2 MHz.
Current limit programmability on each switcher enables optimization of inductor ratings for a particular application configuration not requiring the maximum current capability.
The TPS65400-Q1 can be powered from a single-input voltage rail between 4.5 and 18 V, making it suitable for applications running off a 5- or 12-V intermediate power distribution bus.
Sequencing requirements can be met using the individual enable pins or by programming the sequence through the I2C bus into the onboard EEPROM. Output voltages can be set through external resistor networks and VREF can be programmed from 0.6 to 1.87 V in 10-mV steps. All control and status info can be accessed through a PMBus-compatible I2C bus.
The TPS65400-Q1 provides a high level of flexibility for monitoring and control through the I2C bus while providing the option of programmability through the use of external components and voltage levels for systems not using I2C.
Figure 5. TPS65400-Q1 Functional Block Diagram

Figure 7 shows the startup timing of the TPS65400-Q1. Upon power-up or the rising edge of CE, the internal power rails VDDA, VDDG, and VDDD startup during the time labeled tstart. Following tstart, a delay of t1 follows (which is defined by the user through the timing of RST_N). During time tstart and t1, the COMP terminal is internally discharged through a 1-kΩ resistor. At the rising edge of RST_N, the TPS65400-Q1 begins two actions:
After tconfig is complete, treset_delay begins. The length of treset_delay is user-configurable through PMBus register DCh. After treset_delay is complete, the TPS65400-Q1 begins its startup sequence. The startup sequence is EEPROM-configurable, so any of the four switchers could be the first to startup with a configurable delay. In this particular example, SW1 is configured to startup first after a delay of tSW1_TON_DELAY, which is configurable through PMBus register (DDh) TON_TOFF_DELAY.

To summarize, the length of time from rising edge of CE to soft-start of the first switcher in the sequence is:
The delays, treset_delay and tSW1_ON_DELAY, are both configurable through PMBus. The delay, tconfig, is typically 1.1 ms. The delays, t1 and t2, are determined by the user-defined timing of RST_N and ENSW1. They can both be set to 0 by pulling RST_N high before the end of tstart and ENSW1 high before the end of treset_delay. One simple way to do this would be to tie both signals to VDDD.
To use external sequencing, either connect all the enable pins (ENSW1, ENSW2, ENSW3, and ENSW4) to an external sequencing controller, or connect them to PGOOD outputs as shown in Figure 8. By default, tON_DELAY and tOFF_DELAY are both set to 5 ms. This allows the user complete flexibility of sequencing order and timing with the ENSWx pins without modifying any of the default settings in the TPS65400-Q1.

The default settings for SEQUENCE_ORDER (see (D5h) SEQUENCE_ORDER) effectively disable sequencing by setting all switchers to start at the same time. Therefore, to use internal sequencing, the default values for SEQUENCE_ORDER must be changed to the desired sequence. In addition, the user can configure the start or stop sequence to have a dependence on the PGOOD output of the previous switcher, or to wait for a set delay. If configured to have a dependence on PGOOD, the soft-start for the next switcher begins after PGOOD of the previous goes high and the wait time determined by tON_DELAY is complete. If configured to wait for a set delay, the wait time determined by tON_DELAY begins immediately upon the enabling of the previous switcher.
In addition, each supply can be disabled such that it is bypassed in the power-up sequence. For example, if the sequence is SW1-SW2-SW3-SW4, and SW2 is disabled, then SW3 will be powered up after SW1. The initial configuration of the TPS65400-Q1 (for first-time power-up) needs to be done using one of the methods described in Initial Configuration.
The TPS65400-Q1 implements a UVLO function that prevents startup when the voltage at VIN (terminal 22) is below 4 V. In most applications, VIN and all of the power rails (PVIN1, PVIN2, PVIN3, and PVIN4) are tied to the same source and this single UVLO function is sufficient. However, in some applications, the power rails may be tied to different input voltages, and there is the possibility that the TPS65400-Q1 may attempt to startup a switcher even when its associated PVINx rail has not reached a high-enough voltage. In these cases, the precision enable threshold on each ENSWx can be used to precisely set the startup threshold for each individual switcher with a simple resistor divider to PVINx.
In cases where a single UVLO threshold is needed for all four switchers, but at a different level than 4 V, the TPS65400-Q1 can be configured for single-terminal enable (PMBus register D2h, bits 0:1 = 10) where the ENSW1/ENSEQ terminal is used as a sequence enable terminal. Then, a resistor divider to the appropriate PVINx rail can be used to set a precise UVLO threshold that applies to all four switchers.
The TPS65400-Q1 implements a soft-start function that minimizes discharge of the output when starting up in a prebiased condition. Soft-start time, tSS, is set by tON_TRANSITION_RATE (digital soft-start) or by a capacitor connected to the corresponding SSx pin (analog soft-start). In this setup, the SSx pin sources a 5-µA current charging the capacitor, and the voltage at the SSx pin limits the reference voltage at the input of the error amplifier.
At the beginning of the soft-start, the soft-start input to the error amplifier is set to 0. The SSx input is raised gradually and reaches its target value during the time tss. If VFB > VSS, then no switching occurs. After the Soft-Start signal crosses VFB, the switching begins. The first switching pulse is on the low-side FET, which charges the high-side bootstrap capacitor. The unit runs in discontinuous conduction mode (DCM) with the zero-cross detector enabled on the low side (diode emulation). The high-side FET is pulsed according to the error amplifier output on the COMP pin. If the IC is configured for continuous conduction mode (CCM) operation (default), the low-side FET pulses gradually transition to normal CCM operation; at each successive switching cycle, the low-side gate pulse is gradually ramped until full synchronous switching occurs. At this point, the switcher enters normal CCM operation.
Figure 9. Soft-Start Under Prebiased Condition and CCM Mode Programmed
Figure 10. Soft-Start Under Prebiased Condition and DCM Mode Programmed
The TPS65400-Q1 has the ability to use an analog-based soft-start ramp based on external capacitors (one input for each switcher) or to use internal signals based on digital logics and DACs to perform the soft-start function.
When using external soft-start configuration (default configuration), the SSx pins are connected to the soft-start input of the error amplifier.
When using the internal digital soft-start signal, the soft-start input to the error amplifier increases step-by-step at a rate set according to the value set in TON_RAMP_RATE (see (DEh) TON_TRANSITION_RATE).
Figure 11. Internal Soft-Start Input to Error Amplifier When Digital Soft-Start is Selected
ΔVSS_step is 10 mV. Tss_step depends on the soft-start time option selected. See (DEh) TON_TRANSITION_RATE for more details.
When using external soft-start capacitor to set the soft-start time, use Equation 2.

Css is the value of the capacitor connected between the SSx pin and AGND. VREF is the value of the reference voltage (default is 0.8 V). ISS is the current sourced by the SS1/PG1 pin during soft-start.
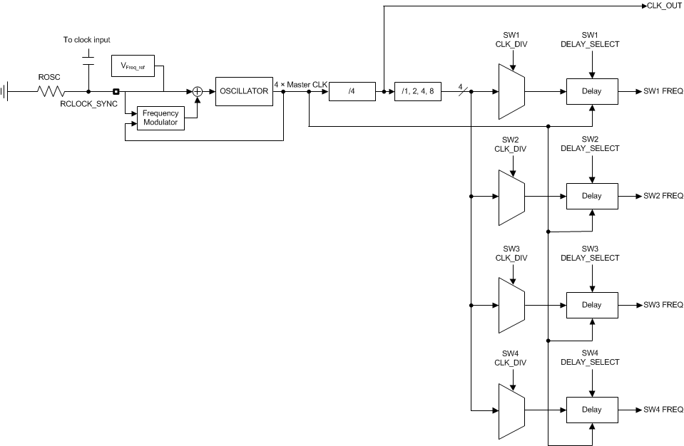
The master clock frequency, FOSC, can be set by external resistor on the RCLOCK_SYNC terminal, or by synchronizing with an external clock. To set using an external resistor, use this formula.
Figure 12. Frequency vs Rosc
To sync to an external source, an AC-coupled signal should be applied to the terminal. A fixed resistor should still be connected to set a minimum frequency. The frequency of the input signal to synchronize with should always be higher than the minimum frequency. If the internal PLL cannot synchronize, the switchers will fall back to the minimum frequency set by the resistor. The CLK_OUT terminal outputs the master clock FOSC.
The PWM frequency of each switcher is determined by this master clock frequency and an I2C-programmable choice of 4 divider ratios (1, 2, 4, or 8) by setting CLK_DIV (see (D7h) FREQUENCY_PHASE).

The intent of the individual divider ratios is to allow users to set the frequency of each switcher independently. For example, with a master clock FOSC of 1.1 MHz, SW1 and SW2 have a divider ratio of 4 for a 275-kHz PWM, and SW3 and SW4 have a divider ratio of 1 for a PWM frequency of 1.1 MHz. Select the divider ratio so that the PWM frequency stays within the range of 275 kHz to 2.2 MHz for whichever master clock frequency is set.
In addition to selecting the frequency, each switcher can have its PWM frequency delayed. This enables the designer to minimize ripple current by properly selecting the delays so that the switching frequencies are out of phase. The default switching frequency is at CLK_DIV = FOSC / 1 with PHASE_DELAY for SW1 at 0˚, SW2 at 180˚, SW3 at 90˚, and SW4 at 270˚. More information on frequency selection and delay is given in (D7h) FREQUENCY_PHASE.
The RCLOCK_SYNC terminal can be used to synchronize the master clock switching frequency, FOSC, with an external clock source or another TPS65400-Q1. The external clock signal (which can come from another TPS65400-Q1 CLK_OUT terminal) should be AC coupled to the RCLOCK_SYNC terminal as shown in Figure 14. Choose the ROSC value so that the fixed frequency is nominally 30% lower than the external synchronizing clock frequency. An internal protection diode clamps the low level of the synchronizing signal to approximately –0.5 V. The internal clock synchronizes to the rising edge of the external clock.
Figure 14. AC-Coupled Clock Synchronization
TI recommends to choose an AC-coupling capacitance in the range of 50 to 100 pF. Exceeding the recommended capacitance may inject excessive energy through the internal clamping diode structure present on the RCLOCK_SYNC terminal. The typical trip level of the synchronization terminal is 1.5 V. To ensure proper synchronization and to avoid damaging the IC, the peak-to-peak value (amplitude) should be between 2.5 V and VDDA. The minimum duration of this pulse must be greater than 200 ns, and its maximum duration must be 200 ns less than the period of the switching cycle.
The external clock synchronization process begins after the TPS65400-Q1 is enabled and an external clock signal is detected. The frequency modulator adjusts the oscillator frequency to match the frequency of the pulses into the RCLOCK_SYNC terminal. It generally takes 50 cycles before the PWM frequency locks. If the external clock signal is removed after frequency synchronization, the master clock FOSC drifts to the frequency selected by ROSC.
The TPS65400-Q1 offers the ability to output rails of higher currents by connecting SW1 and SW2 in parallel, or by connecting SW3 and SW4 in parallel. To configure this option, the COMP2 or COMP4 terminal must be tied to VDDA through a 4-kΩ resistor.
Upon the initialization sequence after a reset, the TPS65400-Q1 attempts to discharge the COMP terminal through a 2-kΩ internal resistor. When it detects that the COMP terminal is pulled high, it configures itself to operate in current sharing mode. If SW2 is set to current sharing mode, its PWM output is controlled by the error amplifier and COMP1 terminal of SW1 and set to the same frequency as SW1. Likewise, if SW4 is set to current sharing mode, its PWM output is controlled by the error amplifier and COMP3 terminal of SW3 and set to the same frequency as SW3. This means that the frequency settings for SW2 and SW4 in the EEPROM are ignored in that mode of operation.
When current sharing mode is detected on a particular pair, the output slave’s I2C access is invalid and the output slave’s default settings follow that of its master (see (00h) PAGE). The only exception is that the slave switcher PWM is a fixed 180° phase-shift from its master.
| Pair | Output | Current Sharing Relationship | Switching Frequency | Switching Phase |
|---|---|---|---|---|
| SW1-SW2 | SW1 | Master | Programmable | Programmable |
| SW2 | Slave | Follows master | Master + 180° | |
| SW3-SW4 | SW3 | Master | Programmable | Programmable |
| SW4 | Slave | Follows master | Master + 180° |
OVP, OCP, and undervoltage protection (UVP) are handled for each switcher independently. OVP or OCP faults that occur on one switcher do not affect the other outputs. There are two exceptions:
During the soft-start time for a switcher, all fault signals (OVP, OCP, and UVP) are disabled and reset to the unfaulted condition. The first moment when faults can be triggered is after the end of the soft-start sequence.
OVP thresholds are set as a percentage of VREF. A deglitching time of 50 μs is used for the overvoltage. When an overvoltage occurs at the OVP upper threshold limit, the high-side FET and the low-side FET are disabled for that switcher until the OVP falling threshold is reached. When the OVP falling threshold is reached, the low-side FET turns on for 200 ns to ensure that the bootstrap capacitor is recharged before resuming normal operation of the converter.
Output voltage falling below the UVP thresholds causes the corresponding PGOOD output to fall, but the switcher continues to operate as it tries to increase the output voltage. However, if the PGOOD terminal is tied to the enable ENSWx signal of another switcher on the PCB (for external sequencing), the output for that ENSWx-PGOOD-tied switcher is disabled until output voltage is nominal and PGOOD is good.
OTP shuts down all switchers. When the temperature drops below the hysteresis level, a soft reset is triggered and the chip restarts from the startup sequence.
Fault Monitoring describes fault reporting and clearing of fault status registers.
The OVP and UVP sensing is deglitched to prevent unwanted tripping. The faults need to be sustained for more than 55 μs typically (60 μs max) to be registered and trigger protection circuits and PGOOD output to fall. Fault detection is disabled on a given switcher when its VREF is being ramped (as result of an I2C command to change VREF). An additional 100-μs fault blanking time results after VREF has been adjusted to its target level.
The OCP is I2C-programmable and set by the IOUT_MAX command. By default, the peak current IOUT_MAX for SW1 and SW2 is 6 A, and for SW3 and SW4 it is 3 A. When the current reaches this threshold, the unit immediately turns off the high-side FET and keeps the low-side FET off for the remainder of the switching cycle. The following cycle are skipped (high-side FET off, low-side FET off) regardless of the inductor current. If the current in the inductor is still higher than the IOUT_MAX after the skipped cycle, the following cycles are also skipped until the current reach below the IOUT_MAX.
If the IOUT_MAX is reached more than 256 active cycles continuously, the switcher shut downs for 20 ms and restarts. If the switcher is running in interleaved operation, both the switcher that tripped the IOUT_MAX threshold and its interleaved counterpart shut down for 20 ms. After that period of time, the unit restarts and goes through soft-start operation. For very-low duty cycle operation and faulty operation with very-fast current increase during the high-side FET on-time (due to inductor saturation and so forth), OCP is also enforced on the low side to ensure no runaway condition exists.
| SWITCHER | IOUT_MAX |
|---|---|
| SW1, SW2 | 2 A |
| 3 A | |
| 4 A | |
| 5 A | |
| 6 A (default) | |
| SW3, SW4 | 0.5 A |
| 1 A | |
| 2 A | |
| 3 A (default) |
While the converter is shut down following an OCP event spanning more than 256 cycles, the COMP terminal is pulled low for 1.1 ms prior to precharge and re-enabling of the converter. At the same time, the SSx pin is discharged to AGND for 1.1 ms. If the soft-start is digital (SSx pins used as PGOODx outputs), the soft-start value is reset.
Figure 15. Inductor Current During Overcurrent Event
At high switching frequency (>1 MHz) and particularly when there is a fault in the converter such as saturation of the inductor, the current sensor might not sense the overcurrent event. To ensure that current protection is provided in all operating scenarios, low-side current sensing is also present to provide overcurrent detection and protection when the low-side FET is on. If over-current is detected when the low-side FET is on, the low-side FET stays on (and the high-side FET off) until the current drops below the threshold. A new cycle will then begin (high side on, low side off) when the next switching cycle occurs as driven by the internal clock derived from the oscillator (internal or external synchronization). A dedicated counter records the low-side OCP events and initiates a shutdown of the converter after 256 OCP event counts. Six consecutive cycles without a low-side OCP event resets the counter.
Figure 16. Inductor Current During Overcurrent Event With Low-Side Detection
When the converter is running in interleaved operation, an OCP event will not trigger the COMP terminal to be pulled low to 0.6 V. Instead, the error amplifier is switched off (tri-stated). This ensures that the COMP terminal voltage remains constant so that the other phase continues to operate during the OCP event. An OCP event on one switcher lasting more than 256 cycles triggers the shutdown of both switchers running in interleaved mode.
All contents of the registers are saved and stored in the data store (non-volatile memory) with the exceptions listed in Table 4 (Supported PMBus Commands) when STORE_DEFAULT_ALL is issued. Contents of the registers are copied from the data store when power is restored. This allows the system processor to turn on the power supplies as needed with the same default settings before power was lost.
Figure 17. Simplified Equivalent Feedback Compensation Network
A typical compensation circuit could be type II (RC and CC) to have a phase margin between 60° and 90°, or type III (RC, CC, and Cff) to improve the converter transient response. CRoll adds a high-frequency pole to attenuate high-frequency noise when needed. CRoll should be set to at least twice the crossover frequency to avoid interacting with the feedback compensation. It may also prevent noise coupling from other rails if there is possibility of cross coupling in between rails when layout is very compact.
Table 3 shows the recommended values for the compensation network components as an initial start. These result in the compensating zero of the Type II to match the dominant pole of the converter.
| TYPE II | TYPE III | |
|---|---|---|
| Select cross over frequency to be less than 1/5 of switching frequency (typical is 1/10) | ![]() |
![]() |
| Set RC | ![]() |
![]() |
| Set CC | ![]() |
![]() |
| Add CRoll if needed to remove large signal coupling to high impedance COMP node. | ![]() |
![]() |
| Cff compensating capacitor for type III compensation network. Choose ƒzff same as FC. | N/A | ![]() |
The output voltage of each buck is set with a resistor divider from BUCK output to FB pin and ground. TI recommends to use a 1% tolerance resistor or better one to get higher output voltage accuracy.
Figure 18.
With RFB1 and RFB2, output voltage is determined by:

Default Vref in TPS65400-Q1 is 0.8 V. It can be programed from 0.6 to 1.87 V by digital interface PMBus. See (D8h) VREF_COMMAND for more detailed information.
TPS65400-Q1 implements a PMBus-compatible I2C digital interface. The PMBus specification referenced by this section is PMBus Power System Management Protocol Specification Part I – General Requirements, Transport and Electrical Interface, Revision 1.2, dated 6 September 2010. The specification is published by the Power Management Bus Implementers Forum and is available from http://pmbus.org/Specifications. See details in PMBus and Register Maps.
The recommended method of configuring the TPS65400-Q1 the first time is through an external programmer through a separate I2C programming header (as shown in Figure 19). The programming header needs to connect to the SCL, SDA, CE, VDDD, and DGND lines, and can be done using a USB-to-I2C tool. This enables the user to tailor the settings of the TPS65400-Q1 for each PCB specifically after PCB assembly, before the first power-up of the board.
An alternative method is to use the firmware in an on-board microcontroller to do the initial configuration. To do this, the user has two options:
Using either method for the microcontroller requires the firmware to check if the TPS65400-Q1 has been previously configured, or if a modification needs to be made to an already programmed configuration. Users may use USER_DATA_BYTE_00 and/or USER_DATA_BYTE_01 to store a version number to identify which version of the configuration is stored in the TPS65400-Q1.
A hybrid option may also be done where the initial configuration is done using an external programmer, and the subsequent revisions are done through the microcontroller firmware. This eliminates the risk from damage caused by the default configuration during the first power-up, but still allows the microcontroller firmware to modify settings such as the VREF settings for subsequent power-ups.

OPERATION (SWx) refers to OPERATION register in the corresponding PMBus PAGE. See (01h) OPERATION for more information on the OPERATION register.
Figure 20. Internal Sequencing Schematic With Host
Figure 21. Internal Sequencing Schematic Without Host
When the VIN/PVINx are above UVLO threshold and ENSWx are above the threshold, all four switchers operate in continuous current mode(CCM) with IOUT_MODE(see (D6h) IOUT_MODE) setting default. In CCM, the converters work in peak current mode for easy loop compensation and cycle-by-cycle high side MOSFET current limit.
When DCM mode is enabled by setting IOUT_MODE (see (D6h) IOUT_MODE), the switchers transition to DCM operation at light loads. During DCM mode, the low-side FET is turned off to prevent negative inductor current. This increases light-load efficiency, but output ripple and transient response during DCM or during transitions between DCM and CCM mode can be degraded.
At light load, the COMP terminal is driven by the error amplifier to the minimum clamp voltage. When the COMP voltage reaches below 0.6 V and the error amplifier is sinking more than 5 μA, both the high-side and low-side FET will be tri-stated to prevent the output voltage from rising above the set value. The FET function is re-enabled when the GM amplifier sinks less than 3 μA. This results in a burst mode operation at light load. The low-side FET has a 200-ns one-shot ON-time to ensure that the bootstrap capacitor is charged before the normal function of the converter is resumed.
When SW1/SW2 pair output and/or SW3/SW4 pair output are shared, the responding pairs current sharing mode is enabled and the ENABLE_PIN_CONFIG is set to single ENABLE. For the detail configuration, see Current Sharing Typical Application.
Table 4 lists the PMBus commands. Commands 00h through CFh are defined in the PMBus Specification and are considered to be core commands that are standardized for all manufacturers and products. Commands D0h through FEh are manufacturer-specific and may be unique for each manufacturer and product. Commands that are not supported by the device are not listed.
| Code | Name | SMBUS Transaction Type: Writing Data | SMBUS Transaction Type: Reading Data | Data Bytes | PAGE Support | Saved to Data Flash | Description |
|---|---|---|---|---|---|---|---|
| 00h | PAGE | Write byte | Read byte | 1 | — | No | Selects output rail (see (00h) PAGE) |
| 01h | OPERATION | Write byte | Read byte | 1 | 00-03, FF | No | Starts or stops output (see (01h) OPERATION) |
| 03h | CLEAR_FAULTS | Send byte | — | 0 | 00-03, FF | — | Clears all faults (see (03h) CLEAR_FAULTS) |
| 10h | WRITE_PROTECT | Write byte | Read byte | 1 | — | No | Used to lock bus writes (see (10h) WRITE_PROTECT) |
| 11h | STORE_DEFAULT_ALL | Send byte | — | 0 | — | — | Stores operating memory to default store (see (11h) STORE_DEFAULT_ALL) |
| 19h | CAPABILITY | — | Read byte | 1 | — | — | Describes PMBUS capabilities (see (19h) CAPABILITY) |
| 78h | STATUS_BYTE | — | Read byte | 1 | 00-03, FF | — | Fault register (see (78h) STATUS_BYTE) |
| 79h | STATUS_WORD | — | Read word | 2 | 00-03, FF | — | Fault register (see (79h) STATUS_WORD) |
| 7Ah | STATUS_VOUT | — | Read byte | 1 | 00-03, FF | — | Output fault register (see (7Ah) STATUS_VOUT) |
| 80h | STATUS_MFR_SPECIFIC | — | Read byte | 1 | — | — | Status register (PGOOD#_N) (see (80h) STATUS_MFR_SPECIFIC) |
| 98h | PMBUS_REVISION | — | Read byte | 1 | — | — | PMBUS revision support (see (98h) PMBUS_REVISION) |
| ADh | IC_DEVICE_ID | — | Read block | 7 | — | — | IC part number in ASCII (see (ADh) IC_DEVICE_ID) |
| AEh | IC_DEVICE_REV | — | Read block | 2 | — | — | IC part revision code (see (AEh) IC_DEVICE_REV) |
| D0h | USER_DATA_BYTE_00 | Write byte | Read byte | 1 | — | Yes | User-defined data (see (D0h) USER_DATA_BYTE_00) |
| D1h | USER_DATA_BYTE_01 | Write byte | Read byte | 1 | — | Yes | User-defined data (see (D1h) USER_DATA_BYTE_01) |
| D2h | PIN_CONFIG_00 | Write byte | Read byte | 1 | — | Yes | Configures pin behavior (see (D2h) PIN_CONFIG_00) |
| D3h | PIN_CONFIG_01 | Write byte | Read byte | 1 | 00-03 | Yes | Configures rail-specific pin behavior (see (D3h) PIN_CONFIG_01) |
| D4h | SEQUENCE_CONFIG | Write byte | Read byte | 1 | — | Yes | Configures sequence behavior (see (D4h) SEQUENCE_CONFIG) |
| D5h | SEQUENCE_ORDER | Write byte | Read byte | 1 | 00-03 | Yes | Configures sequence order (see (D5h) SEQUENCE_ORDER) |
| D6h | IOUT_MODE | Write byte | Read byte | 1 | 00-03 | Yes | Sets CCM / DCM, current sharing status (see (D6h) IOUT_MODE) |
| D7h | FREQUENCY_PHASE | Write byte | Read byte | 1 | 00-03 | Yes | Sets switcher frequency and phase (see (D7h) FREQUENCY_PHASE) |
| D8h | VREF_COMMAND | Write byte | Read byte | 1 | 00-03 | Yes | Sets reference voltage (VREF) (see (D8h) VREF_COMMAND) |
| D9h | IOUT_MAX | Write byte | Read byte | 1 | 00-03 | Yes | Sets current limit (see (D9h) IOUT_MAX) |
| DAh | USER_RAM_00 | Write byte | Read byte | 1 | — | No | RESET notification (see (DAh) USER_RAM_00) |
| DBh | SOFT_RESET | Send byte | — | 0 | — | — | Soft resets device (see (DBh) SOFT_RESET) |
| DCh | RESET_DELAY | Write byte | Read byte | 1 | — | Yes | Sets delay after reset (see (DCh) RESET_DELAY) |
| DDh | TON_TOFF_DELAY | Write byte | Read byte | 1 | 00-03 | Yes | Sets delay before output begins to turn ON/OFF (see (DDh) TON_TOFF_DELAY) |
| DEh | TON_TRANSITION_RATE | Write byte | Read byte | 1 | 00-03 | Yes | Sets soft-start time (see (DEh) TON_TRANSITION_RATE) |
| DFh | VREF_TRANSITION_RATE | Write byte | Read byte | 1 | 00-03 | Yes | Sets ramping parameters for real-time Vref settings in output (see (DFh) VREF_TRANSITION_RATE) |
| E0h-EFh | — | — | — | — | — | — | Reserved |
| F0h | SLOPE_COMPENSATION | Write byte | Read byte | 1 | 00-03 | Yes | Adjusts control loop compensation (see (F0h) SLOPE_COMPENSATION) |
| F1h | ISENSE_GAIN | Write byte | Read byte | 1 | 00-03 | Yes | Adjusts control loop current sense (see (F1h) ISENSE_GAIN) |
| FCh | DEVICE_CODE | — | Read word | 2 | — | — | IC part revision code (see (FCh) DEVICE_CODE) |
| Code | Name | Default Value | Byte | Bits | ||||||||
|---|---|---|---|---|---|---|---|---|---|---|---|---|
| 7 (MSB) | 6 | 5 | 4 | 3 | 2 | 1 | 0 (LSB) | |||||
| 00h | PAGE | 0xFF | 0 | PAGE | ||||||||
| 01h | OPERATION | 0x80 | 0 | OPERATION | x | x | x | x | ||||
| 03h | CLEAR_FAULTS | — | ||||||||||
| 10h | WRITE_PROTECT | 0x40 | 0 | WRITE_PROTECT | ||||||||
| 11h | STORE_DEFAULT_ALL | — | ||||||||||
| 19h | CAPABILITY | 0xA0 | 0 | PEC | BUS | SMB_ALERT | x | x | x | x | ||
| 78h | STATUS_BYTE | 0b0XXXX0XX | 0 | x | OFF | VOUT_OV | IOUT_OC | TEMPERATURE | x | CML | NONE OF THE ABOVE | |
| 79h | STATUS_WORD | 0b0XXXX0XX | 0 | x | OFF | VOUT_OV | IOUT_OC | TEMPERATURE | x | CML | NONE OF THE ABOVE | |
| 0bX00XX000 | 1 | VOUT | x | x | MFR | POWER_GOOD_N | x | x | x | |||
| 7Ah | STATUS_VOUT | 0bX00X0000 | 0 | VOUT_OV | x | x | VOUT_UV | x | x | x | x | |
| 80h | STATUS_MFR_SPECIFIC | 0b0000XXXX | 1 | x | x | x | x | POWER_GOOD4_N | POWER_GOOD3_N | POWER_GOOD2_N | POWER_GOOD1_N | |
| 98h | PMBUS_REVISION | 0x22 | 0 | Part I Revision | Part II Revision | |||||||
| ADh | IC_DEVICE_ID | 0x07 | 0 | Length | ||||||||
| 0x4C | 1 | ‘L’ | ||||||||||
| 0x4D | 2 | ‘M’ | ||||||||||
| 0x32 | 3 | ‘2’ | ||||||||||
| 0x36 | 4 | ‘6’ | ||||||||||
| 0x34 | 5 | ‘4’ | ||||||||||
| 0x33 | 6 | ‘3’ | ||||||||||
| 0x30 | 7 | ‘0’ | ||||||||||
| AEh | IC_DEVICE_REV | 0x02 | 0 | Length | ||||||||
| 0xFX | 1 | DEVICE_CODE_ID | DEVICE_CODE_REV | |||||||||
| 0x00 | 2 | DEVICE_CODE_ID | ||||||||||
| D0h | USER_DATA_BYTE_00 | 0x00 | 0 | USER_DATA_BYTE_00 | ||||||||
| D1h | USER_DATA_BYTE_01 | 0x00 | 0 | USER_DATA_BYTE_01 | ||||||||
| D2h | PIN_CONFIG_00 | 0x3C | 0 | x | PGOOD_PIN_CONFIG | ENABLE_PIN_CONFIG | ||||||
| D3h | PIN_CONFIG_01 | 0x00 | 0 | x | x | x | x | x | x | x | SSPG_PIN_CONFIG | |
| D4h | SEQUENCE_CONFIG | 0x00 | 0 | x | x | x | x | x | x | x | START_PGOOD | |
| D5h | SEQUENCE_ORDER | 0x00 | 0 | x | x | x | x | STOP_ORDER | START_ORDER | |||
| D6h | IOUT_MODE | 0b000000X1 | 0 | x | x | x | x | x | x | IOUT_SHARE | CCM | |
| D7h | FREQUENCY_PHASE | PAGE | Val | 0 | x | PHASE_DELAY | CLK_DIV | |||||
| 0x00 | 0x00 | |||||||||||
| 0x01 | 0x08 | |||||||||||
| 0x02 | 0x04 | |||||||||||
| 0x03 | 0x0C | |||||||||||
| D8h | VREF_COMMAND | 0x14 | 0 | x | VREF_COMMAND | |||||||
| D9h | IOUT_MAX | PAGE | Val | 0 | x | x | x | x | x | IOUT_MAX | ||
| 0x00 | 0x04 | |||||||||||
| 0x01 | 0x04 | |||||||||||
| 0x02 | 0x03 | |||||||||||
| 0x03 | 0x03 | |||||||||||
| DAh | USER_RAM_00 | 0x00 | 0 | x | x | x | x | x | x | x | USER_RAM_00 | |
| DBh | SOFT_RESET | — | ||||||||||
| DCh | RESET_DELAY | 0x00 | 0 | x | x | x | x | x | RESET_DELAY | |||
| DDh | TON_TOFF_DELAY | 0x01 | 0 | x | x | TON_DELAY | TOFF_DELAY | |||||
| DEh | TON_TRANSITION_RATE | 0x02 | 0 | x | x | x | x | x | x | TON_RAMP_RATE | ||
| DFh | VREF_TRANSITION_RATE | 0x98 | 0 | VREF_RAMP_ENABLE | x | VREF_RAMP_TIMESTEP | VREF_RAMP_BITSTEP | |||||
| F0h | SLOPE_COMPENSATION | 0x01 | 0 | x | x | x | x | x | x | SLOPE_COMPENSATION | ||
| F1h | ISENSE_GAIN | 0x01 | 0 | x | x | x | x | x | x | ISENSE_GAIN | ||
| FCh | DEVICE_CODE | 0xFX | 0 | DEVICE_CODE_ID | DEVICE_CODE_REV | |||||||
| 0x00 | 1 | DEVICE_CODE_ID | ||||||||||
The TPS65400-Q1 implements a lightweight PMBus-compliant layer supporting packet error checking, high-speed bus, and group commands.
The PMBus specification follows SMBus version 2.0. Figure 22 through Figure 29 show all supported command transactions.
| 1 | 7 | 1 | 1 | 8 | 1 | 8 | 1 | 1 |
| Start | Slave address | Wr | Ack | Command code | Ack | PEC | Ack | Stop |
| 1 | 7 | 1 | 1 | 8 | 1 | 8 | 1 | 8 | 1 | 1 |
| Start | Slave address | Wr | Ack | Command code | Ack | Data byte | Ack | PEC | Ack | Stop |
| 1 | 7 | 1 | 1 | 8 | 1 | 1 |
| Start | Slave address | Wr | Ack | Command code | Ack | Restart |
| 7 | 1 | 1 | 8 | 1 | 8 | 1 | 1 |
| Slave address | Rd | Ack | Data byte | Ack | PEC | Nack | Stop |
| 1 | 7 | 1 | 1 | 8 | 1 | 1 | 7 | 1 | 1 |
| Start | Slave address | Wr | Ack | Command code | Ack | Restart | Slave address | Rd | Ack |
| 8 | 1 | 8 | 1 | 8 | 1 | 1 |
| Data word (low) | Ack | Data word (high) | Ack | PEC | Nack | Stop |
| 1 | 7 | 1 | 1 | 8 | 1 | 1 |
| Start | Slave address | Wr | Ack | Command code | Ack | Stop |
| 1 | 7 | 1 | 1 | 8 | 1 | 8 | 1 | 1 |
| Start | Slave address | Wr | Ack | Command code | Ack | Data byte | Ack | Stop |
| 1 | 7 | 1 | 1 | 8 | 1 | 1 |
| Start | Slave address | Wr | Ack | Command code | Ack | Restart |
| 7 | 1 | 1 | 8 | 1 | 1 |
| Slave address | Rd | Ack | Data byte | Nack | Stop |
| 1 | 7 | 1 | 1 | 8 | 1 | 8 | 7 | 1 | 1 |
| Start | Slave address | Wr | Ack | Command code | Ack | Restart | Slave address | Rd | Ack |
| 8 | 1 | 8 | 1 | 1 |
| Data word (low) | Ack | Data word (high) | Nack | Stop |
The 7-bit I2C address is set through the I2CADDR terminal with a resistor RADDR connected to AGND. Table 6 shows the connection between the voltage at the I2CADDR terminal and the set I2C address at VDDD = 3 V. The I2C address is determined only upon startup during tRESET_DELAY after rising edge of CE or RST_N. This makes it immune to noise that may occur during normal operation. TI recommends resistors with 5% or lower tolerance. If I2C is not necessary in the application, TI recommends to tie the I2CADDR terminal directly to VDDD.
| RADDR | 7-bit Address |
|---|---|
| 180 kΩ | 1101 111 |
| 120 kΩ | 1101 110 |
| 82 kΩ | 1101 101 |
| 56 kΩ | 1101 100 |
| 39 kΩ | 1101 011 |
| 22 kΩ | 1101 010 |
| 10 kΩ | 1101 001 |
| 2 kΩ | Test mode (factory-use only) |
After CE is asserted and VDDD has reached 3.3 V, there is approximately a 320 μs delay before the PMBus interface is active. During this time the TPS65400-Q1 is restoring its configuration from the EEPROM.
100- and 400-kHz bus speeds are supported.
When a timeout condition occurs, the I2CALERT terminal is pulsed low for 200 μs. A timeout condition is defined as per SMBUS 2.0, tTIMEOUT. In addition to SCL, a timeout condition also occurs when the SDA line is asserted low. If the timeout condition persists, I2CALERT continues to pulse every tTIMEOUT. The TPS65400-Q1 never intentionally pulls the SCL low beyond tLOW:SEXT
| PARAMETER | MIN | MAX | UNIT | |
|---|---|---|---|---|
| tTIMEOUT:SCL | Detect clock low timeout | 25 | 35 | ms |
| tTIMEOUT:SDA | Detect data low timeout | 25 | 35 | ms |
The TPS65400-Q1 enable terminals ENSWx are equivalent to the CONTROL terminals in the fault handling. The enable terminals behave as follows:
There are differences in enable terminal functionality depending on terminal configuration PIN_CONFIG_00. For more information, refer to OPERATION and PIN_CONFIG_00.
The TPS65400-Q1 supports an optional PEC code to be validated at the end of every write and to be appended to the end of every read. TI highly recommends it, but it is not required.
Fully-compliant group commands are supported.
All undocumented, optional features are not supported. Extended commands are not supported.
The PMBus specification referenced by this section is PMBus Power System Management Protocol Specification Part II – Command Language, Revision 1.2, dated 6 September 2010. The specification is published by the Power Management Bus Implementers Forum and is available from http://pmbus.org/specifications.
The following parameters can be programmed and read. These are individually available for each power supply output (SW1-SW4):
Each power supply has its own set of PMBus commands. Paging is supported to allow device selection for a PMBus session ((00h) PAGE). Table 4 lists supported PMBus commands and paging values.
Supported PMBus Commands describes the memory model for PMBus devices. Values used by the PMBus device are loaded into volatile operating memory from the following places:
On-board data flash memory is used to implement the hard-coded values and the default store values. Values in the default store may be changed using the STORE_DEFAULT_ALL command described in (11h) STORE_DEFAULT_ALL. The user store is not supported. Table 4 describes the ordering of memory loading and precedence. In general, the hard-coded parameters are loaded into operating memory first. Second, any terminal-programmable settings take effect. Third, values from the default store are loaded. Later, commands issued from the PMBus take effect. In all cases, an operation on a parameter overwrites any prior value that was already in the operating memory.
Figure 30. Memory Model
Data is sent as a byte, an 8-bit binary value, a word, a 16-bit binary value, or a block of bytes whose length is specified by a length byte.
Registers (78h) STATUS_BYTE, (79h) STATUS_WORD, (7Ah) STATUS_VOUT of the PMBus specification describe fault monitoring for PMBus devices. The TPS65400-Q1 only supports reporting faults. Fault conditions are set in the corresponding status register and the host or power system manager can poll it. Any bits set in the status register remain set even if the fault condition is removed or corrected. The fault bits in the status register remain set until one of the following occur:
Fault Handling describes fault thresholds and specific response behaviors.
These PMBus core commands are defined in the PMBus Specification. This section describes details that are unique to the TPS65400-Q1 implementation.
The PAGE command provides the ability to configure, control, and monitor multiple outputs on a single TPS65400-Q1 using a single PMBus physical address. All subsequent commands that depend on PAGE are applied to the rail selected by the PAGE command.
Rails are numbered starting with one, while pages are numbered starting at 0. Table 8 shows the relationship between the PMBus PAGE value and the rail number.
| BITS | NAME | READ / WRITE | DEFAULT VALUE | VALUE | OUTPUT RAIL | PAIRING | CURRENT SHARING RELATIONSHIP |
|---|---|---|---|---|---|---|---|
| 7:0 | PAGE | R/W | 0xFF | 0x00 | SW1 | SW1-SW2 | Master |
| 0x01 | SW2 | Slave | |||||
| 0x02 | SW3 | SW3-SW4 | Master | ||||
| 0x03 | SW4 | Slave | |||||
| 0x04 to 0xFE | Invalid | — | — | ||||
| 0xFF | All | — | — |
On the TPS65400-Q1, current share is organized in pairs (PAGE = 0x00, 0x01 and PAGE = 0x02, 0x03). When current sharing mode is detected on a particular pair, the slave PAGE is invalid and the slave’s default settings follow that of its master PAGE. The only exception is that the slave switcher PWM will be a fixed 180° phase-shift from its master (see (D7h) FREQUENCY_PHASE). Additionally, the ISHARE bit will be asserted (see (D6h) IOUT_MODE).
(00h) PAGE of the register map describes the PAGE command in more detail.
NOTE
The PAGE parameter is not stored in the default store in data flash.
The OPERATION command in conjunction with input from the enable pins ENSWx is used to turn on or off (enable or disable) the currently selected switching regulator as determined by the current PAGE. Margins are not supported. Data byte contents are given in Table 9.
| PAGE SUPPORT | BITS [7:6] | BITS [5:4] | BITS [3:2] | BITS [1:0] | SEQUENCING | OUTPUT ON OR OFF | DELAY |
|---|---|---|---|---|---|---|---|
| 0x00 to 0x03, 0xFF | 00 | XX | XX | XX | No | Immediate off | None |
| 0x00 to 0x03 | 01 | XX | XX | XX | No | Soft off | tOFF_DELAY |
| 0xFF | 01 | XX | XX | XX | Yes | Soft off | tOFF_DELAY |
| 0x00 to 0x03 | 10 | 00 | XX | XX | No | On with soft-start (default) | tON_DELAY |
| 0xFF | 10 | 00 | XX | XX | Yes | On with soft-start (default(1)) | tON_DELAY |
Input from the enable pin overrides the off state of the corresponding output. The pin function configuration command PIN_CONFIG_00 can accept or ignore enable pins as well as disable OPERATION sequencing command support (see (01h) OPERATION). If the OPERATION state is on, and PIN_CONFIG_00 is set to accept enable pins, action from enable pins would result in a delay specified by TON_TOFF_DELAY. Figure 31 shows how the on/off states are triggered.
Figure 31. On/Off Configuration (Per Output)
When a fault occurs, the output state will turn OFF and possibly attempt to turn ON repeatedly for persistent faults. Specific fault response behaviors are described in Fault Handling.
NOTE
TI recommends that if OPERATION is to be used exclusively, all outputs should be set to the same order and enable pins should be ignored (see (D5h) SEQUENCE_ORDER, and (D2h) PIN_CONFIG_00).
The OPERATION parameter is not stored in the default store in data flash.
The CLEAR_FAULTS command clears all faults for the selected output. If PAGE 0xFF is selected, all faults for all PAGE outputs are cleared.
NOTE
POWER_GOOD_N and OFF indicate the current state of the outputs and cannot be cleared.
The WRITE_PROTECT command disables writes on the PMBus. It has one data byte, described in Table 10.
| DATA BYTE VALUE | MEANING |
|---|---|
| 1000 0000 | Disable all writes except to the WRITE_PROTECT command |
| 0100 0000 (default) |
Disable all writes except to the WRITE_PROTECT, OPERATION, and PAGE commands |
| 0010 0000 | Disable all writes except to the WRITE_PROTECT, OPERATION, PAGE, and VREF_COMMAND commands |
| 0000 0000 | Enable writes to all commands |
If an invalid command is received, a communications fault is set. WRITE_PROTECT does not protect against CLEAR_FAULTS. The user is able to CLEAR_FAULTS anytime regardless of the WRITE_PROTECT state.
This command has no PAGE support.
NOTE
The WRITE_PROTECT parameter is not stored in the default store in data flash.
The STORE_DEFAULT_ALL command saves the PMBus parameters from operating memory into the default store in data flash (EEPROM). The TPS65400-Q1 uses the most recently written set of default store values at startup. The maximum time it takes for the data flash to be written is 70 ms.
This command has no PAGE support.
NOTE
The OPERATION, PAGE, and WRITE_PROTECT parameters are not stored in the default store in data flash.
CAUTION
When STORE_DEFAULT_ALL is issued, operating memory should not be written to during the save.
The CAPABILITY command is a read-only command.
This command has no PAGE support.
| BIT | READ / WRITE | DEFAULT VALUE | MEANING |
|---|---|---|---|
| 7 | R | 1 | Packet error checking is supported |
| 6:5 | R | 01 | Maximum supported bus speed is 400 kHz |
| 4 | R | 0 | Device does not have a SMBALERT pin and does not support the SMBus alert response protocol |
| 3:0 | R | 0000 | Reserved |
The STATUS_BYTE command is a read-only command. Write mask is not supported. The bits are listed in Table 12.
| PAGE SUPPORT | BIT | NAME | READ / WRITE | DEFAULT VALUE | MEANING |
|---|---|---|---|---|---|
| — | 7 | Not supported | R | 0 | — |
| Yes | 6 | OFF | R | — | Output is off |
| Yes | 5 | VOUT_OV | R | — | Output overvoltage fault |
| Yes | 4 | IOUT_OC | R | — | Output overcurrent fault |
| No | 2 | TEMPERATURE | R | — | Overtemperature fault |
| — | 3 | Not supported | R | 0 | — |
| No | 1 | CML | R | — | Invalid command code, data, or packet |
| Yes | 0 | NONE OF THE ABOVE | R | — | A fault or warning not listed in bits [7:1] has occurred |
Overtemperature fault and CML is independent of PAGE. When there is PAGE support, the meaning of the bits applies only for the selected output PAGE. For PAGE = 0xFF, STATUS_BYTE is a logical OR of all PAGE = 0x00 to 0x03 STATUS_BYTE values.
An exception to NONE OF THE ABOVE is that the MFR bit in STATUS_WORD is ignored due to no PAGE support.
PAGE support is for outputs 0x00 to 0x03, 0x0FF.
The STATUS_WORD command is a read-only command. Write mask is not supported. Only the parameters in Table 13 are supported.
| PAGE SUPPORT | BIT | NAME | READ / WRITE | DEFAULT VALUE | MEANING |
|---|---|---|---|---|---|
| Yes | 7 | VOUT | R | — | Output voltage fault set if any bit in STATUS_VOUT is asserted (for the same page) |
| — | 6 | Not supported | R | 0 | — |
| — | 5 | Not supported | R | 0 | — |
| No | 4 | MFR | R | — | Set if any bit in STATUS_MFR_SPECIFIC is asserted |
| Yes | 3 | POWER_GOOD_N | R | — | Output voltage is within PGOOD range, negated |
| — | 2 | Not supported | R | 0 | — |
| — | 1 | Not supported | R | 0 | — |
| — | 0 | Not supported | R | 0 | — |
The lower byte of STATUS_WORD is STATUS_BYTE.
The MFR bit is independent of PAGE. When there is PAGE support, the meaning of the bits applies only for the selected output PAGE. For PAGE = 0xFF, STATUS_WORD is a logical OR of all PAGE = 0x00 to 0x03 STATUS_WORD values.
PAGE support is for outputs 0x00 to 0x03, 0x0FF.
The STATUS_VOUT command is a read-only command. Write mask is not supported. Only the parameters in Table 14 are supported.
| BIT | NAME | READ / WRITE | DEFAULT VALUE | MEANING |
|---|---|---|---|---|
| 7 | VOUT_OV | R | — | VOUT overvoltage fault |
| 6 | Not supported | R | 0 | — |
| 5 | Not supported | R | 0 | — |
| 4 | VOUT_UV | R | — | VOUT undervoltage fault |
| 3 | Not supported | R | 0 | — |
| 2 | Not supported | R | 0 | — |
| 1 | Not supported | R | 0 | — |
| 0 | Not supported | R | 0 | — |
STATUS_VOUT shows the voltage output status for the PAGE selected output. For PAGE = 0xFF, STATUS_VOUT is a logical OR of all PAGE = 0x00-0x03 STATUS_ VOUT values. VOUT_OV in STATUS_VOUT is identical to VOUT_OV in STATUS_BYTE for the same PAGE.
PAGE support is for outputs 0x00 to 0x03, 0x0FF.
The STATUS_MFR_SPECIFIC command is a read-only command. Write mask is not supported. Only the parameters in Table 15 are supported.
| BIT | NAME | READ / WRITE | DEFAULT VALUE | MEANING |
|---|---|---|---|---|
| 7 | Not supported | R | 0 | — |
| 6 | Not supported | R | 0 | — |
| 5 | Not supported | R | 0 | — |
| 4 | Not supported | R | 0 | — |
| 3 | POWER_GOOD4_N | R | — | SW4 output voltage is within PGOOD range, negated |
| 2 | POWER_GOOD3_N | R | — | SW3 output voltage is within PGOOD range, negated |
| 1 | POWER_GOOD2_N | R | — | SW2 output voltage is within PGOOD range, negated |
| 0 | POWER_GOOD1_N | R | — | SW1 output voltage is within PGOOD range, negated |
STATUS_MFR_SPECIFIC reports the individual output negated PGOODs. These bit values also can be retrieved from POWER_GOOD_N if an individual output is selected through PAGE.
This command has no PAGE support.
The PMBUS_REVISION command is a read-only command.
| BITS | NAME | READ / WRITE | DEFAULT VALUE | MEANING |
|---|---|---|---|---|
| 7:4 | Part I revision | R | 0010 | Supports version 1.2 |
| 3:0 | Part II revision | R | 0010 | Supports version 1.2 |
This command has no PAGE support.
The IC_DEVICE_ID command is a read-only block command and returns the ASCII characters of the part number TPS65400-Q1.
| BYTE | NAME | READ / WRITE | DEFAULT VALUE | ASCII VALUE |
|---|---|---|---|---|
| 7 | IC_DEVICE_ID | R | 0x30 | 0 |
| 6 | 0x33 | 3 | ||
| 5 | 0x34 | 4 | ||
| 4 | 0x36 | 6 | ||
| 3 | 0x32 | 2 | ||
| 2 | 0x4D | M | ||
| 1 | 0x4C | L | ||
| 0 | Length byte | R | 0x07 | — |
This command has no PAGE support.
The IC_DEVICE_REV command is a read-only block command and returns the 2-byte device code of the part. The device code is identical to the 2-byte DEVICE_CODE. Refer to DEVICE_CODE for details (see (FCh) DEVICE_CODE).
| BYTE | NAME | READ / WRITE | DEFAULT VALUE |
|---|---|---|---|
| 2:1 | DEVICE_CODE | R | See DEVICE_CODE |
| 0 | Length byte | R | 0x02 |
This command has no PAGE support.
The USER_DATA_BYTE_00 command contains 8 bits for reading and writing user-defined data. Upon issuing STORE_DEFAULT_ALL, contents of this command are saved to the default store in data flash.
| BITS | NAME | READ / WRITE | DEFAULT VALUE |
|---|---|---|---|
| 7:0 | USER_DATA_BYTE_00 | R/W | 0x00 |
This command has no PAGE support.
The USER_DATA_BYTE_01 command contains 7 bits, USER_DATA_BITS_01, for reading and writing user-defined data. Upon issuing STORE_DEFAULT_ALL, contents of this command are saved to the default store in data flash.
The most significant bit, STORED, is a read-only bit that indicates whether the user has written to the default store through STORE_DEFAULT_ALL. This indicator bit cannot be cleared.
| BITS | NAME | READ / WRITE | DEFAULT VALUE |
|---|---|---|---|
| 7 | STORED | R | 0 |
| 6:0 | USER_DATA_BYTE_01 | R/W | 0000000 |
This command has no PAGE support.
The PIN_CONFIG_00 command selects pin function and behavior for enable pins ENSWx and the global PGOOD pin.
ENABLE_PIN_CONFIG selects between active ENABLE, inactive ENABLE, or single ENABLE behavior for ENSWx pins.
PGOOD_PIN_CONFIG sets the function of the global PGOOD pin.
| BITS | NAME | READ / WRITE | DEFAULT VALUE | BINARY VALUE | MEANING | PINS AFFECTED |
|---|---|---|---|---|---|---|
| 7 | — | R | 0 | — | — | — |
| 6 | PGOOD_PIN_CONFIG: PGOOD_LOGIC | R/W | 0 | 0 | AND of all unmasked PGOODs | Global PGOOD pin |
| 1 | OR of all unmasked PGOODs | |||||
| 5 | PGOOD_PIN_CONFIG: PGOOD4_MASK | R/W | 1 | 0 | PGOOD4 is masked | |
| 1 | PGOOD4 is unmasked | |||||
| 4 | PGOOD_PIN_CONFIG: PGOOD3_MASK | R/W | 1 | 0 | PGOOD3 is masked | |
| 1 | PGOOD3 is unmasked | |||||
| 3 | PGOOD_PIN_CONFIG: PGOOD2_MASK | R/W | 1 | 0 | PGOOD2 is masked | |
| 1 | PGOOD2 is unmasked | |||||
| 2 | PGOOD_PIN_CONFIG: PGOOD1_MASK | R/W | 1 | 0 | PGOOD1 is masked | |
| 1 | PGOOD1 is unmasked | |||||
| 1:0 | ENABLE_PIN_CONFIG | R/W | 00 | 00 | Active ENABLE Enable pins ENSWx control each switcher independently |
ENSW# pins |
| 01 | Inactive ENABLE All enable pins ENSWx are ignored |
|||||
| 1X | Single ENABLE ENSW1 starts and stops sequencing. All other enable pins are ignored. |
Table 22 shows example configurations for PGOOD_PIN_CONFIG.
| PGOOD_PIN_CONFIG BINARY VALUE | GLOBAL PGOOD PIN |
|---|---|
| 01111 (default) | PGOOD1 and PGOOD2 and PGOOD3 and PGOOD4 |
| 11111 | PGOOD1 or PGOOD2 or PGOOD3 or PGOOD4 |
| 00101 | PGOOD1 and PGOOD3 |
| X0001 | PGOOD1 |
| X0010 | PGOOD2 |
| X0100 | PGOOD3 |
| X1000 | PGOOD4 |
This command has no PAGE support.
CAUTION
Changing PIN_CONFIG_00 during normal operation has no effect. The configuration can only be modified by storing into EEPROM and then reloading the configuration upon reset.
PIN_CONFIG_01 command selects pin function and behavior for the selected output’s SSx/PG pin.
SSPG_PIN_CONFIG sets the selected power supply’s SSx/PG pin to a soft-start time input pin or a power good output pin.
| BITS | NAME | READ / WRITE | DEFAULT VALUE | BINARY VALUE | MEANING | PINS AFFECTED |
|---|---|---|---|---|---|---|
| 7:1 | — | R | 0000000 | — | — | — |
| 0 | SSPG_PIN_CONFIG | R/W | 0 | 0 | SSx pin | SSx/PG pin |
| 1 | PG pin |
PAGE support is for outputs 0x00 through 0x03.
CAUTION
Changing PIN_CONFIG_01 during normal operation will have no effect. The configuration can only be modified by storing into EEPROM and then reloading the configuration upon reset.
The SEQUENCE_CONFIG command determines sequencing behavior.
START_PGOOD determines whether the next output in sequence looks at the previous output’s PGOOD before turning on. For turning on, the previous output’s PGOOD must be good. For the first in sequence, there is no PGOOD reference so START_PGOOD for those particular switchers are ignored. START_PGOOD applies to all switchers.
| BITS | NAME | READ / WRITE | DEFAULT VALUE | BINARY VALUE | MEANING |
|---|---|---|---|---|---|
| 7:1 | — | R | 0000000 | — | — |
| 0 | START_PGOOD | R/W | 0 | 0 | PGOOD is checked |
| 1 | PGOOD is ignored |
This command has no PAGE support.
CAUTION
TI does not recommend changing SEQUENCE_CONFIG during start sequencing or stop sequencing.
The SEQUENCE_ORDER command determines the order in which each output starts and stops. If two or more supplies are assigned the same sequence number, they start/stop at the same time. If sequencing is not used, all sequence bits should be set to the same value. For PGOOD sequencing options, see (D4h) SEQUENCE_CONFIG.
| BITS | NAME | READ / WRITE | DEFAULT VALUE | BINARY VALUE | VALUE | MEANING |
|---|---|---|---|---|---|---|
| 7:4 | — | R | 0000 | — | — | — |
| 3:2 | STOP_ORDER | R/W | 00 | 00 | 1 (first to stop) | Stop sequence order number |
| 01 | 2 | |||||
| 10 | 3 | |||||
| 11 | 4 (last to stop) | |||||
| 1:0 | START_ORDER | R/W | 00 | 00 | 1 (first to start) | Start sequence order number |
| 01 | 2 | |||||
| 10 | 3 | |||||
| 11 | 4 (last to start) |
CAUTION
TI does not recommend changing SEQUENCE_ORDER during start sequencing or stop sequencing.
PAGE support is for outputs 0x00 to 0x03.
The IOUT_MODE command configures the selected output to be:
There is a read-only bit, IOUT_SHARE, that indicates that the current selected output:
On the TPS65400-Q1, current share is organized in pairs (PAGE = 0x00, 0x01 and PAGE = 0x02, 0x03). When current sharing mode is detected on a particular pair, the slave PAGE is invalid and the slave’s default settings follow that of its master PAGE. The only exception is that the slave switcher PWM is a fixed 180° phase-shift from its master (see (D7h) FREQUENCY_PHASE).
| BITS | NAME | READ / WRITE | DEFAULT VALUE | BINARY VALUE | MEANING |
|---|---|---|---|---|---|
| 7:2 | — | R | 000000 | — | — |
| 1 | IOUT_SHARE | R | — | 0 | Current is not shared |
| 1(1) | Current is shared(1) | ||||
| 0 | CCM | R/W | 1 | 0 | Mixed CCM/DCM |
| 1 | CCM |
PAGE support is for outputs 0x00 through 0x03.
CAUTION
Changing IOUT_MODE during normal operation has no effect. The configuration can only be modified by storing into EEPROM and then reloading the configuration upon reset.
The FREQUENCY_PHASE command sets the output switching frequency and phase of the selected output. The switching frequency is a quotient from the division of the master clock, FOSC, by the selected divisor CLK_DIV. PHASE_DELAY determines the phase shift as a multiple of the internal PLL period, which is scaled at 4× less than the master clock period 1 / FOSC.
| BITS | NAME | READ / WRITE | DEFAULT VALUE | BINARY VALUE | VALUE | MEANING |
|---|---|---|---|---|---|---|
| 7 | — | R | 0 | — | — | — |
| 6:2 | PHASE_DELAY | R/W | See Table 28 | 00000 | 0 | Switching delay time (phase) |
| 00001 | 1 / (4 × FOSC) | |||||
| .. | .. | |||||
| 11110 | 30 / (4 × FOSC) | |||||
| 11111 | 31 / (4 × FOSC) | |||||
| 1:0 | CLK_DIV | R/W | 00 | 00 | FOSC / 1 | Switching frequency |
| 01 | FOSC / 2 | |||||
| 10 | FOSC / 4 | |||||
| 11 | FOSC / 8 |
| PAGE | PHASE_DELAY BINARY VALUE | PHASE SHIFT (°) |
|---|---|---|
| 0x00 | 00000 | 0 |
| 0x01 | 00010 | 180 |
| 0x02 | 00001 | 90 |
| 0x03 | 00011 | 270 |
The phase shift in degrees is calculated by Equation 5.

When current sharing mode is detected on a particular pair, the slave PAGE is invalid and the slave’s default settings follow that of its master PAGE. The only exception is that the slave switcher PWM is a fixed 180° phase-shift from its master. Additionally, the ISHARE bit is asserted (see (D6h) IOUT_MODE).
PAGE support is for outputs 0x00 through 0x03.
CAUTION
Changing the FREQUENCY_PHASE during normal operation has no effect. The configuration can only be modified by storing into EEPROM and then reloading the configuration upon reset.
The VREF_COMMAND command sets the voltage reference (VREF) for the selected output. Values range from 0.6 to 1.87 V with a bit resolution of 10 mV per LSB.
| BITS | NAME | READ / WRITE | DEFAULT VALUE | BINARY VALUE | VALUE | MEANING |
|---|---|---|---|---|---|---|
| 7 | — | R | 0 | — | — | — |
| 6:0 | VREF_COMMAND | R/W | 0010100 | 0000000 | 0.60 V | Reference voltage |
| 0000001 | 0.61 V | |||||
| … | … | |||||
| 0010100 | 0.8 V | |||||
| … | … | |||||
| 1111110 | 1.86 V | |||||
| 1111111 | 1.87 V |
The voltage reference can be changed while one or more voltage outputs are enabled. To reduce the effect of large transient steps, digital slew rate limiting is implemented. The larger the change in the voltage reference, the greater the delay that is incurred as the voltage steps toward the new reference. For details, see (DFh) VREF_TRANSITION_RATE.
Faults are blanked during transition. A 100-s fault blanking time results after a transition completes.
PAGE support is for outputs 0x00 through 0x03.
The IOUT_MAX command sets the current limit for the selected output.
| BITS | NAME | READ / WRITE | DEFAULT VALUE | BINARY VALUE | VALUE | MEANING |
|---|---|---|---|---|---|---|
| 7:3 | — | R | 00000 | — | — | — |
| 2:0 | IOUT_MAX | R/W | 100 | 000 | 2 A | Current limit |
| 001 | 3 A | |||||
| 010 | 4 A | |||||
| 011 | 5 A | |||||
| 1XX | 6 A |
| BITS | NAME | READ / WRITE | DEFAULT VALUE | BINARY VALUE | VALUE | MEANING |
|---|---|---|---|---|---|---|
| 7:2 | — | R | 000000 | — | — | — |
| 1:0 | IOUT_MAX | R/W | 11 | 00 | 0.5 A | Current limit |
| 01 | 1 A | |||||
| 10 | 2 A | |||||
| 11 | 3 A |
The limit set by the IOUT_MAX byte sets both the high-side and low-side current limit.
PAGE support is for outputs 0x00 through 0x03.
The USER_RAM_00 command is a reset notification status. Upon any RESET condition, the device clears this value to 0x00. This value can only be set to 0x01 by the PMBus master.
| BITS | NAME | READ / WRITE | DEFAULT VALUE |
|---|---|---|---|
| 7:1 | — | R | 0000000 |
| 0 | USER_RAM_00 | R/W | 0 |
This command has no PAGE support.
The SOFT_RESET command triggers a software reset of the device. It is equivalent to sending an assert-deasserting pulse to the CE pin. Consequently, all switchers turn off and all faults are cleared.
This command has no PAGE support.
The RESET_DELAY command sets the delay time before any switcher can begin its soft-start after CE is asserted. Thus, if the turn-on sequence or an individual switcher is enabled before this delay is over, no action occurs until the delay is completed. After this delay period is passed, enabling the turn-on sequence of an individual switcher would have an immediate effect subject to the tON_DELAY and soft-start time.
| BITS | NAME | READ / WRITE | DEFAULT VALUE | BINARY VALUE | VALUE | MEANING |
|---|---|---|---|---|---|---|
| 7:3 | — | R | 00000 | — | — | — |
| 2:0 | RESET_DELAY | R/W | 000 | 000 | 1 ms(2) | Reset delay time |
| 001 | 50 ms | |||||
| 010 | 100 ms | |||||
| 011 | 250 ms | |||||
| 100 | 500 ms | |||||
| 101 | 1000 ms | |||||
| 110 | 1500 ms | |||||
| 111 | 2000 ms |
This command has no PAGE support.
The TON_TOFF_DELAY command sets the delay times after receiving an on or off command for the selected output to begin turning on or off.
TON_DELAY of this command are lexically equivalent to TON_DELAY. If TON_DELAY is set to 0 ms, the device would begin turning on immediately. If TOFF_DELAY is set to 0 ms, the device would begin turning off immediately.
| BITS | NAME | READ / WRITE | DEFAULT VALUE | BINARY VALUE | VALUE | MEANING |
|---|---|---|---|---|---|---|
| 7:6 | — | R | 00 | — | — | — |
| 5:3 | TON_DELAY | R/W | 010 | 000 | 0 ms | Delay time before starting |
| 001 | 1 ms | |||||
| 010 | 5 ms | |||||
| 011 | 25 ms | |||||
| 100 | 100 ms | |||||
| 101 | 500 ms | |||||
| 110 | 1000 ms | |||||
| 111 | 2000 ms | |||||
| 2:0 | TOFF_DELAY | R/W | 000 | 000 | 0 ms | Delay time before stopping |
| 001 | 1 ms | |||||
| 010 | 5 ms | |||||
| 011 | 25 ms | |||||
| 100 | 100 ms | |||||
| 101 | 500 ms | |||||
| 110 | 1000 ms | |||||
| 111 | 2000 ms |
These delays are always in effect including when the outputs are internally or externally sequenced, or arbitrarily turned on or off. The only exceptions are:
PAGE support is for outputs 0x00 through 0x03.
The TON_TRANSITION_RATE command sets the soft-start ramp rate for the selected output. This command is ignored by default because soft-start is set externally through the SSx/PG pin. Only when the SSx/PG pin is configured as PG through PIN_CONFIG_01 will TON_TRANSITION_RATE determine the soft-start rate.
The soft-start ramp rate refers to the rate at which the reference voltage is increased. The time to complete the soft-start can be calculated from the target reference voltage as Equation 6.

For example, if VREF is set to 0.6 V and the default soft-start ramp rate of 0.5 V/ms is selected, then the soft-start time would be 1.2 ms. If VREF is set to 1 V and the soft-start ramp rate of 0.25 V/ms is selected, then the soft-start time would be 4 ms.
| BITS | NAME | READ / WRITE | DEFAULT VALUE | BINARY VALUE | VALUE | MEANING |
|---|---|---|---|---|---|---|
| 7:2 | — | R | 000000 | — | — | — |
| 1:0 | TON_RAMP_RATE | R/W | 10 | 00 | 2 V/ms | Soft-start ramping rate |
| 01 | 1 V/ms | |||||
| 10 | 0.5 V/ms | |||||
| 11 | 0.25 V/ms |
PAGE support is for outputs 0x00 through 0x03.
The VREF_TRANSITION_RATE command determines the stepping rate and stepping size when dynamically switching the reference voltage VREF of the selected output.
| BITS | NAME | READ / WRITE | DEFAULT VALUE | BINARY VALUE | VALUE | MEANING |
|---|---|---|---|---|---|---|
| 7 | VREF_RAMP_ENABLE | R/W | 1 | 0 | — | Ramping disabled |
| 1 | — | Ramping enabled | ||||
| 6 | — | R | 0 | — | — | — |
| 5:3 | VREF_RAMP_TIMESTEP | R/W | 011 | 000 | 1 µs | Delay time per ramping step |
| 001 | 2 µs | |||||
| 010 | 3 µs | |||||
| 011 | 4 µs | |||||
| 100 | 6 µs | |||||
| 101 | 8 µs | |||||
| 110 | 12 µs | |||||
| 111 | 16 µs | |||||
| 2:0 | VREF_RAMP_BITSTEP | R/W | 000 | See Table 37 | See Table 37 | Ramp up and ramp down LSB increments / decrements |
| VREF_RAMP_BITSTEP BINARY VALUE | RAMP UP (LSB increments) | RAMP DOWN (LSB decrements) |
|---|---|---|
| 000 (default) | 1 | 1 |
| 001 | 2 | 1 |
| 010 | 4 | 2 |
| 011 | 6 | 3 |
| 100 | 8 | 4 |
| 101 | 10 | 5 |
| 110 | 12 | 6 |
| 111 | 16 | 8 |
VREF_RAMP_BITSTEP sets the amount of voltage reference bits to ramp up and ramp down per VREF_RAMP_TIMESTEP time. During ramping, if the target step is less than or equal to the VREF_RAMP_BITSTEP setting, ramping reduces to a fine voltage step of 1 LSB per VREF_RAMP_TIMESTEP time until the target voltage has been reached. For the actual voltage change per LSB, refer to (D8h) VREF_COMMAND.
PAGE support is for outputs 0x00 through 0x03.
The SLOPE_COMPENSATION command modifies control loop compensation parameters to compensate for inductor ripple current harmonics from switching.
| BITS | NAME | READ / WRITE | DEFAULT VALUE | BINARY VALUE | VALUE | MEANING |
|---|---|---|---|---|---|---|
| 7:2 | — | R | 000000 | — | — | — |
| 1:0 | SLOPE_COMPENSATION | R/W | 01 | 00 | 45 mV/µs | Slope compensation |
| 01 | 70 mV/µs | |||||
| 10 | 100 mV/µs | |||||
| 11 | 145 mV/µs |
The default slope compensation will be adequate for most applications. The equivalent current slope compensation ramp on the inductor can be found by the following formula:
Where Gmps is the current sense gain of the peak current control to COMP voltage in Amps per Volt and SLcomp is the slope compensation voltage expressed in the table above.
Ideal slope compensation is achieved when:

PAGE support is for outputs 0x00 through 0x03.
The ISENSE_GAIN command modifies the current sense Gmps of the feedback loop for the selected output. (F0h) SLOPE_COMPENSATION describes the equivalent current slope compensation ramp on the inductor.
| BITS | NAME | READ / WRITE | DEFAULT VALUE | BINARY VALUE | VALUE | MEANING |
|---|---|---|---|---|---|---|
| 7:2 | — | R | 000000 | — | — | — |
| 1:0 | ISENSE_GAIN | R/W | 01 | 00 | 20 A/V | Current sense gain |
| 01 | 10 A/V | |||||
| 10 | 5 A/V | |||||
| 11 | 2.5 A/V |
| BITS | NAME | READ / WRITE | DEFAULT VALUE | BINARY VALUE | VALUE | MEANING |
|---|---|---|---|---|---|---|
| 7:2 | — | R | 000000 | — | — | — |
| 1:0 | ISENSE_GAIN | R/W | 01 | 00 | 10 A/V | Current sense gain |
| 01 | 5 A/V | |||||
| 10 | 2.5 A/V | |||||
| 11 | 1.25 A/V |
PAGE support is for outputs 0x00 through 0x03.
The DEVICE_CODE command returns a 2-byte read-only device code. For the TPS65400-Q1, this is 0x00FX, where 'X' is the revision/version number. This command has no PAGE support.
| BITS | NAME | READ / WRITE | DEFAULT VALUE |
|---|---|---|---|
| 15:4 | DEVICE_CODE_ID | R | 0x00F |
| 3:0 | DEVICE_CODE_REV | R | X |