ZHCSDX6 July   2015 TPS65400-Q1

PRODUCTION DATA.  

  1. 特性
  2. 应用
  3. 说明
  4. 修订历史记录
  5. 说明(续)
  6. Pin Configuration and Functions
  7. Specifications
    1. 7.1 Absolute Maximum Ratings
    2. 7.2 ESD Ratings
    3. 7.3 Recommended Operating Conditions
    4. 7.4 Thermal Information
    5. 7.5 Electrical Characteristics
    6. 7.6 System Characteristics
    7. 7.7 Operational Parameters
    8. 7.8 Package Dissipation Ratings
    9. 7.9 Typical Characteristics: System Efficiency
  8. Detailed Description
    1. 8.1 Overview
    2. 8.2 Functional Block Diagrams
    3. 8.3 Feature Description
      1. 8.3.1  Startup Timing and Power Sequencing
        1. 8.3.1.1 Startup Timing
        2. 8.3.1.2 External Sequencing
        3. 8.3.1.3 Internal Sequencing
      2. 8.3.2  UVLO and Precision Enables
      3. 8.3.3  Soft-Start and Prebiased Startup
        1. 8.3.3.1 Analog Soft-Start (Default) and Digital Soft-Start
        2. 8.3.3.2 Soft-Start Capacitor Selection
      4. 8.3.4  PWM Switching Frequency Selection
      5. 8.3.5  Clock Synchronization
      6. 8.3.6  Phase Interleaving
      7. 8.3.7  Fault Handling
      8. 8.3.8  OCP for SW1 to SW4
      9. 8.3.9  Overcurrent Protection for SW1 to SW4 in Current Sharing Operation
      10. 8.3.10 Recovery on Power Loss
      11. 8.3.11 Feedback Compensation
      12. 8.3.12 Adjusting Output Voltage
      13. 8.3.13 Digital Interface - PMBus
      14. 8.3.14 Initial Configuration
    4. 8.4 Device Functional Modes
      1. 8.4.1 CCM Operation Mode
      2. 8.4.2 CCM/DCM Operation Mode
      3. 8.4.3 Current Sharing Mode
    5. 8.5 Register Maps
      1. 8.5.1 PMBus
        1. 8.5.1.1 Overview
        2. 8.5.1.2 PMBus Protocol
          1. 8.5.1.2.1  PMBus Protocol
          2. 8.5.1.2.2  Transactions (No PEC)
          3. 8.5.1.2.3  Addressing
          4. 8.5.1.2.4  Startup
          5. 8.5.1.2.5  Bus Speed
          6. 8.5.1.2.6  I2CALERT Terminal
          7. 8.5.1.2.7  CONTROL Terminal
          8. 8.5.1.2.8  Packet Error Checking
          9. 8.5.1.2.9  Group Commands
          10. 8.5.1.2.10 Unsupported Features
      2. 8.5.2 PMBus Register Descriptions
        1. 8.5.2.1 Overview
        2. 8.5.2.2 Memory Model
        3. 8.5.2.3 Data Formats
        4. 8.5.2.4 Fault Monitoring
      3. 8.5.3 PMBus Core Commands
        1. 8.5.3.1  (00h) PAGE
        2. 8.5.3.2  (01h) OPERATION
        3. 8.5.3.3  (03h) CLEAR_FAULTS
        4. 8.5.3.4  (10h) WRITE_PROTECT
        5. 8.5.3.5  (11h) STORE_DEFAULT_ALL
        6. 8.5.3.6  (19h) CAPABILITY
        7. 8.5.3.7  (78h) STATUS_BYTE
        8. 8.5.3.8  (79h) STATUS_WORD
        9. 8.5.3.9  (7Ah) STATUS_VOUT
        10. 8.5.3.10 (80h) STATUS_MFR_SPECIFIC
        11. 8.5.3.11 (98h) PMBUS_REVISION
        12. 8.5.3.12 (ADh) IC_DEVICE_ID
        13. 8.5.3.13 (AEh) IC_DEVICE_REV
      4. 8.5.4 Manufacturer-Specific Commands
        1. 8.5.4.1  (D0h) USER_DATA_BYTE_00
        2. 8.5.4.2  (D1h) USER_DATA_BYTE_01
        3. 8.5.4.3  (D2h) PIN_CONFIG_00
        4. 8.5.4.4  (D3h) PIN_CONFIG_01
        5. 8.5.4.5  (D4h) SEQUENCE_CONFIG
        6. 8.5.4.6  (D5h) SEQUENCE_ORDER
        7. 8.5.4.7  (D6h) IOUT_MODE
        8. 8.5.4.8  (D7h) FREQUENCY_PHASE
        9. 8.5.4.9  (D8h) VREF_COMMAND
        10. 8.5.4.10 (D9h) IOUT_MAX
        11. 8.5.4.11 (DAh) USER_RAM_00
        12. 8.5.4.12 (DBh) SOFT_RESET
        13. 8.5.4.13 (DCh) RESET_DELAY
        14. 8.5.4.14 (DDh) TON_TOFF_DELAY
        15. 8.5.4.15 (DEh) TON_TRANSITION_RATE
        16. 8.5.4.16 (DFh) VREF_TRANSITION_RATE
        17. 8.5.4.17 (F0h) SLOPE_COMPENSATION
        18. 8.5.4.18 (F1h) ISENSE_GAIN
        19. 8.5.4.19 (FCh) DEVICE_CODE
  9. Application and Implementation
    1. 9.1 Application Information
    2. 9.2 Typical Applications
      1. 9.2.1 Internal Operation Typical Application
        1. 9.2.1.1 Design Requirements
        2. 9.2.1.2 Detailed Design Procedure
          1. 9.2.1.2.1 Component Selection
            1. 9.2.1.2.1.1 Output Inductor Selection
            2. 9.2.1.2.1.2 Output Capacitor Selection
          2. 9.2.1.2.2 Internal Operation With Some Switchers Disabled
          3. 9.2.1.2.3 Internal Operation With All Switchers Enabled
          4. 9.2.1.2.4 Example Configuration
          5. 9.2.1.2.5 Unused Switchers
        3. 9.2.1.3 Application Curves
      2. 9.2.2 Current Sharing Typical Application
        1. 9.2.2.1 Design Requirements
        2. 9.2.2.2 Detailed Design Procedure
          1. 9.2.2.2.1 Current Sharing Timing Example
      3. 9.2.3 External Sequencing Application
        1. 9.2.3.1 Design Requirements
        2. 9.2.3.2 Detailed Design Procedure
          1. 9.2.3.2.1 External Sequencing Through PG Pins
          2. 9.2.3.2.2 External Sequencing Through SW
          3. 9.2.3.2.3 Example Configuration
  10. 10Power Supply Recommendations
  11. 11Layout
    1. 11.1 Layout Guidelines
    2. 11.2 Layout Example
  12. 12器件和文档支持
    1. 12.1 文档支持
      1. 12.1.1 相关文档
      2. 12.1.2 相关器件
    2. 12.2 社区资源
    3. 12.3 商标
    4. 12.4 静电放电警告
    5. 12.5 Glossary
  13. 13机械、封装和可订购信息

封装选项

机械数据 (封装 | 引脚)
散热焊盘机械数据 (封装 | 引脚)
订购信息

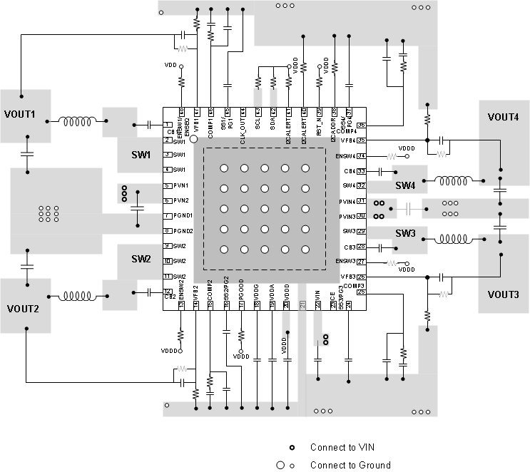
11 Layout

11.1 Layout Guidelines

Layout is a critical portion of high-current multi-channel DC-DC. Follow these guidelines for layout. See Layout Example for a PCB layout example.

  • Place VOUT and SW on the top layer and an inner power plane for VIN.
  • Also on the top layer, fit connections for the remaining pins of TPS65400-Q1 and a large top-side area filled with ground.
  • Connect the top layer ground area to the internal ground layer or layers using vias at the input bypass capacitor, the output filter capacitor, and directly under the TPS65400-Q1 device to provide a thermal path from the power pad to ground.
  • Tie the AGND pin directly to the power pad under the IC.
  • For operation at full-rated load, the top-side ground area together with the internal ground plane must provide adequate heat dissipating area.
  • Several signals paths conduct fast-changing currents or voltages that can interact with stray inductance or parasitic capacitance to generate noise or degrade the power supplies' performance. To help eliminate these problems, bypass the VIN pin to ground with a low-ESR ceramic bypass capacitor with X5R or X7R dielectric. Take care to minimize the loop area formed by the bypass capacitor connections, the VIN pins, and the ground connections. Because the SW connection is the switching node, the output inductor should be located close to the SW pins, and the area of the PCB conductor minimized to prevent excessive capacitive coupling.
  • The output filter capacitor ground should use the same power ground trace as the VIND input bypass capacitor. Try to minimize this conductor length while maintaining adequate width.
  • The compensation should be as close as possible to the COMP pins. The COMP and ROSC pins are sensitive to noise so the components associated to these pins should be located as close as possible to the IC and routed with minimal lengths of trace.
  • The VFB node is a high-impedance analog node which is easier to pick noise on board. Keep FB node trace as short as possible.

11.2 Layout Example

TPS65400-Q1 layout_ex_lvscq2.gifFigure 46. Layout Schematic