ZHCSL70D March   2020  – October 2020 TPS63900

PRODUCTION DATA  

  1. 特性
  2. 应用
  3. 说明
  4. Revision History
  5. Pin Configuration and Functions
  6. Specifications
    1. 6.1 Absolute Maximum Ratings
    2. 6.2 ESD Ratings
    3. 6.3 Recommended Operating Conditions
    4. 6.4 Thermal Information
    5. 6.5 Electrical Characteristics
    6. 6.6 Typical Characteristics
  7. Detailed Description
    1. 7.1 Overview
    2. 7.2 Functional Block Diagram
    3. 7.3 Feature Description
      1. 7.3.1 Trapezoidal Current Control
      2. 7.3.2 Device Enable / Disable
      3. 7.3.3 Soft Start
      4. 7.3.4 Input Current Limit
      5. 7.3.5 Dynamic Voltage Scaling
      6. 7.3.6 Device Configuration (Resistor-to-Digital Interface)
      7. 7.3.7 SEL Pin
      8. 7.3.8 Short-Circuit Protection
        1. 7.3.8.1 Current Limit Setting = 'Unlimited'
        2. 7.3.8.2 Current Limit Setting = 1 mA to 100 mA
      9. 7.3.9 Thermal Shutdown
    4. 7.4 Device Functional Modes
  8. Application and Implementation
    1. 8.1 Application Information
    2. 8.2 Typical Application
      1. 8.2.1 Design Requirements
      2. 8.2.2 Detailed Design Procedure
        1. 8.2.2.1 Custom Design with WEBENCH Tools
        2. 8.2.2.2 Inductor Selection
        3. 8.2.2.3 Output Capacitor Selection
        4. 8.2.2.4 Input Capacitor Selection
        5. 8.2.2.5 Setting The Output Voltage
      3. 8.2.3 Application Curves
  9. Power Supply Recommendations
  10. 10Layout
    1. 10.1 Layout Guidelines
    2. 10.2 Layout Example
  11. 11Device and Documentation Support
    1. 11.1 Device Support
      1. 11.1.1 Third-Party Products Disclaimer
    2. 11.2 Documentation Support
      1. 11.2.1 Related Documentation
    3. 11.3 接收文档更新通知
    4. 11.4 支持资源
    5. 11.5 Trademarks
    6. 11.6 静电放电警告
    7. 11.7 术语表
  12. 12Mechanical, Packaging, and Orderable Information

封装选项

机械数据 (封装 | 引脚)
散热焊盘机械数据 (封装 | 引脚)
订购信息

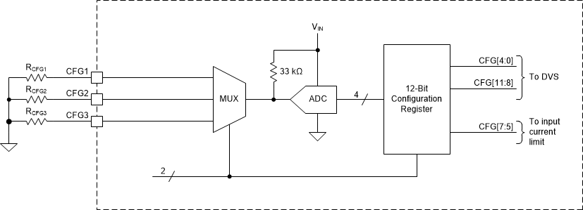
Device Configuration (Resistor-to-Digital Interface)

The device has three configuration pins (CFG1, CFG2, and CFG3) that control its operation. When the device starts up, a resistor-to-digital (R2D) interface reads the values of the configuration resistors on the CFG pins and transfers the setting to an internal configuration register (see Figure 7-12).

  • CFG1 and CFG2 set VO(2) level and the input current limit.
  • CFG3 sets VO(1) level.

To reduce power consumption, the device reads the value of the resistors connected to the configuration pins during start-up and then disables these pins. Once the device has started to operate, changes to the configuration pins have no effect.

GUID-20200730-CA0I-ZBLX-WPG1-BSBTW71PF1CG-low.gif Figure 7-12 Resistor-to-Digital Interface Block Diagram

Table 7-2 summarizes the resistor values needed to configure the device for different input current limit and output voltage (SEL = high) settings. For correct operation, use resistors with a tolerance of ±1% or better and a temperature coefficient of ±200 ppm or better.

Note:

For correct operation, TI recommends that the total RMS error of the configuration resistors—including initial tolerance, temperature drift, and ageing—is less than ±3%.

Table 7-2 Input Current Limit and Output Voltage (SEL = High) Settings
OUTPUT VOLTAGE - VO(2)
(SEL = HIGH)
INPUT CURRENT LIMIT
UNLIMITED100 mA50 mA25 mA10 mA5 mA2.5 mA1 mA
1.8 VRCFG10 Ω
RCFG20 Ω511 Ω1.15 kΩ1.87 kΩ2.74 kΩ3.83 kΩ5.11 kΩ6.49 kΩ
1.9 VRCFG1511 Ω
RCFG20 Ω511 Ω1.15 kΩ1.87 kΩ2.74 kΩ3.83 kΩ5.11 kΩ6.49 kΩ
2.0 VRCFG11.15 kΩ
RCFG20 Ω511 Ω1.15 kΩ1.87 kΩ2.74 kΩ3.83 kΩ5.11 kΩ6.49 kΩ
2.1 VRCFG11.87 kΩ
RCFG20 Ω511 Ω1.15 kΩ1.87 kΩ2.74 kΩ3.83 kΩ5.11 kΩ6.49 kΩ
2.2 VRCFG12.74 kΩ
RCFG20 Ω511 Ω1.15 kΩ1.87 kΩ2.74 kΩ3.83 kΩ5.11 kΩ6.49 kΩ
2.3 VRCFG13.83 kΩ
RCFG20 Ω511 Ω1.15 kΩ1.87 kΩ2.74 kΩ3.83 kΩ5.11 kΩ6.49 kΩ
2.4 VRCFG15.11 kΩ
RCFG20 Ω511 Ω1.15 kΩ1.87 kΩ2.74 kΩ3.83 kΩ5.11 kΩ6.49 kΩ
2.5 VRCFG16.49 kΩ
RCFG20 Ω511 Ω1.15 kΩ1.87 kΩ2.74 kΩ3.83 kΩ5.11 kΩ6.49 kΩ
2.6 VRCFG18.25 kΩ
RCFG20 Ω511 Ω1.15 kΩ1.87 kΩ2.74 kΩ3.83 kΩ5.11 kΩ6.49 kΩ
2.7 VRCFG110.5 kΩ
RCFG20 Ω511 Ω1.15 kΩ1.87 kΩ2.74 kΩ3.83 kΩ5.11 kΩ6.49 kΩ
2.8 VRCFG113.3 kΩ
RCFG20 Ω511 Ω1.15 kΩ1.87 kΩ2.74 kΩ3.83 kΩ5.11 kΩ6.49 kΩ
2.9 VRCFG116.2 kΩ
RCFG20 Ω511 Ω1.15 kΩ1.87 kΩ2.74 kΩ3.83 kΩ5.11 kΩ6.49 kΩ
3.0 VRCFG120.5 kΩ
RCFG20 Ω511 Ω1.15 kΩ1.87 kΩ2.74 kΩ3.83 kΩ5.11 kΩ6.49 kΩ
3.1 VRCFG124.9 kΩ
RCFG20 Ω511 Ω1.15 kΩ1.87 kΩ2.74 kΩ3.83 kΩ5.11 kΩ6.49 kΩ
3.2 VRCFG130.1 kΩ
RCFG20 Ω511 Ω1.15 kΩ1.87 kΩ2.74 kΩ3.83 kΩ5.11 kΩ6.49 kΩ
3.3 VRCFG136.5 kΩ
RCFG20 Ω511 Ω1.15 kΩ1.87 kΩ2.74 kΩ3.83 kΩ5.11 kΩ6.49 kΩ
3.4 VRCFG10 Ω
RCFG28.25 kΩ10.5 kΩ13.3 kΩ16.2 kΩ20.5 kΩ24.9 kΩ30.1 kΩ36.5 kΩ
3.5 VRCFG1511 Ω
RCFG28.25 kΩ10.5 kΩ13.3 kΩ16.2 kΩ20.5 kΩ24.9 kΩ30.1 kΩ36.5 kΩ
3.6 VRCFG11.15 kΩ
RCFG28.25 kΩ10.5 kΩ13.3 kΩ16.2 kΩ20.5 kΩ24.9 kΩ30.1 kΩ36.5 kΩ
3.7 VRCFG11.87 kΩ
RCFG28.25 kΩ10.5 kΩ13.3 kΩ16.2 kΩ20.5 kΩ24.9 kΩ30.1 kΩ36.5 kΩ
3.8 VRCFG12.74 kΩ
RCFG28.25 kΩ10.5 kΩ13.3 kΩ16.2 kΩ20.5 kΩ24.9 kΩ30.1 kΩ36.5 kΩ
3.9 VRCFG13.83 kΩ
RCFG28.25 kΩ10.5 kΩ13.3 kΩ16.2 kΩ20.5 kΩ24.9 kΩ30.1 kΩ36.5 kΩ
4.0 VRCFG15.11 kΩ
RCFG28.25 kΩ10.5 kΩ13.3 kΩ16.2 kΩ20.5 kΩ24.9 kΩ30.1 kΩ36.5 kΩ
4.1 VRCFG16.49 kΩ
RCFG28.25 kΩ10.5 kΩ13.3 kΩ16.2 kΩ20.5 kΩ24.9 kΩ30.1 kΩ36.5 kΩ
4.2 VRCFG18.25 kΩ
RCFG28.25 kΩ10.5 kΩ13.3 kΩ16.2 kΩ20.5 kΩ24.9 kΩ30.1 kΩ36.5 kΩ
4.3 VRCFG110.5 kΩ
RCFG28.25 kΩ10.5 kΩ13.3 kΩ16.2 kΩ20.5 kΩ24.9 kΩ30.1 kΩ36.5 kΩ
4.4 VRCFG113.3 kΩ
RCFG28.25 kΩ10.5 kΩ13.3 kΩ16.2 kΩ20.5 kΩ24.9 kΩ30.1 kΩ36.5 kΩ
4.5 VRCFG116.2 kΩ
RCFG28.25 kΩ10.5 kΩ13.3 kΩ16.2 kΩ20.5 kΩ24.9 kΩ30.1 kΩ36.5 kΩ
4.6 VRCFG120.5 kΩ
RCFG28.25 kΩ10.5 kΩ13.3 kΩ16.2 kΩ20.5 kΩ24.9 kΩ30.1 kΩ36.5 kΩ
4.7 VRCFG124.9 kΩ
RCFG28.25 kΩ10.5 kΩ13.3 kΩ16.2 kΩ20.5 kΩ24.9 kΩ30.1 kΩ36.5 kΩ
4.8 VRCFG130.1 kΩ
RCFG28.25 kΩ10.5 kΩ13.3 kΩ16.2 kΩ20.5 kΩ24.9 kΩ30.1 kΩ36.5 kΩ
5.0 VRCFG136.5 kΩ
RCFG28.25 kΩ10.5 kΩ13.3 kΩ16.2 kΩ20.5 kΩ24.9 kΩ30.1 kΩ36.5 kΩ

Table 7-3 summarizes the resistor values needed to configure the device for different output voltage (SEL = low) settings. For correct operation, use resistors with a tolerance of ±1% or better and a temperature coefficient of better than ±200 ppm.

Table 7-3 Output Voltage (SEL Pin = Low) Settings
OUTPUT VOLTAGE - VO(1)
(SEL = LOW)
RCFG3
1.8 V0 Ω
2.0 V511 Ω
2.1 V1.15 kΩ
2.2 V1.87 kΩ
2.3 V2.74 kΩ
2.4 V3.83 kΩ
2.5 V5.11 kΩ
2.6 V6.49 kΩ
2.7 V8.25 kΩ
2.8 V10.5 kΩ
3.0 V13.3 kΩ
3.3 V16.2 kΩ
3.6 V20.5 kΩ
4.0 V24.9 kΩ
4.5 V30.1 kΩ
5.0 V36.5 kΩ